Электродвигатели асинхронные серии 4АМН, 5АН, 5АМН, 5АНК
Посмотреть цену на электродвигатели 4АМН, 5АН, 5АМН, 5АНК Технические данные электродвигателей 4АМН, 5АН, 5АМН, 5АНК:| Тип двигателя | Номинальная мощность, кВт | Номинальная частота вращения, об/мин | Масса IM1081 (IM1001), кг | КПД, % | Коэф. мощн. |
| 4АМН 180 М2 | 45 | 2940 | 185 | 91,5 | 0,89 |
| 4АМН 180 S2 | 37 | 2940 | 170 | 91,0 | 0,87 |
| 4АМН 180 M4 | 37 | 1470 | 190 | 90,5 | |
| 4АМН 180 S4 | 30 | 1470 | 170 | 90,0 | 0,83 |
| 4АМН 180 M6 | 22 | 970 | 180 | 88,5 | 0,84 |
| 4АМН 180 S6 | 18,5 | 970 | 165 | 87,0 | 0,83 |
| 4АМН 180 M8 | 18,5 | 735 | 195 | 88,5 | 0,80 |
| 4АМН 180 S8 | 15 | 735 | 175 | 87,0 | 0,74 |
| 5AH 200 L2 | 75 | 2940 | 280 | 93,0 | 0,88 |
| 5AH 200 M2 | 55 | 2940 | 250 | 93,0 | 0,88 |
| 5AH 200 L4 | 55 | 1470 | 290 | 92,5 | 0,88 |
| 5AH 200 M4 | 45 | 1470 | 260 | 92,5 | 0,87 |
| 5AH 200 L6 | 37 | 980 | 265 | 91,0 | 0,81 |
| 5AH 200 M6 | 980 | 240 | 90,5 | 0,81 | |
| 5AH 200 L8 | 30 | 735 | — | 90,5 | 0,82 |
| 5AH 200 M8 | 22 | 735 | 250 | 90,5 | 0,82 |
| 5AH 225 M2 | 90 | 2950 | — | 94,0 | 0,92 |
| 5AH 225 M4 | 90 | 1475 | — | 93,0 | 0,85 |
| 5AH 225 M6 | 45 | 980 | — | 91,5 | 0,84 |
| 5AH 225 M8 | 37 | 735 | — | 90,4 | 0,80 |
| 5АМН 250 S2 | 90 | 2960 | 485 | 93,4 | 0,92 |
| 5АМН 250 S4 | 90 | 1485 | 490 | 94,5 | 0,85 |
| 5АМН 250 S6 | 55 | 985 | 440 | 92,7 | 0,83 |
| 5АМН 250 S8 | 45 | 740 | 440 | 91,5 | 0,75 |
| 5АМН 250 М2 | 110 | 2955 | 530 | 93,7 | 0,92 |
| 5АМН 250 М4 | 110 | 1485 | 540 | 94,8 | 0,85 |
| 5АМН 250 М6 | 75 | 985 | 475 | 93,3 | 0,83 |
| 5АМН 250 М8 | 55 | 740 | 470 | 91,2 | 0,77 |
| 5AH 250 M2 | 132 | 2940 | — | 94,0 | 0,90 |
| 5AH 250 S2 | 110 | 2940 | — | 93,5 | 0,88 |
| 5AH 250 M4 | 110 | 1470 | — | 94,0 | 0,85 |
| 5AH 250 S4 | 90 | 1470 | — | 94,0 | 0,85 |
| 5AH 250 M6 | 75 | 985 | — | 93,0 | 0,82 |
| 5AH 250 S6 | 55 | 985 | — | 92,5 | 0,82 |
| 5AH 250 M8 | 55 | 740 | — | 92,0 | 0,75 |
| 5AH 250 S8 | 45 | 740 | — | 91,0 | 0,75 |
| 5АМН 280 S2 | 132 | 2965 | 720 | 94,7 | 0,92 |
| 5АМН 280 S4 | 132 | 1485 | 750 | 95,3 | 0,85 |
| 5АМН 280 S6 | 90 | 985 | 715 | 94,7 | 0,85 |
| 5АМН 280 S8 | 75 | 735 | 705 | 93,3 | 0,81 |
| 5АМН 280 М2 | 160 | 2965 | 770 | 95,0 | 0,92 |
| 5АМН 280 М4 | 160 | 1485 | 835 | 96,0 | 0,89 |
| 5АМН 280 М6 | 110 | 985 | 800 | 94,8 | 0,85 |
| 5АМН 280 М8 | 90 | 740 | 790 | 94,2 | 0,82 |
| 5AH 280 B2 | 200 | 3000 | 817 | 94,0 | 0,89 |
| 160 | 3000 | 744 | 94,0 | 0,90 | |
| 5AH 280 A2C | 132/110 | 3000 | 740 | 92,8/93,0 | 0,91 |
| 5AH 280 M2K | 132 | 3000 | 690 | 93,0 | 0,90 |
| 5AH 280 S2K | 110 | 3000 | 675 | 93,0 | 0,89 |
| 5AH 280 B4 | 160 | 1500 | 764 | 94,0 | 0,90 |
| 5AH 280 A4 | 132 | 1500 | 720 | 93,0 | 0,89 |
| 5AH 280 A4C | 110 | 1500 | 720 | 93,0 | 0,88 |
| 5AH 280 S4K | 110 | 1500 | 695 | 93,0 | 0,89 |
| 5AH 280 B6 | 110 | 1000 | 732 | 92,8 | 0,89 |
| 5AH 280 A6 | 90 | 1000 | 700 | 92,5 | 0,89 |
| 5AH 280 A6C | 75 | 1000 | 700 | 93,0 | 0,88 |
| 5AH 280 S6K | 75 | 1000 | 695 | 92,5 | 0,87 |
| 5AH 280 B8 | 90 | 750 | 789 | 92,5 | 0,83 |
| 5AH 280 A8 | 75 | 750 | 743 | 92,0 | 0,85 |
| 5AH 280 S8K | 55 | 750 | 710 | 92,0 | 0,82 |
| 5AH 280 B10 | 55 | 600 | 820 | 91,0 | 0,81 |
| 5AH 280 A10 | 45 | 600 | 784 | 90,5 | 0,81 |
| 5АМН 315 S2 | 200 | 2970 | 965 | 95,0 | 0,92 |
| 5АМН 315 S4 | 200 | 1485 | 1050 | 95,4 | 0,86 |
| 5АМН 315 S6 | 132 | 990 | 905 | 94,2 | 0,85 |
| 5АМН 315 S8 | 110 | 740 | 935 | 94,1 | 0,82 |
| 5АМН 315 М2 | 250 | 2975 | 1105 | 95,5 | 0,92 |
| 5АМН 315 М4 | 250 | 1485 | 1145 | 95,7 | 0,87 |
| 5АМН 315 М6 | 160 | 990 | 1005 | 94,8 | 0,87 |
| 5АМН 315 М8 | 132 | 740 | 1020 | 94,3 | 0,82 |
| 5AH 315 A2 | 250 | 3000 | 950 | 94,0 | 0,91 |
| 5AH 315 S2K | 160 | 3000 | 890 | 94,0 | 0,89 |
| 5AH 315 B4 | 250 | 1500 | 990 | 94,3 | 0,90 |
| 5AH 315 A4 | 200 | 1500 | 900 | 94,0 | 0,91 |
| 5AH 315 S4K | 160 | 1500 | 920 | 94,0 | 0,89 |
| 5AH 315 B6 | 160 | 1000 | 980 | 94,0 | 0,89 |
| 5AH 315 A6 | 132 | 1000 | 900 | 93,5 | 0,89 |
| 5AH 315 S6K | 110 | 1000 | 905 | 93,5 | 0,89 |
| 5AH 315 B8 | 132 | 750 | 1100 | 93,2 | 0,86 |
| 5AH 315 A8 | 110 | 750 | 940 | 93,0 | 0,86 |
| 5AH 315 S8K | 160 | 750 | 935 | 93,0 | 0,84 |
| 5AH 315 B10 | 90 | 600 | 1060 | 92,0 | 0,84 |
| 5AH 315 A10 | 75 | 600 | 985 | 91,5 | 0,84 |
| 5AH 315 B12 | 75 | 500 | 1055 | 91,0 | 0,78 |
| 5AH 315 A12 | 55 | 500 | 980 | 91,0 | 0,78 |
| 5АН 355 В2 | 400 | 3000 | 1440 | 95,0 | 0,92 |
| 5АН 355 А2 | 315 | 3000 | 1310 | 94,0 | 0,92 |
| 5АН 355 В4 | 400 | 1500 | 1400 | 94,5 | 0,91 |
| 5АН 355 А4 | 315 | 1500 | 1290 | 94,5 | 0,91 |
| 5АН 355 В6 | 250 | 1000 | 1360 | 94,5 | 0,90 |
| 5АН 355 А6 | 200 | 1000 | 1240 | 94,0 | 0,90 |
| 5АН 355 В8 | 200 | 750 | 1460 | 94,0 | 0,86 |
| 5АН 355 В8С | 250 | 750 | 1630 | 94,0 | 0,85 |
| 5АН 355 А8 | 160 | 750 | 1340 | 93,5 | 0,86 |
| 5АН 355 В10 | 132 | 600 | 1340 | 92,5 | 0,83 |
| 5АН 355 В10С | 160 | 600 | 1500 | 91,0 | 0,85 |
| 5АН 355 А10 | 110 | 600 | 1260 | 92,5 | 0,83 |
| 5АН 355 В12 | 110 | 500 | 1320 | 92,5 | 0,77 |
| 5АН 355 А12 | 90 | 500 | 1250 | 92,0 | 0,77 |
| 5АНК 280 В4 | 160 | 1500 | 880 | 92,5 | 0,89 |
| 5АНК 280 А4 | 132 | 1500 | 840 | 92,5 | 0,89 |
| 5АНК 280 В6 | 110 | 1000 | 860 | 91,0 | 0,88 |
| 5АНК 280 А6 | 90 | 1000 | 810 | 91,0 | 0,88 |
| 5АНК 280 В8 | 90 | 750 | 915 | 91,0 | 0,85 |
| 5АНК 280 А8 | 75 | 750 | 850 | 91,0 | 0,84 |
| 5АНК 280 В10 | 55 | 600 | 860 | 89,5 | 0,80 |
| 5АНК 280 А10 | 45 | 600 | 810 | 89,0 | 0,80 |
| 5АНК 315 В4 | 250 | 1500 | 1160 | 93,0 | 0,90 |
| 5АНК 315 А4 | 200 | 1500 | 1050 | 93,0 | 0,89 |
| 5АНК 315 В6 | 160 | 1000 | 1140 | 92,5 | 0,88 |
| 5АНК 315 А6 | 132 | 1000 | 1070 | 92,0 | 0,88 |
| 5АНК 315 В8 | 132 | 750 | 1230 | 92,5 | 0,86 |
| 5АНК 315 А8 | 110 | 750 | 1130 | 91,5 | 0,85 |
| 5АНК 315 В10 | 90 | 600 | 1200 | 90,5 | 0,81 |
| 5АНК 315 А10 | 75 | 600 | 1100 | 90,0 | 0,81 |
| 5АНК 355 В4 | 400 | 1500 | 1570 | 94,0 | 0,90 |
| 5АНК 355 А4 | 315 | 1500 | 1400 | 93,5 | 0,90 |
| 5АНК 355 В6 | 250 | 1000 | 1420 | 93,5 | 0,89 |
| 5АНК 355 А6 | 200 | 1000 | 1360 | 93,0 | 0,90 |
| 5АНК 355 В8 | 200 | 750 | 1620 | 93,5 | 0,87 |
| 5АНК 355 А8 | 160 | 750 | 1400 | 93,0 | 0,86 |
| 5АНК 355 В10 | 132 | 600 | 1430 | 91,0 | 0,81 |
| 5АНК 355 А10 | 110 | 0 | 1320 | 90,5 | 0,79 |
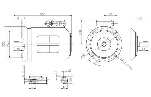
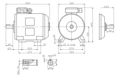
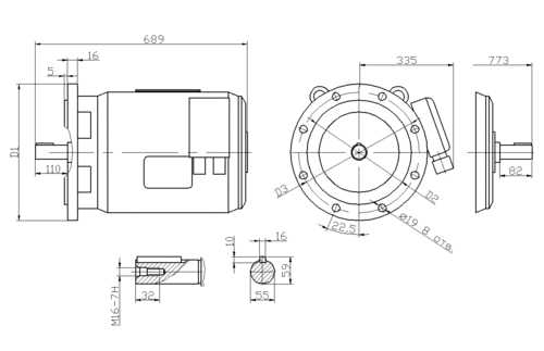
Габаритные, установочные и присоединительные размеры электродвигателей 4АМН, 5АН, 5АМН, 5АНК:
| Тип двигателя | Число полюсов | l30 | h41 | d30 | l1 | l10 | l11 | l31 | d1 | d10 | b1 | b10 | b11 | h | h5 |
| 4АМН 180 S | 2 | 580 | 470 | 385 | 110 | 203 | 253 | 121 | 48 | 15 | 14 | 279 | 339 | 180 | 51,5 |
| 4АМН 180 S | 4,6,8 | 580 | 470 | 385 | 110 | 203 | 291 | 121 | 55 | 15 | 16 | 279 | 339 | 180 | 59,0 |
| 4АМН 180 М | 2 | 620 | 470 | 385 | 110 | 241 | 253 | 121 | 48 | 15 | 14 | 279 | 339 | 180 | 51,5 |
| 4АМН 180 М | 4,6,8 | 620 | 470 | 385 | 110 | 241 | 291 | 121 | 55 | 15 | 16 | 279 | 339 | 180 | 59,0 |
| 5АН 200 L | 2 | 705 | 535 | 460 | 110 | 305 | 375 | 133 | 55 | 19 | 16 | 318 | 395 | 200 | 59,0 |
| 5АН 200 L | 4,6,8 | 735 | 535 | 460 | 140 | 305 | 375 | 133 | 60 | 19 | 16 | 318 | 395 | 200 | 64,0 |
| 5АН 200 М | 2 | 665 | 535 | 460 | 110 | 267 | 337 | 133 | 55 | 19 | 16 | 318 | 395 | 200 | 59,0 |
| 5АН 200 М | 4,6,8 | 695 | 535 | 460 | 140 | 267 | 337 | 133 | 60 | 19 | 16 | 318 | 395 | 200 | 64,0 |
| 5АН 225 М | 2 | 715 | 580 | 500 | 110 | 311 | — | 149 | 55 | 19 | — | 356 | — | 225 | — |
| 5АН 225 М | 4,6,8 | 745 | 580 | 500 | 140 | 311 | — | 149 | 65 | 19 | — | 356 | — | 225 | — |
| 5АМН 250 S | 2 | 935 | 630 | 500 | 140 | 311 | 440 | — | 65 | 24 | 18 | 406 | 490 | 250 | 69,0 |
| 5АМН 250 S | 4,6,8 | 935 | 630 | 500 | 140 | 311 | 440 | — | 75 | 24 | 20 | 406 | 490 | 250 | 79,5 |
| 5АМН 250 М | 2 | 965 | 630 | 500 | 140 | 349 | 440 | — | 65 | 24 | 18 | 406 | 490 | 250 | 69,0 |
| 5АМН 250 М | 4,6 | 965 | 630 | 500 | 140 | 349 | 440 | — | 75 | 24 | 20 | 406 | 490 | 250 | 79,5 |
| 5АМН 250 М | 8 | 935 | 630 | 500 | 140 | 349 | 440 | — | 75 | 24 | 20 | 406 | 490 | 250 | 79,5 |
| 5АН 250 М | 2,4 | 745 | 580 | 500 | 140 | 311 | — | 149 | 65 | 19 | — | 356 | — | 250 | 69,0 |
| 5АН 250 М | 6,8 | 845 | 640 | 550 | 140 | 349 | — | 168 | 75 | 24 | — | 406 | — | 250 | 79,5 |
| 5АН 250 S | 2 | 845 | 640 | 550 | 140 | 349 | — | 168 | 65 | 24 | — | 406 | — | 250 | 69,0 |
| 5АН 250 S | 4,6,8 | 805 | 640 | 550 | 140 | 311 | — | 168 | 75 | 24 | — | 406 | — | 250 | 79,5 |
| 5АН 280 А | 2 | 975 | 745 | 665 | 140 | 368/419 | 590 | 190 | 70 | 24 | 20 | 457 | 577 | 280 | 74,5 |
| 5АН 280 В | 2 | 1035 | 745 | 665 | 140 | 368/419 | 590 | 190 | 70 | 24 | 20 | 457 | 577 | 280 | 74,5 |
| 5АН 280 А,В | 4,6,8,10 | 1005 | 745 | 665 | 170 | 368/419 | 590 | 190 | 80 | 24 | 22 | 457 | 577 | 280 | 85,0 |
| 5АН 315 А | 2 | 1010 | 818 | 740 | 140 | 406/457 | 630 | 216 | 75 | 28 | 20 | 508 | 628 | 315 | 79,5 |
| 5АН 315 А,В | 4,6,8,10 | 1040 | 818 | 740 | 170 | 406/457 | 630 | 216 | 90 | 28 | 25 | 508 | 628 | 315 | 95,0 |
| 5АН 355 А,В | 2 | 1135 | 900 | 820 | 170 | 500/560 | 630 | 254 | 85 | 28 | 22 | 610 | 730 | 355 | 90,0 |
| 5АН 355 А,В | 4,6,8,10,12 | 1175 | 900 | 820 | 210 | 500/560 | 630 | 254 | 100 | 28 | 28 | 610 | 730 | 355 | 106,0 |
| 5АН 355 В | 8С,10С | 1275 | 900 | 820 | 210 | 500/560 | 630 | 254 | 100 | 28 | 28 | 610 | 730 | 355 | 106,0 |
| 5АНК 280 А,В | 4,6,8,10 | 1275 | 745 | 665 | 170 | 368/419 | 590 | 190 | 80 | 24 | 22 | 457 | 577 | 280 | 85,0 |
| 5АНК 315 А,В | 4,6,8,10 | 1300 | 816 | 740 | 170 | 406/457 | 630 | 216 | 90 | 28 | 25 | 508 | 628 | 315 | 95,0 |
| 5АНК 355 А,В | 4,6,8,10 | 1545 | 900 | 820 | 210 | 500/560 | 630 | 254 | 100 | 28 | 28 | 610 | 730 | 355 | 106,0 |
Схема электродвигателей:
www.rosdiler-electro.ru
Лифтовые электродвигатели 5АН, 5АФ, АНП
Весь каталог — электродвигатели для привода лифтовОбщие технические характеристики электродвигателей для привода лифтов 5АН, 5АФ, АНП
Лифтовые двигатели 5АН, 5АФ, АНП используются для привода пассажирских и грузовых лифтов в гражданских и промышленных зданиях. Электродвигатели имеют короткозамкнутый ротор с глубокими пазами или с двойной клеткой, что необходимо для плавного пуска и снижения пускового тока.
По сравнению с электродвигателями общего назначения лифтовые двигатели характеризуются повышенной величиной номинального скольжения. Электродвигатели изготавливают двухскоростными с двумя обмотками на статоре с разным числом полюсов. При пуске электродвигатель переключается на обмотку статора с меньшим числом полюсов (на большую синхронную частоту вращения) и только перед остановкой, для притормаживания, всего на несколько секунд электродвигатель переключается на обмотку статора с большим числом полюсов (с меньшей синхронной частотой вращения). Это позволяет погасить инерцию движущихся частей установки и снизить скорость движения лифта перед его остановкой. Лифтовые электродвигатели выпускаются малошумными, с повышенными требованиями к вибрации.
Высотами оси вращения — 160, 180, 200, 225 мм. Исполнение по степени защиты — IP23 с самовентиляцией или независимой вентиляцией. Крепление двигателей — фланцевое с одним или двумя выступающими концами вала. Монтажное исполнение 5АН 160 — IM 3001, IM 3002. Монтажное исполнение 5АН 180 — IM 1001, IM 1002, IM 3001, IM 3002. Монтажное исполнение АНП 180 — IM 5410. Монтажное исполнение 5АН (Ф) 200 — IM 3001, IM 3002. Монтажное исполнение 5АН (Ф) 225 — IM 3001, IM 3002.
Габаритные и присоединительные размеры лифтовых электродвигателей 5АН, 5АФ, АНП
Габаритные, установочные и присоединительные размеры двигателей 5АН 160S НЛБ

Габаритные, установочные и присоединительные размеры двигателя 5АН 180S6/24НЛБ

Габаритные, установочные и присоединительные размеры двигателей 5АН 180S(M)

Габаритные, установочные и присоединительные размеры двигателя 5АН 200S НЛБ

Габаритные, установочные и присоединительные размеры двигателя 5АН 200M НЛБ

Габаритные, установочные и присоединительные размеры двигателя 5АФ 200M НЛБ

Габаритные, установочные и присоединительные размеры двигателя 5АН 225 НЛБ

Габаритные, установочные и присоединительные размеры двигателя 5АФ 225 НЛБ

Основные технические характеристики электродвигателей привода лифтов 5АН, 5АФ, АНП
Тип двигателя |
Номин. мощн. при ПВ 40%, кВт |
Номин. частот. враш., об/мин |
Масса, кг |
Номин. ток при U=380В, А |
Отнош. пуск. момента к ном. |
Отнош. пуск. тока к ном. |
Отнош. макс. момента к ном. |
Отнош. макс. тормозного момента к ном. |
Доп-мое число пусков в час |
КПД, % |
Коэф. мощн. |
5АН160S4/16 |
3,55 |
1425 |
110 |
10,0 |
2,7-3,3 |
6,5 |
3,1-3,9 |
— |
150 |
80,0 |
0,68 |
— |
325 |
8,0 |
>1,9 |
2,0 |
>1,9 |
2,7-3,5 |
— |
— |
|||
5АН160S6/18 |
3,0 |
950 |
110 |
12,0 |
2,7-3,2 |
4,6 |
3,0-3,7 |
— |
120 |
70,0 |
0,54 |
— |
285 |
13,0 |
>2,1 |
— |
>2,1 |
2,8-3,5 |
— |
— |
|||
5Ah280 S4/16 |
5,0 |
1445 |
165 |
11,6 |
2,8-3,8 |
6,5 |
3,6-4,2 |
— |
180 |
83,0 |
0,79 |
— |
345 |
13,0 |
>2,2 |
2,0 |
>2,2 |
3,6-4,2 |
— |
— |
|||
AHП180 SA6/24 |
3,0 |
940 |
130 |
9,0 |
2,3-2,8 |
5,0 |
2,6-3,1 |
— |
120 |
78,5 |
0,65 |
— |
205 |
14,5 |
>1,8 |
— |
>1,8 |
2,3-2,8 |
— |
— |
|||
АНП180SB6/24 |
3,55 |
945 |
130 |
11,3 |
2,5-2,9 |
5,0 |
2,9-3,5 |
— |
150 |
77,0 |
0,62 |
— |
213 |
17,0 |
>1,8 |
— |
>1,82 |
2,2-2,6 |
— |
— |
|||
5АН180S6/24 |
3,55 |
920 |
160 |
9,3 |
2,3-2,8 |
5,5 |
2,7-3,2 |
— |
120 |
83,0 |
0,70 |
— |
205 |
18,6 |
>1,9 |
— |
>1,9 |
2,6-3,1 |
— |
— |
|||
5Ah280М6/24 |
4,5 |
910 |
182 |
11,3 |
2,6-3,0 |
5,0 |
2,8-3,2 |
— |
150 |
81,0 |
0,75 |
— |
205 |
19,9 |
>1,8 |
— |
>1,8 |
2,6-3,0 |
— |
— |
|||
5АН(Ф)200 МА4/24 |
8,0 |
1410 |
258 (270) |
16,0 |
2,4-3,0 |
6,5 |
2,6-3,1 |
— |
150 (200) |
85,0 |
0,89 |
— |
215 |
12,0 |
>1,9 |
— |
>1,9 |
2,6-3,1 |
— |
— |
|||
5АН200 МВ4/24 |
10,0 |
1395 |
258 |
20,5 |
2,6-3,0 |
6,0 |
2,9-3,3 |
— |
150 |
85,0 |
0,87 |
— |
200 |
22,7 |
>2,0 |
— |
>2,0 |
2,6-3,0 |
— |
— |
|||
5АФ200 МВ4/24 |
12,0 |
1380 |
270 |
24,2 |
2,4-2,8 |
6,5 |
2,5-3,0 |
— |
200 |
82,5 |
0,91 |
— |
215 |
19,4 |
>1,9 |
— |
>1,9 |
2,6-3,1 |
— |
— |
|||
5АН200S6/24 |
5,6 |
920 |
215 |
13,5 |
2,3-2,8 |
5,5 |
2,6-3,0 |
— |
180 |
83,0 |
0,76 |
— |
210 |
18,8 |
>1,8 |
— |
>1,8 |
2,3-2,8 |
— |
— |
|||
5АН(Ф)200 МА6/24 |
6,5 |
940 |
258 (270) |
15,1 |
2,6-2,9 |
6,0 |
3,0-3,3 |
— |
150 (200) |
83,5 |
0,78 |
— |
220 |
21,0 |
>2,3 |
— |
>2,3 |
2,9-3,4 |
— |
— |
|||
5АН(Ф)200 МВ6/24 |
7,5 |
940 |
16,8 |
2,6-3,0 |
6,0 |
2,7-3,3 |
— |
120 (200) |
84,5 |
0,80 |
|
— |
220 |
23,0 |
>2,1 |
— |
>2,1 |
2,6-3,0 |
— |
— |
|||
5АН(Ф)225 МА6/24 |
9,0 |
940 |
385 (398) |
19,4 |
2,8-3,4 |
6,5 |
2,9-3,7 |
— |
90 (200) |
84,5 |
0,83 |
— |
220 |
22,5 |
>2,0 |
— |
>2,0 |
2,6-3,7 |
— |
— |
|||
5АН(Ф)225 МВ6/24 |
13,0 |
940 |
405 (418) |
28,0 |
2,2-2,7 |
6,5 |
2,4-2,9 |
— |
90 (180) |
84,0 |
0,83 |
— |
220 |
31,5 |
>1,8 |
— |
>1,8 |
2,5-3,0 |
— |
— |
|||
5АН(Ф)225L6/24 |
17,5 |
940 |
439 (452) |
36,1 |
2,2-2,7 |
6,5 |
2,4-2,9 |
— |
84,5 |
0,87 |
|
— |
220 |
35,0 |
>1,6 |
— |
>1,6 |
2,2-2,7 |
— |
— |
Каталог — электродвигатели для привода лифтов
При оформлении заказа обеспечивается доставка оборудования по всей России (полный список регионов России)

Многолетний опыт работы на рынке электротехнического оборудования, сотрудничество с заводами-изготовителями, а также наличие продукции на наших складах, позволяет осуществлять покупку и доставку электрооборудования и комплектующих в кратчайшие сроки. Специалисты компании «СпецЭлектро» помогут найти оптимальное решение по техническим характеристикам, цене и времени доставки электродвигателя или оборудования для Вашей задачи. Наши специалисты подберут замену для устаревшей серии оборудования и ответят на все интересующие Вас вопросы, помогут купить электродвигатель и подходящее вам оборудование.
Купить электрооборудование с доставкой — это просто!
При покупке электрооборудования, компания обеспечит постгарантийное обслуживание
se33.ru
ПП-АН5
| Марка: | ПП-АН5 |
|---|---|
| Стандарт: | ГОСТ 26271-84 Проволока порошковая для дуговой сварки углеродистых и низколегированных сталей.Общие технические условия. |
| Классификация: | Материалы разные->Материалы для сварки и пайки->Сварочные материалы->Проволока сварочная->Порошковая |
| Применение: | Конструкция — трубчатая, тип сердечника — карбонатно — флюоритный. Предназначена для автоматической сварки с принудительным формировванием шва вертикальных сварных соединений из малоуглеродистых и низколегированных сталей. Рукомендуется для сварки металла толщиной 10-30 мм. Сварка выполняется в защитной среде углекислого газа на на постоянном токе обратной полярности. Используется на сварочных автоматах А-1150У. Типичные обьекты применения: сварка вертикальных швов корпусов судов, емкостей, хранилищ. Стали: ВСт3сп, 09Г2. |
Физико-механические свойства
| Относительное сужение ψ, % | Предел прочности (Временное сопротивление) σв, МПа | Предел текучести σ0,2, МПа | Относительное удлинение после разрыва δ5, % | Ударная вязкость aн, кДж/м2 | |
|---|---|---|---|---|---|
| металл шва | от 68 до 70 | от 510 до 550 | от 410 до 450 | от 26 до 28 | |
| сварное соединение, 20 град.С. | от 14 до 16 | ||||
Электрические свойства
| Род тока | Полярность |
|---|---|
| постоянный | обратная |
Группы материалов
| Группа сварочных материалов |
|---|
| углеродистые, низколегированные |
Технологические свойства
| Производительность сварки Gн |
|---|
| от 7 до 9 |
Химический состав
| Mn, % | Si, % | С, % | P, % | S, % | |
|---|---|---|---|---|---|
| металл шва | от 1.1 до 1.2 | от 0.2 до 0.25 | от 0.08 до 0.1 | от 0.017 до 0.02 | от 0.015 до 0.018 |
Технологические коэффициенты
| Козффициент расхода проволоки Кр |
|---|
| 1.2 |
Классификация:
oitsp.ru
Общие технические характеристики электродвигателей для привода лифтов 5АН, 5АФ, АНПЛифтовые двигатели 5АН, 5АФ, АНП используются для привода пассажирских и грузовых лифтов в гражданских и промышленных зданиях. Электродвигатели имеют короткозамкнутый ротор с глубокими пазами или с двойной клеткой, что необходимо для плавного пуска и снижения пускового тока. По сравнению с электродвигателями общего назначения лифтовые двигатели характеризуются повышенной величиной номинального скольжения. Электродвигатели изготавливают двухскоростными с двумя обмотками на статоре с разным числом полюсов. При пуске электродвигатель переключается на обмотку статора с меньшим числом полюсов (на большую синхронную частоту вращения) и только перед остановкой, для притормаживания, всего на несколько секунд электродвигатель переключается на обмотку статора с большим числом полюсов (с меньшей синхронной частотой вращения). Это позволяет погасить инерцию движущихся частей установки и снизить скорость движения лифта перед его остановкой. Лифтовые электродвигатели выпускаются малошумными, с повышенными требованиями к вибрации. Высотами оси вращения — 160, 180, 200, 225 мм. Исполнение по степени защиты — IP23 с самовентиляцией или независимой вентиляцией. Крепление двигателей — фланцевое с одним или двумя выступающими концами вала. Монтажное исполнение 5АН 160 — IM 3001, IM 3002. Монтажное исполнение 5АН 180 — IM 1001, IM 1002, IM 3001, IM 3002. Монтажное исполнение АНП 180 — IM 5410. Монтажное исполнение 5АН (Ф) 200 — IM 3001, IM 3002. Монтажное исполнение 5АН (Ф) 225 — IM 3001, IM 3002. Габаритные и присоединительные размеры лифтовых электродвигателей 5АН, 5АФ, АНПГабаритные, установочные и присоединительные размеры двигателей 5АН 160S НЛБГабаритные, установочные и присоединительные размеры двигателя 5АН 180S6/24НЛБГабаритные, установочные и присоединительные размеры двигателей 5АН 180S(M)Габаритные, установочные и присоединительные размеры двигателя 5АН 200S НЛБГабаритные, установочные и присоединительные размеры двигателя 5АН 200M НЛБГабаритные, установочные и присоединительные размеры двигателя 5АФ 200M НЛБГабаритные, установочные и присоединительные размеры двигателя 5АН 225 НЛБГабаритные, установочные и присоединительные размеры двигателя 5АФ 225 НЛБОсновные технические характеристики электродвигателей привода лифтов 5АН, 5АФ, АНП
С этим покупают: |
erkogor.ru
Функция 5ан
Создает временный файл на диске
*Вход:
АН = 5АН
СХ — атрибут файла
DS:DX — указатель на маршрут
*Выход:
Флаг переноса установлен:
АХ = 2 — файл не найден
= 3 — маршрут не найден
= 4 — слишком много открытых файлов
= 5 — нет доступа
Флаг переноса сброшен:
АХ — хендл
*Примечание.
Функция 5Ah создает файл с уникальным именем. DX должен содержать смещение строки, указывающей маршрут. Маршрут представляет собой строковую переменную, задающую маршрут и имя файла и, кроме завершающего нуля, содержит еще 13 байт для записи имени файла, например,
path_l db «a:\userl»,0 ,13 dup(0)
Временный файл не уничтожается автоматически, это можно сделать функцией 41h.
Прерывание 25н
Читает диск по секторам
*Вход:
AL — номер дисковода ( 0-А, 1-В и т.д.)
DS:BX — адрес буфера диска
СХ — количество секторов
DX — начальный относительный сектор
*Выход:
Флаг переноса установлен:
AL — код ошибки
Флаг переноса сброшен: нет ошибок
*Примечание.
Прерывание 25h читает с диска в буфер обмена количество секторов, указанных в DX. При вызове прерывания разрушаются все регистры кроме сегментных, поэтому необходимо сохранять перед вызовом все регистры. В момент прерывания система помещает регистр флагов в стек, а при возвращении не выбирает его, поэтому не забывайте очищать стек после прерывания.
Прерывание 26н
Записывает диск по секторам
*Вход:
AL — номер дисковода ( 0-А, 1-В и т.д.)
DS:BX — адрес буфера диска
СХ — количество секторов
DX — начальный относительный сектор
*Выход:
Флаг переноса установлен:
AL — код ошибки
Флаг переноса сброшен: нет ошибок
*Примечание.
Прерывание 26h пишет на диск буфер обмена количество секторов, указанных в DX. При вызове прерывания разрушаются все регистры, кроме сегментных, поэтому необходимо сохранять перед вызовом все регистры. В момент прерывания система помещает регистр флагов в стек, а при возвращении не выбирает его, поэтому не забывайте очищать стек после прерывания.
Пример выполнения работы Создать новую директорию new_dir на диске а:, сделать ее текущей, записать туда файл newfile.Txt и в него записать сообщение — «Это вновь созданный файл».
date segment
path_l db «new_dir»,0
path_2 db ‘newfile.txt’,0
hendle dw 0
mes db ‘Это вновь созданный файл’, 10,13
date ends
code segment
assume cs:code,ds:date
start: mov ax, date
mov ds,ax
mov dl,0 ; текущий диск — A:
mov ah,OEh ; загрузка функции ОЕ
int 21h ; смена текущего диска
mov dx, offset path_l ; загрузка маршрута нового каталога
mov ah,39h ; загрузка 39-й функции
int 21h ; создание нового каталога
jc m1 ; переход, если есть ошибка
mov dx,offset path_l ; маршрут нового каталога
mov ah,3bh ; загрузка функции 3b
int 21h ; смена каталога
jc ml ; переход, если нет ошибки
mov dx, off set path_2 ; загрузка маршрута нового каталога
mov сх,0 ; установка атрибута чтение/запись
mov ah,3Ch ; загрузка функции ЗС
int 21h ; создание файла
jc ml ; переход, если есть ошибка
mov hendle,ах ; сохранить хендл
mov bx,hendle ; установить хендл
mov сх,26 ; количество символов для записи
mov dx,offset mes ; начало записываемого текста
mov ah,40h ; загрузка 40-й функции
int 21h ; записать в файл сообщение
jc ml ; переход, если есть ошибка
сmр ах,2б
jz m3
mov ах,13 ;код ошибки при неправильной передаче
jmp ml ; переход при несовпадении
mЗ: mov bx,hendle ; загрузить хендл
mov ah,3Eh ; загрузка функции ЗЕ
int 21h ; закрыть хендл
jc ml ; переход, если есть ошибка
jmp m2
m1: call er_disk ; переход на конец
m2: mov ax,4c00h ; выход
int 21h
er_disk proc near ; выдача сообщений об ошибках
push ds ; сохранить сегмент данных
mov cx,cs ; изменить
mov ds,cx ; сегмент данных
сmр ах,2 ; ошибка 2 ?
jnz @3 ; нет, продолжить анализ
mov dx,offset message2 ; загрузка буфера сообщения
jmp @15 ; переход на вывод сообщения
@3: сmр ах,3 ; ошибка 2 ?
jnz @4 ; нет, продолжить анализ
mov dx,off set message3 ; загрузка буфера сообщения
jmp @15 ; переход на вывод сообщения
@4: сmр ах,4 ; ошибка 4 ?
jnz @5 ; нет, продолжить анализ
mov dx, offset message4 ; загрузка буфера сообщения
jmp @15 ; переход на вывод сообщения
@5: сmр ах,5 ; ошибка 5 ?
jnz @6 ; нет, продолжить анализ
mov dx,offset message5 ; загрузка буфера сообщения
jmp @15 ; переход на вывод сообщения
@6: сmр ах,б ; ошибка 6 ?
jnz @12 ; нет, продолжить анализ
mov dx,offset message6 ; загрузка буфера сообщения
jmp @15 ; переход на вывод сообщения
@12: сmр ах,12 ; ошибка 12 ?
jnz @13 ; нет, продолжить анализ
mov dx,offset messagel2 ;загрузка буфера сообщения
jmp @15 ; переход на вывод сообщения
@13: сmр ах,13 ; ошибка 12 ?
jnz @14 ; нет, продолжить анализ
mov dx,offset messagel3; загрузка буфера сообщения
jmp @15 ; переход на вывод сообщения
@14: mov dx,offset messagel4; ошибка не распознана
@15: mov ah,9 ; загрузка 9-й функции
int 21h ; вывод сообщения об ошибке
mov dx,offset wait_
mov ah,9 ; загрузка 9-й функции
int 21h ; вывод сообщения
mov ah,8 ; загрузка 8-й функции
int 21h ; ожидание pop ds
ret ; выход из процедуры
message2 db 10,13,’Файл не найден’,10,13,’$’
message3 db ‘Маршрут не найден’,10,13,’$’
message4 db ‘Слишком много открытых фалов’,10,13,’$’
message5 db 10,13,’Нет доступа’,10.13,’$’
message6 db ‘Несуществующий хендл’,10,13,’$’
message12 db ‘He разрешен доступ’,10,13,’$’
message13 db ‘Неверная передача данных в файл’,10,13,’$’
message14 db ‘Неопределенная ошибка’,10,13,’$’
wait_ db ‘Нажмите любую клавишу’,10,13,’$’
er_disk endp
code ends
end start
studfiles.net
Электродвигатели 5АН, АНП, 5АФ, 5АНФ
Двигатели 5АН, АНП, 5АФ, 5АНФ для привода лифтов представляют собой трехфазные двухскоростные асинхронные малошумные двигатели с короткозамкнутым ротором, предназначенные для привода лебедок пассажирских, грузопассажирских и грузовых лифтов жилых, административных и промышленных зданий.
Расшифровка обозначений электродвигателей 5АН, АНП, 5АФ, 5АНФ
после обозначения серии базового двигателя, перед обозначением оси вращения:
- Н — защищенное исполнение с самовентиляцией;
- Ф — защищенное исполнение с принудительной вентиляцией;
- П — пристроенное исполнение.
после обозначения числа полюсов, перед обозначением климатического исполнения (УХЛ4):
- Н — малошумное исполнение;
- Л — двигатель для привода лифтов;
- Б — двигатель со встроенными датчиками температурной защиты.
Общие технические характеристики электродвигателей 5АН, АНП, 5АФ, 5АНФ
| Тип двигателя | Номин. мощн. при ПВ 40%, кВт | Номин. частота вращ., об/мин | Масса, кг | Номин. ток при U=380В, А | Отнош. пуск. момен. к номин. | Отнош. пуск. тока к номин. | Отнош. макс. момен. к номин. | Отнош. макс. тормоз- ного момен. к номин. | Допус- тимое число пусков в час | КПД, % | Коэф. мощн. |
| 5АН 160 S4/16 | 3,55 | 1425 | 110 | 10,0 | 2,7-3,3 | 6,5 | 3,1-3,9 | — | 150 | 80,0 | 0,68 |
| — | 325 | 8,0 | >1,9 | 2,0 | >1,9 | 2,7-3,5 | — | — | |||
| 5АН 160 S6/18 | 3,0 | 950 | 110 | 12,0 | 2,7-3,2 | 4,6 | 3,0-3,7 | — | 120 | 70,0 | 0,54 |
| — | 285 | 13,0 | >2,1 | — | >2,1 | 2,8-3,5 | — | — | |||
| 5АН 180 S4/16 | 5,0 | 1445 | 165 | 11,6 | 2,8-3,8 | 6,5 | 3,6-4,2 | — | 180 | 83,0 | 0,79 |
| — | 345 | 13,0 | >2,2 | 2,0 | >2,2 | 3,6-4,2 | — | — | |||
| АНП 180 SA6/24 | 3,0 | 940 | 130 | 9,0 | 2,3-2,8 | 5,0 | 2,6-3,1 | — | 120 | 78,5 | 0,65 |
| — | 205 | 14,5 | >1,8 | — | >1,8 | 2,3-2,8 | — | — | |||
| АНП 180 SВ6/24 | 3,55 | 945 | 130 | 11,3 | 2,5-2,9 | 5,0 | 2,9-3,5 | — | 150 | 77,0 | 0,62 |
| — | 213 | 17,0 | >1,8 | — | >1,8 | 2,2-2,6 | — | — | |||
| 5АН 180 S6/24 | 3,55 | 920 | 160 | 9,3 | 2,3-2,8 | 5,5 | 2,7-3,2 | — | 120 | 83,0 | 0,70 |
| — | 205 | 18,6 | >1,9 | — | >1,9 | 2,6-3,1 | — | — | |||
| 5АН 180 М6/24 | 4,5 | 910 | 182 | 11,3 | 2,6-3,0 | 5,0 | 2,8-3,2 | — | 150 | 81,0 | 0,75 |
| — | 205 | 19,9 | >1,8 | — | >1,8 | 2,6-3,0 | — | — | |||
| 5АН(Ф) 200 МА4/24 | 8,0 | 1410 | 258 (270) | 16,0 | 2,4-3,0 | 6,5 | 2,6-3,1 | — | 150 (200) | 85,0 | 0,89 |
| — | 215 | 12,0 | >1,9 | — | >1,9 | 2,6-3,1 | — | — | |||
| 5АН 200 МВ4/24 | 10,0 | 1395 | 258 | 20,5 | 2,6-3,0 | 6,0 | 2,9-3,3 | — | 150 | 85,0 | 0,87 |
| — | 200 | 22,7 | >2,0 | — | >2,0 | 2,6-3,0 | — | — | |||
| 5АФ 200 МВ4/24 | 12,0 | 1380 | 270 | 24,2 | 2,4-2,8 | 6,5 | 2,5-3,0 | — | 200 | 82,5 | 0,91 |
| — | 215 | 19,4 | >1,9 | — | >1,9 | 2,6-3,1 | — | — | |||
| 5АН 200 S6/24 | 5,6 | 920 | 215 | 13,5 | 2,3-2,8 | 5,5 | 2,6-3,0 | — | 180 | 83,0 | 0,76 |
| — | 210 | 18,8 | >1,8 | — | >1,8 | 2,3-2,8 | — | — | |||
| 5АН(Ф) 200 МА6/24 | 6,5 | 940 | 258 (270) | 15,1 | 2,6-2,9 | 6,0 | 3,0-3,3 | — | 150 (200) | 83,5 | 0,78 |
| — | 220 | 21,0 | >2,3 | — | >2,3 | 2,9-3,4 | — | — | |||
| 5АН(Ф) 200 МВ6/24 | 7,5 | 940 | 16,8 | 2,6-3,0 | 6,0 | 2,7-3,3 | — | 120 (200) | 84,5 | 0,80 | |
| — | 220 | 23,0 | >2,1 | — | >2,1 | 2,6-3,0 | — | — | |||
| 5АН(Ф) 225 МА6/24 | 9,0 | 940 | 385 (398) | 19,4 | 2,8-3,4 | 6,5 | 2,9-3,7 | — | 90 (200) | 84,5 | 0,83 |
| — | 220 | 22,5 | >2,0 | — | >2,0 | 2,6-3,7 | — | — | |||
| 5АН(Ф) 225 МВ6/24 | 13,0 | 940 | 405 (418) | 28,0 | 2,2-2,7 | 6,5 | 2,4-2,9 | — | 90 (180) | 84,0 | 0,83 |
| — | 220 | 31,5 | >1,8 | — | >1,8 | 2,5-3,0 | — | — | |||
| 5АН(Ф) 225 L6/24 | 17,5 | 940 | 439 (452) | 36,1 | 2,2-2,7 | 6,5 | 2,4-2,9 | — | 84,5 | 0,87 | |
| — | 220 | 35,0 | >1,6 | — | >1,6 | 2,2-2,7 | — | — |
Габаритные размеры электродвигателей 5АН, АНП, 5АФ, 5АНФ
Двигатели габарита 180 мм
| Тип двигателя | D1 | D2 | D3 | L | L1 | L2 | n | a |
| 5АН 180 S | 350 | 250 | 300 | 575 | 671 | 14 | 4 | 45 |
| 5АН 180 М | 450 | 350 | 400 | 625 | 721 | 18 | 8 | 22,5 |
5АН 200 М..НЛБ, 5АФ 200 М..НЛБ
| Условное обозначение фланца | D1 | D2 | D3 |
| FF400 | 450 | 350 | 400 |
| FF500 | 550 | 450 | 500 |
5АФ 200 S..НЛБ
| Условное обозначение фланца | D1 | D2 | D3 |
| FF300 | 350 | 250 | 300 |
| FF400 | 450 | 350 | 400 |
5АН 225..НЛБ, 5АФ 225..НЛБ
| Тип двигателя | Монтажное исполнение | L | L1 |
| 5АН 225 МА6/24 | IM3001 | 706 | — |
| 5АН 225 МВ6/24 | |||
| 5АН 225 L6/24 | 746 | ||
| 5АН 225 МА6/24 | IM3002 | 706 | 795 |
| 5АН 225 МВ6/24 | |||
| 5АН 225 L6/24 | 746 | 835 |
Габаритные чертежи электродвигателей 5АН, АНП, 5АФ, 5АНФ
5Аh325 фланцевый

5АН160S

5АН180S фланцевый

5АН180S

5АН200M фланцевый

5АН200S фланцевый

5АФ200M фланцевый

5АФ225 фланцевый

Консультации помогут вам в выборе продукции согласно вашим потребностям, учитывая ваши финансовые возможности.
Вы можете связаться с ними по телефону (812) 740-09-03.
Вы так же можете задать вопрос прямо на сайте.
Мы очень тщательно занимаемся нашим сайтом и хотим, чтобы на нем была вся продукция, но если вы не нашли интересующую Вас позицию — обратитесь к нашим менеджерам, они ответят на ваши вопросы и дадут исчерпывающую информацию об интересующих вас продуктах.
all-energo.ru
