Устройство колесных редукторов
Главная → Трансмиссия → Устройство колесных редукторовУстройство колесных редукторов
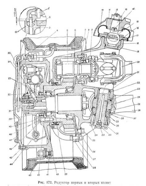
Колесный редуктор управляемого колеса отличается от редуктора неуправляемого колеса конструкцией корпуса 30 (рис. 172) поворотного кулака, позволяющего осуществлять поворот колес на съемных шкворнях 13 и 22. Верхний шкворень 13 выполнен в виде шарового пальца, закрепленного на верхнем рычаге подвески. Уплотнение верхнего шкворня осуществляется резиновым уплотнителем 10, защищенным от повреждения металлическим колпаком 11. Смазка верхнего шкворня закладывается в полости гнезда вкладыша 18 и резинового уплотнителя 10 в количестве 100 г.
Нижний шкворень 22 выполнен в виде цилиндрического стержня с фланцем на конце и соединяется с нижним рычагом подвески с помощью соединительной оси 24. Уплотнение нижнего шкворня осуществляется с помощью торцовых резиновых уплотнителей 23, защитного колпака 25 и резиновых колец 21, а смазывается он через пресс-масленку 33, расположенную в гнезде шкворня. От попадания воды и грязи гнездо

Установочное кольцо 29 и болты 31 и 34 служат для облегчения постановки редуктора на рычаги подвески. Тормозной барабан 41 отлит заодно со ступицей колеса. Он крепится к ведомой шестерне 36 на шпильках 48. Для более равномерного распределения усилий на шпильки в гнездах барабана установлены разрезные втулки 46, плотно охватывающие шейки шпилек при затяжке гаек 49.
Для предотвращения вытекания смазки из картера редуктора в полость тормозного барабана в барабане установлены два сальника 53, а между наружным подшипником и кронштейном тормозного механизма 44 — уплотнительное кольцо 50. Воздух к шинам подводится через каналы в цапфе и приемном стержне, соединенном гайкой с приемной трубкой 3 идущей к переходному штуцеру 1 и далее через трубку к колесному кранику 4.
Полость тормозного механизма уплотняется резиновым кольцом 45, установленным между крышкой 55 и барабаном 41. В крышке 55 имеется лючок, через который производится регулировка тормозных механизмов, контроль и прокачка тормозного привода. В приливе крышки 55 устанавливаются уплотнительная втулка 56, трубка 3 и переходный штуцер 1 подвода воздуха к шинам.
Ведущая 5 и ведомая 36 шестерни редуктора устанавливаются на двух роликовых конических подшипниках. Преднатяг подшипников ведущей шестерни регулируется с помощью регулировочных прокладок 7, установленных под крышкой 8 сальников, а подшипников ведомой шестерни — с помощью регулировочных прокладок 51, установленных между внутренним кольцом наружного подшипника и распорной втулкой 39.
btrinfo.ru
БТР-80 / ГАЗ-5903. Характеристики, описание, фото, видео..


Унифицированная командная машина Р-149МА3 на базе БТР-80
БТР-80 / ГАЗ-5903. Подборка-1
Боевая противодиверсионная машина 15Ц56М «Тайфун-М»
БТР-80-бронетранспортер советского производства. Заводской индекс ГАЗ-5903. Бронетранспортёр стал продолжением развития советский 8-колесных бронетранспортёров БТР-60 и БТР-70. На модернизацию БТР-70 повлияли недостатки выявление во время его эксплуатации и боевого применяя вовремя Афганской войны, где были выявлены ряд недочетов, которые выявились именно в горной местности. Массовое-конвейерное производство БТР-80 началось в 1984 году, производится и по нынешний момент 2016 год. За годы производства многократно модернизировался, а на базе БТР-80 были созданы различные модификации: радиостанции, медицинские, командные и т.п. БТР-80 стал основным бронетранспортёром в Российской армии и стран СНГ после распада СССР и применялся практически во всех современных военных конфликтах на территории бывшего СССР. На данный момент примерно 25-30 стран мира имеют на вооружение БТР-80 и его модификации.
История создания
К началу 1980-ых годов БТР-70, принятый на вооружение в 1976 году был основным бронетранспортёром в советской армии. Предшественником БТР-70 являлся БТР-60 и БРДМ-2. После глубокой модернизации БТР-70 оставался со спаренным бензиновыми двигателями ГАЗ-66, который терял мощность в жарку погоду и высокогорье, появились боковое двери для десанта. Не смотря на модернизацию БТР-70 продолжал иметь существенные недостатки. Высадка/посадка десанта, через боковые двери вызывала неудобства. Водометные движитель новой конструкции часто забивался водорослями, торфом и другими предметами. Пулемет КПВТ при стрельбе в горной местности часто не мог обеспечить поддержку десантников, прижатых засевшими душманами в горах, так как имел недостаточный угол наклона.
В начале 1980-ых годов в КБ ГАЗа под руководством И. Мухина и Е. Мурашкина стали проектировать бронетранспортер ГАЗ-5903. Компоновка нового корпуса мало отличалась от БТР-70. Корпус стал длинней и шире на 115 мм, шире на 80 мм и выше на 30 мм. Защита корпус БТР-80 была незначительно улучшена, что увеличило массу на 18% с 11,5 тонн до 13,6 тонн. Бронетранспортёр получил более удобные двухстворчатые двери для высадки/посадки десанта и экипажа. Несмотря на это БТР-80 получился более безопасным за счет замены спаренных бензиновых двигателей на дизельный, так как дизельное топливо менее огнеопасно по сравнению с бензином. Замена бензиновых двигателей повысило тяговитость моторов и запас хода. Пулеметная башня получила угол возвышения пулемета до 60 градусов, так же на ней разместили дымовые 6 гранатомётов для создания дымовых завес. После успешный полигонных испытаний ГАЗ-5903 был принят на вооружение советской армии в 1986 году под обозначением БТР-80.
Корпус

Корпус бронетранспортёра имеет наклонную гомогенную броню от 7 до 10 мм. За счет наклонных листов повышается толщина брони, плюс наклон брони увеличивает вероятность рикошета. Корпус БТР-80 изготавливают посредством сварки катанных листов. В передней части бронемашины расположен волноотрожатель, который в походном положении увеличивает толщину лобовой брони. Часто корпус амфибийной техники называют лодкой.
Кабина управления бронетранспортёра выполнена в классическое виде-рулевое управление для механика-водителя с левой стороны, с правой стороны находится место командира. Позади водителя-механика и командира располагалось десантное отделение на 7 человек. На самом деле в десантном отделении 8 посадочных мест-6 мест располагаются в центральной части бронемашины посадка на две скамьи по 3 места (спина к спине) и два одиночных места за сидениями водителя и командира на которых усаживался один десантник и оператор башенного пулемета. В десантном отделении имеются восемь шаровых бойниц для ведения огня из стрелкового вооружения десантников, бойницы в сторону движения бронемашины. Для посадки высадки десантников имеются боковые двухстворчатые двери, распаляющие по центру
Вооружение

БТР-80 вооружен крупнокалиберным пулеметом КПВТ со спаренным ПКТ способен поражать живую сила врага, легкобронированную силу врага на дистанции 2000 метров бронебойными патронами и до 4000 зажигательными (те же самые разрывные). Стреляя бронебойными патронами Б-32 14,5х114-мм обеспечивает пробитие практически все модели легкобронированной техники не только в боковую броню, а также в лобовую. Для стрельбы так же могут использоваться патроны МДЗ (мгновенного действия, зажигательные-проще говоря-разрывные), ЗА (зажигательные патроны), БЗТ-бронебойно-зажигательные-трассирующие). С помощи КПВТ можно разрушать огневые точки врага и живую сила врага укрывающуюся за стенами зданий. При необходимости возможна стрельба по низколетящим вертолетам противника на дистанции до 1000 метров. Новая башня позволяет «задирать» ствол пулемета до 60 градусов, что необходимо во время военных действий в горной местности или городе, когда враг располагается на высотных зданиях. После поражения БТР с них демонтируют пулемет для их дальнейшего использования на «тачанках» или ДОТах. Для поражения живой силы врага на дистанции 1500 метров используется спаренный пулемет ПКТ. Для прицеливания используется оптический прицел 1ПЗ-2 с изменяемой кратностью от 1,2 до 4 крат, поле зрения 49 и 14 градусов. Боекомплект
Средства наблюдения и связь

Для наблюдения за дорогой механиком-водителем используются ветровые окна, которые во время боя закрываются во время боя бронестворками. Наблюдение за дорогой и происходящим вокруг происходит с помощи перископов ТНОП-115. Для вождения в темное время суток используются приборы ночного видения ТВНЕ-4Б, которые обеспечивают обзор до 60 метров и до 120 метров при включении инфракрасной фары ФГ125 усиливающая принимаемый сигнал.
Командир машины, как правило использует бинокулярный прибор ночного видения ТКН-3 имеющий оптическое увеличение до 5 крат днем и до 4 крат ночью. ТКН-3 соединяется с инфракрасным прожектором ОУ-3ГА2М, которые обеспечивает подсветку в ночное время суток на дистанции 300-400 метров. Как у механика-водителя у командира имеется 3 перископа ТНПО-115.
Плавание

БТР-80 способен преодолевать водные препятствия. Для преодоления водных препятствия или высадке с десантных кораблей применяется воолноотрожатель в передней части машины и дополнительные воздухозаборники (при большом волнение воды). Перед плаванием открывается заслонка (люк) с водометным движителем, который обеспечивает скорость на воде до 9 км/ час. Вращения водометного двигателя обеспечивается за счет отбора мощности из коробки передач. При выводе из строя водометного движителя плавание возможно продолжить с помощи вращения колес на 2-3 скорости, таким способом плавания скорость составляет 1-3 км/час. Поворот на воде обеспечивается колесами и поворотными рулями водомета. Во время плавания включается электронасос для откачки поступающей забортной воды используется электронасос и насос с приводом от водомета (работает за счет разницы давления воды, производительностью 800 л/минуту). За счет закрывания заслонки водомета вода направляется в две трубы против хода движения, что обеспечивает плавание задним ходом. Несмотря на то, что бронемашина адаптирована для плавания известны случаи затопления бронемашин на учениях повлекших к гибели экипажа.
Двигатель и трансмиссия

В качестве двигателя используется 8-ми цилиндровый дизельный двигатель КАМАЗ-7403 мощностью 260 лошадиных сил, объем двигателя 10,85 литра. Двигатель обеспечивает среднюю скорость 20-40 км/час по грунтовым дорогам и до 80 км/час по шоссе. Расход топлива по пересеченной местности 80-100 литров и 40 литров по шоссе. Запас хода по шоссе 600 км.
Колесная формула машины 8х8, два передних моста рулевые. БТР-80 способен продолжить движение при полном повреждении (наезд на мину) одного переднего колеса. Подвеска торсионная, рычажная, торсионная с телескопическими амортизаторами. Руль имеет гидроусилитель. Тормоза снабжены вакуумным усилителем с барабанными тормоза. Автомобиль снабжен автоматической централизованной подкачкой шин, что обеспечивает сброс/увеличения давления в зависимости от необходимого давления на грунт. Система подкачки воздуха обеспечивает подкачку шин во время прокола/прострела шин, пока машина не доберется до ремонтной базы. Все колеса бронемашины бескамерные. Машина способна продолжить движение даже при потери одного или двух колес.
Боевое применение и выводы
Машина используется, как бронированное транспортное средство для перевозки личного состава внутри брони и на самой брони. БТР-80 гибнет в первую очередь, так как имеют противопульную броню от стрелкового оружия калибром 7,62. Часто на броне перевозят личные вещи десанта, ящики с боеприпасами. Во время первой-второй Чеченской компании, военного конфликта на востоке Украины БТРы часто обвешивали самодельной броней в виде противокумулятивных решеток, резиновых лент транспортера, мешков с песком. Некоторые способы брони подвергаются критике. Так противокумулятивные решетки увеличивают размер и вес БТРов, расчет использование решеток на механическое повреждение (деактивация) кумулятивных выстрелов гранатомета (вероятность такого исхода примерно 30%) за счет удара корпуса заряда о ребро решетки. Бытует ошибочное мнение, что решетка должна взрывать заряд и рассеивать кумулятивную струю до подлета к броне-на практике данное расстояние должно быть гораздо больше, плюс броня БТР все равно не достаточна даже частичного поглощения энергии кумулятивной струи. Даже при таком исходе у БТРов хорошие шансы на выживание, так как кумулятивная струя проходит на сквозь корпус, так как боекомплект БТРов менее взрывоопасен чем у БМП/БМД или танков. Даже при подрыве на мине или фугасе при потере одного (иногда даже двух колес) БТРы часто могут покинут поле боя своим ходом. Пулемет КПВТ может дать достойный отпор в первые минуты боя, если экипаж не растеряется.
Не смотря на свои недостатки бронемашина популярна во многих странах мира, куда поставлялась на экспорт почтив 30 стран мира. Помимо России БТР-80 и его модификации продолжают выпускать на Украине, Румынии, Колумбии. На базе БТР-80 созданы более совершенные БТР-82 и БТР-90. Недостаток БТР-80 его двигатель кушащий до 100 литров на 100 км по пересеченной местности и ограниченный обзор из кабины. Второй недостаток-слабая броня, данным недостатком обладают практически все БТР и БМП, так как данный класс бронетехники относится к легкоборонированной технике, а не танкам.

| Колесная формула | 8х8 |
| Тип подвески | индивидуальная торсионная, гидравлические армотизаторы |
| Двигатель | КАМАЗ-7403, дизельный, турбированный |
| Объем двигателя | 10,85 литра |
| Мощность | 260 л.с. 19 л.с./т. |
| Топливо | дизель |
| Объем бака | 2х150 литров |
| КПП | четырехступенчатая |
| Габариты | длина 7650-мм, ширина 2900-мм, высота 2350-2460-мм |
| Колея | 2410-мм |
| Клиренс | 475-мм |
| Базовая масса | нет данных |
| Снаряженная масса | 13 600 кг |
| Грузоподъемность | 500 кг |
| Масса буксируемого прицепа | нет данных |
| Экипаж |
3 экипаж+7 десантника |
| Скорость | максимальная 85 км/час, крейсерская 20-40 км/час, 9 на плаву |
| Запас хода | 200-400 км по пересеченной местности и 600 км по шоссе |
| Расход топлива | 50 л/100 км по шоссе, до 100 л/100 км по пересеченной местности |
| Преодолеваемое препятствие |
подъем-30 гр., стенка 0,5 метра, ров 2 метра, плавает |
| Броня | 7-10 мм, катаная, противопульная |
| Вооружение | ПКТ-2000 патронов (7,62х54-мм), КПВТ-500 патронов (14,5х114-мм), 6-еть дымовых гранатометов |
Модификации:
Советского/Российского производства
- БТР-80-основная (базовая) модификация бронемашины с пулеметом 7,62-мм ПКТ и 14,5-мм пулеметом КПВТ
- БТР-80К (ГАЗ-59031)-командный вариант на базе БТР-80, отличается дополнительным оборудованием связи. Фото-1, фото-2.
- БТР-80А-модернизированный вариант БТР-80 отличается дополнительной кевларовой защитой и 30-мм автоматической пушкой с пулемётом ПКТ на лафете. Фото-1, фото-2, фото-3
- БТР-80С-вариант БТР-80, вместо пушки на лафете пулемет КПВТ и ПКТ. Машина поставляется для войск Национальной Гвардии РФ. Фото-1
- БТР-80М-удлиненный вариант БТР-80 с установленным дизелем ЯМЗ-238 (модностью 240 л.с.), установлены шины КИ-126 с повышенной пулестойкостью. Фото-1, фото-2
- 1B152-командно-наблюдательная машина. Фото-1, фото-2
- 2С23 «Нона-СВК»-120-мм «Нона» в башенной установке. Фото-1, фото-2
- БРВМ-К-бронированная ремонтно-восстановительная машина
- БРДМ-З-бронированная разведывательно-дозорная машина
- БРЭМ-К-бронированная ремонтно-эвакуационная-машина. Фото-1, фото-2, фото-3, фото-4, фото-5
- ГАЗ-59037-гражданский вариант БТР-80. Фото-1, фото-2, фото-3, фото-4, фото-5, фото-6, фото-7, фото-8, фото-9
- БПДМ «Тайфун»-боевая противодиверсионная машина, создана в конце 1990-ых годов
- БМПД-«Тайфун-М»-боевая противодиверсионная машина, создавалась в 2007-2012 годах на базе БТР-82. Подборка детальных фото
- ГАЗ-59402 «Пурга»-бронированная пожарная машина. Фото-1, фото-2
- ГАЗ-5903В «Ветлуга»-бронированная пожарная машина, порошковая-многозарядная. Фото-1, фото-2
- ПЛС 2С23-передвижной лафетный ствол на базе «Нона-СВК». Фото-1, фото-2, фото-3, фото-4, фото-5
- УНШ (К1Ш1)-шасси для использования в качестве: штабной машины, медицинской и т.п.
- Р-439-МД2-машина спутниковой связи. Фото-1, фото-2
- РБ-531Б «Инфауна»-машина радиоэлектронной борьбы. Фото-1, фото-2, фото-3
- БММ-80 «Симфония»-медицинская бронированная машина. Фото-1, фото-2, фото-3, фото-4
- ПУ-12М6 (9С482М6)-командный пункт управления войсками ПВО. Фото-1
- Р-149БМР «Кушетка-Б»-командно-штабная машина. Фото-1, фото-2, фото-3
- Р-149МА1-командно-штабная машина. Фото-1, фото-2
- РХМ-4-машина РХБЗ.
- РХМ-6-машина РХБЗ
- РМП-2-машина разведки РХБЗ
- ЗС-88-звуковещательная машина. Фото-1, фото-2, фото-3, фото-4
- ЗС-96-звуковещательная машина. Фото-1
Украинские модификации
- БТР-80-КБА-2-отличается 30-мм автоматической пушкой КБА-2. Фото-1
- БТР-80УМ «Рогань»-отличается дизельным двигателем мощностью 300 л.с.. В башне установлена 23-мм автоматическая пушка.
- БТР-80М «Гром»-вместо башни установлен боевой модуль «Гром». Вооружение: 30-мм автоматическая пушка, ПКТ, 30-мм гранатомет АГС, ПТУР «Конкурс».
- БТР-80Т (БТР-94)-вооружен башней БАУ-23-2. Вооружен двумя автоматическими 23-мм пушками. Дизельный двигатель модностью 303 л.с и 8-ми ступенчатая коробка передач. Фото-1, фото-2, фото-3
- БРЭМ-бронированная ремонтно-эвакуационная машина производится на Киевском ремонтно-механическом заводе
- ASGLA «ASPAD-IGLA»-ЗРК представляет собой переделку БТР-80 экспортировавшихся для армии ГДР. Разработкой машины занималась европейская компания MBDA совместно с украинской фирмой «Арсенал».
Венгерские








war-time.ru
БТР-80
На состоявшейся в 1995 году международной выставке в Турции был подписан контракт на продажу этой стране партии российских бронетранспортеров БТР-80А. Впервые новейшая российская боевая техника будет поступать на вооружение страны — члена блока НАТО. Судя по всему, выбор, который сделали турецкие военные, нв случаен. Несколько лвт назад Турция получила от Германии советские бронетранспортеры БТР-60 ПБ и БТР-70 из арсеналов Национальной народной армии (ННА) ГДР и уже успела опробовать их в боевых условиях в горах Курдистана.
Всв три упомянутые машины, несмотря на существенные конструктивные отличия, относятся к одному свмвйству колесных бронетранспортеров, уже болев 30 лет состоящих на вооружении Советской, а теперь и Российской Армии.
К сврвдинв 50-х годов значительно возросли требования к бронетранспортерам: они не должны были уступать танкам по проходимости, что позволяло бы мотопехоте не только сопровождать танковые подразделения, но в ряде случаев и идти впереди них. Во многих странах столь жёсткие требования привели к полному переходу на гусеничные бронетранспортеры (например, в США). Однако возможности колесных бронированных машин вще не были исчерпаны полностью.
В Советском Союзе за решение этой задачи в конце 1950-х годов на конкурсной основе взялся ряд конструкторских кол лективов. В рамках конкурса был создан плавающий бронетранспортер ЗИЛ-1 53: с колесной формулой 6×6, полностью закрытым корпусом, торсионной подвеской, передними и задними управляемыми колесами. Движение на плаву у этой 10-тонной машины обеспечивалось за счет водометного движителя.
Макетный образец бронетранспортера представили брянские машиностроители. Эту восьмиколесную боевую машину, вооружить которую предполагалось 73-мм пушкой, часто имц^уют колесной боевой машиной пехоты. К главным ее особенностям можно отнести гидропневматическую подвеску, позволявшею ^менять клиренс более чем на 300 мм.
Наиболее же удачным оказался бронетранспортер «49», созданный в КБ ГАЗа. В 1959 году машину приняли на вооружение Советской Армии, а с 1961 года началось серийное производство бронетранспортеров, получивших армейское обозначение БТР-60П.
Открытый сверху корпус БТРа сваривался из катаных броневых листов. Для защиты от атмосферных осадков имелся брезентовый тент. Пулемет СГМБ калибра 7,62 мм (боекомплект 1250 патронов) устанавливался на станке, закрепляемом на кронштейнах: в походном положении — на лобовом листе, в боевом — на бортовых или лобовых листах.
Силовая установка включала два 6-цилиндровых карбюраторных двигателя ГАЗ-40П, мощностью по 90 л.с., установленных параллельно в корме. Каждый из двигателей через свою двухступенчатую раздаточную коробку приводил два ведущих моста. Все колеса оснащались независимой торсионной подвеской и системой регулирования давления воздуха в шинах.
В 1963 году появился модернизированный БТР-60ПА с полностью герметичным, закрытым сверху корпусом вместимостью 12 человек. Для выхода десанта имелись 4 верхних люка с бронвкрышками. В 1965 году на БТР-60ПА-1 были применены усовершенствованные агрегаты силовой установки и силовой передачи.
В том же году появился и вариант БТР-60ПБ. Главным отличием последнего стала коническая башня со спаренной установкой пулеметов КПВТ калибра 14,5 мм (боекомплект 500 патронов) и 7,62-мм ПКТ (2000 патронов). Кроме того, БТР-60ПБ имел новые приборы наблюдения; был заменен на более совершенные ряд агрегатов силовой установки. Все машины серии БТР-60 оснащались радиостанциями Р-113 или Р-123.
Эти бронетранспортеры длительное время состояли на вооружении Советской Армии и ВМФ СССР (морская пехота). В ряде частей их можно встретить и поныне. В 1972 году в том же КБ был создан бронетранспортер БТР-70; спустя четыре года началось вго серийное производство. БТР-70 являлся модернизацией бронетранспортера БТР-60ПБ. Основные отличия его состояли в следующем: установлены более мощные 8-цилиндровые карбюраторов (опять-таки) двигатели ГАЗ-66 мощностью по 115 л.р. каждый; изменено размещение десантников, которые развернулись лицом к бортам, что позволяло им вести огонь со своих мест; вырезаны нижние боковые люки для посадки десанта; бензобаки размещены в изолированных отсеках; поставлена автоматическая система ППО; введен раздельный привод тормозов, обеспечивающий независимое торможение первых и третьих пар колвс от вторых и четвертых; смонтирована система отключения силовой передачи от двигателя с места водителя, которая давала возможность при выходе из строя одного двигателя работать на исправном; установлены два генератора; высота машины уменьшилась на 185 мм. Вооружение.-осталось таким же, как на БТР-60ПБ.
В передней части корпуса размещены сиденья водителя и командира, за ними — сиденья десантника и стрелка. В десантном отдвлвнии параллельно бортам расположены два продольных -сиденья на шесть десантников. Для стрвльбы из личного оружия предусмотрены 7 лючков, закрытых броневыми крышками.
Кроме основного вооружения, установленного в башне, и штатного оружия мотострелкового отделения, внутри БТР-70 в укладках перевозятся: два автомата Калашникова, два переносных ЗРК 9К34 «Стрела-3», один гранатомвт РПГ-7 и пять выстрелов к нему, два автоматических гранатомета АГС-17 «Пламя». Движение на плаву осуществляется за счет водометного движителя. На БТР-70 смонтирована радиостанция Р-123М.
Машины последних выпусков имели башни, допускающие большой угол вертикального наведения вооружения. БТР-70 с такой башней принимали участие в параде 7 ноября 1986 года в Москве.
Бронетранспортеры БТР-70 поступали на вооружение Советской Армии, а также ННА ГДР и афганских правительственных войск. В настоящее время эти боевые машины имеются в составе армий почти всех стран СНГ.
С учетом опыта боевого применения колесных бронетранспортеров в Афганистане был разработан бронетранспортер БТР-80. С 1984 года эта боевая машина выпускается серийно.
По общей компоновке БТР-80 сходен со своим предшественником. Отделение управления расположено в передней части корпуса. В нем размещены рабочие места командира машины и механика-водителя. Тут же установлены смотровые приборы, обеспечивающие наблюдение и вождение машины днем и ночью, щиток контрольно-измерительных приборов, органы управления, радиостанция, аппарат переговорного устройства.
Силовое отделение находится в задней части корпуса и изолировано от боевого герметичной перегородкой. В нем размещены двигатель со сцеплением и коробкой передач, представляющие единый силовой блок, водяные и масляные радиаторы, теплообменники, маслоохладитель коробки передач, предпусковой подогреватель двигателя, водомвтный движитель, водооткачивающий насос, фильтровентиляционная установка, топливные баки, генераторы и другое оборудование.
Двигатель — КамАЗ-7403, восьмицилиндровый, четырехтактный, жидкостного охлаждения, с V-образным расположением цилиндров, турбокомпрессорным наддувом, мощностью 260 л.с. (191 кВт). Применение высокоэкономичного дизеля позволило увеличить по сравнению с БТР-70 запас хода фактически без увеличения объема основных топливных баков. Отпала необходимость и в дополнительных емкостях.
Более высокий крутящий момент двигателя дал возможность повысить среднюю скорость движения машины. Конструкторы позаботились о повышении боеготовности бронетранспортера в холодное время года. Так, при температуре окружающего воздуха от -5°С до -25°С двигатель прогревается предпусковым подогревателем с использованием электрофакельного устройства. Воздух также подогревается факелом пламени, образующимся от сгорания во впускных трубопроводах дизельного топлива во время стартерной прокрутки и начальной работы двигателя до выхода его на устойчивый режим.
Бронетранспортер БТР-80:
1 — осветитель прибора наблюдения командира, 2 — 14,5-мм крупнокалиберный пулемет КПВТ, 3 — амбразура для стрельбы из пулемета, 4 — пусковая установка системы 902В «Туча», 5 — амбразуры для стрельбы из автоматов, 6 — верхняя створка двери бокового люка, 7 — нижняя створка двери бокового люка, 8 — 7,62-мм пулемет ПКТ, 9 — крышки воздухопритоков, 10 — волноотражательный щиток, 11—заслонка водометного движителя, 12 — крышка люка ФВУ, 13 — наружный кожух глушителя и эжектора, 14 — крышка люка командира, 15 — крышка лючка для стрельбы из автомата, 16 — крышка верхнего люка боевого отделения, 17 — колпак воздухозаборника двигателя при работе на плаву, 18 — крышка ниши для аккумуляторных батарей, 19 — ящик ЗИП, 20 — колпак воздухозаборника ФВУ, 21 — крышка люка выдачи троса лебедки, 22 — крышки заправочных горловин топливных баков.

Схема трансмиссии:
1 — редуктор лебедки, 2 — раздаточная коробка, 3 — коробка передач, 4 — сцепление, 5 — двигатель, 6 — редуктор водометного движителя, 7 — гребной винт, 8 — колесный редуктор.
Отделение управления:
1 — сиденье механика-водителя, 2 — одноместное сиденье мотострелка, 3 — щиток приборов, 4 — сиденье командира, 5 — приемопередатчик радиостанции, 6 — блок шинных кранов, 7 — рычаг переключения передач КП, 8 — рычаг переключения передач раздаточной коробки, 9 — амбразура для стрельбы из автомата, 10 — прибор наблюдения ТКН-3.
techno-story.ru
