Карбюратор К-22Г двигателя ГАЗ-51 — Система питания карбюраторного двигателя — Система питания — Автомобиль
Карбюратор К-22Г двигателя ГАЗ-51 — с падающим потоком смеси, однокамерный, балансированный, с компенсацией состава смеси путем регулирования разрежения в диффузоре. Карбюратор снабжен ускорительным насосом и экономайзером, имеющими общий механический привод, и ограничителем максимального числа оборотов коленчатого вала двигателя.
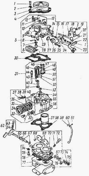
Схема карбюратора К-22Г

Схема карбюратора К-22Г:
1 — регулировочная втулка ограничителя числа оборотов; 2 — пружина; 3 — муфта; 4 — колпак; 5 — винт регулировки состава смеси при малых оборотах холостого хода; 6 и 7 — распыливающие отверстия системы холостого хода; 8 — канал; 9 — жиклер экономайзера; 10, 15 и 16 — топливный и воздушные жиклеры системы холостого хода; 11 — средний диффузор; 12 — упругая пластина большого диффузора; 13 — малый диффузор; 14 — эмульсионный жиклер; 17 — большой диффузор; 18 — пружинный клапан воздушной заслонки; 19 — воздушная заслонка; 20 — балансировочная трубка; 21 — распылитель ускорительного насоса; 22 — блок распылителей; 23 — нагнетательный клапан ускорительного насоса; 24 — планка привода; 25 — обратный клапан ускорительного насоса; 26 — поплавок; 27 — игольчатый клапан; 28 — тяга; 29 — соединительное звено; 30 — поршень ускорительного насоса; 31 — рычаг валика дросселя; 32 — клапан экономайзера; 33 — канал; 34 — регулировочная игла главного жиклера; 35 — дополнительный жиклер; 36 — главный жиклер; 37 — блок жиклеров; 38 — дроссель.
Поплавок 26 и игольчатый клапан 27 находятся в поплавковой камере, которая сообщена с входным патрубком смесительной камеры балансировочной воздушной трубкой 20. Заслонка 19 с пружинным клапаном 18 усыновлена в воздушном патрубке верхней части смесительной камеры.
Система диффузоров, расположенная в средней части смесительной камеры, состоит из малого 13, среднего 11 и большого 17 диффузоров. К большому диффузору прикреплены винтами гибкие пластины 12 из нержавеющей стали, нижние концы которых прижаты силой упругости к наружной поверхности среднего диффузора. Дроссель 38 помещен в нижней части смесительной камеры.
Система холостого хода карбюратора включает топливный жиклер 10, воздушные жиклеры 15 и 16, эмульсионный жиклер 14, систему каналов и распыливающие отверстия 6 и 7. Состав смеси регулируют винтом 5, позволяющим изменять сечение нижнего распыливающего отверстия. Открытие дросселя регулируют его упорным винтом.
В главную дозирующую систему входят главный 36 и дополнительный 35 жиклеры, объединенные в блок 37 жиклеров, и блок 22 распылителей.
К системе экономайзера относятся клапан 32, канал 33 и жиклер 9, а к системе ускорительного насоса — обратный клапан 25, поршень 30, нагнетательный клапан 23 и распылитель 21, снабженный калиброванным отверстием. Общими для этих двух систем являются колодец с поршнем 30 насоса, планка 24, тяга 28, соединительное звено 29, рычаг 31 валика дросселя.
При пуске холодного двигателя воздушная заслонка закрыта и в смесительной камере образуется сильное разрежение, под действием которого в нее поступает из поплавковой камеры топливо через главную дозирующую систему и систему холостого хода.
При малых оборотах холостого хода горючую смесь приготовляет система холостого хода. Топливо в нее поступает из кольцевого канала в блоке жиклеров через жиклер 9 экономайзера. В каналах, расположенных за топливным жиклером 10 холостого хода, к топливу примешивается воздух, поступающий из воздушного патрубка через воздушные жиклеры 15 и 16, Образующаяся эмульсия выходит в смесительную камеру через отверстия 6 и 7.
При малой и средней нагрузках двигателя смесь образуется главной дозирующей системой. На этих режимах требуемый состав смеси при изменении нагрузки и частоты вращения коленчатого вала двигателя поддерживается автоматически регулируемым разрежением в диффузорах: при возрастании скорости потока воздуха, протекающего через большой диффузор, его упругие пластины разгибаются и проходное сечение увеличивается, вследствие чего разрежение внутри диффузоров уменьшается.
Если необходимо, состав смеси, приготовляемой главной дозирующей системой, можно изменять регулировочной иглой 34 главного жиклера. При ввертывании иглы проходное сечение жиклера уменьшается и смесь обедняется, при вывертывании иглы смесь обогащается.
При больших нагрузках смесь образуется совместным действием главной дозирующей системы и экономайзера. Когда дроссель открывается более чем на 85%, поршень ускорительного насоса, нажимая стержень клапана 32, открывает клапан, через который начинает поступать топливо, по каналу 33 к жиклеру 9, через него в кольцевой канал блока 37 жиклеров и далее в канал распылителя дополнительного жиклера 35. Во время резкого открытия дросселя поршень ускорительного насоса впрыскивает топливо в смесительную камеру через нагнетательный клапан 23 и распылитель 21.
«Автомобиль», под. ред. И.П.Плеханова
Загрузка…www.carshistory.ru
Регулировка Карбюратора Газ 51
Двигатель снабжен вертикальным карбюратором с падающим потоком смеси. В карбюраторе применено тройное распыливание смеси с помощью трех диффузоров, из которых один — с переменным сечением (пластинчатый). Применение такого диффузора обеспечивает хорошее распыливание смеси при различных открытиях дросселя. Для равномерного наполнения всех цилиндров горючей смесью к каждому впускному клапану сделаны отдельные каналы в блоке.
Имеющиеся в карбюраторе экономайзер и насос-ускоритель улучшают приемистость и экономичность двигателя.
Вакуум-экономайзер, работающий от разрежения во впускном трубопроводе, обогащает смесь при больших открытиях дросселя, т. е. во время работы двигателя с большой нагрузкой.
С помощью насоса-ускорителя подается дополнительная порция бензина в цилиндры двигателя в момент резкого нажатия на педаль акселератора, чем и обеспечивается необходимое обогащение смеси при разгоне автомобиля.
До конца 1948 г. на двигателе устанавливался карбюратор К-49, который имел вакуумные приводы насоса-ускорителя и экономайзера.
В настоящее время ставится карбюратор улучшенной конструкции К-49А, у которого привод насоса-ускорителя механический от тяги акселератора. Кроме того, несколько изменена система холостого хода и внесены мелкие изменения с учетом недостатков карбюратора К-49 (изменена поплавковая камера, поплавок и пр.).
Для предохранения двигателя от работы на чрезмерно высоких оборотах, опасных для прочности отдельных деталей и ускоряющих износ двигателя, на обеих моделях карбюраторов имеется одинаковой конструкции регулятор-ограничитель числа оборотов.
Основным элементом регулятора является пружина, открывающая дроссельную заслонку и имеющая регулировку при помощи двух гаек, закрытых колпачком. Дроссельная заслонка имеет плоскость, наклоненную по отношению оси впускного трубопровода, при открытом состоянии заслонки, на которую оказывает давление поток смеси, идущий во впускной трубопровод. Когда двигатель развивает 2800 об/мин, давление это настолько велико, что преодолевает действие пружины, и заслонка начинает прикрываться, чем и снижает число оборотов двигателя.
Более подробно на: gaz51.ru
www.alfanoff.ru
Система питания топливом двигателей ГАЗ-51, ГАЗ-52
Система питания топливом двигателей ГАЗ-51, ГАЗ-52
Топливный бак системы питания емкостью 120
литров установлен на раме под кабиной львовского автопогрузчика
АП-4014, 40814, 4045, 4043. Основным условием нормальной

Бак топливный в сборе 4014-1101010-11 (погрузчик АП-4014, 40814, 4045, 4043)
1 — Датчик указателя уровня топлива БМ18-А
2 — Шайба 252133-П2
3 — Винт М5х12 220078-П29
4 — Пробка в сборе 21-1103010
5 — Прокладка 21-1103075
6 — Прокладка 11-9338
7 — Лента стяжная в сборе 4014-1101106
8 — Болт М12х20 201544-П29
9 — Шайба 252137-П29
10 — Гайка М12 250514-П29
11 — Гайка М10 250512-П29
12 — Шайба 252136-П29
13 — Кронштейн в сборе 4014-1101102
14 — Прокладка 4014-1101118
15 — Болт М12х25 201538-П29
16 — Пробка 4045М-3405125
17 — Бак топливный 4014-1101011-11
Заливать в бак необходимо только чистый бензин и периодически надо
спускать воду и грязь через сливную пробку отстойника, а также
следует промывать бензиновый бак. Количество

Рис. 1. Бензиновый фильтр-отстойник двигателя ГАЗ-51, ГАЗ-52
1—прокладка крышки. 2—крышка, 3—болт крышки, 4—впускной штуцер
5—про-кладка фильтрующего элемента, 6—фильтрующий элемент, 7—стойка
фильтрующего элемента, 8—корпус,
9—сливная пробка, 10—выпускной штуцер, 11—пластина фильтрующего
элемента, 12—отверстия в пластинах для прохода бензина, 13—выступы
на пластине, 14—отверстия в
пластине для стоек (два отверстия в каждой пластине).
Бензиновый фильтр-отстойник ГАЗ-51, ГАЗ-52 (рис. 1) прикреплен к правому лонжерону рамы сзади кабины. Фильтрующий элемент отстойника состоит из пластин 11. Благодаря выступам 13 высотой 0,05 мм между пластинами образуются щели, через которые в отверстия 12 проходит только чистый бензин.

Фильтр топливный 52-04-1105 (автопогрузчик АП-4014, 40814, 4045, 4043)
Отстойник в сборе 52-04-110509
1 — Болт М10х30 201499-П29
2 — Крышка 51А-1105015-А
3 — Болт крышки 51-1105077
4 — Шайба 11 293325-П
5 — Пробка К 1/4″ А-24466
6 — Прокладка 51-1105045
7 — Элемент фильтрующий в сборе 51А-1105020
8 — Пружина 51-1105048
9 — Прокладка крышки 51-1105075
10 — Корпус в сборе 51А-1105060-01
11 — Пробка К 1/4″ 353052-П8
12 — Гайка М10 250512-П29
13 — Шайба 252136-П29
Уход за бензиновым отстойником состоит в систематическом спуске воды и грязи через сливную пробку 9, а также в периодической промывке фильтрующего элемента. Для промывки элемента необходимо отвернуть болт 3 на крышке отстойника и снять корпус 8 вместе с фильтрующим элементом. При разборке отстойника важно не повредить прокладку 1.
При сливе грязи из отстойника отвернуть пробку 9 и, опорожнив отстойник, промыть его чистым бензином.
При наличии в баке этилированного бензина при промывке отстойника нужно избегать попадания бензина на кожу и одежду и не вдыхать его пары. Промывку следует делать вне гаража.
Бензонасос (топливный насос) двигателя ГАЗ-51, ГАЗ-52 (рис. 2) львовских погрузчиков АП-4014, 40814, 4045, 4043 снабжен рычагом для ручной подкачки бензина в поплавковой камере карбюратора. Этот рычаг удерживается пружиной в нижнем положении, иначе насос может отключиться и подачи горючего не будет.

Рис. 2. Бензонасос (насос топливный) Б9Г двигателей ГАЗ-51, ГАЗ-52
1—рычаг ручной подкачки 2—винт крепления головки (восемь шт.), 3—головка, 4—крышка, 5—винт крепления крышки, 6—фильтр, 7—оттяжная пружина.
В верхней части бензонасоса ГАЗ-51, ГАЗ-52 (Б9Г) расположен сетчатый фильтр, нуждающийся в периодической очистке. Без крайней необходимости разбирать топливный насос не следует. Для удаления грязи и промывки сетки фильтра 4 следует отвернуть два болта 5 и снять крышку 6.

Насос топливный (бензонасос) ГАЗ-52 51А-1106 (погрузчик АП-4014, 40814, 4045, 4043)
Бензонасос ГАЗ-52 в сборе Б9Г
1 — Штуцер КГ 1/4″ 298348-П29
2 — Винт М6х25 222529-П51
3 — Винт 252134-П2
4 — Головка насоса в сборе 51А-1106015-А
5 — Гайка М5 250464-П29
6 — Шайба 5 252133-П2
7 — Шайба диафрагмы верхняя 51А-1106147
8 — Диафрагма 13-1106142
9 — Шайба диафрагмы нижняя 51А-1106146
10 — Диафрагма в сборе 51А-110640
11 — Корпус в сборе 51А-1106090
12 — Шайба уплотнительная 51А-1106149
13 — Пружина диафрагмы 51А-1106150
14 — Тяга диафрагмы 51А-1106144
15 — Держатель уплотнителя тяги 51М-1106153
16 — Уплотнитель тяги 51А-1106154
17 — Шайба рычага 51А-1106156
18 — Шайба упорная рычага 51АЮ-1106158
19 — Шплинт 51А-1106103
20 — Рычаг ручного привода 51А-1106102
21 — Валик ручного привода 51А-1106098-Б
22 — Валик ручного привода в сборе 51АЮ-1106095-10
23 — Уплотнитель валика 51А-1106100
24 — Пружина рычага 51А-1106175
25 — Пробка К75-1107435-А
26 — Прокладка 12-89
27 — Пружина рычага привода насоса 51А-1106118
28 — Рычаг привода насоса 51А-1106108
29 — Втулка рычага 13-1106124-Б
30 — Прокладка 51А-1106170
31 — Валик рычага 51А-1106128
32 — Шарик Ш 7,144 мм 340033-П
32 — Шарик Ш 7,144 мм 340033-П
33 — Шайба 252155-П2
34 — Болт М8х25 290623-П8
35 — Заглушка 260304-П29
36 — Сетка воздушного фильтра К37-43
37 — Корпус 51А-1106094
38 — Винт М6х16 222525-П29
39 — Шайба 252134-П2
40 — Штуцер 298339-П29
41 — Головка 51А-1106018
42 — Клапан 13-1106022
43 — Пластина клапана 51А-1106023
44 — Пружина клапана 51А-1106027
45 — Обойма клапана 51А-1106026
46 — Головка с клапанами в сборе 51А-1106016
47 — Фильтр в сборе 51А-1106045
48 — Прокладка крышки 13-1106058
49 — Крышка 51А-1106055-Б
Карбюратор ГАЗ-52
На львовском автопогрузчике АП-4014, 40814, 4045, 4043 установлен карбюратор К-126И.
Карбюратор К-126И (рис. 3)—двухкамерный с падающим потоком смеси и
балансированной поплавковой камерой. Каждая камера карбюратора
действует независимо от другой на три
цилиндра через впускной коллектор, разделенный перегородкой на две
ветви.

Рис. 3. Схема карбюратора ГАЗ-52 (К-126И)
1—привод ускорительного насоса, 2—эмульсионная трубка 3—главный воздушный жиклер, 4— малый диффузор, 5—воздушный жиклер холостого хода, 6—воздушная заслонка, 7— блок распылителей ускорительного насоса и экономайзер, 8—выпускной клапан, 9—топливный жиклер холостого хода, 10 — клапан подачи топлива, 11 — топливный фильтр, 12— поплавок, 13—смотровое окно 14—главный топливный жиклер, 15—подвод вакуума, 16—переходное отверстие холостого хода, 17—регулировочный винт, холостого хода, 18— дроссельная заслонка, 19—большой диффузор, 20—впускной клапан, 21—клапан экономайзера
Для обеспечения нормальной работы двигателя на всех режимах
карбюратор ГАЗ-52 имеет систему холостого хода, главную дозирующую
систему, экономайзер, ускорительный насос и
систему пуска холодного двигателя.
Система холостого хода, главная дозирующая система и экономайзер
(кроме клапана) имеются в каждой камере карбюратора. Поплавковая
камера, системы ускорительного насоса и
пуска холодного двигателя — общие на обе камеры карбюратора.
Основные системы карбюратора ГАЗ-52 работают по принципу пневматического (воздушного) торможения топлива.
Периодически необходимо удалять отстой, прочищать и промывать
карбюратор. Промывку следует производить в чистом неэтилированном
бензине или ацетоне с последующей
продувкой сжатым воздухом.
Для этого надо отделить крышку и корпус смесительных камер от корпуса поплавковой камеры, вывернуть жиклеры, распылители и клапаны.
Проверка уровня топлива в поплавковой камере карбюратора производится на холодном неработающем двигателе. Уровень топлива замеряют два раза. При этом поплавковую камеру заполняют при помощи рычага ручной подкачки бензинового насоса и после каждой проверки бензин сливают через сливную пробку. Уровень бензина должен устойчиво находиться в пределах 18,5—21,5 мм у карбюратора К-126И, от плоскости разъема поплавковой камеры с крышкой.
Регулировка уровня у карбюратора К-126И производится подгибанием язычка 4 (рис. 4), упирающегося в торец иглы клапана. Одновременно подгибанием ограничителя 2 следует установить зазор между ним и стойкой оси поплавка в пределах 2—2,5 мм, что обеспечит нормальный ход иглы клапана.

Рис. 4. Поплавковый механизм карбюратора К-126И
1 поплавок, 2—ограничитель хода поплавка, 3—ось поплавка, 4—язычок регулировки уровня, 5—игла клапана, 6—корпус клапана, 7—уплотнительная шайба.
Герметичность поплавка проверяется погружением его в горячую воду с температурой не ниже 80°С и временем выдержки не менее полминуты. При нарушении герметичности поплавка, на что укажет выход пузырьков воздуха, поплавок надо запаять, предварительно удалив из него бензин.
После пайки необходимо вновь проверить его герметичность и вес. Вес
поплавка в сборе с рычажком у карбюратора K-126И должен быть от 12,6
до 14 г. Если после пайки вес будет
превышать 14 г, то надо удалить излишек припоя, не нарушая
герметичности поплавка.
Топливный клапан необходимо промыть в чистом бензине и продуть сжатым воздухом. Если клапан изношен, то его следует заменить новым.
После проверки деталей поплавкового механизма нужно вновь проверить величину уровня топлива в поплавковой камере и при необходимости отрегулировать его.

Карбюратор ГАЗ-52 К126И 52-04-1107010 (автопогрузчик АП-4014, 40814)
1 — Винт М5х18 220081-П29
2 — Шайба 900902-П
3 — Фланец крышки К126Б-1107022
4 — Прокладка К126Б-1107021-А
5 — Крышка поплавковой камеры в сборе К126И-1107300
6 — Поплавок в сборе К124-1107320-А
7 — Прокладка 451306-П
8 — Ось поплавка 114-0-1107304
9 — Крышка карбюратора К126Б-1107301
10 — Заслонка воздушная в сборе К126Б-1107370
11 — Вилка в сборе К126Б-1107355
12 — Винт стопорный СП22-5205502
13 — Винт М3х8 222963-П29
14 — Втулка К23-70
15 — Пружина К126Б-1107309
16 — Пружина оси воздушной заслонки К126Б-1107308
17 — Зажим кронштейна тяги К23-55-01
18 — Кронштейн К126Б-1107302
19 — Винт М5х10 220077-П29
20 — Болт 900509-1
21 — Ось воздушной заслонки в сборе К126Б-1107310
22 — Ось привода насоса в сборе К126Б-1107350
23 — Шайба 901017-0
24 — Рычаг привода воздушной заслонки в сборе К126Б-1107315
25 — Болт 900507
26 — Пробка фильтра К124-1107327
27 — Прокладка 451306
28 — Клапан подачи топлива в сборе К126Б-1107330-А
29 — Сетка фильтра в сборе К59-1107325
30 — Прокладка поплавковой камеры К126-1107012-А
31 — Корпус поплавковой камеры в сборе К126И-1107200
32 — Жиклер топливный главный К126Б-1107202
33 — Пробка 451513
34 — Гайка К126И-1107216
35 — Прокладка К126-1107228-А
36 — Стекло К126-1107225
37 — Пробка 451502
38 — Прокладка 451304
39 — Жиклер К126И-1107244
40 — Шарик К21-1107244
41 — Прокладка 901718-0
42 — Клапан экономайзера в сборе К126И-1107430
43 — Пружина К24-1107013
44 — Жиклер топливный холостого хода в сборе К126Г-1107205
45 — Прокладка 451303
46 — Винт топливопроводящий К126П-1107246
47 — Винт М4х20 220056-П29
48 — Шайба 900901-0
49 — Распылитель К126Е-1107208
50 — Прокладка распылителя К126-1107209-А
51 — Клапан нагнетательный К21-1107218
52 — Привод ускорительного насоса в сборе К126И-1107210
53 — Жиклер К126И-1107242
54 — Кольцо стопорное К126-1107204
55 — Диффузор малый К126Г-1107224
56 — Труба эмульсионная К126Г-1107226
57 — Диффузор К126Г-1107013
58 — Прокладка смесительной камеры К126-1107014-А
59 — Шайба 901048-0
60 — Тяга при малой частоте вращения К126Б-1107024
61 — Шплинт 901101
62 — Корпус смесительных камер в сборе К126И-1107100
63 — Винт холостого хода К21-1107108
64 — Пружина К13-1107113
65 — Ось дроссельных заслонок с рычагом в сборе К126И-1107110
66 — Шайба 901015-0
67 — Шайба 901016-0
68 — Винт М3х8 220003-П29
69 — Заслонка дроссельная К126Ж-1107102
70 — Корпус смесительных камер К126И-1107101
71 — Пружина 907103-0
72 — Винт регулировочный холостого хода 105-0-1107103
73 — Шайба К126П-1107107
74 — Шайба 900903-0
75 — Гайка 900812-0
76 — Рычаг К126И-1107127
77 — Ограничитель частоты вращения коленчатого вала 52-04-1127011
78 — Прокладка 49-1107015
79 — Болт К28Б-1107025
При обслуживании карбюратора ГАЗ-52 (К126И) необходимо проверять:
— герметичность клапана экономайзера;
— плотность прилегания к своим седлам клапанов насоса ускорителя, а также легкость их перемещения;
— отсутствие зависаний и заеданий подвижных механизмов.
Регулировка холостого хода производится упорным винтом, ограничивающим закрытие дроссельных заслонок, и двумя винтами, изменяющими состав горючей смеси.
Регулировку холостого хода нужно производить обязательно на хорошо прогретом двигателе и при совершенно исправной системе зажигания. Особое внимание должно быть обращено на исправность свечей и правильность зазора между их электродами. Перед регулировкой на холодном двигателе должны быть проверены зазоры у клапанов.
При регулировке следует учитывать, что карбюратор ГАЗ-52
двухкамерный и что состав смеси в каждой камере регулируется
независимо от другой камеры своим винтом. Кроме того,
надо помнить, что при завертывании винтов смесь обедняется, а при их
отвертывании обогащается.
Начиная регулировку, нужно сначала завернуть до отказа, но не
слишком туго, регулировочные винты, а затем каждый из них отвернуть
на 2 оборота. После этого пускают двигатель и
упорным винтом устанавливают устойчивые обороты двигателя при
наименьшем открытии дросселя.
Затем, завертывая или отвертывая один из регулировочных винтов качества смеси холостого хода, находят такое его положение, при котором коленчатый вал будет иметь наибольшие обороты.
После этого проделывают те же операции со вторым винтом.
Достигнув примерно одинаковой работы обеих камер карбюратора, нужно по возможности уменьшить обороты, вывертывая упорный винт дроссельных заслонок.
______________________________________________________________________________
Отгрузка запчастей на львовские погрузчики 4014, 40814, 40810, 4081, 41030 производится во все города России: Кемерово, Екатеринбург, Челябинск, Новосибирск, Улан-Удэ, Киров, Пермь, Красноярск, Иркутск, Омск, Барнаул, Томск, Братск, Тюмень, Лысьва, Новокузнецк, Миасс, Серов, Чита, Берёзовский, Междуреченск, Нижний Тагил, Бийск, Минусинск, Сатка, Курган, Вологда, Нижний Новгород, Санкт-Петербург, Белгород, Орёл, Казань, Ростов-на-Дону, Воронеж, Брянск, Краснодар, Саратов, Мурманск, Тула, Ногинск, Волгоград, Иваново, Пенза, Чебоксары, Волжский, Ярославль, Сыктывкар, Ижевск, Самара, Махачкала, Волжск, Йошкар-Ола, Сокол, Уфа, Архангельск, Тверь, Подольск, Ульяновск, Смоленск, Тольятти, Владикавказ, Петрозаводск, Курск, Владимир, Череповец, Набережные Челны и др.avtospezmash.ru
Карбюраторы типа К-22 автомобилей ГАЗ-51А, ГАЗ-бЗ, «ВОЛГА» , ГАЗ-69 И УАЗ-450
Строительные машины и оборудование, справочник
Карбюраторы типа К-22 автомобилей ГАЗ-51А, ГАЗ-бЗ, «ВОЛГА» , ГАЗ-69 И УАЗ-450
Категория:
Устройство и работа двигателя
Карбюраторы типа К-22 автомобилей ГАЗ-51А, ГАЗ-бЗ, «ВОЛГА» , ГАЗ-69 И УАЗ-450
На автомобилях ГАЗ-51А и ГАЗ-63 применялись карбюраторы типа К-22Г с падающим потоком, трехдиффузорные, балансированные, снабженные ограничителем числа оборотов коленчатого вала. Компенсация смеси осуществляется регулированием разрежения в диффузоре.
Карбюратор состоит из трех разъемных частей, соединенных на прокладках винтами. Средняя часть является корпусом карбюратора и включает смесительную и поплавковую камеры со всеми дозирующими устройствами. В верхней части находятся воздушный патрубок и крышка поплавковой камеры. Обе части отлиты из цинкового сплава. Нижняя часть, являющаяся впускным патрубком, отлита из чугуна и прикреплена к корпусу на толстой теплоизолирующей прокладке.

Рис. 1. Схема карбюратора К-22Г
В поплавковой камере помещены поплавок и игольчатый клапан. В смесительной камере расположены: тройной съемный диффузор с воздушным пластинчатым клапаном, образованным упругими стальными пластинами; дроссельная заслонка, установленная на оси валика привода на игольчатом подшипнике, и воздушная неравносторонняя заслонка с автоматическим клапаном. Жиклерный блок включает главный и дополнительный жиклеры. С одной стороны жиклерного блока находится блок распылителей, ас другой — регулировочная игла главного жиклера.
Система холостого хода включает воздушные и топливный жиклеры, регулировочный и ограничительный винты и выходные отверстия. Экономайзер с жиклером и клапаном имеет механический привод.
Ускорительный насос совмещен с экономайзером и снабжен впускным и нагнетательным клапанами, распылителем и штоком с пружиной и плунжером, имеющим механический привод от рычага оси дроссельной заслонки при помощи тяги.
Ограничитель числа оборотов двигателя с натяжной пружиной соединен с дроссельной заслонкой серьгой. Поплавковая камера карбюратора сообщается с воздушными патрубком через трубку. К верхнему фланцу карбюратора присоединяют воздухоочиститель; нижним фланцем карбюратор соединен с впускным трубопроводом. Под корпусом карбюратора установлена теплоизолирующая прокладка.
При пуске холодного двигателя соответствующее разреясение в смесительной камере поддерживается путем прикрытия воздушной заслонки. В случае чрезмерного увеличения разрежения в результате давления воздуха сначала открывается клапан на заслонке, а затем, после пуска двигателя, под действием повышенного давления воздуха на большую ее часть воздушная заслонка приоткрывается. Давлением воздуха при этом преодолевается сила пружины рычага заслонки, удерживающей заслонку в закрытом положении. Выступы рычага заслонки перемещаются между концами приводного рычага.
Рычаг оси воздушной заслонки тягой связан с кулачком, воздействующим на рычаг оси дроссельной заслонки; поэтому, когда закрыта воздушная заслонка, дроссельная заслонка немного приоткрывается.
При малых числах оборотов холостого хода двигатель питается топливом через систему холостого хода. Топливо из поплавковой камеры проходит через дополнительный жиклер к жиклеру холостого хода. Далее топливо поднимается по каналу, и к топливу через первый воздушный жиклер подводится воздух. Полученная эмульсия проходит через эмульсионный жиклер и снова смешивается с воздухом, поступающим через второй воздушный жиклер. Далее эмульсия поступает во впускной патрубок через два выходных отверстия. Сечение нижнего отверстия регулируют винтом холостого хода.
При средних нагрузках двигателя и средних открытиях дроссельной заслонки топливо поступает через главный и дополнительный жиклеры с распылителями. Компенсация смеси осуществляется регулированием разрежения во внутреннем диффузоре с помощью пластинчатого воздушного клапана наружного диффузора и совместной работой главного и дополнительного жиклеров способом, рассмотренным выше. При средних нагрузках двигателя клапан экономайзера закрыт, и карбюратор приготовляет слегка обедненную смесь.
При полной нагрузке двигателя с помощью рычага и тяги плунжер ускорительного насоса опускается в колодце вниз, открывая клапан экономайзера, и в распылитель дополнительного жиклера поступает дополнительное количество топлива, вследствие чего смесь обогащается.
При быстром открытии дроссельной заслонки плунжер ускорительного насоса быстро опускается в колодце вниз. При этом впускной клапан давлением топлива закрывается, и топливо через нагнетательный клапан и распылитель ускорительного насоса поступает в смесительную камеру, обогащая смесь.
При выходе из распылителя топливо эмульсируется воздухом, поступающим по боковому каналу.
При закрытии заслонки плунжер поднимается в колодце вверх, и топливо проходит в колодец из поплавковой камеры через открывшийся впускной клапан. Топливо, просочившееся наверх, стекает в поплавковую камеру.
Перемещение плунжера от приводного рычага и тяги производится через пружину, установленную на штоке. При резком открытии заслонки пружина сжимается тягой и вследствие своей упругости обеспечивает плавное опускание плунжера в колодце. Этим устраняется чрезмерное давление плунжера на топливо и торможение поворота заслонки, а также достигается затяжной впрыск топлива.
Управление дроссельной заслонкой осуществляется педалью и ручной кнопкой, расположенной на щитке приборов. Воздушной заслонкой 30 управляют при помощи другой кнопки, расположенной также на щитке.
Пневматический ограничитель числа оборотов двигателя совмещен с дроссельной заслонкой 18. Действие ограничителя было рассмотрено ранее.
На автомобиле «Волга» первых выпусков (до 1961 г.) устанавливался карбюратор К-22И, имеющий такие же устройство и принцип действия, как и карбюратор К-22Г. В карбюраторе К-22И жиклеры имеют другую пропускную способность. Ограничитель числа оборотов двигателя отсутствует, в связи с чем изменена форма нижнего патрубка карбюратора и упрощена конструкция дроссельной заслонки и ее привода. Несколько изменена форма верхнего патрубка вследствие изменения конструкции крепления воздухоочистителя.
На автомобилях ГАЗ-69 и УАЗ-450 с двигателями типа ГАЗ-20 и ГАЗ-21 первых выпусков были установлены соответственно карбюраторы К-22Д и К-22Ж, в основном одинаковые по устройству и принципу действия с карбюратором К-22И.
Реклама:
Читать далее: Карбюраторы К-105 и К-124 автомобиля «Волга»
Категория: — Устройство и работа двигателя
Главная → Справочник → Статьи → Форум
stroy-technics.ru
грузовик ГАЗ 51 › Бортжурнал › Восстановление оригинального карбюратора к 22 г
Привет ВСЕМ!
Вот почти середина лета, а я только первый раз уделил внимание моему ГАЗУШКЕ, все дела, заботы… работы море… то с БАГГИ своей путешествую (Ну это другие истории). Вообщием весело у нас нынче… и лета нет.:)
Наконец то я решил восстановить оригинальный карб, прислали мне два донора от куда то из далека., толи с Астрахани…, толи…хз . за небольшие деньги, аж два штуки.

Полный размер
С моим как известно беда… прострелили ему спину…под газ делали:( вместе с диффузором переменного сечения.

Полный размер
Ну писать собственно больше не чего… тупо фотки… карбюратор очень простой, в отличии от того, который я ставил… к 131.

Полный размер

Полный размер

Полный размер

Полный размер

Полный размер
Вот он красавец на месте и в сборе.

Полный размер

Полный размер

Полный размер

Полный размер

Полный размер
Сегодня заливаем воду.
… и от винта пробует запускать… и регулировать. отчет обязательно…
5 мес. Метки: самостоятельный ремонт
Нравится 19 Поделиться: Подписаться на машину
www.drive2.ru
Карбюратор ГАЗ-52 и его регулировка
Топливная система двигателя ГАЗ-52 львовского автопогрузчика оснащена карбюратором К-126И.Карбюратор (рис. 34) — двухкамерный с падающим потоком смеси и балансированной поплавковой камерой. Каждая камера карбюратора действует независимо от другой на три цилиндра через впускной коллектор, разделенный перегородкой на две ветви.

Рис. 34. Схема карбюратора ГАЗ-52 (К-126И)
1—привод ускорительного насоса, 2—эмульсионная трубка 3—главный воздушный жиклер, 4— малый диффузор, 5—воздушный жиклер холостого хода, 6—воздушная заслонка, 7—блок распылителей ускорительного насоса и экономайзер, 8—выпускной клапан, 9—топливный жиклер холостого хода, 10 — клапан подачи топлива, 11 — топливный фильтр, 12—поплавок, 13—смотровое окно 14—главный топливный жиклер, 15—подвод вакуума, 16—переходное отверстие холостого хода, 17—регулировочный винт, холостого хода, 18—дроссельная заслонка, 19—большой диффузор, 20— впускной клапан, 21—клапан экономайзера
Для обеспечения нормальной работы двигателя на всех режимах карбюратор ГАЗ-52 имеет систему холостого хода, главную дозирующую систему, экономайзер, ускорительный насос и систему пуска холодного двигателя.
Система холостого хода, главная дозирующая система и экономайзер (кроме клапана) имеются в каждой камере карбюратора. Поплавковая камера, системы ускорительного насоса и пуска холодного двигателя — общие на обе камеры карбюратора.
Основные системы карбюратора К126И работают по принципу пневматического (воздушного) торможения топлива.
Периодически необходимо удалять отстой, прочищать и промывать карбюратор. Промывку следует производить в чистом неэтилированном бензине или ацетоне с последующей продувкой сжатым воздухом.
Для этого надо отделить крышку и корпус смесительных камер от корпуса поплавковой камеры, вывернуть жиклеры, распылители и клапаны.
Проверка уровня топлива в поплавковой камере карбюратора производится на холодном неработающем двигателе. Уровень топлива замеряют два раза.
При этом поплавковую камеру заполняют при помощи рычага ручной подкачки бензинового насоса и после каждой проверки бензин сливают через сливную пробку. Уровень бензина должен устойчиво находиться в пределах 18,5—21,5 мм у карбюратора, от плоскости разъема поплавковой камеры с крышкой.
Регулировка уровня у карбюратора ГАЗ-52 производится подгибанием язычка 4 (рис. 35), упирающегося в торец иглы клапана. Одновременно подгибанием ограничителя 2 следует установить зазор между ним и стойкой оси поплавка в пределах 2—2,5 мм, что обеспечит нормальный ход иглы клапана.

Рис. 35. Поплавковый механизм карбюратора К-126И
1 поплавок, 2—ограничитель хода поплавка, 3—ось поплавка, 4—язычок регулировки уровня, 5—игла клапана, 6—корпус клапана, 7— уплотнительная шайба.
Герметичность поплавка проверяется погружением его в горячую воду с температурой не ниже 80°С и временем выдержки не менее полминуты. При нарушении герметичности поплавка, на что укажет выход пузырьков воздуха, поплавок надо запаять, предварительно удалив из него бензин.
После пайки необходимо вновь проверить его герметичность и вес. Вес поплавка в сборе с рычажком у карбюратора К126И должен быть от 12,6 до 14 г. Если после пайки вес будет превышать 14 г, то надо удалить излишек припоя, не нарушая герметичности поплавка.
Топливный клапан необходимо промыть в чистом бензине и продуть сжатым воздухом. Если клапан изношен, то его следует заменить новым.
После проверки деталей поплавкового механизма нужно вновь проверить величину уровня топлива в поплавковой камере и при необходимости отрегулировать его.
Рис.36.
Карбюратор 52-04-1107010
1 — Винт М5х18 220081-П29
2 — Шайба 900902-П
3 — Фланец крышки К126Б-1107022
4 — Прокладка К126Б-1107021-А
5 — Крышка поплавковой камеры в сборе К126И-1107300
6 — Поплавок в сборе К124-1107320-А
7 — Прокладка 451306-П
8 — Ось поплавка 114-0-1107304
9 — Крышка карбюратора К126Б-1107301
10 — Заслонка воздушная в сборе К126Б-1107370
11 — Вилка в сборе К126Б-1107355
12 — Винт стопорный СП22-5205502
13 — Винт М3х8 222963-П29
14 — Втулка К23-70
15 — Пружина К126Б-1107309
16 — Пружина оси воздушной заслонки К126Б-1107308
17 — Зажим кронштейна тяги К23-55-01
18 — Кронштейн К126Б-1107302
19 — Винт М5х10 220077-П29
20 — Болт 900509-1
21 — Ось воздушной заслонки в сборе К126Б-1107310
22 — Ось привода насоса в сборе К126Б-1107350
23 — Шайба 901017-0
24 — Рычаг привода воздушной заслонки в сборе К126Б-1107315
25 — Болт 900507
26 — Пробка фильтра К124-1107327
27 — Прокладка 451306
28 — Клапан подачи топлива в сборе К126Б-1107330-А
29 — Сетка фильтра в сборе К59-1107325
30 — Прокладка поплавковой камеры К126-1107012-А
31 — Корпус поплавковой камеры в сборе К126И-1107200
32 — Жиклер топливный главный К126Б-1107202
33 — Пробка 451513
34 — Гайка К126И-1107216
35 — Прокладка К126-1107228-А
36 — Стекло К126-1107225
37 — Пробка 451502
38 — Прокладка 451304
39 — Жиклер К126И-1107244
40 — Шарик К21-1107244
41 — Прокладка 901718-0
42 — Клапан экономайзера в сборе К126И-1107430
43 — Пружина К24-1107013
44 — Жиклер топливный холостого хода в сборе К126Г-1107205
45 — Прокладка 451303
46 — Винт топливопроводящий К126П-1107246
47 — Винт М4х20 220056-П29
48 — Шайба 900901-0
49 — Распылитель К126Е-1107208
50 — Прокладка распылителя К126-1107209-А
51 — Клапан нагнетательный К21-1107218
52 — Привод ускорительного насоса в сборе К126И-1107210
53 — Жиклер К126И-1107242
54 — Кольцо стопорное К126-1107204
55 — Диффузор малый К126Г-1107224
56 — Труба эмульсионная К126Г-1107226
57 — Диффузор К126Г-1107013
58 — Прокладка смесительной камеры К126-1107014-А
59 — Шайба 901048-0
60 — Тяга при малой частоте вращения К126Б-1107024
61 — Шплинт 901101
62 — Корпус смесительных камер в сборе К126И-1107100
63 — Винт холостого хода К21-1107108
64 — Пружина К13-1107113
65 — Ось дроссельных заслонок с рычагом в сборе К126И-1107110
66 — Шайба 901015-0
67 — Шайба 901016-0
68 — Винт М3х8 220003-П29
69 — Заслонка дроссельная К126Ж-1107102
70 — Корпус смесительных камер К126И-1107101
71 — Пружина 907103-0
72 — Винт регулировочный холостого хода 105-0-1107103
73 — Шайба К126П-1107107
74 — Шайба 900903-0
75 — Гайка 900812-0
76 — Рычаг К126И-1107127
77 — Ограничитель частоты вращения коленчатого вала 52-04-1127011
78 — Прокладка 49-1107015
79 — Болт К28Б-1107025
При обслуживании карбюратора ГАЗ-52 необходимо проверять:
— герметичность клапана экономайзера;
— плотность прилегания к своим седлам клапанов насоса ускорителя, а также легкость их перемещения;
— отсутствие зависаний и заеданий подвижных механизмов.
Регулировка холостого хода производится упорным винтом 1 (рис. 37), ограничивающим закрытие дроссельных заслонок, и двумя винтами 2, изменяющими состав горючей смеси.

Рис. 37. Винты регулировки холостого хода
1—упорный винт дроссельных заслонок, 2—регулировочные винты качества смеси холостого хода.
Регулировку холостого хода нужно производить обязательно на
хорошо прогретом двигателе и при совершенно исправной
системе зажигания. Особое внимание должно быть обращено на
исправность свечей и правильность зазора между их
электродами. Перед регулировкой на холодном двигателе
должны быть проверены зазоры у клапанов.
При регулировке следует учитывать, что карбюратор двухкамерный и что состав смеси в каждой камере регулируется независимо от другой камеры своим винтом. Кроме того, надо помнить, что при завертывании винтов смесь обедняется, а при их отвертывании обогащается.
Начиная регулировку, нужно сначала завернуть до отказа, но не слишком туго, регулировочные винты 2, г затем каждый из них отвернуть на 2/г оборота. После этого пускают двигатель и упорным винтом 1 устанавливают устойчивые обороты двигателя при наименьшем открытии дросселя.
Затем, завертывая или отвертывая один из регулировочных винтов 2 качества смеси холостого хода, находят такое его положение, при котором коленчатый вал будет иметь наибольшие обороты. После этого проделывают те же операции со вторым винтом 2.
Достигнув примерно одинаковой работы обеих камер карбюратора, нужно по возможности уменьшить обороты, вывертывая упорный винт 1 дроссельных заслонок.
avzrem.ru
Карбюратор ГАЗ-51 | АвтоКлуб ГАЗ 51
Двигатель снабжен вертикальным карбюратором с падающим потоком смеси. В карбюраторе применено тройное распыливание смеси с помощью трех диффузоров, из которых один — с переменным сечением (пластинчатый). Применение такого диффузора обеспечивает хорошее распыливание смеси при различных открытиях дросселя. Для равномерного наполнения всех цилиндров горючей смесью к каждому впускному клапану сделаны отдельные каналы в блоке.
Имеющиеся в карбюраторе экономайзер и насос-ускоритель улучшают приемистость и экономичность двигателя.
Вакуум-экономайзер, работающий от разрежения во впускном трубопроводе, обогащает смесь при больших открытиях дросселя, т. е. во время работы двигателя с большой нагрузкой.
С помощью насоса-ускорителя подается дополнительная порция бензина в цилиндры двигателя в момент резкого нажатия на педаль акселератора, чем и обеспечивается необходимое обогащение смеси при разгоне автомобиля.
До конца 1948 г. на двигателе устанавливался карбюратор К-49, который имел вакуумные приводы насоса-ускорителя и экономайзера.
В настоящее время ставится карбюратор улучшенной конструкции К-49А, у которого привод насоса-ускорителя механический от тяги акселератора. Кроме того, несколько изменена система холостого хода и внесены мелкие изменения с учетом недостатков карбюратора К-49 (изменена поплавковая камера, поплавок и пр.).
Для предохранения двигателя от работы на чрезмерно высоких оборотах, опасных для прочности отдельных деталей и ускоряющих износ двигателя, на обеих моделях карбюраторов имеется одинаковой конструкции регулятор-ограничитель числа оборотов.
Основным элементом регулятора является пружина, открывающая дроссельную заслонку и имеющая регулировку при помощи двух гаек, закрытых колпачком. Дроссельная заслонка имеет плоскость, наклоненную по отношению оси впускного трубопровода, при открытом состоянии заслонки, на которую оказывает давление поток смеси, идущий во впускной трубопровод. Когда двигатель развивает 2800 об/мин, давление это настолько велико, что преодолевает действие пружины, и заслонка начинает прикрываться, чем и снижает число оборотов двигателя.
Это интересно:
Запись опубликована в рубрике Статьи. Добавьте в закладки постоянную ссылку.gaz51.ru
