Π’ΠΎΡΠΌΠΎΠ·Π½Π°Ρ ΡΠΈΡΡΠ΅ΠΌΠ° ΠΠΠΠΠ 5320 ΠΈΠ»ΠΈ 55111 ΠΈ Π΄ΡΡΠ³ΠΈΡ
ΠΠ°ΡΠ° ΠΏΡΠ±Π»ΠΈΠΊΠ°ΡΠΈΠΈ ΠΠΏΡ 11, 2013, Π ΡΠ±ΡΠΈΠΊΠΈ Π’ΠΎΡΠΌΠΎΠ·Π½Π°Ρ ΡΠΈΡΡΠ΅ΠΌΠ° Π°Π²ΡΠΎΠΌΠΎΠ±ΠΈΠ»Ρ |
Π’ΠΎΡΠΌΠΎΠ·Π½Π°Ρ ΡΠΈΡΡΠ΅ΠΌΠ° ΠΠΠΠΠ: ΠΎΡΠ½ΠΎΠ²Π½ΡΠ΅ Ρ Π°ΡΠ°ΠΊΡΠ΅ΡΠΈΡΡΠΈΠΊΠΈ, Π½Π΅ΠΈΡΠΏΡΠ°Π²Π½ΠΎΡΡΠΈ ΡΠΎΡΠΌΠΎΠ·Π½ΠΎΠΉ ΡΠΈΡΡΠ΅ΠΌΡ ΠΈ Π²ΠΎΠ·ΠΌΠΎΠΆΠ½ΠΎΡΡΠΈ ΠΈΡ ΡΡΡΡΠ°Π½Π΅Π½ΠΈΡ.
ΠΠ° ΡΠ΅Π³ΠΎΠ΄Π½ΡΡΠ½ΠΈΠΉ Π΄Π΅Π½Ρ Π°Π²ΡΠΎΠΌΠΎΠ±ΠΈΠ»ΠΈ ΠΌΠ°ΡΠΊΠΈ ΠΠΠΠΠ ΡΠ²Π»ΡΡΡΡΡ ΠΎΠ΄Π½ΠΈΠΌ ΠΈΠ· ΡΠ°ΠΌΡΡ Π΄ΠΎΡΡΡΠΏΠ½ΡΡ Π΄Π»Ρ Π½Π°ΡΠ΅Π»Π΅Π½ΠΈΡ Π²ΠΈΠ΄ΠΎΠ² ΠΊΡΡΠΏΠ½ΠΎΠ³Π°Π±Π°ΡΠΈΡΠ½ΠΎΠΉ ΡΠ΅Ρ Π½ΠΈΠΊΠΈ, Π΄Π»Ρ ΠΌΠ½ΠΎΠ³ΠΈΡ ΡΠ°ΠΊΠ°Ρ ΠΌΠ°ΡΠΈΠ½Π° ΡΠ²Π»ΡΠ΅ΡΡΡ Π΅Π΄ΠΈΠ½ΡΡΠ²Π΅Π½Π½ΡΠΌ ΡΠΏΠΎΡΠΎΠ±ΠΎΠΌ ΠΎΠ±Π΅ΡΠΏΠ΅ΡΠΈΠ²Π°ΡΡ ΡΠ΅ΠΌΡΡ, Π½ΠΎ ΡΠΊΠ·Π΅ΠΌΠΏΠ»ΡΡΡ, ΠΏΠΎΠΊΡΠΏΠ°Π΅ΠΌΡΠ΅ ΡΠ°ΡΡΠ½ΡΠΌΠΈ Π»ΠΈΡΠ°ΠΌΠΈ, Π½Π΅ ΠΎΡΠ»ΠΈΡΠ°ΡΡΡΡ Π½ΠΎΠ²ΠΈΠ·Π½ΠΎΠΉ ΠΈ ΠΈΡ ΠΏΡΠΈΡ ΠΎΠ΄ΠΈΡΡΡ ΡΠ°ΡΡΠΎ ΡΠ΅ΠΌΠΎΠ½ΡΠΈΡΠΎΠ²Π°ΡΡ. ΠΡΠΆΠ½ΠΎ ΠΏΡΠ΅Π΄ΡΡΠ°Π²Π»ΡΡΡ ΡΠ΅Π±Π΅ ΡΡΠΎ ΡΠ°ΠΊΠΎΠ΅ ΡΠΎΡΠΌΠΎΠ·Π½Π°Ρ ΡΠΈΡΡΠ΅ΠΌΠ° ΠΠΠΠΠ ΠΌΠΎΠ΄Π΅Π»Π΅ΠΉ 5320, 55111 ΠΈ ΠΎΡΡΠ°Π»ΡΠ½ΡΡ , Ρ ΠΎΡΡ Π±Ρ Π΄Π»Ρ ΡΠΎΠ³ΠΎ, ΡΡΠΎΠ±Ρ ΠΏΡΠ°Π²ΠΈΠ»ΡΠ½ΠΎ Π΅Π΅ ΡΠΊΡΠΏΠ»ΡΠ°ΡΠΈΡΠΎΠ²Π°ΡΡ ΠΈ, Π²ΠΎΠ·ΠΌΠΎΠΆΠ½ΠΎ Π΄Π°ΠΆΠ΅, Π½Π°ΡΡΠΈΡΡΡΡ ΡΠ°ΠΌΠΎΡΡΠΎΡΡΠ΅Π»ΡΠ½ΠΎ ΠΈΡΠΏΡΠ°Π²Π»ΡΡΡ ΠΌΠ΅Π»ΠΊΠΈΠ΅ Π½Π΅ΠΏΠΎΠ»Π°Π΄ΠΊΠΈ.
Π’ΠΎΡΠΌΠΎΠ·Π½Π°Ρ ΡΠΈΡΡΠ΅ΠΌΠ° ΠΠΠΠΠΠ° 5320Β ΡΠΎΡΡΠΎΠΈΡ ΠΈΠ· Π½Π΅ΡΠΊΠΎΠ»ΡΠΊΠΈΡ ΠΎΡΠ΄Π΅Π»ΡΠ½ΡΡ ΡΠΈΡΡΠ΅ΠΌ, ΠΏΠΎΠ·Π²ΠΎΠ»ΡΡΡΠΈΡ Ρ Π±ΠΎΠ»ΡΡΠ΅ΠΉ Π±Π΅Π·ΠΎΠΏΠ°ΡΠ½ΠΎΡΡΡΡ ΡΠΊΡΠΏΠ»ΡΠ°ΡΠΈΡΠΎΠ²Π°ΡΡ ΡΡΠΎΡ Π΄ΠΎΠ²ΠΎΠ»ΡΠ½ΠΎ ΡΠ»ΠΎΠΆΠ½ΡΠΉ Π² ΡΠΏΡΠ°Π²Π»Π΅Π½ΠΈΠΈ Π°Π²ΡΠΎΠΌΠΎΠ±ΠΈΠ»Ρ. ΠΡΠ΅Π³ΠΎ ΡΠΈΡΡΠ΅ΠΌ ΡΠ΅ΡΡΡΠ΅ β ΡΠ°Π±ΠΎΡΠ°Ρ, Π²ΡΠΏΠΎΠΌΠΎΠ³Π°ΡΠ΅Π»ΡΠ½Π°Ρ (Π°Π²Π°ΡΠΈΠΉΠ½Π°Ρ), ΡΡΠΎΡΠ½ΠΎΡΠ½Π°Ρ ΠΈ Π·Π°ΠΏΠ°ΡΠ½Π°Ρ, ΠΊΠ°ΠΆΠ΄Π°Ρ ΠΈΠ· Π½ΠΈΡ Π²ΡΠΏΠΎΠ»Π½ΡΠ΅Ρ ΠΎΠΏΡΠ΅Π΄Π΅Π»Π΅Π½Π½ΡΡ ΡΡΠ½ΠΊΡΠΈΡ. Π ΠΏΡΠΈΠΌΠ΅ΡΡ, ΡΡΠΎΡΠ½ΠΎΡΠ½Π°Ρ ΡΠΎΡΠΌΠΎΠ·Π½Π°Ρ ΡΠΈΡΡΠ΅ΠΌΠ° ΠΏΠΎΠ·Π²ΠΎΠ»ΡΠ΅Ρ ΡΠ΄Π΅ΡΠΆΠΈΠ²Π°ΡΡ ΠΠΠΠΠ 5320 Π½Π° ΠΌΠ΅ΡΡΠ΅ ΠΊΠ°ΠΊ Π½Π° ΡΠΎΠ²Π½ΠΎΠΌ ΡΡΠ°ΡΡΠΊΠ΅ Π΄ΠΎΡΠΎΠ³ΠΈ, ΡΠ°ΠΊ ΠΈ ΠΏΠΎΠ΄ ΡΠΊΠ»ΠΎΠ½ΠΎΠΌ, Π²ΠΎ Π²ΡΠ΅ΠΌΡ ΡΡΠΎΡΠ½ΠΊΠΈ. ΠΡΠΏΠΎΠ»Π½Π΅Π½Π° ΡΡΠ° ΡΠΈΡΡΠ΅ΠΌΠ° Π΅Π΄ΠΈΠ½ΡΠΌ ΡΠ΅Π»ΡΠΌ Ρ Π·Π°ΠΏΠ°ΡΠ½ΠΎΠΉ ΡΠΎΡΠΌΠΎΠ·Π½ΠΎΠΉ ΡΠΈΡΡΠ΅ΠΌΠΎΠΉ, ΠΊΠΎΡΠΎΡΠ°Ρ ΠΏΡΠ΅Π΄Π½Π°Π·Π½Π°ΡΠ΅Π½Π° Π΄Π»Ρ ΡΠΎΡΠΌΠΎΠΆΠ΅Π½ΠΈΡ (ΠΏΠΎΠ»Π½ΠΎΠ³ΠΎ ΠΈΠ»ΠΈ ΡΠ°ΡΡΠΈΡΠ½ΠΎΠ³ΠΎ) ΠΠΠΠΠΠ° 55111 Π² ΡΠΎΠΌ ΡΠ»ΡΡΠ°Π΅, ΠΊΠΎΠ³Π΄Π° ΡΠ°Π±ΠΎΡΠ°Ρ ΡΠΈΡΡΠ΅ΠΌΠ° Π²ΡΡΠ»Π° ΠΏΠΎ ΠΊΠ°ΠΊΠΎΠΉ-ΡΠΎ ΠΏΡΠΈΡΠΈΠ½Π΅ ΠΈΠ· ΡΡΡΠΎΡ.
Π Π°Π±ΠΎΡΠ°Ρ ΡΠΎΡΠΌΠΎΠ·Π½Π°Ρ ΡΠΈΡΡΠ΅ΠΌΠ° Ρ ΠΏΠ½Π΅Π²ΠΌΠ°ΡΠΈΡΠ΅ΡΠΊΠΈΠΌ Π΄Π²ΡΡ ΠΊΠΎΠ½ΡΡΡΠ½ΡΠΌ ΠΏΡΠΈΠ²ΠΎΠ΄ΠΎΠΌ ΠΏΠΎΠ·Π²ΠΎΠ»ΡΠ΅Ρ ΠΏΠ»Π°Π²Π½ΠΎ ΡΠ±ΡΠΎΡΠΈΡΡ ΡΠΊΠΎΡΠΎΡΡΡ ΠΈΠ»ΠΈ ΡΠ΅Π·ΠΊΠΎ Π·Π°ΡΠΎΡΠΌΠΎΠ·ΠΈΡΡ Π°Π²ΡΠΎΠΌΠΎΠ±ΠΈΠ»Ρ, Π΅Π΅ ΠΌΠ΅Ρ Π°Π½ΠΈΠ·ΠΌΡ ΡΠ°ΡΠΏΠΎΠ»ΠΎΠΆΠ΅Π½Ρ Π½Π° Π²ΡΠ΅Ρ ΡΠ΅ΡΡΠΈ ΠΊΠΎΠ»Π΅ΡΠ°Ρ ΠΠΠΠΠΠ°.
ΠΡΠΈΡΠΈΠ½Π°ΠΌΠΈ Π½Π΅ΠΈΡΠΏΡΠ°Π²Π½ΠΎΡΡΠΈ ΠΎΠ΄Π½ΠΎΠΉ ΠΈΠ· ΡΠΈΡΡΠ΅ΠΌ ΠΌΠΎΠ³ΡΡ Π±ΡΡΡ ΠΏΠΎΠ²ΡΠ΅ΠΆΠ΄Π΅Π½Π½ΡΠ΅ ΡΠ»Π°Π½Π³ΠΈ, ΡΡΡΠ±ΠΎΠΏΡΠΎΠ²ΠΎΠ΄Ρ, Π½Π΅Π΄ΠΎΡΡΠ°ΡΠΎΡΠ½ΠΎΠ΅ ΠΊΡΠ΅ΠΏΠ»Π΅Π½ΠΈΠ΅ ΡΠΎΠ΅Π΄ΠΈΠ½Π΅Π½ΠΈΠΉ ΠΏΠ΅ΡΠ΅Ρ ΠΎΠ΄Π½ΠΎΠΉ Π°ΡΠΌΠ°ΡΡΡΡ, Π½Π°ΡΡΡΠ΅Π½Π½Π°Ρ Π³Π΅ΡΠΌΠ΅ΡΠΈΡΠ½ΠΎΡΡΡ ΡΠ΅ΡΠΈΠ²Π΅ΡΠ° β Π²ΡΠ΅Ρ ΠΏΠΎΠΈΠΌΠ΅Π½Π½ΠΎ ΡΡΡΠ°Π½Π΅ΡΡ ΠΏΠ΅ΡΠ΅ΡΠΈΡΠ»ΡΡΡ. ΠΡΠ»ΠΈ Π²Π»Π°Π΄Π΅Π»Π΅Ρ Π΄Π°Π½Π½ΠΎΠ³ΠΎ Π°Π²ΡΠΎΠΌΠΎΠ±ΠΈΠ»Ρ ΡΠ²Π»ΡΠ΅ΡΡΡ Π½ΠΎΠ²ΠΈΡΠΊΠΎΠΌ ΠΈ Π½Π΅ ΠΈΠΌΠ΅Π΅Ρ ΠΎΠΏΡΡΠ° Π² ΡΡΡΡΠ°Π½Π΅Π½ΠΈΠΈ ΠΏΠΎΠ΄ΠΎΠ±Π½ΡΡ Π½Π΅ΠΏΠΎΠ»Π°Π΄ΠΎΠΊ, Π»ΡΡΡΠ΅ Π½Π΅ ΡΠΈΡΠΊΠΎΠ²Π°ΡΡ ΠΈ ΠΎΡΠΏΡΠ°Π²ΠΈΡΡΡΡ Π² Π±Π»ΠΈΠΆΠ°ΠΉΡΡΡ Π‘Π’Π, Π³Π΄Π΅ ΠΏΡΠΎΠ²Π΅Π΄ΡΡ Π½Π΅ΠΎΠ±Ρ ΠΎΠ΄ΠΈΠΌΡΡ Π΄ΠΈΠ°Π³Π½ΠΎΡΡΠΈΠΊΡ ΠΈ ΡΡΡΡΠ°Π½ΡΡ Π½Π΅ΠΈΡΠΏΡΠ°Π²Π½ΠΎΡΡΡ.
Related posts:
- Π‘ΠΈΡΡΠ΅ΠΌΠ° ΠΎΡ Π»Π°ΠΆΠ΄Π΅Π½ΠΈΡ ΠΠΠ 2110 (ΠΈΠ½ΠΆΠ΅ΠΊΡΠΎΡ)
- ΠΡΠ³ΠΊΠ°Ρ ΠΏΠ΅Π΄Π°Π»Ρ ΡΠΎΡΠΌΠΎΠ·Π°
- Π‘ΠΈΡΡΠ΅ΠΌΠ° ΠΎΡ Π»Π°ΠΆΠ΄Π΅Π½ΠΈΡ ΠΠΠ ΠΠ°Π·Π΅Π»Ρ
- Π‘ΠΈΡΡΠ΅ΠΌΠ° ΠΎΡ Π»Π°ΠΆΠ΄Π΅Π½ΠΈΡ ΠΠΠ 2109
- Π’ΠΎΠΏΠ»ΠΈΠ²Π½Π°Ρ ΡΠΈΡΡΠ΅ΠΌΠ° ΠΠΠ 2110
ΠΡΠ΅ ΠΏΠΎ ΡΠ΅ΠΌΠ΅
- ΠΠ΅Ρ ΡΠ²ΡΠ·Π°Π½Π½ΡΡ ΠΏΠΎΡΡΠΎΠ²
awtosowet.ru
ΠΠ°ΠΊ ΡΡΡΡΠΎΠ΅Π½Π° ΡΠΎΡΠΌΠΎΠ·Π½Π°Ρ ΡΠΈΡΡΠ΅ΠΌΠ° Π°Π²ΡΠΎΠΌΠΎΠ±ΠΈΠ»Ρ ΠΠ°ΠΌΠΠ?
ΠΠ»Π°Π΄Π΅Π»ΡΡΠ°ΠΌ Π»Π΅Π³ΠΊΠΎΠ²ΡΡ
Π°Π²ΡΠΎΠΌΠΎΠ±ΠΈΠ»Π΅ΠΉ
Π½Π΅ Π²ΡΠ΅Π³Π΄Π° ΠΏΠΎΠ½ΡΡΠ½Ρ ΠΏΡΠΎΠ±Π»Π΅ΠΌΡ Π²ΠΎΠ΄ΠΈΡΠ΅Π»Π΅ΠΉ ΠΠ°ΠΌΠΠΠΎΠ², ΠΊΠΎΠ½ΡΡΡΡΠΊΡΠΈΡ ΠΊΠΎΡΠΎΡΡΡ
Π½Π΅ΡΠΊΠΎΠ»ΡΠΊΠΎ
ΠΎΡΠ»ΠΈΡΠ°Π΅ΡΡΡ ΠΎΡ ΡΡΡΠΎΠ΅Π½ΠΈΡ Β«ΠΌΠ΅Π½ΡΡΠΈΡ
Π±ΡΠ°ΡΡΠ΅Π²Β». ΠΠ΄Π½Π°ΠΊΠΎ ΡΡΠΎ ΡΠΎΠ²ΡΠ΅ΠΌ Π½Π΅ ΠΎΠ·Π½Π°ΡΠ°Π΅Ρ, ΡΡΠΎ
ΠΏΡΠΎΠ±Π»Π΅ΠΌΡ ΠΈ Π½Π΅ΠΈΡΠΏΡΠ°Π²Π½ΠΎΡΡΠΈ ΡΠ°ΠΊΠΈΡ
ΠΌΠ°ΡΠΈΠ½ ΠΌΠ΅Π½Π΅Π΅ Π·Π½Π°ΡΠΈΠΌΡ ΠΈ Π½Π΅ ΡΡΠ΅Π±ΡΡΡ Π²Π½ΠΈΠΌΠ°Π½ΠΈΡ.
ΠΠΎΡΡΠΎΠΌΡ Π² Π΄Π°Π½Π½ΠΎΠΉ ΡΡΠ°ΡΡΠ΅ Π½Π° ΠΏΡΠΈΠΌΠ΅ΡΠ΅ Π°Π²ΡΠΎΠΌΠΎΠ±ΠΈΠ»Ρ
ΠΠ°ΠΌΠΠ ΠΌΡ ΡΠ°ΡΡΠΌΠΎΡΡΠΈΠΌ ΡΡΡΡΠΎΠΉΡΡΠ²ΠΎ ΠΎΠ΄Π½ΠΎΠΉ ΠΈΠ· Π²Π°ΠΆΠ½Π΅ΠΉΡΠΈΡ
ΡΠΈΡΡΠ΅ΠΌ Π»ΡΠ±ΠΎΠ³ΠΎ Π°Π²ΡΠΎΠΌΠΎΠ±ΠΈΠ»Ρ β
ΡΠΎΡΠΌΠΎΠ·Π½ΠΎΠ³ΠΎ ΡΠ·Π»Π°.
ΠΠ°ΠΊ ΡΡΡΡΠΎΠ΅Π½Π° ΡΠΎΡΠΌΠΎΠ·Π½Π°Ρ ΡΠΈΡΡΠ΅ΠΌΠ° ΠΠ°ΠΌΠΠ
Π’ΠΈΠΏ
ΡΠΎΡΠΌΠΎΠ·Π½ΠΎΠΉ ΡΠΈΡΡΠ΅ΠΌΡ ΠΠ°ΠΌΠΠΠ° Π½Π΅ ΠΏΠΎΡ
ΠΎΠΆ
Π½Π° Π°Π½Π°Π»ΠΎΠ³ΠΈΡΠ½ΡΡ ΡΠΎΡΡΠ°Π²Π»ΡΡΡΡΡ Π»Π΅Π³ΠΊΠΎΠ²ΡΡ
ΡΡΠ°Π½ΡΠΏΠΎΡΡΠ½ΡΡ
ΡΡΠ΅Π΄ΡΡΠ². ΠΡΠ΅ΠΆΠ΄Π΅ Π²ΡΠ΅Π³ΠΎ, ΡΡΠΎΠΈΡ
ΠΎΡΠΌΠ΅ΡΠΈΡΡ, ΡΡΠΎ Π½Π° ΡΡΠΈΡ
Π³ΡΡΠ·ΠΎΠ²ΠΈΠΊΠ°Ρ
ΡΡΡΠ°Π½Π°Π²Π»ΠΈΠ²Π°ΡΡΡΡ ΡΡΠ°Π·Ρ ΡΠ΅ΡΡΡΠ΅ ΡΠΎΡΠΌΠΎΠ·Π½ΡΠ΅
ΡΠΈΡΡΠ΅ΠΌΡ: ΠΎΡΠ½ΠΎΠ²Π½Π°Ρ (ΠΈΠ»ΠΈ, ΠΊΠ°ΠΊ Π΅Π΅ Π΅ΡΠ΅ Π½Π°Π·ΡΠ²Π°ΡΡ, Β«ΡΠ°Π±ΠΎΡΠ°ΡΒ»), Π·Π°ΠΏΠ°ΡΠ½Π°Ρ, ΡΡΠΎΡΠ½ΠΎΡΠ½Π°Ρ ΠΈ
Π²ΡΠΏΠΎΠΌΠΎΠ³Π°ΡΠ΅Π»ΡΠ½Π°Ρ. ΠΡΠ΅ ΠΎΠ½ΠΈ ΠΈΠΌΠ΅ΡΡ ΠΎΠ±ΡΠ΅Π΅ ΡΡΡΠΎΠ΅Π½ΠΈΠ΅ (Π²ΠΊΠ»ΡΡΠ°Ρ ΠΌΠ΅Ρ
Π°Π½ΠΈΠ·ΠΌΡ ΠΈ Π΄Π΅ΡΠ°Π»ΠΈ),
ΠΎΠ΄Π½Π°ΠΊΠΎ ΡΠ°Π±ΠΎΡΠ°ΡΡ ΠΎΡΠ΄Π΅Π»ΡΠ½ΠΎ Π΄ΡΡΠ³ ΠΎΡ Π΄ΡΡΠ³Π°. Π’Π°ΠΊΠΈΠΌ ΠΎΠ±ΡΠ°Π·ΠΎΠΌ,
ΠΡΠΎΠΌΠ΅ ΡΠΎΠ³ΠΎ, ΠΠ°ΠΌΠΠΡ ΡΠ°ΠΊΠΆΠ΅ ΠΎΠ±ΠΎΡΡΠ΄ΡΡΡΡΡ Π½ΠΎΠ²Π΅ΠΉΡΠΈΠΌΠΈ ΡΠΎΡΠΌΠΎΠ·Π½ΡΠΌΠΈ ΡΡΡΡΠΎΠΉΡΡΠ²Π°ΠΌΠΈ, ΠΊΠΎΡΠΎΡΡΠ΅ ΡΠΏΠΎΡΠΎΠ±Π½Ρ ΡΠΏΡΠ°Π²Π»ΡΡΡ ΡΠ°Π±ΠΎΡΠΎΠΉ Π²ΡΠ΅Ρ Π²ΠΈΠ΄ΠΎΠ² ΡΠΎΡΠΌΠΎΠ·ΠΎΠ², ΠΈ ΡΠΏΠ΅ΡΠΈΠ°Π»ΡΠ½ΡΠΌΠΈ ΠΏΡΠΈΠ±ΠΎΡΠ°ΠΌΠΈ Π΄Π»Ρ Π°Π²Π°ΡΠΈΠΉΠ½ΠΎΠ³ΠΎ ΡΠ°ΡΡΠΎΡΠΌΠ°ΠΆΠΈΠ²Π°Π½ΠΈΡ ΡΡΠΎΡΠ½ΠΎΡΠ½ΠΎΠ³ΠΎ ΡΠΎΡΠΌΠΎΠ·Π°. Π Π°Π·Π±Π΅ΡΠ΅ΠΌ ΡΠΎΡΡΠ°Π²Π»ΡΡΡΠΈΠ΅ ΡΠΎΡΠΌΠΎΠ·Π½ΠΎΠΉ ΡΠΈΡΡΠ΅ΠΌΡ Π΄Π°Π½Π½ΠΎΠ³ΠΎ Π³ΡΡΠ·ΠΎΠ²ΠΎΠ³ΠΎ Π°Π²ΡΠΎΠΌΠΎΠ±ΠΈΠ»Ρ Π±ΠΎΠ»Π΅Π΅ Π΄Π΅ΡΠ°Π»ΡΠ½ΠΎ.
ΠΡΠ½ΠΎΠ²Π½ΠΎΠΉ (ΠΈΠ»ΠΈ
ΡΠ°Π±ΠΎΡΠΈΠΉ ΡΠΎΡΠΌΠΎΠ·) β ΡΠΎΠ·Π΄Π°Π½ Π΄Π»Ρ ΡΠΏΡΠ°Π²Π»Π΅Π½ΠΈΡ ΡΡΠ°Π½ΡΠΏΠΎΡΡΠ½ΡΠΌ ΡΡΠ΅Π΄ΡΡΠ²ΠΎΠΌ Π² ΠΏΡΠΎΡΠ΅ΡΡΠ΅ Π΅Π³ΠΎ
Π΄Π²ΠΈΠΆΠ΅Π½ΠΈΡ. ΠΠ½ ΠΎΠ±Π»Π°Π΄Π°Π΅Ρ ΠΏΠ½Π΅Π²ΠΌΠ°ΡΠΈΡΠ΅ΡΠΊΠΈΠΌ Π΄Π²ΡΡ
ΠΊΠΎΠ½ΡΡΡΠ½ΡΠΌ ΠΏΡΠΈΠ²ΠΎΠ΄ΠΎΠΌ, ΠΊΠΎΡΠΎΡΡΠΉ ΠΎΠΊΠ°Π·ΡΠ²Π°Π΅Ρ
ΡΠ°Π·Π΄Π΅Π»ΡΠ½ΠΎΠ΅ Π²ΠΎΠ·Π΄Π΅ΠΉΡΡΠ²ΠΈΠ΅ Π½Π° ΠΏΠ΅ΡΠ΅Π΄Π½ΠΈΠ΅ ΠΊΠΎΠ»Π΅ΡΠ° ΠΈ ΡΠ»Π΅ΠΌΠ΅Π½ΡΡ Π·Π°Π΄Π½Π΅ΠΉ ΠΊΠΎΠ»Π΅ΡΠ½ΠΎΠΉ ΡΠ΅Π»Π΅ΠΆΠΊΠΈ.
ΠΠ»Π°Π²Π½ΡΠΌΠΈ ΡΠ°Π±ΠΎΡΠΈΠΌΠΈ ΡΠΎΡΡΠ°Π²Π»ΡΡΡΠΈΠΌΠΈ ΡΠΎΡΠΌΠΎΠ·Π½ΠΎΠΉ ΠΊΠ°ΠΌΠ΅ΡΡ ΠΠ°ΠΌΠΠΠ° ΡΠ²Π»ΡΡΡΡΡ ΠΊΠΎΠ»ΠΎΠ΄ΠΊΠΈ ΠΈ Π±Π°ΡΠ°Π±Π°Π½, Π° ΡΠΏΡΠ°Π²Π»Π΅Π½ΠΈΠ΅ ΡΠΎΡΠΌΠΎΠ·ΠΎΠΌ Π²ΡΠΏΠΎΠ»Π½ΡΠ΅ΡΡΡ ΠΏΡΠΈ ΠΏΠΎΠΌΠΎΡΠΈ Π½Π°ΠΆΠ°ΡΠΈΡ ΡΠΎΠΎΡΠ²Π΅ΡΡΡΠ²ΡΡΡΠ΅ΠΉ ΠΏΠ΅Π΄Π°Π»ΠΈ.
ΠΠ±ΡΠ°ΡΠΈΡΠ΅ Π²Π½ΠΈΠΌΠ°Π½ΠΈΠ΅! Π Π±ΠΎΠ»ΡΡΠΈΠ½ΡΡΠ²Π΅ ΡΠ»ΡΡΠ°Π΅Π² ΠΏΡΠΈΡΠΈΠ½ΠΎΠΉ ΡΠ°Π±ΠΎΡΠΈΡ ΡΠ±ΠΎΠ΅Π² ΡΠΎΡΠΌΠΎΠ·Π½ΡΡ ΡΠΈΡΡΠ΅ΠΌ ΡΠ»ΡΠΆΠ°Ρ ΠΏΠΎΠ²ΡΠ΅ΠΆΠ΄Π΅Π½ΠΈΡ ΠΊΠΎΠ»ΠΎΠ΄ΠΎΠΊ ΠΈ Π±Π°ΡΠ°Π±Π°Π½ΠΎΠ², ΡΠ°ΠΊ ΠΊΠ°ΠΊ ΠΈΠΌΠ΅Π½Π½ΠΎ ΠΎΠ½ΠΈ Π² ΠΏΡΠΎΡΠ΅ΡΡΠ΅ ΡΠ°Π±ΠΎΡΡ ΠΈΡΠΏΡΡΡΠ²Π°ΡΡ Π½Π°ΠΈΠ±ΠΎΠ»ΡΡΠΈΠ΅ Π½Π°Π³ΡΡΠ·ΠΊΠΈ (ΠΏΡΠΈ Π·Π°ΠΆΠ°ΡΠΎΠΉ ΠΏΠ΅Π΄Π°Π»ΠΈ ΠΊΠΎΠ»ΠΎΠ΄ΠΎΡΠ½ΡΠ΅ ΡΠΎΡΠΌΠΎΠ·Π° Π΄Π°Π²ΡΡ Π½Π° Π±Π°ΡΠ°Π±Π°Π½, Π·Π°ΠΌΠ΅Π΄Π»ΡΡ ΡΠ΅ΠΌ ΡΠ°ΠΌΡΠΌ Π΄Π²ΠΈΠΆΠ΅Π½ΠΈΠ΅ ΡΡΠ°Π½ΡΠΏΠΎΡΡΠ½ΠΎΠ³ΠΎ ΡΡΠ΅Π΄ΡΡΠ²Π°).
ΠΠ°ΠΏΠ°ΡΠ½Π°Ρ ΡΠΎΡΠΌΠΎΠ·Π½Π°Ρ ΡΠΈΡΡΠ΅ΠΌΠ° ΠΠ°ΠΌΠΠΠ° ΠΏΡΠΈΠΌΠ΅Π½ΡΠ΅ΡΡΡ Π΄Π»Ρ ΠΎΡΡΠ°Π½ΠΎΠ²ΠΊΠΈ ΠΈΠ»ΠΈ Π·Π°ΠΌΠ΅Π΄Π»Π΅Π½ΠΈΡ Π΄Π²ΠΈΠΆΠ΅Π½ΠΈΡ Π°Π²ΡΠΎΠΌΠΎΠ±ΠΈΠ»Ρ ΠΏΡΠΈ ΠΏΠΎΡΠ²Π»Π΅Π½ΠΈΠΈ Π»ΡΠ±ΡΡ Π½Π΅ΠΈΡΠΏΡΠ°Π²Π½ΠΎΡΡΠ΅ΠΉ Π² ΡΠ°Π±ΠΎΡΠ΅ ΠΎΡΠ½ΠΎΠ²Π½ΠΎΠΉ ΡΠΈΡΡΠ΅ΠΌΡ. Β«ΠΠ°ΠΏΠ°ΡΠΊΠ°Β» ΡΠΎΠ²ΠΌΠ΅ΡΠ΅Π½Π° ΡΠΎ ΡΡΠΎΡΠ½ΠΎΡΠ½ΡΠΌ ΡΠΎΡΠΌΠΎΠ·ΠΎΠΌ (ΠΏΡΠΈΡΡΡΡΡΠ²ΡΡΡ ΠΎΠ±ΡΠΈΠ΅ ΡΠ·Π»Ρ ΠΈ ΠΌΠ΅Ρ Π°Π½ΠΈΠ·ΠΌΡ) ΠΈ ΡΠΎΡΡΠΎΠΈΡ ΠΈΠ· ΡΠ΅ΡΡΡΠ΅Ρ ΠΏΡΡΠΆΠΈΠ½ ΡΠ½Π΅ΡΠ³ΠΎΠ°ΠΊΠΊΡΠΌΡΠ»ΡΡΠΎΡΠ°, Π΄Π²ΡΡ Π²ΠΎΠ·Π΄ΡΡΠ½ΡΡ Π±Π°Π»Π»ΠΎΠ½ΠΎΠ², Π·Π°ΡΠΈΡΠ½ΠΎΠ³ΠΎ, ΠΏΠ΅ΡΠ΅ΠΏΡΡΠΊΠ½ΠΎΠ³ΠΎ (Π΄Π²ΡΡ ΠΊΠ°Π½Π°Π»ΡΠ½ΠΎΠ³ΠΎ) ΠΈ ΡΡΠΊΠΎΡΠΈΡΠ΅Π»ΡΠ½ΠΎΠ³ΠΎ ΠΊΠ»Π°ΠΏΠ°Π½ΠΎΠ², ΡΠΎΡΠΌΠΎΠ·Π½ΠΎΠ³ΠΎ ΠΊΡΠ°Π½Π°, ΡΠ»Π°Π½Π³ΠΎΠ² ΠΈ ΡΡΡΠ±ΠΎΠΏΡΠΎΠ²ΠΎΠ΄ΠΎΠ². ΠΡΠΎΡ Π²ΠΈΠ΄ ΡΠΎΡΠΌΠΎΠ·Π½ΠΎΠΉ ΡΠΈΡΡΠ΅ΠΌΡ Π°ΠΊΡΠΈΠ²ΠΈΠ·ΠΈΡΡΠ΅ΡΡΡ Ρ ΠΏΠΎΠΌΠΎΡΡΡ ΡΡΡΠ°Π³Π°, ΡΠΏΡΠ°Π²Π»ΡΡΡΠ΅Π³ΠΎ ΡΡΠΎΡΠ½ΠΎΡΠ½ΡΠΌ ΡΠΎΡΠΌΠΎΠ·ΠΎΠΌ, ΠΏΡΠΈ Π³ΠΎΡΠΈΠ·ΠΎΠ½ΡΠ°Π»ΡΠ½ΠΎΠΌ ΡΠ°ΡΠΏΠΎΠ»ΠΎΠΆΠ΅Π½ΠΈΠΈ ΠΊΠΎΡΠΎΡΠΎΠ³ΠΎ ΠΎΠ±Π΅ ΡΠΈΡΡΠ΅ΠΌΡ Π½Π°Ρ ΠΎΠ΄ΡΡΡΡ Π² Π½Π΅Π°ΠΊΡΠΈΠ²Π½ΠΎΠΌ ΡΠΎΡΡΠΎΡΠ½ΠΈΠΈ, Π° Π΅Π³ΠΎ Π²Π΅ΡΡΠΈΠΊΠ°Π»ΡΠ½ΠΎΠ΅ ΠΏΠΎΠ»ΠΎΠΆΠ΅Π½ΠΈΠ΅ Π²ΡΠ·ΡΠ²Π°Π΅Ρ ΡΠ°Π±ΠΎΡΡ ΡΡΠΎΡΠ½ΠΎΡΠ½ΠΎΠ³ΠΎ ΡΠΎΡΠΌΠΎΠ·Π°. ΠΡΠ±ΠΎΠ΅ ΠΏΡΠΎΠΌΠ΅ΠΆΡΡΠΎΡΠ½ΠΎΠ΅ ΡΠ°ΡΠΏΠΎΠ»ΠΎΠΆΠ΅Π½ΠΈΠ΅ ΡΠΊΠ°Π·Π°Π½Π½ΠΎΠΉ Π΄Π΅ΡΠ°Π»ΠΈ Π·Π°Π΄Π΅ΠΉΡΡΠ²ΡΠ΅Ρ Π·Π°ΠΏΠ°ΡΠ½ΡΡ ΡΠΎΡΠΌΠΎΠ·Π½ΡΡ ΡΠΈΡΡΠ΅ΠΌΡ.
Π Π°Π±ΠΎΡΠ° Π²ΡΠΏΠΎΠΌΠΎΠ³Π°ΡΠ΅Π»ΡΠ½ΠΎΠΉ ΡΠΎΡΠΌΠΎΠ·Π½ΠΎΠΉ ΡΠΈΡΡΠ΅ΠΌΡ ΠΠ°ΠΌΠΠΠ° ΠΎΡΠ½ΠΎΠ²ΡΠ²Π°Π΅ΡΡΡ Π½Π° ΡΠ½Π΅ΡΠ³ΠΈΠΈ, ΡΠΊΠ°ΡΡΠ²Π°ΡΡΠ΅ΠΉΡΡ ΠΏΠΎΠ΄ ΡΠΊΠ»ΠΎΠ½ΠΎΠΌ ΠΌΠ°ΡΠΈΠ½Ρ, Π° Π΄Π»Ρ ΡΠΎΡΠΌΠΎΠΆΠ΅Π½ΠΈΡ Π·Π°Π΄Π΅ΠΉΡΡΠ²ΡΠ΅ΡΡΡ ΡΠΈΠ»ΠΎΠ²ΠΎΠΉ Π°Π³ΡΠ΅Π³Π°Ρ ΡΡΠ°Π½ΡΠΏΠΎΡΡΠ½ΠΎΠ³ΠΎ ΡΡΠ΅Π΄ΡΡΠ²Π° (ΡΠΎΡΠΌΠΎΠΆΠ΅Π½ΠΈΠ΅ Π΄Π²ΠΈΠ³Π°ΡΠ΅Π»Π΅ΠΌ). ΠΠ΅ΡΠΌΠΎΡΡΡ Π½Π° ΡΠΎ, ΡΡΠΎ Π·Π²ΡΡΠΈΡ Π²ΡΠ΅ ΡΡΠΎ Π΄ΠΎΡΡΠ°ΡΠΎΡΠ½ΠΎ Π·Π°ΠΏΡΡΠ°Π½Π½ΠΎ, ΠΏΡΠΈΠ½ΡΠΈΠΏ ΡΠ°Π±ΠΎΡΡ Π·Π΄Π΅ΡΡ Π½Π΅ΡΠ»ΠΎΠΆΠ½ΡΠΉ.
ΠΠΎΠ³Π΄Π° Π²ΠΎΠ΄ΠΈΡΠ΅Π»Ρ
Π½Π°ΠΆΠΈΠΌΠ°Π΅Ρ ΡΠΏΠ΅ΡΠΈΠ°Π»ΡΠ½ΡΡ ΠΊΠ½ΠΎΠΏΠΊΡ (ΠΎΠ½Π° Π½Π°Ρ
ΠΎΠ΄ΠΈΡΡΡ Π½Π° ΠΏΠΎΠ»Ρ, Π²ΠΎΠ·Π»Π΅ ΡΡΠ»Π΅Π²ΠΎΠΉ ΠΊΠΎΠ»ΠΎΠ½ΠΊΠΈ), ΡΠΆΠ°ΡΡΠΉ Π²ΠΎΠ·Π΄ΡΡ
ΠΎΡ ΡΡΠΎΠΉΠ½ΠΎΠ³ΠΎ (Π·Π°ΡΠΈΡΠ½ΠΎΠ³ΠΎ) ΠΊΠ»Π°ΠΏΠ°Π½Π° ΠΏΠ΅ΡΠ΅ΠΌΠ΅ΡΠ°Π΅ΡΡΡ Π² ΡΠΎΡΠΌΠΎΠ·Π½ΡΠ΅
ΡΠΈΠ»ΠΈΠ½Π΄ΡΡ, ΡΠΏΡΠ°Π²Π»ΡΡΡΠΈΠ΅ΡΡ Π΄ΡΠΎΡΡΠ΅Π»ΡΠΌΠΈ,
ΠΊΠΎΡΠΎΡΡΠ΅ ΠΏΠ΅ΡΠ΅ΠΊΡΡΠ²Π°ΡΡ ΠΏΡΡΡ ΠΎΡΡΠ°Π±ΠΎΡΠ°Π½Π½ΡΠΌ Π³Π°Π·Π°ΠΌ. Π ΡΡΠΎΡ ΠΌΠΎΠΌΠ΅Π½Ρ ΠΏΡΠ΅ΠΊΡΠ°ΡΠ°Π΅ΡΡΡ ΠΈ
ΠΏΠΎΠ΄Π°ΡΠ° ΡΠΎΠΏΠ»ΠΈΠ²Π°, Π° ΠΌΠΎΡΠΎΡ Π½Π°ΡΠΈΠ½Π°Π΅Ρ Π²ΡΠΏΠΎΠ»Π½ΡΡΡ ΠΎΠ±ΡΠ·Π°Π½Π½ΠΎΡΡΠΈ ΠΊΠΎΠΌΠΏΡΠ΅ΡΡΠΎΡΠ°: Π΄Π°Π²Π»Π΅Π½ΠΈΠ΅
ΠΎΡΡΠ°Π±ΠΎΡΠ°Π½Π½ΡΡ
Π³Π°Π·ΠΎΠ² Π²ΠΎΠ·Π΄Π΅ΠΉΡΡΠ²ΡΠ΅Ρ Π½Π° ΠΊΠΎΠ»ΠΎΠ΄ΠΊΠΈ ΠΈ Π±Π°ΡΠ°Π±Π°Π½ ΠΠ°ΠΌΠΠΠ°, Π·Π° ΡΡΠ΅Ρ ΡΠ΅Π³ΠΎ ΠΈ
ΠΏΡΠΎΠΈΡΡ
ΠΎΠ΄ΠΈΡ ΡΠΎΡΠΌΠΎΠΆΠ΅Π½ΠΈΠ΅.
ΠΠΎΠΌΠΈΠΌΠΎ ΠΎΠΏΠΈΡΠ°Π½Π½ΡΡ ΡΠΎΡΠΌΠΎΠ·Π½ΡΡ ΡΠΈΡΡΠ΅ΠΌ Π³ΡΡΠ·ΠΎΠ²ΠΈΠΊΠΎΠ², Π² Π½ΠΈΡ ΡΠ°ΠΊΠΆΠ΅ ΠΏΡΠ΅Π΄ΡΡΠΌΠΎΡΡΠ΅Π½Π° ΡΠΈΡΡΠ΅ΠΌΠ° Π°Π²Π°ΡΠΈΠΉΠ½ΠΎΠ³ΠΎ ΡΠ°ΡΡΠΎΡΠΌΠΎΠΆΠ΅Π½ΠΈΡ, ΠΊΠΎΡΠΎΡΠ°Ρ ΠΎΠ±Π΅ΡΠΏΠ΅ΡΠΈΠ²Π°Π΅Ρ ΡΠΆΠ°ΡΠΈΠ΅ ΡΠ½Π΅ΡΠ³ΠΎΠ°ΠΊΠΊΡΠΌΡΠ»ΡΡΠΎΡΠ½ΡΡ ΠΏΡΡΠΆΠΈΠ½, ΡΡΠ°Π±Π°ΡΡΠ²Π°ΡΡΠΈΡ ΠΏΡΠΈ ΠΏΡΠΈΠΌΠ΅Π½Π΅Π½ΠΈΠΈ ΡΡΠΎΡΠ½ΠΎΡΠ½ΠΎΠ³ΠΎ ΠΈΠ»ΠΈ Π·Π°ΠΏΠ°ΡΠ½ΠΎΠ³ΠΎ ΡΠΎΡΠΌΠΎΠ·Π°. ΠΠ»Ρ ΡΠΎΠ³ΠΎ ΡΡΠΎΠ±Ρ Π·Π°Π΄Π΅ΠΉΡΡΠ²ΠΎΠ²Π°ΡΡ ΠΈΠΌΠ΅Π½Π½ΠΎ ΡΡΡ ΡΠΈΡΡΠ΅ΠΌΡ, Π½ΡΠΆΠ½ΠΎ Π½Π°ΠΆΠ°ΡΡ Π½Π° ΠΊΠ½ΠΎΠΏΠΊΡ, ΡΠ°ΡΠΏΠΎΠ»ΠΎΠΆΠ΅Π½Π½ΡΡ Π½Π° ΠΏΡΠΈΠ±ΠΎΡΠ½ΠΎΠΉ ΠΏΠ°Π½Π΅Π»ΠΈ, ΠΈΠ»ΠΈ ΠΆΠ΅ ΠΎΡΠΊΡΡΡΠΈΡΡ ΡΠΏΠ΅ΡΠΈΠ°Π»ΡΠ½ΡΠ΅ Π°Π²Π°ΡΠΈΠΉΠ½ΡΠ΅ Π²ΠΈΠ½ΡΡ ΠΏΡΡΠΆΠΈΠ½ ΡΠ½Π΅ΡΠ³ΠΎΠ°ΠΊΠΊΡΠΌΡΠ»ΡΡΠΎΡΠΎΠ² (ΠΌΠ΅Ρ Π°Π½ΠΈΡΠ΅ΡΠΊΠΈΠΉ ΡΠΏΠΎΡΠΎΠ± Π°ΠΊΡΠΈΠ²Π°ΡΠΈΠΈ Π°Π²Π°ΡΠΈΠΉΠ½ΠΎΠ³ΠΎ ΡΠ°ΡΡΠΎΡΠΌΠ°ΠΆΠΈΠ²Π°Π½ΠΈΡ).
Π‘ΡΠΎΡΠ½ΠΎΡΠ½ΡΠΉ, Π·Π°ΠΏΠ°ΡΠ½ΠΎΠΉ ΠΈ ΡΠ°Π±ΠΎΡΠΈΠΉ ΡΠΎΡΠΌΠΎΠ·Π° ΠΈΡΠΏΠΎΠ»ΡΠ·ΡΡΡΡΡ Π΄Π»Ρ ΡΠΏΡΠ°Π²Π»Π΅Π½ΠΈΡ ΡΠΎΡΠΌΠΎΠ·Π½ΡΠΌΠΈ ΠΌΠ΅Ρ Π°Π½ΠΈΠ·ΠΌΠ°ΠΌΠΈ Π½Π° Π²ΡΠ΅Ρ ΠΊΠΎΠ»Π΅ΡΠ°Ρ Π³ΡΡΠ·ΠΎΠ²ΠΈΠΊΠ°. Π ΡΠ²ΠΎΡ ΠΎΡΠ΅ΡΠ΅Π΄Ρ, ΡΡΠΈ ΠΌΠ΅Ρ Π°Π½ΠΈΠ·ΠΌΡ Π·Π°Π΄Π΅ΠΉΡΡΠ²ΡΡΡΡΡ Ρ ΠΏΠΎΠΌΠΎΡΡΡ ΡΠΎΡΠΌΠΎΠ·Π½ΡΡ ΠΊΠ°ΠΌΠ΅Ρ ΡΠΈΠΏΠ° 24, ΡΠ°Π·ΠΌΠ΅ΡΠ΅Π½Π½ΡΡ Π½Π° ΠΏΠ΅ΡΠ΅Π΄Π½Π΅ΠΉ ΠΎΡΠΈ, ΠΈ Π°Π½Π°Π»ΠΎΠ³ΠΈΡΠ½ΡΡ Π΄Π΅ΡΠ°Π»Π΅ΠΉ ΡΠΈΠΏΠ° 20, ΠΊΠΎΡΠΎΡΡΠ΅ Π½Π°Ρ ΠΎΠ΄ΡΡΡΡ Π½Π° ΡΡΠ΅Π΄Π½Π΅ΠΌ ΠΈ Π·Π°Π΄Π½Π΅ΠΌ ΠΌΠΎΡΡΠ°Ρ (ΠΏΡΠ΅Π΄ΡΡΠ°Π²Π»ΡΡΡ ΡΠΎΠ±ΠΎΠΉ Π΅Π΄ΠΈΠ½ΠΎΠ΅ ΡΠ΅Π»ΠΎΠ΅ Ρ ΠΏΡΡΠΆΠΈΠ½Π½ΡΠΌΠΈ ΡΠ½Π΅ΡΠ³ΠΎΠ°ΠΊΠΊΡΠΌΡΠ»ΡΡΠΎΡΠ°ΠΌΠΈ).
Π ΠΏΡΠΎΡΠ΅ΡΡΠ΅ Π΄Π²ΠΈΠΆΠ΅Π½ΠΈΡ ΠΠ°ΠΌΠΠΠ°, ΠΏΠΎΠ΄ Π²ΠΎΠ·Π΄Π΅ΠΉΡΡΠ²ΠΈΠ΅ΠΌ Π΄Π°Π²Π»Π΅Π½ΠΈΡ Π²ΠΎΠ·Π΄ΡΡ Π°, ΡΠΈΠ»ΠΎΠ²ΡΠ΅ ΠΏΡΡΠΆΠΈΠ½Ρ ΡΠ½Π΅ΡΠ³ΠΎΠ°ΠΊΠΊΡΠΌΡΠ»ΡΡΠΎΡΠΎΠ² ΠΏΡΠ΅Π±ΡΠ²Π°ΡΡ Π² ΡΠΆΠ°ΡΠΎΠΌ ΡΠΎΡΡΠΎΡΠ½ΠΈΠΈ, Π½ΠΎ ΠΊΠ°ΠΊ ΡΠΎΠ»ΡΠΊΠΎ Π² ΡΠΈΠ»ΠΈΠ½Π΄ΡΡ ΠΏΠΎΠΏΠ°Π΄Π°Π΅Ρ Π²ΠΎΠ·Π΄ΡΡ , ΠΎΠ½ΠΈ Π°ΠΊΡΠΈΠ²ΠΈΠ·ΠΈΡΡΡΡ ΡΠ°Π±ΠΎΡΡ ΡΠΎΡΠΌΠΎΠ·Π½ΡΡ ΠΌΠ΅Ρ Π°Π½ΠΈΠ·ΠΌΠΎΠ² ΠΊΠΎΠ»Π΅Ρ Π·Π°Π΄Π½Π΅ΠΉ ΡΠ΅Π»Π΅ΠΆΠΊΠΈ.
ΠΠ½ΡΠ΅ΡΠ΅ΡΠ½ΡΠΉ ΡΠ°ΠΊΡ! Π Π·Π°Π²ΠΈΡΠΈΠΌΠΎΡΡΠΈ ΠΎΡ ΠΌΠΎΠ΄Π΅Π»ΠΈ, ΠΠ°ΠΌΠΠΡ ΠΌΠΎΠ³ΡΡ Π²Π΅ΡΠΈΡΡ ΠΎΡ 5 Π΄ΠΎ 8 ΡΠΎΠ½Π½, Π° Π΅ΡΠ»ΠΈ ΠΊ Π°Π²ΡΠΎΠΌΠΎΠ±ΠΈΠ»Ρ ΠΏΡΠΈΠ»Π°Π³Π°Π΅ΡΡΡ ΠΏΡΠΈΡΠ΅ΠΏ, ΡΠΎΠ³Π΄Π° ΠΎΠ±ΡΠΈΠΉ Π²Π΅Ρ Π΄ΠΎΡΡΠΈΠ³Π°Π΅Ρ 10-15 ΡΠΎΠ½Π½.
ΠΡΠ½ΠΎΠ²Π½ΡΠ΅ ΠΏΡΠΈΡΠΈΠ½Ρ Π½Π΅ΠΈΡΠΏΡΠ°Π²Π½ΠΎΡΡΠΈ ΡΠΎΡΠΌΠΎΠ·Π½ΠΎΠΉ ΡΠΈΡΡΠ΅ΠΌΡ
Π ΠΎΡΠ½ΠΎΠ²Π½ΡΠΌ ΠΏΡΠΈΡΠΈΠ½Π°ΠΌ Π½Π΅ΠΈΡΠΏΡΠ°Π²Π½ΠΎΡΡΠ΅ΠΉ ΡΠΎΡΠΌΠΎΠ·Π½ΠΎΠΉ ΡΠΈΡΡΠ΅ΠΌΡ ΠΠ°ΠΌΠΠΠ° ΠΌΠΎΠΆΠ½ΠΎ ΠΎΡΠ½Π΅ΡΡΠΈ Π½Π΅ ΠΎΠ΄Π½ΠΎ Π΄Π΅ΠΉΡΡΠ²ΠΈΠ΅, Π½ΠΎ Π½Π°ΠΈΠ±ΠΎΠ»Π΅Π΅ ΡΠ°ΡΠΏΡΠΎΡΡΡΠ°Π½Π΅Π½Π½ΡΠΌΠΈ ΡΠ²Π»ΡΡΡΡΡ ΡΠ»Π΅Π΄ΡΡΡΠΈΠ΅: ΡΠ°Π±ΠΎΡΠΈΠΉ ΠΎΡΠΊΠ°Π· ΠΏΠ½Π΅Π²ΠΌΠΎΡΠΈΡΡΠ΅ΠΌΡ, Π½Π°ΡΡΡΠ΅Π½ΠΈΠ΅ ΡΠ΅Π³ΡΠ»ΠΈΡΠΎΠ²ΠΎΠΊ, ΡΡΠ΅ΡΠΊΠΈ ΡΠΆΠ°ΡΠΎΠ³ΠΎ Π²ΠΎΠ·Π΄ΡΡ Π° ΠΈΠ· ΠΏΠ½Π΅Π²ΠΌΠΎΠΏΡΠΈΠ²ΠΎΠ΄Π° Π²ΡΠ»Π΅Π΄ΡΡΠ²ΠΈΠ΅ ΠΎΡΡΡΡΡΡΠ²ΠΈΡ Π³Π΅ΡΠΌΠ΅ΡΠΈΡΠ½ΠΎΡΡΠΈ Π² ΠΌΠ΅ΡΡΠ°Ρ ΡΠΎΠ΅Π΄ΠΈΠ½Π΅Π½ΠΈΡ Π³ΠΈΠ±ΠΊΠΈΡ ΡΠ»Π°Π½Π³ΠΎΠ² ΠΈ ΡΡΡΠ±ΠΎΠΏΡΠΎΠ²ΠΎΠ΄ΠΎΠ², ΠΎ ΡΠ΅ΠΌ ΡΠ²ΠΈΠ΄Π΅ΡΠ΅Π»ΡΡΡΠ²ΡΡΡ ΡΠ²Π΅ΡΡΡΠΈΠ΅ΡΡ Π»Π°ΠΌΠΏΡ ΠΏΡΠ΅Π΄ΡΠΏΡΠ΅Π΄ΠΈΡΠ΅Π»ΡΠ½ΡΡ ΡΠΈΠ³Π½Π°Π»ΠΎΠ² ΠΈ Π·ΡΠΌΠΌΠ΅Ρ.
ΠΠΎΠΌΠΈΠΌΠΎ ΡΡΠΎΠ³ΠΎ, ΡΡΠ΅Π΄ΠΈ ΠΏΡΠΈΡΠΈΠ½ ΠΏΠΎΡΠ²Π»Π΅Π½ΠΈΡ Π½Π΅ΠΈΡΠΏΡΠ°Π²Π½ΠΎΡΡΠ΅ΠΉ Π² ΡΠ°Π±ΠΎΡΠ΅ ΡΠΎΡΠΌΠΎΠ·Π½ΡΡ ΡΠΈΡΡΠ΅ΠΌ ΠΠ°ΠΌΠΠΠ° ΡΠ°ΠΊΠΆΠ΅ ΡΡΠΎΠΈΡ Π²ΡΠ΄Π΅Π»ΠΈΡΡ Π½Π΅ΠΏΡΠ°Π²ΠΈΠ»ΡΠ½ΠΎ ΠΎΡΡΠ΅Π³ΡΠ»ΠΈΡΠΎΠ²Π°Π½Π½ΡΠΉ ΡΠ΅Π³ΡΠ»ΡΡΠΎΡ Π΄Π°Π²Π»Π΅Π½ΠΈΡ, Π·Π°ΡΠΎΡΠ΅Π½ΠΈΠ΅ ΡΡΡΠ±ΠΎΠΏΡΠΎΠ²ΠΎΠ΄ΠΎΠ² Π½Π° ΡΡΠ°ΡΡΠΊΠ΅ ΠΌΠ΅ΠΆΠ΄Ρ ΡΠ΅Π³ΡΠ»ΡΡΠΎΡΠΎΠΌ Π΄Π°Π²Π»Π΅Π½ΠΈΡ ΠΈ Π±Π»ΠΎΠΊΠΎΠΌ Π·Π°ΡΠΈΡΠ½ΡΡ ΠΊΠ»Π°ΠΏΠ°Π½ΠΎΠ², Π½Π΅ΠΈΡΠΏΡΠ°Π²Π½ΡΠΉ Π΄Π²ΠΎΠΉΠ½ΠΎΠΉ Π·Π°ΡΠΈΡΠ½ΡΠΉ ΠΊΠ»Π°ΠΏΠ°Π½, Π΄Π΅ΡΠΎΡΠΌΠΈΡΠΎΠ²Π°Π½ΠΈΠ΅ Π΅Π³ΠΎ ΠΊΠΎΡΠΏΡΡΠ°, ΠΊΠ°ΠΊ ΡΠ΅Π·ΡΠ»ΡΡΠ°Ρ ΡΡΠ΅Π·ΠΌΠ΅ΡΠ½ΠΎΠΉ Π·Π°ΡΡΠΆΠΊΠΈ ΠΊΡΠ΅ΠΏΠ΅ΠΆΠ½ΡΡ ΡΠ»Π΅ΠΌΠ΅Π½ΡΠΎΠ², Π½Π΅ΠΏΠΎΠ»Π°Π΄ΠΊΠΈ Π² ΡΠ°Π±ΠΎΡΠ΅ ΡΡΠΎΠΉΠ½ΠΎΠ³ΠΎ Π·Π°ΡΠΈΡΠ½ΠΎΠ³ΠΎ ΠΊΠ»Π°ΠΏΠ°Π½Π° ΠΈΠ»ΠΈ Π·Π°ΡΠΎΡΠ΅Π½ΠΈΠ΅ ΠΏΠΈΡΠ°ΡΡΠΈΡ ΡΡΡΠ±ΠΎΠΏΡΠΎΠ²ΠΎΠ΄ΠΎΠ².
Π’Π°ΠΊΠΆΠ΅ Π½Π΅ ΡΡΠΎΠΈΡ ΡΠ±ΡΠ°ΡΡΠ²Π°ΡΡ ΡΠΎ ΡΡΠ΅ΡΠΎΠ² Π²ΠΎΠ·ΠΌΠΎΠΆΠ½ΠΎΡΡΡ Π½Π΅ΠΈΡΠΏΡΠ°Π²Π½ΠΎΡΡΠΈ Π΄Π²ΡΡ ΡΡΡΠ΅Π»ΠΎΡΠ½ΠΎΠ³ΠΎ ΠΌΠ°Π½ΠΎΠΌΠ΅ΡΡΠ°, ΡΠΎΡΠΌΠΎΠ·Π½ΠΎΠ³ΠΎ ΠΊΡΠ°Π½Π°, Π½Π°ΡΡΡΠ΅Π½ΠΈΠ΅ ΡΠ΅Π³ΡΠ»ΠΈΡΠΎΠ²ΠΊΠΈ ΡΠ΅Π³ΡΠ»ΡΡΠΎΡΠ° Π΄Π°Π²Π»Π΅Π½ΠΈΡ, ΠΏΡΠ΅Π²ΡΡΠ΅Π½ΠΈΠ΅ Π΄ΠΎΠΏΡΡΡΠΈΠΌΠΎΠΉ Π²Π΅Π»ΠΈΡΠΈΠ½Ρ Ρ ΠΎΠ΄Π° ΡΡΠΎΠΊΠΎΠ² ΡΠΎΡΠΌΠΎΠ·Π½ΡΡ ΠΊΠ°ΠΌΠ΅Ρ ΠΈ Π½Π΅ΠΈΡΠΏΡΠ°Π²Π½ΠΎΡΡΡ ΡΡΠΊΠΎΡΠΈΡΠ΅Π»ΡΠ½ΠΎΠ³ΠΎ ΠΊΠ»Π°ΠΏΠ°Π½Π° ΠΈΠ»ΠΈ ΠΊΡΠ°Π½Π°, ΡΠΏΡΠ°Π²Π»ΡΡΡΠ΅Π³ΠΎ ΡΡΠΎΡΠ½ΠΎΡΠ½ΡΠΌ ΡΠΎΡΠΌΠΎΠ·ΠΎΠΌ. ΠΡΠΎΠΌΠ΅ ΡΠΎΠ³ΠΎ, Π²ΠΏΠΎΠ»Π½Π΅ Π²Π΅ΡΠΎΡΡΠ½ΠΎ, ΡΡΠΎ ΠΏΡΠΎΠ±Π»Π΅ΠΌΠ° ΠΊΡΠΎΠ΅ΡΡΡ Π² Π½Π΅ΠΈΡΠΏΡΠ°Π²Π½ΠΎΡΡΠΈ ΠΏΡΡΠΆΠΈΠ½Π½ΡΡ ΡΠ½Π΅ΡΠ³ΠΎΠ°ΠΊΠΊΡΠΌΡΠ»ΡΡΠΎΡΠΎΠ², ΡΠΎΡΠΌΠΎΠ·Π½ΡΡ ΠΌΠ΅Ρ Π°Π½ΠΈΠ·ΠΌΠΎΠ² Π·Π°Π΄Π½Π΅ΠΉ ΡΠ΅Π»Π΅ΠΆΠΊΠΈ ΠΈΠ»ΠΈ Π½Π΅Π²Π΅ΡΠ½ΠΎΠΉ ΡΠ΅Π³ΡΠ»ΠΈΡΠΎΠ²ΠΊΠ΅ ΠΏΡΠΈΠ²ΠΎΠ΄Π° ΡΠ΅Π³ΡΠ»ΡΡΠΎΡΠ° ΡΠΎΡΠΌΠΎΠ·Π½ΡΡ ΡΠΈΠ».
ΠΠ°ΠΆΠ½ΠΎ!
ΠΠΎΠ·ΠΌΠΎΠΆΠ½ΡΠ΅ Π½Π΅ΠΈΡΠΏΡΠ°Π²Π½ΠΎΡΡΠΈ ΡΠΎΡΠΌΠΎΠ·Π½ΠΎΠΉ ΡΠΈΡΡΠ΅ΠΌΡ ΠΈ ΠΈΡ ΡΡΡΡΠ°Π½Π΅Π½ΠΈΠ΅
ΠΡΠ°Π²ΠΈΠ»ΡΠ½ΠΎΠ΅ ΠΎΠΏΡΠ΅Π΄Π΅Π»Π΅Π½ΠΈΠ΅ ΠΏΡΠΈΡΠΈΠ½Ρ Π½Π΅ΠΈΡΠΏΡΠ°Π²Π½ΠΎΡΡΠΈ β ΡΡΠΎ ΠΏΠΎΠ»ΠΎΠ²ΠΈΠ½Π° Π΄Π΅Π»Π° Π½Π° ΠΏΡΡΠΈ ΠΊ ΡΡΠΏΠ΅ΡΠ½ΠΎΠΌΡ ΡΠ΅ΠΌΠΎΠ½ΡΡ ΡΠΎΡΠΌΠΎΠ·Π½ΠΎΠΉ ΡΠΈΡΡΠ΅ΠΌΡ ΠΠ°ΠΌΠΠΠ°. ΠΠΎ Π½ΡΠΆΠ½ΠΎ Π΅ΡΠ΅ ΠΏΠΎΠ½ΠΈΠΌΠ°ΡΡ, ΡΡΠΎ ΠΈ ΠΊΠ°ΠΊ ΡΠ΅ΠΌΠΎΠ½ΡΠΈΡΠΎΠ²Π°ΡΡ. Π’Π°ΠΊ, Π½Π°ΠΏΡΠΈΠΌΠ΅Ρ, Π΅ΡΠ»ΠΈ Π½Π΅ Π·Π°ΠΏΠΎΠ»Π½ΡΡΡΡΡ (ΠΈΠ»ΠΈ Π·Π°ΠΏΠΎΠ»Π½ΡΡΡΡΡ ΠΎΡΠ΅Π½Ρ ΠΌΠ΅Π΄Π»Π΅Π½Π½ΠΎ) ΡΠ΅ΡΠΈΠ²Π΅ΡΡ ΠΏΠ½Π΅Π²ΠΌΠΎΡΠΈΡΡΠ΅ΠΌΡ, Π·Π½Π°ΡΠΈΡ, Π½Π΅ΠΎΠ±Ρ ΠΎΠ΄ΠΈΠΌΠΎ Π·Π°ΠΌΠ΅Π½ΠΈΡΡ ΡΠ°ΠΌ ΡΠ΅ΡΠΈΠ²Π΅Ρ, ΠΎΠ±Π΅ΡΠΏΠ΅ΡΠΈΡΡ Π³Π΅ΡΠΌΠ΅ΡΠΈΡΠ½ΠΎΡΡΡ ΡΠΎΠ΅Π΄ΠΈΠ½Π΅Π½ΠΈΠΉ ΠΈ ΠΎΡΡΠ΅Π³ΡΠ»ΠΈΡΠΎΠ²Π°ΡΡ ΡΠ΅Π³ΡΠ»ΡΡΠΎΡ Π΄Π°Π²Π»Π΅Π½ΠΈΡ.
ΠΡΠ»ΠΈ ΠΆΠ΅ ΠΏΡΠΈ Π·Π°ΠΏΠΎΠ»Π½Π΅Π½Π½ΠΎΠΉ ΠΏΠ½Π΅Π²ΠΌΠΎΡΠΈΡΡΠ΅ΠΌΠ΅ ΠΠ°ΠΌΠΠΠ° ΡΠ°ΡΡΠΎ ΡΡΠ°Π±Π°ΡΡΠ²Π°Π΅Ρ ΡΠ΅Π³ΡΠ»ΡΡΠΎΡ Π΄Π°Π²Π»Π΅Π½ΠΈΡ, ΡΠΎ ΡΡΡ Π²ΠΎΠΏΡΠΎΡΡ ΠΏΠΎΡΠ²Π»ΡΡΡΡΡ ΠΊ Π³Π΅ΡΠΌΠ΅ΡΠΈΡΠ½ΠΎΡΡΠΈ ΠΌΠ°Π³ΠΈΡΡΡΠ°Π»ΠΈ Π½Π° ΡΡΠ°ΡΡΠΊΠ΅ ΠΌΠ΅ΠΆΠ΄Ρ ΡΠ΅Π³ΡΠ»ΡΡΠΎΡΠΎΠΌ Π΄Π°Π²Π»Π΅Π½ΠΈΡ ΠΈ Π±Π»ΠΎΠΊΠΎΠΌ Π·Π°ΡΠΈΡΠ½ΡΡ ΠΊΠ»Π°ΠΏΠ°Π½ΠΎΠ² ΠΈΠ»ΠΈ Π² ΠΊΠΎΠ½ΡΡΡΠ°Ρ I ΠΈ II, ΡΠ°ΡΠΏΠΎΠ»ΠΎΠΆΠ΅Π½Π½ΡΡ ΠΏΠΎΡΠ»Π΅ ΡΠΎΡΠΌΠΎΠ·Π½ΠΎΠ³ΠΎ ΠΊΡΠ°Π½Π°. Π ΡΡΠΎΠΌ ΡΠ»ΡΡΠ°Π΅ Π΄ΠΎΡΡΠ°ΡΠΎΡΠ½ΠΎ ΡΡΡΡΠ°Π½ΠΈΡΡ ΠΎΠ±ΡΠ°Π·ΠΎΠ²Π°Π²ΡΡΡΡΡ ΡΠ΅ΡΡ.
Π’Π°ΠΊΠΆΠ΅ Π½Π΅ΠΈΡΠΏΡΠ°Π²Π½ΠΎΡΡΡ ΡΠΎΡΠΌΠΎΠ·Π½ΠΎΠΉ ΡΠΈΡΡΠ΅ΠΌΡ Π½Π΅ΡΠ΅Π΄ΠΊΠΎ Π²ΡΡΠ°ΠΆΠ°Π΅ΡΡΡ Π² Π½Π΅ΡΡΡΠ΅ΠΊΡΠΈΠ²Π½ΠΎΠΌ ΡΠΎΡΠΌΠΎΠΆΠ΅Π½ΠΈΠΈ ΠΈΠ»ΠΈ Π΅Π³ΠΎ ΠΎΡΡΡΡΡΡΠ²ΠΈΠΈ ΠΏΡΠΈ ΠΏΠΎΠ»Π½ΠΎΡΡΡΡ Π·Π°ΠΆΠ°ΡΠΎΠΉ ΠΏΠ΅Π΄Π°Π»ΠΈ.
Π Π΅ΡΠ΅Π½ΠΈΠ΅ΠΌ ΠΏΡΠΎΠ±Π»Π΅ΠΌΡ ΠΌΠΎΠΆΠ΅Ρ ΡΡΠ°ΡΡ ΡΡΡΡΠ°Π½Π΅Π½ΠΈΠ΅ ΡΡΠ΅ΡΠΊΠΈ Π²ΠΎΠ·Π΄ΡΡ Π° Π² ΠΊΠΎΠ½ΡΡΡΠ°Ρ I ΠΈ II, Π½Π°Ρ ΠΎΠ΄ΡΡΠΈΡ ΡΡ ΠΏΠΎΡΠ»Π΅ ΡΠΎΡΠΌΠΎΠ·Π½ΠΎΠ³ΠΎ ΠΊΡΠ°Π½Π°.ΠΠ΅ΡΡΡΠ΅ΠΊΡΠΈΠ²Π½ΠΎΠ΅ ΡΠΎΡΠΌΠΎΠΆΠ΅Π½ΠΈΠ΅ ΠΈΠ»ΠΈ ΠΎΡΡΡΡΡΡΠ²ΠΈΠ΅ ΡΠΎΡΠΌΠΎΠΆΠ΅Π½ΠΈΡ Π·Π°ΠΏΠ°ΡΠ½ΠΎΠΉ ΠΈΠ»ΠΈ ΡΡΠΎΡΠ½ΠΎΡΠ½ΠΎΠΉ ΡΠΈΡΡΠ΅ΠΌ ΡΠ²ΠΈΠ΄Π΅ΡΠ΅Π»ΡΡΡΠ²ΡΠ΅Ρ ΠΎ ΠΏΡΠ΅Π²ΡΡΠ΅Π½ΠΈΠΈ Π΄ΠΎΠΏΡΡΡΠΈΠΌΠΎΠΉ Π²Π΅Π»ΠΈΡΠΈΠ½Ρ Ρ ΠΎΠ΄Π° ΡΡΠΎΠΊΠΎΠ² ΡΠΎΡΠΌΠΎΠ·Π½ΡΡ ΠΊΠ°ΠΌΠ΅Ρ, ΡΠ΅Π³ΡΠ»ΠΈΡΠΎΠ²ΠΊΠ° ΠΊΠΎΡΠΎΡΡΡ ΠΈΠ·Π±Π°Π²ΠΈΡ Π²Π°Ρ ΠΎΡ ΠΏΠΎΡΠ²ΠΈΠ²ΡΠΈΡ ΡΡ Π½Π΅ΠΏΡΠΈΡΡΠ½ΠΎΡΡΠ΅ΠΉ.
ΠΠΏΠΎΠ»Π½Π΅ Π²ΠΎΠ·ΠΌΠΎΠΆΠ΅Π½ ΠΈ ΡΠ°ΠΊΠΎΠΉ Π²Π°ΡΠΈΠ°Π½Ρ, ΠΊΠΎΠ³Π΄Π° ΠΏΡΠΈ ΠΌΠΎΠ½ΡΠ°ΠΆΠ΅ ΡΡΠΊΠΎΡΡΠΊΠΈ ΠΊΡΠ°Π½Π° ΡΠΏΡΠ°Π²Π»Π΅Π½ΠΈΡ ΡΡΠΎΡΠ½ΠΎΡΠ½ΠΎΠΉ ΡΠΈΡΡΠ΅ΠΌΠΎΠΉ Π² Π³ΠΎΡΠΈΠ·ΠΎΠ½ΡΠ°Π»ΡΠ½ΠΎΠ΅ ΠΏΠΎΠ»ΠΎΠΆΠ΅Π½ΠΈΠ΅, ΡΡΠ°Π½ΡΠΏΠΎΡΡΠ½ΠΎΠ΅ ΡΡΠ΅Π΄ΡΡΠ²ΠΎ Π½ΠΈΠΊΠ°ΠΊ Π½Π΅ ΡΠ°ΡΡΠΎΡΠΌΠ°ΠΆΠΈΠ²Π°Π΅ΡΡΡ. Π§Π°ΡΠ΅ Π²ΡΠ΅Π³ΠΎ ΡΡΠΎ ΡΠ΅Π·ΡΠ»ΡΡΠ°Ρ Π½Π°ΡΡΡΠ΅Π½ΠΈΡ ΡΠ΅Π³ΡΠ»ΠΈΡΠΎΠ²ΠΊΠΈ ΠΏΡΠΈΠ²ΠΎΠ΄Π° ΡΠΎΡΠΌΠΎΠ·Π½ΠΎΠ³ΠΎ ΠΊΡΠ°Π½Π°, ΠΈ Π΅Π³ΠΎ ΡΠ΅Π³ΡΠ»ΠΈΡΠΎΠ²ΠΊΠ° Π΄ΠΎΠ»ΠΆΠ½Π° ΡΡΡΡΠ°Π½ΠΈΡΡ ΡΠΊΠ°Π·Π°Π½Π½ΡΡ Π½Π΅ΠΈΡΠΏΡΠ°Π²Π½ΠΎΡΡΡ.
ΠΠ΅ ΠΌΠ΅Π½Π΅Π΅ ΡΠ°ΡΠΏΡΠΎΡΡΡΠ°Π½Π΅Π½Π½ΠΎΠΉ ΠΏΡΠΎΠ±Π»Π΅ΠΌΠΎΠΉ ΡΡΠΈΡΠ°Π΅ΡΡΡ ΠΈ ΠΎΡΡΡΡΡΡΠ²ΠΈΠ΅ ΡΠΎΡΠΌΠΎΠΆΠ΅Π½ΠΈΡ ΠΏΡΠΈ Π°ΠΊΡΠΈΠ²Π°ΡΠΈΠΈ Π²ΡΠΏΠΎΠΌΠΎΠ³Π°ΡΠ΅Π»ΡΠ½ΠΎΠΉ ΡΠΎΡΠΌΠΎΠ·Π½ΠΎΠΉ ΡΠΈΡΡΠ΅ΠΌΡ, ΡΡΠΎ ΡΠ²Π»ΡΠ΅ΡΡΡ ΡΠ΅Π·ΡΠ»ΡΡΠ°ΡΠΎΠΌ ΠΏΡΠ΅Π²ΡΡΠ΅Π½ΠΈΡ Π΄ΠΎΠΏΡΡΡΠΈΠΌΠΎΠΉ Π²Π΅Π»ΠΈΡΠΈΠ½Ρ Ρ ΠΎΠ΄Π° ΡΡΠΎΠΊΠΎΠ² ΡΠΎΡΠΌΠΎΠ·Π½ΡΡ ΠΊΠ°ΠΌΠ΅Ρ, ΡΡΠ΅ΡΠΊΠΈ Π²ΠΎΠ·Π΄ΡΡ Π° ΠΈΠ· ΠΏΠ°ΡΡΡΠ±ΠΊΠΎΠ² III-Π³ΠΎ ΠΊΠΎΠ½ΡΡΡΠ° ΠΈΠ»ΠΈ ΠΈΠ· Π°ΡΠΌΠΎΡΡΠ΅ΡΠ½ΠΎΠ³ΠΎ Π²ΡΠ²ΠΎΠ΄Π° ΡΡΠΊΠΎΡΠΈΡΠ΅Π»ΡΠ½ΠΎΠ³ΠΎ ΠΊΠ»Π°ΠΏΠ°Π½Π°. Π’Π°ΠΊΠΆΠ΅ Π²ΠΏΠΎΠ»Π½Π΅ Π²Π΅ΡΠΎΡΡΠ½ΠΎ, ΡΡΠΎ ΠΏΠΎΠ΄ΠΎΠ±Π½Π°Ρ Π½Π΅ΠΈΡΠΏΡΠ°Π²Π½ΠΎΡΡΡ Π²ΡΠ·Π²Π°Π½Π° Π·Π°Π΅Π΄Π°Π½ΠΈΠ΅ΠΌ Π·Π°ΡΠ»ΠΎΠ½ΠΎΠΊ ΠΌΠ΅Ρ Π°Π½ΠΈΠ·ΠΌΠΎΠ² Π²ΡΠΏΠΎΠΌΠΎΠ³Π°ΡΠ΅Π»ΡΠ½ΠΎΠΉ ΡΠΈΡΡΠ΅ΠΌΡ, Π»ΠΈΠ±ΠΎ ΡΡΠ΅ΡΠΊΠΎΠΉ Π²ΠΎΠ·Π΄ΡΡ Π° ΠΈΠ· ΠΌΠ°Π³ΠΈΡΡΡΠ°Π»ΠΈ Π²ΡΠΏΠΎΠΌΠΎΠ³Π°ΡΠ΅Π»ΡΠ½ΠΎΠΉ ΡΠΈΡΡΠ΅ΠΌΡ.
ΠΠ½Π°Π΅ΡΠ΅ Π»ΠΈ ΠΡ? ΠΠΎΠ»ΡΡΠ°Ρ ΠΌΠ°ΡΡΠ° Π³ΡΡΠ·ΠΎΠ²ΠΈΠΊΠΎΠ² ΠΠ°ΠΌΠΠ Π½Π΅ ΠΏΠΎΠΌΠ΅ΡΠ°Π»Π° ΠΈΠΌ Π΄Π΅ΡΡΡΡ ΡΠ°Π· ΠΏΠΎΠ±Π΅ΠΆΠ΄Π°ΡΡ Π² ΡΡΠ°Π½ΡΠΊΠΎΠ½ΡΠΈΠ½Π΅Π½ΡΠ°Π»ΡΠ½ΠΎΠΌ ΡΠ°Π»Π»ΠΈ ΠΠ°ΠΊΠ°Ρ. ΠΡΠΎ ΠΈ Π½Π΅ ΡΠ΄ΠΈΠ²ΠΈΡΠ΅Π»ΡΠ½ΠΎ, Π²Π΅Π΄Ρ ΠΈΠ·Π³ΠΎΡΠΎΠ²Π»Π΅Π½Π½ΡΠΉ Π½Π° ΠΎΡΠ½ΠΎΠ²Π΅ ΠΠ°ΠΌΠΠΠ° Π±ΡΠΎΠ½Π΅Π°Π²ΡΠΎΠΌΠΎΠ±ΠΈΠ»Ρ Β«Π’Π°ΠΉΡΡΠ½Β» ΡΠΏΠΎΡΠΎΠ±Π΅Π½ ΡΠ°Π·Π³ΠΎΠ½ΡΡΡΡΡ Π΄ΠΎ 80 ΠΊΠΌ/ΡΠ°Ρ, ΠΈ Π΄Π°ΠΆΠ΅ Π²ΡΠ΄Π΅ΡΠΆΠΈΠ²Π°Π΅Ρ ΠΎΡΡΡΠ² ΠΎΠ΄Π½ΠΎΠ³ΠΎ ΠΊΠΎΠ»Π΅ΡΠ° (ΡΠ°Π²Π½ΠΎΠ²Π΅ΡΠΈΠ΅ ΡΠΎΡ ΡΠ°Π½ΡΠ΅ΡΡΡ Π±Π»Π°Π³ΠΎΠ΄Π°ΡΡ ΡΠΏΠ΅ΡΠΈΠ°Π»ΡΠ½ΠΎΠΉ ΠΏΠΎΠ΄ΡΡΠΊΠ΅ Π±Π΅Π·ΠΎΠΏΠ°ΡΠ½ΠΎΡΡΠΈ).
ΠΠΎΠ΄ΠΏΠΈΡΡΠ²Π°ΠΉΡΠ΅ΡΡ Π½Π° Π½Π°ΡΠΈ Π»Π΅Π½ΡΡ Π² Facebook, ΠΠΊΠΎΠ½ΡΠ°ΠΊΡΠ΅ ΠΈ Instagram: Π²ΡΠ΅ ΡΠ°ΠΌΡΠ΅ ΠΈΠ½ΡΠ΅ΡΠ΅ΡΠ½ΡΠ΅ Π°Π²ΡΠΎΠΌΠΎΠ±ΠΈΠ»ΡΠ½ΡΠ΅ ΡΠΎΠ±ΡΡΠΈΡ Π² ΠΎΠ΄Π½ΠΎΠΌ ΠΌΠ΅ΡΡΠ΅.
ΠΡΠ»Π° Π»ΠΈ ΡΡΠ° ΡΡΠ°ΡΡΡ ΠΏΠΎΠ»Π΅Π·Π½Π°?
ΠΠ° ΠΠ΅Ρ
auto.today
Π’ΠΎΡΠΌΠΎΠ·Π½ΡΠ΅ ΡΠΈΡΡΠ΅ΠΌΡ | ΠΠΠ‘ | ΠΠ°ΠΌΠΠ 65115
ΠΠ° Π°Π²ΡΠΎΠΌΠΎΠ±ΠΈΠ»ΡΡ ΠΌΠΎΠΆΠ΅Ρ Π±ΡΡΡ ΡΡΡΠ°Π½ΠΎΠ²Π»Π΅Π½Π° 4-Ρ ΠΊΠ°Π½Π°Π»ΡΠ½Π°Ρ Π°Π½ΡΠΈΠ±Π»ΠΎΠΊΠΈΡΠΎΠ²ΠΎΡΠ½Π°Ρ ΡΠΈΡΡΠ΅ΠΌΠ° (ΠΠΠ‘) ΡΠΎΡΠΌΠΎΠ·ΠΎΠ² ΡΠΈΠΏΠ° 4S/4M (4 Π΄Π°ΡΡΠΈΠΊΠ° /4 ΠΌΠΎΠ΄ΡΠ»ΡΡΠΎΡΠ°) ΡΠΈΡΠΌ Wabco ΠΈΠ»ΠΈ Knorr Bremze (ΠΠ΅ΡΠΌΠ°Π½ΠΈΡ).
ΠΡΠ½ΠΎΠ²Π½ΠΎΠ΅ Π½Π°Π·Π½Π°ΡΠ΅Π½ΠΈΠ΅ ΡΠΈΡΡΠ΅ΠΌΡ — Π°Π²ΡΠΎΠΌΠ°ΡΠΈΡΠ΅ΡΠΊΠΎΠ΅ ΠΏΠΎΠ΄Π΄Π΅ΡΠΆΠ°Π½ΠΈΠ΅ ΠΎΠΏΡΠΈΠΌΠ°Π»ΡΠ½ΠΎΠ³ΠΎ ΡΠΎΡΠΌΠΎΠΆΠ΅Π½ΠΈΡ Π°Π²ΡΠΎΠΌΠΎΠ±ΠΈΠ»Ρ Π±Π΅Π· Π±Π»ΠΎΠΊΠΈΡΠΎΠ²ΠΊΠΈ (ΡΠ·Π°) ΠΊΠΎΠ»Π΅Ρ Π½Π΅Π·Π°Π²ΠΈΡΠΈΠΌΠΎ ΠΎΡ ΡΠΎΠ³ΠΎ, Π½Π° ΠΊΠ°ΠΊΠΎΠΉ Π΄ΠΎΡΠΎΠ³Π΅ ΠΏΡΠΎΠΈΡΡ ΠΎΠ΄ΠΈΡ ΡΠΎΡΠΌΠΎΠΆΠ΅Π½ΠΈΠ΅ — ΡΠΊΠΎΠ»ΡΠ·ΠΊΠΎΠΉ ΠΈΠ»ΠΈ ΡΡΡ ΠΎΠΉ.
ΠΠ»Π°Π³ΠΎΠ΄Π°ΡΡ ΡΡΠΎΠΌΡ Π°Π²ΡΠΎΠΌΠΎΠ±ΠΈΠ»ΠΈ ΠΏΡΠΈΠΎΠ±ΡΠ΅ΡΠ°ΡΡ ΡΡΠ΄ Π΄ΠΎΡΡΠΎΠΈΠ½ΡΡΠ²:
- ΠΏΠΎΠ²ΡΡΠ΅Π½ΠΈΠ΅ Π°ΠΊΡΠΈΠ²Π½ΠΎΠΉ Π±Π΅Π·ΠΎΠΏΠ°ΡΠ½ΠΎΡΡΠΈ Π·Π° ΡΡΠ΅Ρ ΠΎΠ±Π΅ΡΠΏΠ΅ΡΠ΅Π½ΠΈΡ ΡΡΡΠΎΠΉΡΠΈΠ²ΠΎΡΡΠΈ ΠΈ ΡΠΏΡΠ°Π²Π»ΡΠ΅ΠΌΠΎΡΡΠΈ Π² ΠΏΡΠΎΡΠ΅ΡΡΠ΅ ΡΠΎΡΠΌΠΎΠΆΠ΅Π½ΠΈΡ ΠΈ ΠΏΠΎΠ²ΡΡΠ΅Π½ΠΈΠ΅ ΡΠΎΡΠΌΠΎΠ·Π½ΠΎΠΉ ΡΡΡΠ΅ΠΊΡΠΈΠ²Π½ΠΎΡΡΠΈ Π°Π²ΡΠΎΠΌΠΎΠ±ΠΈΠ»Ρ, ΠΎΡΠΎΠ±Π΅Π½Π½ΠΎ Π½Π° ΠΌΠΎΠΊΡΡΡ ΠΈ ΡΠΊΠΎΠ»ΡΠ·ΠΊΠΈΡ Π΄ΠΎΡΠΎΠ³Π°Ρ ;
- ΠΏΡΠΎΠ΄Π»Π΅Π½ΠΈΠ΅ ΡΡΠΎΠΊΠ° ΡΠ»ΡΠΆΠ±Ρ ΡΠΈΠ½;
- Π²ΠΎΠ·ΠΌΠΎΠΆΠ½ΠΎΡΡΡ ΡΠ²Π΅Π»ΠΈΡΠ΅Π½ΠΈΡ ΡΡΠ΅Π΄Π½Π΅ΠΉ Π±Π΅Π·ΠΎΠΏΠ°ΡΠ½ΠΎΠΉ ΡΠΊΠΎΡΠΎΡΡΠΈ Π΄Π²ΠΈΠΆΠ΅Π½ΠΈΡ.
ΠΠΠ‘ ΡΠΎΡΡΠΎΠΈΡ ΠΈΠ· Π΄Π°ΡΡΠΈΠΊΠΎΠ² ΡΠ³Π»ΠΎΠ²ΠΎΠΉ ΡΠΊΠΎΡΠΎΡΡΠΈ Π²ΡΠ°ΡΠ΅Π½ΠΈΡ ΠΊΠΎΠ»Π΅Ρ, ΠΌΠΎΠ΄ΡΠ»ΡΡΠΎΡΠΎΠ² ΡΠΎΡΠΌΠΎΠ·Π½ΠΎΠ³ΠΎ Π΄Π°Π²Π»Π΅Π½ΠΈΡ, ΡΠ»Π΅ΠΊΡΡΠΎΠΌΠ°Π³Π½ΠΈΡΠ½ΠΎΠ³ΠΎ ΠΊΠ»Π°ΠΏΠ°Π½Π° ΠΎΡΠΊΠ»ΡΡΠ΅Π½ΠΈΡ Π²ΡΠΏΠΎΠΌΠΎΠ³Π°ΡΠ΅Π»ΡΠ½ΠΎΠ³ΠΎ ΡΠΎΡΠΌΠΎΠ·Π°, ΡΠ»Π΅ΠΊΡΡΠΎΠ½Π½ΠΎΠ³ΠΎ Π±Π»ΠΎΠΊΠ° ΡΠΏΡΠ°Π²Π»Π΅Π½ΠΈΡ, ΡΠ΅Π»Π΅, Π±Π»ΠΎΠΊΠ° ΠΏΡΠ΅Π΄ΠΎΡ ΡΠ°Π½ΠΈΡΠ΅Π»Π΅ΠΉ, ΡΠΎΠ΅Π΄ΠΈΠ½ΠΈΡΠ΅Π»ΡΠ½ΡΡ ΠΊΠ°Π±Π΅Π»Π΅ΠΉ, Π΄ΠΈΠ°Π³Π½ΠΎΡΡΠΈΡΠ΅ΡΠΊΠΎΠΉ Π»Π°ΠΌΠΏΡ ΠΈ ΠΊΠ»Π°Π²ΠΈΡΠΈ Π΄ΠΈΠ°Π³Π½ΠΎΡΡΠΈΠΊΠΈ.
ΠΠ°ΡΡΠΈΠΊΠΈ ΡΠ³Π»ΠΎΠ²ΠΎΠΉ ΡΠΊΠΎΡΠΎΡΡΠΈ ΠΈΠ½Π΄ΡΠΊΡΠΈΠ²Π½ΠΎΠ³ΠΎ ΡΠΈΠΏΠ°, ΡΡΡΠ°Π½ΠΎΠ²Π»Π΅Π½Π½ΡΠ΅ Π² ΠΊΠΎΠ»Π΅ΡΠ°Ρ ΠΏΠ΅ΡΠ΅Π΄Π½Π΅ΠΉ ΠΎΡΠΈ ΠΈ Π·Π°Π΄Π½Π΅Π³ΠΎ ΠΌΠΎΡΡΠ°, ΡΠΎΡΡΠΎΡΡ ΠΈΠ· Π·ΡΠ±ΡΠ°ΡΠΎΠ³ΠΎ ΡΠΎΡΠΎΡΠ° Π½Π°ΠΏΡΠ΅ΡΡΠΎΠ²Π°Π½Π½ΠΎΠ³ΠΎ Π½Π° ΡΡΡΠΏΠΈΡΡ, ΠΈ Π΄Π°ΡΡΠΈΠΊΠ°, ΡΡΡΠ°Π½ΠΎΠ²Π»Π΅Π½Π½ΠΎΠ³ΠΎ Π² ΠΏΠΎΠ²ΠΎΡΠΎΡΠ½ΠΎΠΌ ΠΊΡΠ»Π°ΠΊΠ΅ ΠΏΠ΅ΡΠ΅Π΄Π½Π΅Π³ΠΎ ΠΌΠΎΡΡΠ° (ΡΠΌ. ΡΠΈΡ. Π£ΡΡΠ°Π½ΠΎΠ²ΠΊΠ° Π΄Π°ΡΡΠΈΠΊΠ° ΠΠΠ‘ Π² ΠΊΠΎΠ»Π΅ΡΠ΅ ΠΏΠ΅ΡΠ΅Π΄Π½Π΅Π³ΠΎ Π²Π΅Π΄ΡΡΠ΅Π³ΠΎ ΠΌΠΎΡΡΠ°) ΠΈΠ»ΠΈ Π½Π° ΠΊΡΠΎΠ½ΡΡΠ΅ΠΉΠ½Π΅ Π·Π°Π΄Π½Π΅Π³ΠΎ ΠΌΠΎΡΡΠ° (ΡΠΌ. ΡΠΈΡ. Π£ΡΡΠ°Π½ΠΎΠ²ΠΊΠ° Π΄Π°ΡΡΠΈΠΊΠ° ΠΠΠ‘ Π² ΠΊΠΎΠ»Π΅ΡΠ΅ Π·Π°Π΄Π½Π΅Π³ΠΎ ΠΌΠΎΡΡΠ°).
ΠΡΠΈ Π²ΡΠ°ΡΠ΅Π½ΠΈΠΈ ΠΊΠΎΠ»Π΅ΡΠ° Π² ΠΎΠ±ΠΌΠΎΡΠΊΠ΅ Π΄Π°ΡΡΠΈΠΊΠ° Π½Π°Π²ΠΎΠ΄ΠΈΡΡΡ ΠΏΠ΅ΡΠ΅ΠΌΠ΅Π½Π½Π°Ρ ΠΠΠ‘, ΡΠΎΠ·Π΄Π°ΡΡΠ°Ρ ΠΏΠ΅ΡΠ΅ΠΌΠ΅Π½Π½ΠΎΠ΅ Π½Π°ΠΏΡΡΠΆΠ΅Π½ΠΈΠ΅, ΡΠ°ΡΡΠΎΡΠ° ΠΊΠΎΡΠΎΡΠΎΠ³ΠΎ ΠΏΡΠΎΠΏΠΎΡΡΠΈΠΎΠ½Π°Π»ΡΠ½Π° ΡΠ°ΡΡΠΎΡΠ΅ Π²ΡΠ°ΡΠ΅Π½ΠΈΡ ΠΊΠΎΠ»Π΅ΡΠ°. ΠΠΎΠ»ΡΡΠ΅Π½Π½ΡΠΉ ΡΠΈΠ³Π½Π°Π» ΠΏΠΎ ΠΊΠ°Π±Π΅Π»ΡΠΌ ΠΏΠ΅ΡΠ΅Π΄Π°Π΅ΡΡΡ Π² Π±Π»ΠΎΠΊ ΡΠΏΡΠ°Π²Π»Π΅Π½ΠΈΡ. ΠΠ»Ρ Π½ΠΎΡΠΌΠ°Π»ΡΠ½ΠΎΠΉ ΡΠ°Π±ΠΎΡΡ Π΄Π°ΡΡΠΈΠΊΠ° Π·Π°Π·ΠΎΡ ΠΌΠ΅ΠΆΠ΄Ρ ΡΠΎΡΠΎΡΠΎΠΌ ΠΈ Π΄Π°ΡΡΠΈΠΊΠΎΠΌ Π½Π΅ Π΄ΠΎΠ»ΠΆΠ΅Π½ ΠΏΡΠ΅Π²ΡΡΠ°ΡΡ 1,3 ΠΌΠΌ.

ΠΠ»Π΅ΠΊΡΡΠΎΠ½Π½ΡΠΉ Π±Π»ΠΎΠΊ ΡΠΏΡΠ°Π²Π»Π΅Π½ΠΈΡ Π²ΠΌΠ΅ΡΡΠ΅ Ρ Π·Π°ΡΠΈΡΠ½ΡΠΌ ΠΊΠΎΠΆΡΡ ΠΎΠΌ, ΠΏΡΠ΅Π΄Π½Π°Π·Π½Π°ΡΠ΅Π½Π½ΡΠΌ Π΄Π»Ρ Π·Π°ΡΠΈΡΡ Π±Π»ΠΎΠΊΠ° ΠΎΡ Π²Π»Π°Π³ΠΈ ΠΈ ΠΌΠ΅Ρ Π°Π½ΠΈΡΠ΅ΡΠΊΠΈΡ ΠΏΠΎΠ²ΡΠ΅ΠΆΠ΄Π΅Π½ΠΈΠΉ, ΠΊΡΠ΅ΠΏΠΈΡΡΡ Π½Π° ΠΏΠ°Π½Π΅Π»ΠΈ ΠΏΠ΅ΡΠ΅Π΄ΠΊΠ° ΠΊΠ°Π±ΠΈΠ½Ρ. ΠΠ»ΠΎΠΊ ΡΠ»ΡΠΆΠΈΡ Π΄Π»Ρ ΠΎΠ±ΡΠ°Π±ΠΎΡΠΊΠΈ ΡΠΈΠ³Π½Π°Π»ΠΎΠ², ΠΏΠΎΡΡΡΠΏΠ°ΡΡΠΈΡ Ρ Π΄Π°ΡΡΠΈΠΊΠΎΠ² ΡΠ³Π»ΠΎΠ²ΠΎΠΉ ΡΠΊΠΎΡΠΎΡΡΠΈ, Π²ΡΠ΄Π°ΡΠΈ ΡΠΏΡΠ°Π²Π»ΡΡΡΠΈΡ ΡΠΈΠ³Π½Π°Π»ΠΎΠ² Π½Π° ΠΌΠΎΠ΄ΡΠ»ΡΡΠΎΡΡ, ΡΠ΅Π»Π΅ ΡΠ»Π΅ΠΊΡΡΠΎΠΌΠ°Π³Π½ΠΈΡΠ½ΠΎΠ³ΠΎ ΠΊΠ»Π°ΠΏΠ°Π½Π° ΠΎΡΠΊΠ»ΡΡΠ΅Π½ΠΈΡ Π²ΡΠΏΠΎΠΌΠΎΠ³Π°ΡΠ΅Π»ΡΠ½ΠΎΠ³ΠΎ ΡΠΎΡΠΌΠΎΠ·Π°, ΠΈ Π΄ΠΈΠ°Π³Π½ΠΎΡΡΠΈΡΠ΅ΡΠΊΠΈΠ΅ Π»Π°ΠΌΠΏΡ, Π° ΡΠ°ΠΊΠΆΠ΅ Π΄Π»Ρ Π΄ΠΈΠ°Π³Π½ΠΎΡΡΠΈΠΊΠΈ ΡΠ»Π΅ΠΌΠ΅Π½ΡΠΎΠ² ΡΠΈΡΡΠ΅ΠΌΡ.
ΠΠΎΠ΄ΡΠ»ΡΡΠΎΡΡ ΡΠΎΡΠΌΠΎΠ·Π½ΠΎΠ³ΠΎ Π΄Π°Π²Π»Π΅Π½ΠΈΡ, ΡΡΡΠ°Π½ΠΎΠ²Π»Π΅Π½Π½ΡΠ΅ Π² ΡΠΎΡΠΌΠΎΠ·Π½ΡΡ ΠΌΠ°Π³ΠΈΡΡΡΠ°Π»ΡΡ ΠΏΠ΅ΡΠ΅Π΄Π½ΠΈΡ ΠΈ Π·Π°Π΄Π½ΠΈΡ ΠΊΠΎΠ»Π΅Ρ Π½Π° ΡΠ°ΠΌΠ΅ ΠΏΠ΅ΡΠ΅Π΄ ΡΠΎΡΠΌΠΎΠ·Π½ΡΠΌΠΈ ΠΊΠ°ΠΌΠ΅ΡΠ°ΠΌΠΈ, ΠΏΡΠ΅Π΄ΡΡΠ°Π²Π»ΡΡΡ ΡΠΎΠ±ΠΎΠΉ ΡΠ»Π΅ΠΊΡΡΠΎΠΏΠ½Π΅Π²ΠΌΠ°ΡΠΈΡΠ΅ΡΠΊΠΈΠ΅ ΡΠ΅Π³ΡΠ»ΠΈΡΠΎΠ²ΠΎΡΠ½ΡΠ΅ ΠΊΠ»Π°ΠΏΠ°Π½Ρ, ΠΎΠ±Π΅ΡΠΏΠ΅ΡΠΈΠ²Π°ΡΡΠΈΠ΅ ΡΠΎΡΠ½ΠΎΠ΅, ΡΡΡΠΏΠ΅Π½ΡΠ°ΡΠΎΠ΅ ΡΠ΅Π³ΡΠ»ΠΈΡΠΎΠ²Π°Π½ΠΈΠ΅ Π΄Π°Π²Π»Π΅Π½ΠΈΡ Π² ΡΠΎΡΠΌΠΎΠ·Π½ΡΡ ΠΊΠ°ΠΌΠ΅ΡΠ°Ρ , ΠΏΠΎ ΠΊΠΎΠΌΠ°Π½Π΄Π°ΠΌ Π±Π»ΠΎΠΊΠ° ΡΠΏΡΠ°Π²Π»Π΅Π½ΠΈΡ. ΠΠΎΠ΄ΡΠ»ΡΡΠΎΡΡ, ΡΡΡΠ°Π½ΠΎΠ²Π»Π΅Π½Π½ΡΠ΅ Π½Π° Π·Π°Π΄Π½Π΅ΠΉ ΡΠ΅Π»Π΅ΠΆΠΊΠ΅, ΡΠΏΡΠ°Π²Π»ΡΡΡ ΠΊΠΎΠ»Π΅ΡΠ°ΠΌΠΈ ΡΡΠ΅Π΄Π½Π΅Π³ΠΎ ΠΈ Π·Π°Π΄Π½Π΅Π³ΠΎ ΠΌΠΎΡΡΠΎΠ², ΡΠ°ΡΠΏΠΎΠ»ΠΎΠΆΠ΅Π½Π½ΡΠΌΠΈ ΠΏΠΎ ΠΎΠ΄Π½ΠΎΠΌΡ Π±ΠΎΡΡΡ (Ρ.Π΅. ΠΊΠΎΠ»Π΅ΡΠ° ΡΡΠ΅Π΄Π½Π΅Π³ΠΎ ΠΈ Π·Π°Π΄Π½Π΅Π³ΠΎ ΠΌΠΎΡΡΠΎΠ² ΡΠΏΡΠ°Π²Π»ΡΡΡΡΡ Π΄Π²ΡΠΌΡ ΠΌΠΎΠ΄ΡΠ»ΡΡΠΎΡΠ°ΠΌΠΈ, ΡΠ°ΡΠΏΠΎΠ»ΠΎΠΆΠ΅Π½Π½ΡΠΌΠΈ ΠΏΠΎ Π»Π΅Π²ΠΎΠΌΡ ΠΈ ΠΏΡΠ°Π²ΠΎΠΌΡ Π±ΠΎΡΡΡ). ΠΠΎΠ΄ΡΠ»ΡΡΠΎΡΡ Π²ΡΠΏΠΎΠ»Π½ΡΡΡ ΡΠ»Π΅Π΄ΡΡΡΠΈΠ΅ ΡΡΠ½ΠΊΡΠΈΠΈ:
- ΠΏΠΎΠ²ΡΡΠ΅Π½ΠΈΠ΅ Π΄Π°Π²Π»Π΅Π½ΠΈΡ Π² ΡΠΎΡΠΌΠΎΠ·Π½ΡΡ ΠΊΠ°ΠΌΠ΅ΡΠ°Ρ , ΠΏΡΠΈ ΡΠ²Π΅Π»ΠΈΡΠ΅Π½ΠΈΠΈ ΡΠ³Π»ΠΎΠ²ΠΎΠΉ ΡΠΊΠΎΡΠΎΡΡΠΈ;
- ΠΏΠΎΠ΄Π΄Π΅ΡΠΆΠ°Π½ΠΈΠ΅ Π΄Π°Π²Π»Π΅Π½ΠΈΡ Π² ΡΠΎΡΠΌΠΎΠ·Π½ΡΡ ΠΊΠ°ΠΌΠ΅ΡΠ°Ρ ;
- ΠΏΠΎΠ½ΠΈΠΆΠ΅Π½ΠΈΠ΅ Π΄Π°Π²Π»Π΅Π½ΠΈΡ Π² ΡΠΎΡΠΌΠΎΠ·Π½ΡΡ ΠΊΠ°ΠΌΠ΅ΡΠ°Ρ , ΠΏΡΠΈ Π±Π»ΠΎΠΊΠΈΡΠΎΠ²Π°Π½ΠΈΠΈ ΠΊΠΎΠ»Π΅Ρ.
ΠΠΎΠ³Π΄Π° ΠΠΠ‘ Π½Π΅ Π²ΡΡΡΠΏΠ°Π΅Ρ Π² ΡΠ°Π±ΠΎΡΡ, ΡΠΆΠ°ΡΡΠΉ Π²ΠΎΠ·Π΄ΡΡ ΡΠ²ΠΎΠ±ΠΎΠ΄Π½ΠΎ ΠΏΡΠΎΡ ΠΎΠ΄ΠΈΡ ΡΠ΅ΡΠ΅Π· ΠΌΠΎΠ΄ΡΠ»ΡΡΠΎΡ.
ΠΠ»Π΅ΠΊΡΡΠΎΠΌΠ°Π³Π½ΠΈΡΠ½ΡΠΉ ΠΊΠ»Π°ΠΏΠ°Π½ ΠΎΡΠΊΠ»ΡΡΠ΅Π½ΠΈΡ Π²ΡΠΏΠΎΠΌΠΎΠ³Π°ΡΠ΅Π»ΡΠ½ΠΎΠ³ΠΎ ΡΠΎΡΠΌΠΎΠ·Π° ΡΡΡΠ°Π½ΠΎΠ²Π»Π΅Π½ Π² ΠΌΠ°Π³ΠΈΡΡΡΠ°Π»ΠΈ Π²ΡΠΏΠΎΠΌΠΎΠ³Π°ΡΠ΅Π»ΡΠ½ΠΎΠ³ΠΎ ΡΠΎΡΠΌΠΎΠ·Π° ΠΈ ΠΏΡΠΈ ΡΠΎΡΠΌΠΎΠΆΠ΅Π½ΠΈΠΈ ΠΌΠΎΡΠΎΡΠ½ΡΠΌ ΡΠΎΡΠΌΠΎΠ·ΠΎΠΌ ΡΠ»ΡΠΆΠΈΡ Π΄Π»Ρ Π΅Π³ΠΎ ΠΎΡΠΊΠ»ΡΡΠ΅Π½ΠΈΡ Π² ΡΠ»ΡΡΠ°Π΅ Π±Π»ΠΎΠΊΠΈΡΠΎΠ²Π°Π½ΠΈΡ ΠΊΠΎΠ»Π΅Ρ.
Π Π΅Π»Π΅ ΠΊΠΎΠΌΠΌΡΡΠ°ΡΠΈΠΈ ΡΠ»Π΅ΠΊΡΡΠΎΠΌΠ°Π³Π½ΠΈΡΠ½ΠΎΠ³ΠΎ ΠΊΠ»Π°ΠΏΠ°Π½Π° ΠΎΡΠΊΠ»ΡΡΠ΅Π½ΠΈΡ Π²ΡΠΏΠΎΠΌΠΎΠ³Π°ΡΠ΅Π»ΡΠ½ΠΎΠ³ΠΎ ΡΠΎΡΠΌΠΎΠ·Π° ΡΠ°ΡΠΏΠΎΠ»ΠΎΠΆΠ΅Π½ΠΎ ΠΏΠΎΠ΄ ΠΏΠ°Π½Π΅Π»ΡΡ ΠΏΡΠΈΠ±ΠΎΡΠΎΠ² Π² ΠΊΠ°Π±ΠΈΠ½Π΅ ΠΈ ΡΠ»ΡΠΆΠΈΡ Π΄Π»Ρ Π·Π°ΠΌΡΠΊΠ°Π½ΠΈΡ ΡΠ΅ΠΏΠΈ ΠΎΠ±ΠΌΠΎΡΠΊΠΈ ΡΠ»Π΅ΠΊΡΡΠΎΠΌΠ°Π³Π½ΠΈΡΠ° ΠΊΠ»Π°ΠΏΠ°Π½Π°, ΠΏΡΠΈ ΠΏΠΎΡΡΡΠΏΠ»Π΅Π½ΠΈΠΈ ΡΠΈΠ³Π½Π°Π»Π° Ρ Π±Π»ΠΎΠΊΠ° ΡΠΏΡΠ°Π²Π»Π΅Π½ΠΈΡ ΠΠΠ‘.
ΠΠ»ΠΎΠΊ ΠΏΡΠ΅Π΄ΠΎΡ ΡΠ°Π½ΠΈΡΠ΅Π»Π΅ΠΉ ΡΡΡΠ°Π½ΠΎΠ²Π»Π΅Π½Π½ΡΠΉ ΡΠ»Π΅Π²Π° ΠΎΡ ΠΏΠ°Π½Π΅Π»ΠΈ ΠΏΡΠΈΠ±ΠΎΡΠΎΠ² ΠΏΠΎΠ΄ ΠΎΡΠΊΠΈΠ΄Π½ΠΎΠΉ ΠΏΠ°Π½Π΅Π»ΡΡ, ΡΠ»ΡΠΆΠΈΡ Π΄Π»Ρ Π·Π°ΡΠΈΡΡ ΡΠ»Π΅ΠΊΡΡΠΎΡΠΏΡΠ°Π²Π»ΡΠ΅ΠΌΡΡ ΡΠ»Π΅ΠΌΠ΅Π½ΡΠΎΠ² ΠΠΠ‘.
ΠΠΈΠ°Π³Π½ΠΎΡΡΠΈΡΠ΅ΡΠΊΠΈΠ΅ Π»Π°ΠΌΠΏΡ Ρ ΡΠΈΠΌΠ²ΠΎΠ»Π°ΠΌΠΈ Β«ABS ΡΡΠ³Π°ΡΠ°Β» ΠΈ Β«ABS ΠΏΡΠΈΡΠ΅ΠΏΠ°Β», Π΅ΡΠ»ΠΈ Π°Π²ΡΠΎΠΌΠΎΠ±ΠΈΠ»Ρ ΡΡΠ΅ΠΏΠ»Π΅Π½ Ρ ΠΏΡΠΈΡΠ΅ΠΏΠΎΠΌ, ΠΎΠ±ΠΎΡΡΠ΄ΠΎΠ²Π°Π½Π½ΡΠΌ ΠΠΠ‘, ΡΠΈΠ³Π½Π°Π»ΠΈΠ·ΠΈΡΡΡΡΠΈΠ΅ ΠΎΠ± ΠΈΡΠΏΡΠ°Π²Π½ΠΎΡΡΠΈ/Π½Π΅ΠΈΡΠΏΡΠ°Π²Π½ΠΎΡΡΠΈ ΠΠΠ‘ ΡΡΠ³Π°ΡΠ° ΠΈΠ»ΠΈ ΠΏΡΠΈΡΠ΅ΠΏΠ°, ΡΠ°ΡΠΏΠΎΠ»ΠΎΠΆΠ΅Π½Ρ Π² Π»Π΅Π²ΠΎΠΌ Π²Π΅ΡΡ Π½Π΅ΠΌ ΡΠ³Π»Π΅ ΡΠΈΡΠΊΠ° ΠΏΡΠΈΠ±ΠΎΡΠΎΠ² (ΡΠΌ. ΡΠΈΡ. Π©ΠΈΡΠΎΠΊ ΠΏΡΠΈΠ±ΠΎΡΠΎΠ²).
ΠΠ»Π°Π²ΠΈΡΠ° Π΄ΠΈΠ°Π³Π½ΠΎΡΡΠΈΠΊΠΈ ΠΠΠ‘, ΡΠ°ΡΠΏΠΎΠ»ΠΎΠΆΠ΅Π½Π½Π°Ρ Π½Π° ΠΏΠ°Π½Π΅Π»ΠΈ Π²ΡΠΊΠ»ΡΡΠ°ΡΠ΅Π»Π΅ΠΉ (ΡΠΌ. ΡΠΈΡ. ΠΠ°Π½Π΅Π»Ρ ΠΏΡΠΈΠ±ΠΎΡΠΎΠ²), ΡΠ»ΡΠΆΠΈΡ Π΄Π»Ρ Π°ΠΊΡΠΈΠ²ΠΈΠ·Π°ΡΠΈΠΈ ΡΠ΅ΠΆΠΈΠΌΠ° Π΄ΠΈΠ°Π³Π½ΠΎΡΡΠΈΠΊΠΈ ΠΠΠ‘. ΠΠ»Π°Π²ΠΈΡΠ° Π½Π΅ ΡΠΈΠΊΡΠΈΡΠΎΠ²Π°Π½Π½Π°Ρ, Ρ.Π΅. ΠΏΠΎΡΠ»Π΅ Π½Π°ΠΆΠ°ΡΠΈΡ Π΅Π΅ ΡΠ»Π΅Π΄ΡΠ΅Ρ ΡΠ΄Π΅ΡΠΆΠΈΠ²Π°ΡΡ ΠΎΠΏΡΠ΅Π΄Π΅Π»Π΅Π½Π½ΠΎΠ΅ Π²ΡΠ΅ΠΌΡ, Π² Π·Π°Π²ΠΈΡΠΈΠΌΠΎΡΡΠΈ ΠΎΡ ΡΡΠ΅Π±ΡΠ΅ΠΌΠΎΠ³ΠΎ ΡΠ΅ΠΆΠΈΠΌΠ°.
Π Π°ΡΠΏΠΎΠ»ΠΎΠΆΠ΅Π½ΠΈΠ΅ ΡΠ»Π΅ΠΌΠ΅Π½ΡΠΎΠ² ΠΠΠ‘ Π½Π° Π°Π²ΡΠΎΠΌΠΎΠ±ΠΈΠ»Π΅ ΠΏΠΎΠΊΠ°Π·Π°Π½ΠΎ Π½Π° ΡΠΈΡΡΠ½ΠΊΠ΅ Π€ΡΠ½ΠΊΡΠΈΠΎΠ½Π°Π»ΡΠ½Π°Ρ ΡΡ Π΅ΠΌΠ° ΠΠΠ‘ Π°Π²ΡΠΎΠΌΠΎΠ±ΠΈΠ»Ρ.
www.remkam.ru
Π Π΅ΠΌΠΎΠ½Ρ ΠΠ°ΠΌΠΠ. Π£ΡΡΡΠΎΠΉΡΡΠ²ΠΎ Π°Π²ΡΠΎΠΌΠΎΠ±ΠΈΠ»Π΅ΠΉ ΠΠ°ΠΌΠΠ Π² Π²ΠΎΠΏΡΠΎΡΠ°Ρ ΠΈ ΠΎΡΠ²Π΅ΡΠ°Ρ . Π Π΅ΠΌΠΎΠ½Ρ ΠΠ°ΠΌΠΠ. Π‘Ρ Π΅ΠΌΡ ΠΈ ΠΈΠ»Π»ΡΡΡΡΠ°ΡΠΈΠΈ
Π’ΠΎΡΠΌΠΎΠ·Π½ΡΠ΅ ΠΌΠ΅Ρ
Π°Π½ΠΈΠ·ΠΌΡ ΡΠΈΡΡΠ΅ΠΌΡ Π±Π°ΡΠ°Π±Π°Π½Π½ΠΎΠ³ΠΎ ΡΠΈΠΏΠ° Ρ Π΄Π²ΡΠΌΡ Π²Π½ΡΡΡΠ΅Π½Π½ΠΈΠΌΠΈ ΠΊΠΎΠ»ΠΎΠ΄ΠΊΠ°ΠΌΠΈ, Π΄ΠΈΠ°ΠΌΠ΅ΡΡ ΡΠΎΡΠΌΠΎΠ·Π½ΡΡ
Π±Π°ΡΠ°Π±Π°Π½ΠΎΠ² 400 ΠΌΠΌ, ΡΠΈΡΠΈΠ½Π° Π½Π°ΠΊΠ»Π°Π΄ΠΎΠΊ 140 ΠΌΠΌ, ΡΡΠΌΠΌΠ°ΡΠ½Π°Ρ
ΠΏΠ»ΠΎΡΠ°Π΄Ρ ΡΠΎΡΠΌΠΎΠ·Π½ΡΡ
Π½Π°ΠΊΠ»Π°Π΄ΠΎΠΊ 6300 ΡΠΌ2. ΠΠ΅ΡΠ΅Π΄Π½ΠΈΠ΅ ΡΠΎΡΠΌΠΎΠ·Π½ΡΠ΅ ΠΊΠ°ΠΌΠ΅ΡΡ β Π΄ΠΈΠ°ΡΡΠ°Π³ΠΌΠ΅Π½Π½ΡΠ΅, ΡΠΈΠΏΠ° 24 Π΄Π»Ρ 55111 ΠΈ 53229, ΡΠΈΠΏΠ° 30 Π΄Π»Ρ 65115, Π·Π°Π΄Π½ΠΈΠ΅ β ΡΠΈΠΏΠ° 20/20.
ΠΡΠΈΠ²ΠΎΠ΄ ΡΠ°Π±ΠΎΡΠΈΡ ΡΠΎΡΠΌΠΎΠ·Π½ΡΡ ΡΠΈΡΡΠ΅ΠΌ β ΠΏΠ½Π΅Π²ΠΌΠ°ΡΠΈΡΠ΅ΡΠΊΠΈΠΉ, ΡΠ°Π·Π΄Π΅Π»ΡΠ½ΡΠΉ. ΠΠΎΠ»ΠΈΡΠ΅ΡΡΠ²ΠΎ ΡΠ΅ΡΠΈΠ²Π΅ΡΠΎΠ² 5, ΠΎΠ±ΡΠΈΠΌ ΠΎΠ±ΡΠ΅ΠΌΠΎΠΌ 100 Π».
ΠΠΎΠΌΠΈΠ½Π°Π»ΡΠ½ΠΎΠ΅ Π΄Π°Π²Π»Π΅Π½ΠΈΠ΅ Π² ΠΏΠ½Π΅Π²ΠΌΠΎΠΏΡΠΈΠ²ΠΎΠ΄Π΅ (6,5β8,0 ΠΊΠ³Ρ/ ΡΠΌ2).
Π£ΠΏΡΠ°Π²Π»Π΅Π½ΠΈΠ΅ ΡΠ°Π±ΠΎΡΠΈΠΌΠΈ ΡΠΎΡΠΌΠΎΠ·Π½ΡΠΌΠΈ ΡΠΈΡΡΠ΅ΠΌΠ°ΠΌΠΈ Π°Π²ΡΠΎΠΌΠΎΠ±ΠΈΠ»Ρ ΠΎΡΡΡΠ΅ΡΡΠ²Π»ΡΠ΅ΡΡΡ Π΄Π²ΡΡ ΡΠ΅ΠΊΡΠΈΠΎΠ½Π½ΡΠΌ ΠΊΡΠ°Π½ΠΎΠΌ Ρ ΠΏΡΠΈΠ²ΠΎΠ΄ΠΎΠΌ ΠΎΡ ΠΏΠ΅Π΄Π°Π»ΠΈ.
Π₯ΠΎΠ΄ ΡΡΠΎΠΊΠΎΠ² ΡΠΎΡΠΌΠΎΠ·Π½ΡΡ ΠΊΠ°ΠΌΠ΅Ρ ΡΠ΅Π³ΡΠ»ΠΈΡΡΠΉΡΠ΅ Π² ΡΠ»ΡΡΠ°Π΅ ΠΏΡΠ΅Π²ΡΡΠ΅Π½ΠΈΡ Π²Π΅Π»ΠΈΡΠΈΠ½Ρ 40 ΠΌΠΌ. Π Π·Π°Π²ΠΈΡΠΈΠΌΠΎΡΡΠΈ ΠΎΡ Ρ ΠΎΠ΄Π° ΡΡΠΎΠΊΠ° ΠΌΠ΅Π½ΡΠ΅ΡΡΡ Π·Π°Π·ΠΎΡ Π² ΡΠΎΡΠΌΠΎΠ·Π½ΡΡ ΠΌΠ΅Ρ Π°Π½ΠΈΠ·ΠΌΠ°Ρ ΠΌΠ΅ΠΆΠ΄Ρ ΡΠΎΡΠΌΠΎΠ·Π½ΠΎΠΉ Π½Π°ΠΊΠ»Π°Π΄ΠΊΠΎΠΉ ΠΈ Π±Π°ΡΠ°Π±Π°Π½ΠΎΠΌ. ΠΠ΅Π»ΠΈΡΠΈΠ½Ρ Π·Π°Π·ΠΎΡΠ° ΠΏΡΠΎΠ²Π΅ΡΡΠΉΡΠ΅ ΡΡΠΏΠΎΠΌ ΡΠ΅ΡΠ΅Π· ΠΊΠΎΠ½ΡΡΠΎΠ»ΡΠ½ΡΠ΅ ΠΎΡΠ²Π΅ΡΡΡΠΈΡ (ΡΠΈΡ. Π Π΅Π³ΡΠ»ΠΈΡΠΎΠ²Π°Π½ΠΈΠ΅ Π·Π°Π·ΠΎΡΠ° Π² ΡΠΎΡΠΌΠΎΠ·Π½ΡΡ ΠΌΠ΅Ρ Π°Π½ΠΈΠ·ΠΌΠ°Ρ ). ΠΡΠΈ ΡΡΠΎΠΌ ΡΠΎΡΠΌΠΎΠ·Π½ΡΠ΅ Π±Π°ΡΠ°Π±Π°Π½Ρ Π΄ΠΎΠ»ΠΆΠ½Ρ Π±ΡΡΡ Ρ ΠΎΠ»ΠΎΠ΄Π½ΡΠΌΠΈ, Π° ΡΡΠΎΡΠ½ΠΎΡΠ½Π°Ρ ΡΠΎΡΠΌΠΎΠ·Π½Π°Ρ ΡΠΈΡΡΠ΅ΠΌΠ° Π²ΡΠΊΠ»ΡΡΠ΅Π½Π°.
Π Π΅Π³ΡΠ»ΠΈΡΡΠΉΡΠ΅ Π·Π°Π·ΠΎΡ ΠΏΡΠΈ Π²ΡΠ²Π΅ΡΠ΅Π½Π½ΠΎΠΌ ΠΊΠΎΠ»Π΅ΡΠ΅ ΠΏΠΎΠ²ΠΎΡΠΎΡΠΎΠΌ ΠΎΡΠΈ / ΡΠ΅ΡΠ²ΡΠΊΠ° ΡΠ΅Π³ΡΠ»ΠΈΡΠΎΠ²ΠΎΡΠ½ΠΎΠ³ΠΎ ΡΡΡΠ°Π³Π°, ΠΏΡΠ΅Π΄Π²Π°ΡΠΈΡΠ΅Π»ΡΠ½ΠΎ ΠΎΡΠ»Π°Π±ΠΈΠ² ΠΏΡΠΎΠ±ΠΊΡ-ΡΠΈΠΊΡΠ°ΡΠΎΡ Π½Π° ΠΎΠ΄ΠΈΠ½-Π΄Π²Π° ΠΎΠ±ΠΎΡΠΎΡΠ°. ΠΠΎΠ²ΠΎΡΠ°ΡΠΈΠ²Π°Ρ ΠΎΡΡ ΡΠ΅ΡΠ²ΡΠΊΠ°, ΡΡΡΠ°Π½ΠΎΠ²ΠΈΡΠ΅ Π²Π΅Π»ΠΈΡΠΈΠ½Ρ Ρ ΠΎΠ΄Π° ΡΡΠΎΠΊΠ° ΡΠΎΡΠΌΠΎΠ·Π½ΠΎΠΉ ΠΊΠ°ΠΌΠ΅ΡΡ 20 ΠΌΠΌ. ΠΠ΅ΠΎΠ±Ρ ΠΎΠ΄ΠΈΠΌΠΎ, ΡΡΠΎΠ±Ρ ΡΡΠΎΠΊΠΈ ΠΏΡΠ°Π²ΡΡ ΠΈ Π»Π΅Π²ΡΡ ΠΊΠ°ΠΌΠ΅Ρ Π½Π° ΠΊΠ°ΠΆΠ΄ΠΎΠΌ ΠΌΠΎΡΡΡ ΠΈΠΌΠ΅Π»ΠΈ ΠΏΠΎ Π²ΠΎΠ·ΠΌΠΎΠΆΠ½ΠΎΡΡΠΈ ΠΎΠ΄ΠΈΠ½Π°ΠΊΠΎΠ²ΡΠΉ Ρ ΠΎΠ΄ (ΡΠ°Π·Π½ΠΈΡΠ° Π½Π΅ Π±ΠΎΠ»Π΅Π΅ 2β3 ΠΌΠΌ) Π΄Π»Ρ ΠΏΠΎΠ»ΡΡΠ΅Π½ΠΈΡ ΠΎΠ΄ΠΈΠ½Π°ΠΊΠΎΠ²ΠΎΠΉ ΡΡΡΠ΅ΠΊΡΠΈΠ²Π½ΠΎΡΡΠΈ ΡΠΎΡΠΌΠΎΠΆΠ΅Π½ΠΈΡ ΠΏΡΠ°Π²ΡΡ ΠΈ Π»Π΅Π²ΡΡ ΠΊΠΎΠ»Π΅Ρ.
ΠΠ°Π²Π»Π΅Π½ΠΈΠ΅ ΡΠΆΠ°ΡΠΎΠ³ΠΎ Π²ΠΎΠ·Π΄ΡΡ Π° Π² ΠΏΠ½Π΅Π²ΠΌΠΎΠΏΡΠΈΠ²ΠΎΠ΄Π΅ ΡΠ΅Π³ΡΠ»ΠΈΡΡΠΉΡΠ΅ Π²ΠΈΠ½ΡΠΎΠΌ 2 ΡΠ΅Π³ΡΠ»ΡΡΠΎΡΠ° Π΄Π°Π²Π»Π΅Π½ΠΈΡ (ΡΠΌ. ΡΠΈΡ. Π Π΅Π³ΡΠ»ΡΡΠΎΡ Π΄Π°Π²Π»Π΅Π½ΠΈΡ)ΠΡΠΈ Π²Π²ΠΎΡΠ°ΡΠΈΠ²Π°Π½ΠΈΠΈ Π²ΠΈΠ½ΡΠ° Π²Π΅Π»ΠΈΡΠΈΠ½Π° ΡΠ΅Π³ΡΠ»ΠΈΡΡΠ΅ΠΌΠΎΠ³ΠΎ Π΄Π°Π²Π»Π΅Π½ΠΈΡ ΡΠ²Π΅Π»ΠΈΡΠΈΠ²Π°Π΅ΡΡΡ, ΠΏΡΠΈ Π²ΡΠ²ΠΎΡΠ°ΡΠΈΠ²Π°Π½ΠΈΠΈ β ΡΠΌΠ΅Π½ΡΡΠ°Π΅ΡΡΡ.
ΠΠ»Ρ Π½Π°ΠΊΠ°ΡΠΊΠΈ ΡΠΈΠ½ Π½Π° ΡΠ΅Π³ΡΠ»ΡΡΠΎΡΠ΅ Π΄Π°Π²Π»Π΅Π½ΠΈΡ ΠΈΠΌΠ΅Π΅ΡΡΡ ΠΊΠ»Π°ΠΏΠ°Π½ ΠΎΡΠ±ΠΎΡΠ° Π²ΠΎΠ·Π΄ΡΡ Π°, Π·Π°ΠΊΡΡΡΡΠΉ ΠΊΠΎΠ»ΠΏΠ°ΡΠΊΠΎΠΌ 1 (ΡΠΌ. ΡΠΈΡ. Π Π΅Π³ΡΠ»ΡΡΠΎΡ Π΄Π°Π²Π»Π΅Π½ΠΈΡ). ΠΡΠΈ ΠΎΡΠ±ΠΎΡΠ΅ Π²ΠΎΠ·Π΄ΡΡ Π° ΡΠ»Π°Π½Π³ΠΎΠΌ Π»Ρ Π½Π°ΠΊΠ°ΡΠΊΠΈ ΡΠΈΠ½ ΠΈΠ· ΠΊΠΎΠΌΠΏΠ»Π΅ΠΊΡΠ° ΠΈΠ½ΡΡΡΡΠΌΠ΅Π½ΡΠΎΠ² ΠΏΠΎΠ΄ΡΠΎΠ΅Π΄ΠΈΠ½ΠΈΡΠ΅ Π΅Π³ΠΎ Π²ΠΌΠ΅ΡΡΠΎ ΠΊΠΎΠ»ΠΏΠ°ΡΠΊΠ°, Π½Π°Π²Π΅ΡΠ½ΡΠ² Π΄ΠΎ ΡΠΏΠΎΡΠ° Π³Π°ΠΉΠΊΡ-Π±Π°ΡΠ°ΡΠ΅ΠΊ, ΠΈ ΠΏΠΎΠ½ΠΈΠ·ΡΡΠ΅ Π΄Π°Π²Π»Π΅Π½ΠΈΠ΅ ΡΠΆΠ°ΡΠΎΠ³ΠΎ Π²ΠΎΠ·Π΄ΡΡ Π° Π² ΠΏΠ½Π΅Π²ΠΌΠΎΠΏΡΠΈΠ²ΠΎΠ΄Π΅, ΠΏΠΎΡΠΎΠΌΡ ΡΡΠΎ ΠΏΡΠΈ Ρ ΠΎΠ»ΠΎΡΡΠΎΠΌ Ρ ΠΎΠ΄Π΅ ΠΊΠΎΠΌΠΏΡΠ΅ΡΡΠΎΡΠ° ΠΎΡΠ±ΠΎΡΠ° Π²ΠΎΠ·Π΄ΡΡ Π° Π½Π΅Ρ. ΠΠ»Ρ ΡΠ½ΠΈΠΆΠ΅Π½ΠΈΡ Π΄Π°Π²Π»Π΅Π½ΠΈΡ ΠΎΡΠΊΡΠΎΠΉΡΠ΅ ΠΊΡΠ°Π½ ΡΠ»ΠΈΠ²Π° ΠΊΠΎΠ½Π΄Π΅Π½ΡΠ°ΡΠ° Π½Π° Π»ΡΠ±ΠΎΠΌ ΡΠ΅ΡΠΈΠ²Π΅ΡΠ΅. ΠΠΎΠ½Π΄Π΅Π½ΡΠ°Ρ ΠΈΠ· ΡΠ΅ΡΠΈΠ²Π΅ΡΠΎΠ² ΡΠ»ΠΈΠ²Π°ΠΉΡΠ΅ Π΅ΠΆΠ΅Π΄Π½Π΅Π²Π½ΠΎ ΠΏΠΎ ΠΎΠΊΠΎΠ½ΡΠ°Π½ΠΈΠΈ ΡΠ°Π±ΠΎΡΡ. ΠΠ°Π²Π»Π΅Π½ΠΈΠ΅ ΡΠΆΠ°ΡΠΎΠ³ΠΎ Π²ΠΎΠ·Π΄ΡΡ Π° Π² ΠΏΠ½Π΅Π²ΠΌΠΎΠΏΡΠΈΠ²ΠΎΠ΄Π΅ ΠΏΡΠΈ ΡΡΠΎΠΌ Π΄ΠΎΠ»ΠΆΠ½ΠΎ Π±ΡΡΡ Π½ΠΎΠΌΠΈΠ½Π°Π»ΡΠ½ΡΠΌ.
ΠΡΠ°Π½Ρ ΡΠ»ΠΈΠ²Π° ΠΊΠΎΠ½Π΄Π΅Π½ΡΠ°ΡΠ° ΠΎΡΠΊΡΠΎΠΉΡΠ΅, ΠΎΡΠ²Π΅Π΄Ρ Π² ΡΡΠΎΡΠΎΠ½Ρ ΡΠΎΠ»ΠΊΠ°ΡΠ΅Π»Ρ Π·Π° ΠΊΠΎΠ»ΡΡΠΎ. (ΡΠΌ. ΡΠΈΡΡΠ½ΠΎΠΊ)
ΠΠ΅ ΡΡΠ½ΠΈΡΠ΅ ΡΡΠΎΠΊ Π²Π½ΠΈΠ· ΠΈ Π½Π΅ Π½Π°ΠΆΠΈΠΌΠ°ΠΉΡΠ΅ Π΅Π³ΠΎ Π²Π²Π΅ΡΡ . ΠΠΎΡΠ»Π΅ ΡΠ»ΠΈΠ²Π° ΠΊΠΎΠ½Π΄Π΅Π½ΡΠ°ΡΠ° Π΄ΠΎΠ²Π΅Π΄ΠΈΡΠ΅ Π΄Π°Π²Π»Π΅Π½ΠΈΠ΅ ΡΠΆΠ°ΡΠΎΠ³ΠΎ Π²ΠΎΠ·Π΄ΡΡ Π° Π² ΠΏΠ½Π΅Π²ΠΌΠΎΠΏΡΠΈΠ²ΠΎΠ΄Π΅ Π΄ΠΎ Π½ΠΎΠΌΠΈΠ½Π°Π»ΡΠ½ΠΎΠ³ΠΎ.
ΠΠΎΠ»ΠΎΠΆΠ΅Π½ΠΈΠ΅ ΡΠΎΡΠΌΠΎΠ·Π½ΠΎΠΉ ΠΏΠ΅Π΄Π°Π»ΠΈ ΠΎΡΠ½ΠΎΡΠΈΡΠ΅Π»ΡΠ½ΠΎ ΠΏΠΎΠ»Π° ΠΊΠ°Π±ΠΈΠ½Ρ ΡΠ΅Π³ΡΠ»ΠΈΡΡΠΉΡΠ΅ ΡΠΎΠ³Π»Π°ΡΠ½ΠΎ Π‘Ρ Π΅ΠΌΠ΅ ΡΡΡΠ°Π½ΠΎΠ²ΠΊΠΈ ΠΏΠ΅Π΄Π°Π»ΠΈ Π½Π° ΡΠΎΡΠΌΠΎΠ·Π½ΠΎΠΉ ΠΊΡΠ°Π½. Π Π΅Π³ΡΠ»ΠΈΡΠΎΠ²ΠΊΠΎΠΉ ΡΡΡΠ°Π½ΠΎΠ²ΠΎΡΠ½ΠΎΠ³ΠΎ ΠΈ ΡΠ΅Π³ΡΠ»ΠΈΡΠΎΠ²ΠΎΡΠ½ΠΎΠ³ΠΎ Π±ΠΎΠ»ΡΠΎΠ² Π½Π΅ΠΎΠ±Ρ ΠΎΠ΄ΠΈΠΌΠΎ ΠΎΠ±Π΅ΡΠΏΠ΅ΡΠΈΡΡ ΠΏΠΎΠ»ΠΎΠΆΠ΅Π½ΠΈΠ΅ ΠΏΠ»ΠΎΡΠ°Π΄ΠΊΠΈ ΠΏΠ΅Π΄Π°Π»ΠΈ ΠΏΠΎΠ΄ ΡΠ³Π»ΠΎΠΌ 35Β° Β±2Β° ΠΈ ΡΠ²ΠΎΠ±ΠΎΠ΄Π½ΡΠΉ Ρ ΠΎΠ΄ ΠΏΠ΅Π΄Π°Π»ΠΈ 10-15 ΠΌΠΌ. Π£ΡΡΠ°Π½ΠΎΠ²ΠΎΡΠ½ΡΠΉ Π±ΠΎΠ»Ρ Π·Π°ΡΠΈΠΊΡΠΈΡΠΎΠ²Π°ΡΡ ΠΊΠΎΠ½ΡΡΠ³Π°ΠΉΠΊΠΎΠΉ, ΡΠ΅Π³ΡΠ»ΠΈΡΠΎΠ²ΠΎΡΠ½ΡΠΉ Π±ΠΎΠ»Ρ ΠΏΠ΅ΡΠ΅Π΄ ΡΠ΅Π³ΡΠ»ΠΈΡΠΎΠ²ΠΊΠΎΠΉ ΠΏΠΎΠΊΡΡΡΡ Π³Π΅ΡΠΌΠ΅ΡΠΈΠΊΠΎΠΌ Π£Π7.
ΠΠΎΠ½ΡΡΡΡΠΊΡΠΈΡ ΠΏΠ½Π΅Π²ΠΌΠΎΠΏΡΠΈΠ²ΠΎΠ΄Π° ΡΠΎΡΠΌΠΎΠ·Π½ΡΡ ΠΌΠ΅Ρ Π°Π½ΠΈΠ·ΠΌΠΎΠ² Π°Π²ΡΠΎΠΌΠΎΠ±ΠΈΠ»Ρ ΠΏΡΠ΅Π΄ΡΡΠΌΠ°ΡΡΠΈΠ²Π°Π΅Ρ Π²ΠΎΠ·ΠΌΠΎΠΆΠ½ΠΎΡΡΡ ΡΠΊΡΡΡΠ΅Π½Π½ΠΎΠ³ΠΎ ΡΠ°ΡΡΠΎΡΠΌΠ°ΠΆΠΈΠ²Π°Π½ΠΈΡ ΠΏΡΠΈ Π³ΠΎΡΠΈΠ·ΠΎΠ½ΡΠ°Π»ΡΠ½ΠΎΠΌ ΠΏΠΎΠ»ΠΎΠΆΠ΅Π½ΠΈΠΈ ΡΡΠΊΠΎΡΡΠΊΠΈ ΠΊΡΠ°Π½Π° ΡΠΏΡΠ°Π²Π»Π΅Π½ΠΈΡ ΡΡΠΎΡΠ½ΠΎΡΠ½ΠΎΠΉ ΠΈ Π·Π°ΠΏΠ°ΡΠ½ΠΎΠΉ ΡΠΎΡΠΌΠΎΠ·Π½ΡΠΌΠΈ ΡΠΈΡΡΠ΅ΠΌΠ°ΠΌΠΈ Π½Π΅Π·Π°Π²ΠΈΡΠΈΠΌΠΎ ΠΎΡ ΡΡΠ΅ΠΏΠ΅Π½ΠΈ Π·Π°ΠΏΠΎΠ»Π½Π΅Π½Π½ΠΎΡΡΠΈ ΡΠ΅ΡΠΈΠ²Π΅ΡΠΎΠ² Π²ΠΎΠ·Π΄ΡΡ ΠΎΠΌ. Π’Π°ΠΊΠΈΠΌ ΠΎΠ±ΡΠ°Π·ΠΎΠΌ, Π²ΠΎΠ·ΠΌΠΎΠΆΠ½ΠΎ Π½Π°ΡΠΈΠ½Π°ΡΡ Π΄Π²ΠΈΠΆΠ΅Π½ΠΈΠ΅ ΠΏΠΎΡΠ»Π΅ ΡΠΎΠ³ΠΎ, ΠΊΠ°ΠΊ ΠΏΠΎΠ³Π°ΡΠ½Π΅Ρ ΠΊΠΎΠ½ΡΡΠΎΠ»ΡΠ½Π°Ρ Π»Π°ΠΌΠΏΠ° ΡΡΠΎΡΠ½ΠΎΡΠ½ΠΎΠΉ ΡΠΎΡΠΌΠΎΠ·Π½ΠΎΠΉ ΡΠΈΡΡΠ΅ΠΌΡ. Π‘Π»Π΅Π΄ΡΠ΅Ρ ΠΏΠΎΠΌΠ½ΠΈΡΡ, ΡΡΠΎ ΠΏΡΠΈ ΠΎΡΡΡΡΡΡΠ²ΠΈΠΈ Π²ΠΎΠ·Π΄ΡΡ Π° Π² ΡΠ΅ΡΠΈΠ²Π΅ΡΠ°Ρ (ΠΏΠΎΠΊΠ°Π·Π°Π½ΠΈΡ ΠΌΠ°Π½ΠΎΠΌΠ΅ΡΡΠ°) ΡΠ°Π±ΠΎΡΠ°Ρ ΡΠΎΡΠΌΠΎΠ·Π½Π°Ρ ΡΠΈΡΡΠ΅ΠΌΠ° Π½Π΅ Π΄Π΅ΠΉΡΡΠ²ΡΠ΅Ρ ΠΈ ΡΠΎΡΠΌΠΎΠΆΠ΅Π½ΠΈΠ΅ Π½ΡΠΆΠ½ΠΎ ΠΏΡΠΎΠ²ΠΎΠ΄ΠΈΡΡ ΡΡΡΠ½ΡΠΌ ΡΠΎΡΠΌΠΎΠ·Π½ΡΠΌ ΠΊΡΠ°Π½ΠΎΠΌ. ΠΡΠΎΠΌΠ΅ ΡΠΎΠ³ΠΎ, ΠΏΡΠΈ ΠΎΡΡΡΡΡΡΠ²ΠΈΠΈ ΡΠΆΠ°ΡΠΎΠ³ΠΎ Π²ΠΎΠ·Π΄ΡΡ Π° Π² ΠΏΠ½Π΅Π²ΠΌΠΎΡΠΈΡΡΠ΅ΠΌΠ΅ Π°Π²ΡΠΎΠΌΠΎΠ±ΠΈΠ»Ρ ΠΌΠΎΠΆΠ½ΠΎ ΡΠ°ΡΡΠΎΡΠΌΠΎΠ·ΠΈΡΡ Ρ ΠΏΠΎΠΌΠΎΡΡΡ Π²ΠΈΠ½ΡΠΎΠ² ΠΌΠ΅Ρ Π°Π½ΠΈΠ·ΠΌΠ° Π°Π²Π°ΡΠΈΠΉΠ½ΠΎΠ³ΠΎ ΡΠ°ΡΡΠΎΡΠΌΠ°ΠΆΠΈΠ²Π°Π½ΠΈΡ, ΠΊΠΎΡΠΎΡΡΠ΅ Π²ΡΡΡΠΎΠ΅Π½Ρ Π² ΡΠΈΠ»ΠΈΠ½Π΄ΡΡ ΠΏΡΡΠΆΠΈΠ½Π½ΡΡ ΡΠ½Π΅ΡΠ³ΠΎΠ°ΠΊΠΊΡΠΌΡΠ»ΡΡΠΎΡΠΎΠ².
Π£Π‘Π’Π ΠΠΠΠΠΠ ΠΠΠΠ‘ΠΠ ΠΠΠΠΠ‘Π’ΠΠ
ΠΡΠΈΡΠΈΠ½ΠΎΠΉ Π½Π΅ΠΈΡΠΏΡΠ°Π²Π½ΠΎΡΡΠΈ ΡΠΎΡΠΌΠΎΠ·Π½ΠΎΠΉ ΡΠΈΡΡΠ΅ΠΌΡ ΠΌΠΎΠ³ΡΡ Π±ΡΡΡ ΡΡΠ΅ΡΠΊΠΈ ΡΠΆΠ°ΡΠΎΠ³ΠΎ Π²ΠΎΠ·Π΄ΡΡ Π° Π² ΠΏΠ½Π΅Π²ΠΌΠΎΠΏΡΠΈΠ²ΠΎΠ΄Π΅ ΠΈΠ·-Π·Π° Π½Π΅Π³Π΅ΡΠΌΠ΅ΡΠΈΡΠ½ΠΎΡΡΠΈ ΡΠΎΠ΅Π΄ΠΈΠ½Π΅Π½ΠΈΠΉ ΡΡΡΠ±ΠΎΠΏΡΠΎΠ²ΠΎΠ΄ΠΎΠ² ΠΈ Π³ΠΈΠ±ΠΊΠΈΡ ΡΠ»Π°Π½Π³ΠΎΠ². Π Π½Π΅Π³Π΅ΡΠΌΠ΅ΡΠΈΡΠ½ΠΎΡΡΠΈ ΠΊΠΎΠ½ΡΡΡΠΎΠ² ΠΏΠ½Π΅Π²ΠΌΠΎΠΏΡΠΈΠ²ΠΎΠ΄Π° ΡΠΈΠ³Π½Π°Π»ΠΈΠ·ΠΈΡΡΡΡ ΡΠ²Π΅ΡΡΡΠΈΠ΅ΡΡ Π»Π°ΠΌΠΏΡ ΠΏΡΠ΅Π΄ΡΠΏΡΠ΅Π΄ΠΈΡΠ΅Π»ΡΠ½ΡΡ ΡΠΈΠ³Π½Π°Π»ΠΎΠ² Π½Π° ΡΠΈΡΠΊΠ΅ ΠΏΡΠΈΠ±ΠΎΡΠΎΠ² ΠΈ Π·ΡΠΌΠΌΠ΅Ρ. ΠΡΠΈ Π΄ΠΎΡΡΠΈΠΆΠ΅Π½ΠΈΠΈ Π΄Π°Π²Π»Π΅Π½ΠΈΡ Π² ΠΊΠΎΠ½ΡΡΡΠ°Ρ Π²ΡΡΠ΅ 450β 550 ΠΊΠΠ° (4,5β5,5 ΠΊΠ³Ρ/ ΡΠΌ2) Π»Π°ΠΌΠΏΡ Π΄ΠΎΠ»ΠΆΠ½Ρ ΠΏΠΎΠ³Π°ΡΠ½ΡΡΡ, ΠΈ ΠΎΠ΄Π½ΠΎΠ²ΡΠ΅ΠΌΠ΅Π½Π½ΠΎ Π΄ΠΎΠ»ΠΆΠ΅Π½ ΠΏΡΠ΅ΠΊΡΠ°ΡΠΈΡΡ Π·Π²ΡΡΠ°Π½ΠΈΠ΅ Π·ΡΠΌΠΌΠ΅Ρ. ΠΡΠ΅ΠΌΡ Π·Π°ΠΏΠΎΠ»Π½Π΅Π½ΠΈΡ ΡΠ΅ΡΠΈΠ²Π΅ΡΠΎΠ² ΡΠΆΠ°ΡΡΠΌ Π²ΠΎΠ·Π΄ΡΡ ΠΎΠΌ Π΄ΠΎ Π½ΠΎΠΌΠΈΠ½Π°Π»ΡΠ½ΠΎΠ³ΠΎ Π΄Π°Π²Π»Π΅Π½ΠΈΡ Π½Π΅ Π΄ΠΎΠ»ΠΆΠ½ΠΎ ΠΏΡΠ΅Π²ΡΡΠ°ΡΡ 8 ΠΌΠΈΠ½ ΠΏΡΠΈ ΡΠ°ΡΡΠΎΡΠ΅ Π²ΡΠ°ΡΠ΅Π½ΠΈΡ ΠΊΠΎΠ»Π΅Π½ΡΠ°ΡΠΎΠ³ΠΎ Π²Π°Π»Π° Π΄Π²ΠΈΠ³Π°ΡΠ΅Π»Ρ 2600 ΠΌΠΈΠ½β1.
ΠΠ΅ΡΠΌΠ΅ΡΠΈΡΠ½ΠΎΡΡΡ ΠΏΠ½Π΅Π²ΠΌΠΎΠΏΡΠΈΠ²ΠΎΠ΄Π° ΠΏΡΠΎΠ²Π΅ΡΡΠΉΡΠ΅ ΠΏΡΠΈ Π½ΠΎΠΌΠΈΠ½Π°Π»ΡΠ½ΠΎΠΌ Π΄Π°Π²Π»Π΅Π½ΠΈΠΈ, Π²ΠΊΠ»ΡΡΠ΅Π½Π½ΡΡ ΠΏΠΎΡΡΠ΅Π±ΠΈΡΠ΅Π»ΡΡ ΡΠΆΠ°ΡΠΎΠ³ΠΎ Π²ΠΎΠ·Π΄ΡΡ Π° ΠΈ Π½Π΅ΡΠ°Π±ΠΎΡΠ°ΡΡΠ΅ΠΌ Π΄Π²ΠΈΠ³Π°ΡΠ΅Π»Π΅. ΠΠ΅ΡΡΠ° Π±ΠΎΠ»ΡΡΠΎΠΉ ΡΡΠ΅ΡΠΊΠΈ Π²ΠΎΠ·Π΄ΡΡ Π° ΠΎΠΏΡΠ΅Π΄Π΅Π»ΡΠΉΡΠ΅ Π½Π° ΡΠ»ΡΡ . ΠΠ΅Π·Π½Π°ΡΠΈΡΠ΅Π»ΡΠ½ΡΠ΅ ΡΡΠ΅ΡΠΊΠΈ ΠΌΠΎΠΆΠ½ΠΎ ΠΎΠΏΡΠ΅Π΄Π΅Π»ΠΈΡΡ, ΠΏΠΎΠΊΡΡΠ²Π°Ρ ΡΠΎΠ΅Π΄ΠΈΠ½Π΅Π½ΠΈΡ ΡΡΡΠ±ΠΎΠΏΡΠΎΠ²ΠΎΠ΄ΠΎΠ² ΠΌΡΠ»ΡΠ½ΠΎΠΉ ΡΠΌΡΠ»ΡΡΠΈΠ΅ΠΉ,
ΠΡΠΈ ΠΏΠΎΠΈΡΠΊΠ΅ Π½Π΅ΠΈΡΠΏΡΠ°Π²Π½ΠΎΡΡΠ΅ΠΉ ΠΏΠΎΠ»ΡΠ·ΡΠΉΡΠ΅ΡΡ Π‘Ρ Π΅ΠΌΠΎΠΉ ΠΏΠ½Π΅Π²ΠΌΠ°ΡΠΈΡΠ΅ΡΠΊΠΎΠ³ΠΎ ΠΏΡΠΈΠ²ΠΎΠ΄Π° ΡΠΎΡΠΌΠΎΠ·Π½ΡΡ ΡΠΈΡΡΠ΅ΠΌ, Π½Π° ΠΊΠΎΡΠΎΡΠΎΠΉ ΡΡΠ»ΠΎΠ²Π½ΠΎ ΠΈΠ·ΠΎΠ±ΡΠ°ΠΆΠ΅Π½Ρ ΡΠΎΡΠΌΠΎΠ·Π½ΡΠ΅ Π°ΠΏΠΏΠ°ΡΠ°ΡΡ ΠΈ ΡΡΡΠ±ΠΎΠΏΡΠΎΠ²ΠΎΠ΄Ρ, ΡΠΎΠ΅Π΄ΠΈΠ½ΡΡΡΠΈΠ΅ ΠΈΡ .
ΠΠΠΠΠΠΠΠ«Π ΠΠΠΠ‘ΠΠ ΠΠΠΠΠ‘Π’Π Π’ΠΠ ΠΠΠΠΠΠ Π‘ΠΠ‘Π’ΠΠΠ«, ΠΠ ΠΠ§ΠΠΠ« Π ΠΠΠ’ΠΠΠ« ΠΠ₯ Π£Π‘Π’Π ΠΠΠΠΠΠ―
ΠΠ΅ΠΈΡΠΏΡΠ°Π²Π½ΠΎΡΡΡ |
ΠΠΎΠ·ΠΌΠΎΠΆΠ½Π°Ρ ΠΏΡΠΈΡΠΈΠ½Π° |
ΠΠ΅ΡΠΎΠ΄ ΡΡΡΡΠ°Π½Π΅Π½ΠΈΡ |
| Π Π΅ΡΠΈΠ²Π΅ΡΡ ΠΏΠ½Π΅Π²ΠΌΠΎΡΠΈΡΡΠ΅ΠΌΡ Π½Π΅ Π·Π°ΠΏΠΎΠ»Π½ΡΡΡΡΡ ΠΈΠ»ΠΈ Π·Π°ΠΏΠΎΠ»Π½ΡΡΡΡΡ ΠΌΠ΅Π΄Π»Π΅Π½Π½ΠΎ | ΠΠ°ΡΡΡΠ΅Π½Π° Π³Π΅ΡΠΌΠ΅ΡΠΈΡΠ½ΠΎΡΡΡ ΡΠ΅ΡΠΈΠ²Π΅ΡΠ° | ΠΠ°ΠΌΠ΅Π½ΠΈΡΠ΅ ΡΠ΅ΡΠΈΠ²Π΅Ρ |
| ΠΠ΅Π³Π΅ΡΠΌΠ΅ΡΠΈΡΠ½ΠΎΡΡΡ ΡΠΎΠ΅Π΄ΠΈΠ½Π΅Π½ΠΈΠΉ ΡΡΡΠ±ΠΎΠΏΡΠΎΠ²ΠΎΠ΄ΠΎΠ² | Π£ΡΡΡΠ°Π½ΠΈΡΠ΅ Π½Π΅ΠΏΠ»ΠΎΡΠ½ΠΎΡΡΠΈ Π² ΡΠΎΠ΅Π΄ΠΈΠ½Π΅Π½ΠΈΡΡ | |
| ΠΠ°ΡΡΡΠ΅Π½Π° ΡΠ΅Π³ΡΠ»ΠΈΡΠΎΠ²ΠΊΠ° ΡΠ΅Π³ΡΠ»ΡΡΠΎΡΠ° Π΄Π°Π²Π»Π΅Π½ΠΈΡ | ΠΡΡΠ΅Π³ΡΠ»ΠΈΡΡΠΉΡΠ΅ ΡΠ΅Π³ΡΠ»ΡΡΠΎΡ Π΄Π°Π²Π»Π΅Π½ΠΈΡ | |
| Π§Π°ΡΡΠΎ ΡΡΠ°Π±Π°ΡΡΠ²Π°Π΅Ρ ΡΠ΅Π³ΡΠ»ΡΡΠΎΡ Π΄Π°Π²Π»Π΅Π½ΠΈΡ ΠΏΡΠΈ Π·Π°ΠΏΠΎΠ»Π½Π΅Π½Π½ΠΎΠΉ ΠΏΠ½Π΅Π²ΠΌΠΎΡΠΈΡΡΠ΅ΠΌΠ΅ | Π£ΡΠ΅ΡΠΊΠ° Π²ΠΎΠ·Π΄ΡΡ Π° Π² ΠΌΠ°Π³ΠΈΡΡΡΠ°Π»ΠΈ ΠΎΡ ΡΠ΅Π³ΡΠ»ΡΡΠΎΡΠ° Π΄Π°Π²Π»Π΅Π½ΠΈΡ Π΄ΠΎ Π±Π»ΠΎΠΊΠ° Π·Π°ΡΠΈΡΠ½ΡΡ ΠΊΠ»Π°ΠΏΠ°Π½ΠΎΠ² | Π£ΡΡΡΠ°Π½ΠΈΡΠ΅ ΡΡΠ΅ΡΠΊΡ |
| ΠΠ΅ΡΡΡΠ΅ΠΊΡΠΈΠ²Π½ΠΎΠ΅ ΡΠΎΡΠΌΠΎΠΆΠ΅Π½ΠΈΠ΅ ΠΈΠ»ΠΈ ΠΎΡΡΡΡΡΡΠ²ΠΈΠ΅ ΡΠΎΡΠΌΠΎΠΆΠ΅Π½ΠΈΡ ΠΏΡΠΈ ΠΏΠΎΠ»Π½ΠΎΡΡΡΡ Π½Π°ΠΆΠ°ΡΠΎΠΉ ΡΠΎΡΠΌΠΎΠ·Π½ΠΎΠΉ ΠΏΠ΅Π΄Π°Π»ΠΈ | Π£ΡΠ΅ΡΠΊΠ° Π²ΠΎΠ·Π΄ΡΡ Π° Π² ΠΊΠΎΠ½ΡΡΡΠ°Ρ I ΠΈ II ΠΏΠΎΡΠ»Π΅ ΡΠΎΡΠΌΠΎΠ·Π½ΠΎΠ³ΠΎ ΠΊΡΠ°Π½Π° | Π£ΡΡΡΠ°Π½ΠΈΡΠ΅ ΡΡΠ΅ΡΠΊΡ |
| ΠΡΠ΅Π²ΡΡΠ΅Π½ΠΈΠ΅ Π΄ΠΎΠΏΡΡΡΠΈΠΌΠΎΠΉ Π²Π΅Π»ΠΈΡΠΈΠ½Ρ Ρ ΠΎΠ΄Π° ΡΡΠΎΠΊΠΎΠ² ΡΠΎΡΠΌΠΎΠ·Π½ΡΡ ΠΊΠ°ΠΌΠ΅Ρ | ΠΡΡΠ΅Π³ΡΠ»ΠΈΡΡΠΉΡΠ΅ Ρ ΠΎΠ΄ ΡΡΠΎΠΊΠΎΠ² | |
| ΠΠ°ΡΡΡΠ΅Π½ΠΈΠ΅ ΡΠ΅Π³ΡΠ»ΠΈΡΠΎΠ²ΠΊΠΈ ΠΏΡΠΈΠ²ΠΎΠ΄Π° ΡΠΎΡΠΌΠΎΠ·Π½ΠΎΠ³ΠΎ ΠΊΡΠ°Π½Π° | ΠΡΡΠ΅Π³ΡΠ»ΠΈΡΡΠΉΡΠ΅ ΠΏΡΠΈΠ²ΠΎΠ΄ ΡΠΎΡΠΌΠΎΠ·Π½ΠΎΠ³ΠΎ ΠΊΡΠ°Π½Π° | |
| ΠΠ΅ΡΡΡΠ΅ΠΊΡΠΈΠ²Π½ΠΎΠ΅ ΡΠΎΡΠΌΠΎΠΆΠ΅Π½ΠΈΠ΅ ΠΈΠ»ΠΈ ΠΎΡΡΡΡΡΡΠ²ΠΈΠ΅ ΡΠΎΡΠΌΠΎΠΆΠ΅Π½ΠΈΡ ΡΡΠΎΡΠ½ΠΎΡΠ½ΠΎΠΉ ΠΈΠ»ΠΈ Π·Π°ΠΏΠ°ΡΠ½ΠΎΠΉ ΡΠΎΡΠΌΠΎΠ·Π½ΡΠΌΠΈ ΡΠΈΡΡΠ΅ΠΌΠ°ΠΌΠΈ | ΠΡΠ΅Π²ΡΡΠ΅Π½ΠΈΠ΅ Π΄ΠΎΠΏΡΡΡΠΈΠΌΠΎΠΉ Π²Π΅Π»ΠΈΡΠΈΠ½Ρ Ρ ΠΎΠ΄Π° ΡΡΠΎΠΊΠΎΠ² ΡΠΎΡΠΌΠΎΠ·Π½ΡΡ ΠΊΠ°ΠΌΠ΅Ρ | ΠΡΡΠ΅Π³ΡΠ»ΠΈΡΡΠΉΡΠ΅ Ρ ΠΎΠ΄ ΡΡΠΎΠΊΠΎΠ² |
| ΠΡΠΈ ΡΡΡΠ°Π½ΠΎΠ²ΠΊΠ΅ ΡΡΠΊΠΎΡΡΠΊΠΈ ΠΊΡΠ°Π½Π° ΡΠΏΡΠ°Π²Π»Π΅Π½ΠΈΡ ΡΡΠΎΡΠ½ΠΎΡΠ½ΠΎΠΉ ΡΠΈΡΡΠ΅ΠΌΠΎΠΉ Π² Π³ΠΎΡΠΈΠ·ΠΎΠ½ΡΠ°Π»ΡΠ½ΠΎΠ΅ ΠΏΠΎΠ»ΠΎΠΆΠ΅Π½ΠΈΠ΅ Π°Π²ΡΠΎΠΌΠΎΠ±ΠΈΠ»Ρ Π½Π΅ ΡΠ°ΡΡΠΎΡΠΌΠ°ΠΆΠΈΠ²Π°Π΅ΡΡΡ | Π£ΡΠ΅ΡΠΊΠ° Π²ΠΎΠ·Π΄ΡΡ Π° ΠΈΠ· ΡΡΡΠ±ΠΎΠΊ ΠΊΠΎΠ½ΡΡΡΠ° III, ΠΈΠ· Π°ΡΠΌΠΎΡΡΠ΅ΡΠ½ΠΎΠ³ΠΎ Π²ΡΠ²ΠΎΠ΄Π° ΡΡΠΊΠΎΡΠΈΡΠ΅Π»ΡΠ½ΠΎΠ³ΠΎ ΠΊΠ»Π°ΠΏΠ°Π½Π° | Π£ΡΡΡΠ°Π½ΠΈΡΠ΅ ΡΡΠ΅ΡΠΊΡ |
| ΠΡΡΡΡΡΡΠ²ΠΈΠ΅ ΡΠΎΡΠΌΠΎΠΆΠ΅Π½ΠΈΡ ΠΏΡΠΈ Π²ΠΊΠ»ΡΡΠ΅Π½ΠΈΠΈ Π²ΡΠΏΠΎΠΌΠΎΠ³Π°ΡΠ΅Π»ΡΠ½ΠΎΠΉ ΡΠΎΡΠΌΠΎΠ·Π½ΠΎΠΉ ΡΠΈΡΡΠ΅ΠΌΡ | ΠΠ°Π΅Π΄Π°Π½ΠΈΠ΅ Π·Π°ΡΠ»ΠΎΠ½ΠΎΠΊ ΠΌΠ΅Ρ Π°Π½ΠΈΠ·ΠΌΠΎΠ² Π²ΡΠΏΠΎΠΌΠΎΠ³Π°ΡΠ΅Π»ΡΠ½ΠΎΠΉΡΠΈΡΡΠ΅ΠΌΡ | Π Π°Π·Π±Π΅ΡΠΈΡΠ΅ ΠΌΠ΅Ρ Π°Π½ΠΈΠ·ΠΌ, ΠΎΡΠΈΡΡΠΈΡΠ΅ ΠΎΡ Π½Π°Π³Π°ΡΠ° ΠΈ ΠΏΡΠΎΠΌΠΎΠΉΡΠ΅ |
| Π£ΡΠ΅ΡΠΊΠ° Π²ΠΎΠ·Π΄ΡΡ Π° ΠΈΠ· ΠΌΠ°Π³ΠΈΡΡΡΠ°Π»ΠΈ Π²ΡΠΏΠΎΠΌΠΎΠ³Π°ΡΠ΅Π»ΡΠ½ΠΎΠΉ ΡΠΎΡΠΌΠΎΠ·Π½ΠΎΠΉ ΡΠΈΡΡΠ΅ΠΌΡ | Π£ΡΡΡΠ°Π½ΠΈΡΠ΅ ΡΡΠ΅ΡΠΊΡ |

kamaz.interdalnoboy.com
ΠΠΎΠΌΠΏΠΎΠ½Π΅Π½ΡΡ ΡΠΈΡΡΠ΅ΠΌΡ ΡΠΎΡΠΌΠΎΠ·Π° Π°Π²ΡΠΎΠΌΠΎΠ±ΠΈΠ»Π΅ΠΉ ΠΠ°ΠΌΠ°Π·


ΠΠ°ΠΏΠ°ΡΠ½ΡΠ΅ ΡΠ°ΡΡΠΈ Π΄Π»Ρ Π³ΡΡΠ·ΠΎΠ²ΡΡ Π°Π²ΡΠΎΠΌΠΎΠ±ΠΈΠ»Π΅ΠΉ Π£ΡΠ°Π», ΠΡΠ°Π·, ΠΠΠ, ΠΠ°ΠΌΠ°Π·. ΠΠ΅ΡΠ°Π»ΠΈ Π΄Π²ΠΈΠ³Π°ΡΠ΅Π»Π΅ΠΉ Π―ΠΠ-236, Π―ΠΠ-238
__________________________________________________________________________
__________________________________________________________________________
ΠΠΎΠΌΠΏΠΎΠ½Π΅Π½ΡΡ ΡΠΈΡΡΠ΅ΠΌΡ ΡΠΎΡΠΌΠΎΠ·Π° Π°Π²ΡΠΎΠΌΠΎΠ±ΠΈΠ»Π΅ΠΉ ΠΠ°ΠΌΠ°Π·
__________________________________________________________________
ΠΠ° Π°Π²ΡΠΎΠΌΠΎΠ±ΠΈΠ»ΡΡ ΠΠ°ΠΌΠ°Π·-5320, 53212, 53215, ΠΠ°ΠΌΠ°Π·-4310, 43114, 43118, ΠΠ°ΠΌΠ°Π·-55111, 55102, 5511, ΠΠ°ΠΌΠ°Π·-5410, 54115 ΡΡΡΠ°Π½ΠΎΠ²Π»Π΅Π½Π° ΡΠΎΡΠΌΠΎΠ·Π½Π°Ρ ΡΠΈΡΡΠ΅ΠΌΠ° Ρ ΠΏΠ½Π΅Π²ΠΌΠ°ΡΠΈΡΠ΅ΡΠΊΠΈΠΌ ΠΏΡΠΈΠ²ΠΎΠ΄ΠΎΠΌ.
ΠΠΎΠΌΠΏΡΠ΅ΡΡΠΎΡ ΠΠ°ΠΌΠ°Π· (ΡΠΈΡ.1) ΠΏΠΎΡΡΠ½Π΅Π²ΠΎΠ³ΠΎ ΡΠΈΠΏΠ°, ΠΎΠ΄Π½ΠΎΡΠΈΠ»ΠΈΠ½Π΄ΡΠΎΠ²ΡΠΉ, ΠΎΠ΄Π½ΠΎΡΡΡΠΏΠ΅Π½ΡΠ°ΡΠΎΠ³ΠΎ ΡΠΆΠ°ΡΠΈΡ. ΠΠΎΠΌΠΏΡΠ΅ΡΡΠΎΡ Π·Π°ΠΊΡΠ΅ΠΏΠ»Π΅Π½ Π½Π° ΠΏΠ΅ΡΠ΅Π΄Π½Π΅ΠΌ ΡΠΎΡΡΠ΅ ΠΊΠ°ΡΡΠ΅ΡΠ° ΠΌΠ°Ρ ΠΎΠ²ΠΈΠΊΠ° Π΄Π²ΠΈΠ³Π°ΡΠ΅Π»Ρ.

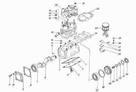
Π ΠΈΡ.1. ΠΠΎΠΌΠΏΡΠ΅ΡΡΠΎΡ Π°Π²ΡΠΎΠΌΠΎΠ±ΠΈΠ»Π΅ΠΉ ΠΠ°ΠΌΠ°Π·-5320, 53212, 53215, ΠΠ°ΠΌΠ°Π·-4310, 43114, 43118, ΠΠ°ΠΌΠ°Π·-55111, 55102, 5511, ΠΠ°ΠΌΠ°Π·-5410, 54115
1 — ΡΠ°ΡΡΠ½; 2 — ΠΏΠ°Π»Π΅Ρ ΠΏΠΎΡΡΠ½Ρ; 3 -ΠΌΠ°ΡΠ»ΠΎΡΡΠ΅ΠΌΠ½ΠΎΠ΅ ΠΊΠΎΠ»ΡΡΠΎ; 4 — ΠΊΠΎΠΌΠΏΡΠ΅ΡΡΠΈΠΎΠ½Π½ΠΎΠ΅ ΠΊΠΎΠ»ΡΡΠΎ; 5 -ΠΊΠΎΡΠΏΡΡ ΡΠΈΠ»ΠΈΠ½Π΄ΡΠ° ΠΊΠΎΠΌΠΏΡΠ΅ΡΡΠΎΡΠ°; 6 — ΠΏΡΠΎΡΡΠ°Π²ΠΊΠ° ΡΠΈΠ»ΠΈΠ½Π΄ΡΠ°; 7 — Π³ΠΎΠ»ΠΎΠ²ΠΊΠ° ΡΠΈΠ»ΠΈΠ½Π΄ΡΠ°; 8 — ΡΡΡΠΆΠ½ΠΎΠΉ Π±ΠΎΠ»Ρ; 9 — Π³Π°ΠΉΠΊΠ°; 10 -ΠΏΡΠΎΠΊΠ»Π°Π΄ΠΊΠΈ; 11 — ΠΏΠΎΡΡΠ΅Π½Ρ; 12, 13 — ΡΠΏΠ»ΠΎΡΠ½ΠΈΡΠ΅Π»ΡΠ½ΡΠ΅ ΠΊΠΎΠ»ΡΡΠ°; 14 — ΠΏΠΎΠ΄ΡΠΈΠΏΠ½ΠΈΠΊΠΈ ΡΠΊΠΎΠ»ΡΠΆΠ΅Π½ΠΈΡ; 15 — Π·Π°Π΄Π½ΡΡ ΠΊΡΡΡΠΊΠ° ΠΊΠ°ΡΡΠ΅ΡΠ°; 16 — ΠΊΠΎΠ»Π΅Π½ΡΠ°ΡΡΠΉ Π²Π°Π»; 17 — ΠΊΠ°ΡΡΠ΅Ρ; 18 -Π·ΡΠ±ΡΠ°ΡΠΎΠ΅ ΠΊΠΎΠ»Π΅ΡΠΎ ΠΏΡΠΈΠ²ΠΎΠ΄Π°; 19 — Π³Π°ΠΉΠΊΠ° ΠΊΡΠ΅ΠΏΠ»Π΅Π½ΠΈΡ Π·ΡΠ±ΡΠ°ΡΠΎΠ³ΠΎ ΠΊΠΎΠ»Π΅ΡΠ°; I — Π²Π²ΠΎΠ΄; II — Π²ΡΠ²ΠΎΠ΄ Π² ΠΏΠ½Π΅Π²ΠΌΠΎΡΠΈΡΡΠ΅ΠΌΡ
ΠΠΎΡΡΠ΅Π½Ρ Π²ΠΎΠ·Π΄ΡΡΠ½ΠΎΠ³ΠΎ ΠΊΠΎΠΌΠΏΡΠ΅ΡΡΠΎΡΠ° Π°Π²ΡΠΎΠΌΠΎΠ±ΠΈΠ»Π΅ΠΉ ΠΠ°ΠΌΠ°Π·-5320, 53212, 53215, ΠΠ°ΠΌΠ°Π·-4310, 43114, 43118, ΠΠ°ΠΌΠ°Π·-55111, 55102, 5511, ΠΠ°ΠΌΠ°Π·-5410, 54115 Π°Π»ΡΠΌΠΈΠ½ΠΈΠ΅Π²ΡΠΉ, Ρ ΠΏΠ»Π°Π²Π°ΡΡΠΈΠΌ ΠΏΠ°Π»ΡΡΠ΅ΠΌ. ΠΡ ΠΎΡΠ΅Π²ΠΎΠ³ΠΎ ΠΏΠ΅ΡΠ΅ΠΌΠ΅ΡΠ΅Π½ΠΈΡ ΠΏΠ°Π»Π΅Ρ Π² Π±ΠΎΠ±ΡΡΠΊΠ°Ρ ΠΏΠΎΡΡΠ½Ρ ΡΠΈΠΊΡΠΈΡΡΠ΅ΡΡΡ ΡΠΏΠΎΡΠ½ΡΠΌΠΈ ΠΊΠΎΠ»ΡΡΠ°ΠΌΠΈ.
ΠΠΎΠ·Π΄ΡΡ ΠΈΠ· ΠΊΠΎΠ»Π»Π΅ΠΊΡΠΎΡΠ° Π΄Π²ΠΈΠ³Π°ΡΠ΅Π»Ρ ΠΏΠΎΡΡΡΠΏΠ°Π΅Ρ Π² ΡΠΈΠ»ΠΈΠ½Π΄Ρ ΠΊΠΎΠΌΠΏΡΠ΅ΡΡΠΎΡΠ° ΡΠ΅ΡΠ΅Π· ΠΏΠ»Π°ΡΡΠΈΠ½ΡΠ°ΡΡΠΉ Π²ΠΏΡΡΠΊΠ½ΠΎΠΉ ΠΊΠ»Π°ΠΏΠ°Π½. Π‘ΠΆΠ°ΡΡΠΉ ΠΏΠΎΡΡΠ½Π΅ΠΌ Π²ΠΎΠ·Π΄ΡΡ Π²ΡΡΠ΅ΡΠ½ΡΠ΅ΡΡΡ Π² ΠΏΠ½Π΅Π²ΠΌΠΎΡΠΈΡΡΠ΅ΠΌΡ ΠΠ°ΠΌΠ°Π· ΡΠ΅ΡΠ΅Π· ΡΠ°ΡΠΏΠΎΠ»ΠΎΠΆΠ΅Π½Π½ΡΠΉ Π² Π³ΠΎΠ»ΠΎΠ²ΠΊΠ΅ ΡΠΈΠ»ΠΈΠ½Π΄ΡΠ° ΠΏΠ»Π°ΡΡΠΈΠ½ΡΠ°ΡΡΠΉ Π½Π°Π³Π½Π΅ΡΠ°ΡΠ΅Π»ΡΠ½ΡΠΉ ΠΊΠ»Π°ΠΏΠ°Π½.
ΠΠΎΠ»ΠΎΠ²ΠΊΠ° ΠΎΡ Π»Π°ΠΆΠ΄Π°Π΅ΡΡΡ ΠΆΠΈΠ΄ΠΊΠΎΡΡΡΡ, ΠΏΠΎΠ΄Π²ΠΎΠ΄ΠΈΠΌΠΎΠΉ ΠΈΠ· ΡΠΈΡΡΠ΅ΠΌΡ ΠΎΡ Π»Π°ΠΆΠ΄Π΅Π½ΠΈΡ Π΄Π²ΠΈΠ³Π°ΡΠ΅Π»Ρ. ΠΠ°ΡΠ»ΠΎ ΠΊ ΡΡΡΡΠΈΠΌΡΡ ΠΏΠΎΠ²Π΅ΡΡ Π½ΠΎΡΡΡΠΌ ΠΊΠΎΠΌΠΏΡΠ΅ΡΡΠΎΡΠ° ΠΏΠΎΠ΄Π°Π΅ΡΡΡ ΠΈΠ· ΠΌΠ°ΡΠ»ΡΠ½ΠΎΠΉ ΠΌΠ°Π³ΠΈΡΡΡΠ°Π»ΠΈ Π΄Π²ΠΈΠ³Π°ΡΠ΅Π»Ρ: ΠΊ Π·Π°Π΄Π½Π΅ΠΌΡ ΡΠΎΡΡΡ ΠΊΠΎΠ»Π΅Π½ΡΠ°ΡΠΎΠ³ΠΎ Π²Π°Π»Π° ΠΊΠΎΠΌΠΏΡΠ΅ΡΡΠΎΡΠ° ΠΈ ΠΏΠΎ ΠΊΠ°Π½Π°Π»Π°ΠΌ ΠΊΠΎΠ»Π΅Π½ΡΠ°ΡΠΎΠ³ΠΎ Π²Π°Π»Π° ΠΊ ΡΠ°ΡΡΠ½Ρ. ΠΠΎΡΡΠ½Π΅Π²ΠΎΠΉ ΠΏΠ°Π»Π΅Ρ ΠΈ ΡΡΠ΅Π½ΠΊΠΈ ΡΠΈΠ»ΠΈΠ½Π΄ΡΠ° ΡΠΌΠ°Π·ΡΠ²Π°ΡΡΡΡ ΡΠ°Π·Π±ΡΡΠ·Π³ΠΈΠ²Π°Π½ΠΈΠ΅ΠΌ.
ΠΡΠΈ Π΄ΠΎΡΡΠΈΠΆΠ΅Π½ΠΈΠΈ Π² ΠΏΠ½Π΅Π²ΠΌΠΎΡΠΈΡΡΠ΅ΠΌΠ΅ Π΄Π°Π²Π»Π΅Π½ΠΈΡ 800-20 ΠΊΠΠ° (8,0-0,2ΠΊΠ³Ρ/ΡΠΌ2) ΡΠ΅Π³ΡΠ»ΡΡΠΎΡ Π΄Π°Π²Π»Π΅Π½ΠΈΡ ΠΠ°ΠΌΠ°Π· ΡΠΎΠΎΠ±ΡΠ°Π΅Ρ Π½Π°Π³Π½Π΅ΡΠ°ΡΠ΅Π»ΡΠ½ΡΡ ΠΌΠ°Π³ΠΈΡΡΡΠ°Π»Ρ Ρ ΠΎΠΊΡΡΠΆΠ°ΡΡΠ΅ΠΉ ΡΡΠ΅Π΄ΠΎΠΉ, ΠΏΡΠ΅ΠΊΡΠ°ΡΠ°Ρ ΠΏΠΎΠ΄Π°ΡΡ Π²ΠΎΠ·Π΄ΡΡ Π° Π² ΠΏΠ½Π΅Π²ΠΌΠΎΡΠΈΡΡΠ΅ΠΌΡ.
ΠΠΎΠ³Π΄Π° Π΄Π°Π²Π»Π΅Π½ΠΈΠ΅ Π²ΠΎΠ·Π΄ΡΡ Π° Π² ΠΏΠ½Π΅Π²ΠΌΠΎΡΠΈΡΡΠ΅ΠΌΠ΅ ΡΠ½ΠΈΠ·ΠΈΡΡΡ Π΄ΠΎ 650+50ΠΊΠΠ° (6,5+0,5 ΠΊΠ³Ρ/ΡΠΌ2), ΡΠ΅Π³ΡΠ»ΡΡΠΎΡ ΠΏΠ΅ΡΠ΅ΠΊΡΡΠ²Π°Π΅Ρ Π²ΡΡ ΠΎΠ΄ Π²ΠΎΠ·Π΄ΡΡ Π° Π² ΠΎΠΊΡΡΠΆΠ°ΡΡΡΡ ΡΡΠ΅Π΄Ρ ΠΈ ΠΊΠΎΠΌΠΏΡΠ΅ΡΡΠΎΡ ΡΠ½ΠΎΠ²Π° Π½Π°ΡΠΈΠ½Π°Π΅Ρ Π½Π°Π³Π½Π΅ΡΠ°ΡΡ Π²ΠΎΠ·Π΄ΡΡ Π² ΠΏΠ½Π΅Π²ΠΌΠΎΡΠΈΡΡΠ΅ΠΌΡ.
ΠΠ»Π°Π³ΠΎΠΎΡΠ΄Π΅Π»ΠΈΡΠ΅Π»Ρ ΠΏΡΠ΅Π΄Π½Π°Π·Π½Π°ΡΠ΅Π½ Π΄Π»Ρ Π²ΡΠ΄Π΅Π»Π΅Π½ΠΈΡ ΠΊΠΎΠ½Π΄Π΅Π½ΡΠ°ΡΠ° ΠΈΠ· ΡΠΆΠ°ΡΠΎΠ³ΠΎ Π²ΠΎΠ·Π΄ΡΡ Π° ΠΈ Π΅Π³ΠΎ Π°Π²ΡΠΎΠΌΠ°ΡΠΈΡΠ΅ΡΠΊΠΎΠ³ΠΎ ΡΠ΄Π°Π»Π΅Π½ΠΈΡ ΠΈΠ· ΠΏΠΈΡΠ°ΡΡΠ΅ΠΉ ΡΠ°ΡΡΠΈ ΠΏΡΠΈΠ²ΠΎΠ΄Π°. Π£ΡΡΡΠΎΠΉΡΡΠ²ΠΎ Π²Π»Π°Π³ΠΎΠΎΡΠ΄Π΅Π»ΠΈΡΠ΅Π»Ρ ΠΏΠΎΠΊΠ°Π·Π°Π½ΠΎ Π½Π° ΡΠΈΡ.2.
Π ΠΈΡ.2. ΠΠ»Π°Π³ΠΎΠΎΡΠ΄Π΅Π»ΠΈΡΠ΅Π»Ρ ΡΠΎΠ·ΠΌΠΎΠ·Π½ΠΎΠΉ ΡΠΈΡΡΠ΅ΠΌΡ Π°Π²ΡΠΎΠΌΠΎΠ±ΠΈΠ»Π΅ΠΉ ΠΠ°ΠΌΠ°Π·-5320, 53212, 53215, ΠΠ°ΠΌΠ°Π·-4310, 43114, 43118, ΠΠ°ΠΌΠ°Π·-55111, 55102, 5511, ΠΠ°ΠΌΠ°Π·-5410, 54115
1 — ΡΠ°Π΄ΠΈΠ°ΡΠΎΡ Ρ ΡΠ΅Π±ΡΠΈΡΡΡΠΌΠΈ ΡΡΡΠ±ΠΊΠ°ΠΌΠΈ; 2 — ΠΊΠΎΡΠΏΡΡ; 3 — Π²ΠΈΠ½Ρ ΠΏΡΡΡΠΎΡΠ΅Π»ΡΠΉ; 4 — Π°ΠΏΠΏΠ°ΡΠ°Ρ Π½Π°ΠΏΡΠ°Π²Π»ΡΡΡΠΈΠΉ; 5 — ΡΠΈΠ»ΡΡΡ; 6 — ΠΌΠ΅ΠΌΠ±ΡΠ°Π½Π°; 7 — ΠΊΡΡΡΠΊΠ°; 8 — ΠΊΠ»Π°ΠΏΠ°Π½ ΡΠ»ΠΈΠ²Π° ΠΊΠΎΠ½Π΄Π΅Π½ΡΠ°ΡΠ°; I — ΠΊ ΡΠ΅Π³ΡΠ»ΡΡΠΎΡΡ Π΄Π°Π²Π»Π΅Π½ΠΈΡ; II — ΠΎΡ ΠΊΠΎΠΌΠΏΡΠ΅ΡΡΠΎΡΠ°; III — Π² Π°ΡΠΌΠΎΡΡΠ΅ΡΡ
Π‘ΠΆΠ°ΡΡΠΉ Π²ΠΎΠ·Π΄ΡΡ ΠΎΡ Π²ΠΎΠ·Π΄ΡΡΠ½ΠΎΠ³ΠΎ ΠΊΠΎΠΌΠΏΡΠ΅ΡΡΠΎΡΠ° ΠΠ°ΠΌΠ°Π· ΡΠ΅ΡΠ΅Π· ΠΏΠΎΠ΄Π²ΠΎΠ΄ II ΠΏΠΎΠ΄Π°Π΅ΡΡΡ Π² ΠΎΡΠ΅Π±ΡΠ΅Π½Π½ΡΡ Π°Π»ΡΠΌΠΈΠ½ΠΈΠ΅Π²ΡΡ ΡΡΡΠ±ΠΊΡΠΎΡ Π»Π°Π΄ΠΈΡΠ΅Π»Ρ (ΡΠ°Π΄ΠΈΠ°ΡΠΎΡ) 1, Π³Π΄Π΅ ΠΏΠΎΡΡΠΎΡΠ½Π½ΠΎ ΠΎΡ Π»Π°ΠΆΠ΄Π°Π΅ΡΡΡ ΠΏΠΎΡΠΎΠΊΠΎΠΌ Π²ΡΡΡΠ΅ΡΠ½ΠΎΠ³ΠΎ Π²ΠΎΠ·Π΄ΡΡ Π°.
ΠΠ°ΡΠ΅ΠΌ Π²ΠΎΠ·Π΄ΡΡ ΠΏΡΠΎΡ ΠΎΠ΄ΠΈΡ ΠΏΠΎ ΡΠ΅Π½ΡΡΠΎΠ±Π΅ΠΆΠ½ΡΠΌ Π½Π°ΠΏΡΠ°Π²Π»ΡΡΡΠΈΠΌ Π΄ΠΈΡΠΊΠ°ΠΌ Π½Π°ΠΏΡΠ°Π²Π»ΡΡΡΠ΅Π³ΠΎ Π°ΠΏΠΏΠ°ΡΠ°ΡΠ° 4 ΡΠ΅ΡΠ΅Π· ΠΎΡΠ²Π΅ΡΡΡΠΈΠ΅ ΠΏΡΡΡΠΎΡΠ΅Π»ΠΎΠ³ΠΎ Π²ΠΈΠ½ΡΠ° 3 Π² ΠΊΠΎΡΠΏΡΡΠ΅ 2 ΠΊ Π²ΡΠ²ΠΎΠ΄Ρ I ΠΈ Π΄Π°Π»Π΅Π΅ Π² ΠΏΠ½Π΅Π²ΠΌΠ°ΡΠΈΡΠ΅ΡΠΊΠΈΠΉ ΡΠΎΡΠΌΠΎΠ·Π½ΠΎΠΉ ΠΏΡΠΈΠ²ΠΎΠ΄.
ΠΡΠ΄Π΅Π»ΡΠ²ΡΠ°ΡΡΡ Π·Π° ΡΡΠ΅Ρ ΡΠ΅ΡΠΌΠΎΠ΄ΠΈΠ½Π°ΠΌΠΈΡΠ΅ΡΠΊΠΎΠ³ΠΎ ΡΡΡΠ΅ΠΊΡΠ° Π²Π»Π°Π³Π°, ΡΡΠ΅ΠΊΠ°Ρ ΡΠ΅ΡΠ΅Π· ΡΠΈΠ»ΡΡΡ 5, ΡΠΊΠ°ΠΏΠ»ΠΈΠ²Π°Π΅ΡΡΡ Π² Π½ΠΈΠΆΠ½Π΅ΠΉ ΠΊΡΡΡΠΊΠ΅ 7. ΠΡΠΈ ΡΡΠ°Π±Π°ΡΡΠ²Π°Π½ΠΈΠΈ ΡΠ΅Π³ΡΠ»ΡΡΠΎΡΠ° ΡΠΎΡΠΌΠΎΠ·ΠΎΠ² ΠΠ°ΠΌΠ°Π· Π΄Π°Π²Π»Π΅Π½ΠΈΠ΅ Π²ΠΎ Π²Π»Π°Π³ΠΎΠΎΡΠ΄Π΅Π»ΠΈΡΠ΅Π»Ρ ΠΏΠ°Π΄Π°Π΅Ρ, ΠΏΡΠΈ ΡΡΠΎΠΌ ΠΌΠ΅ΠΌΠ±ΡΠ°Π½Π° 6 ΠΏΠ΅ΡΠ΅ΠΌΠ΅ΡΠ°Π΅ΡΡΡ Π²Π²Π΅ΡΡ .
ΠΠ»Π°ΠΏΠ°Π½ 8 ΡΠ»ΠΈΠ²Π° ΠΊΠΎΠ½Π΄Π΅Π½ΡΠ°ΡΠ° ΠΎΡΠΊΡΡΠ²Π°Π΅ΡΡΡ, ΡΠΊΠΎΠΏΠΈΠ²ΡΠ°ΡΡΡ ΡΠΌΠ΅ΡΡ Π²ΠΎΠ΄Ρ ΠΈ ΠΌΠ°ΡΠ»Π° ΡΠ΅ΡΠ΅Π· Π²ΡΠ²ΠΎΠ΄ III ΡΠ΄Π°Π»ΡΠ΅ΡΡΡ Π² Π°ΡΠΌΠΎΡΡΠ΅ΡΡ. ΠΠ°ΠΏΡΠ°Π²Π»Π΅Π½ΠΈΠ΅ ΠΏΠΎΡΠΎΠΊΠ° ΡΠΆΠ°ΡΠΎΠ³ΠΎ Π²ΠΎΠ·Π΄ΡΡ Π° ΠΏΠΎΠΊΠ°Π·Π°Π½ΠΎ ΡΡΡΠ΅Π»ΠΊΠ°ΠΌΠΈ Π½Π° ΠΊΠΎΡΠΏΡΡΠ΅ 2.

Π ΠΈΡ.3. Π Π΅Π³ΡΠ»ΡΡΠΎΡ Π΄Π°Π²Π»Π΅Π½ΠΈΡ ΡΠΎΡΠΌΠΎΠ·Π½ΠΎΠΉ ΡΠΈΡΡΠ΅ΠΌΡ Π°Π²ΡΠΎΠΌΠΎΠ±ΠΈΠ»Π΅ΠΉ ΠΠ°ΠΌΠ°Π·-5320, 53212, 53215, ΠΠ°ΠΌΠ°Π·-4310, 43114, 43118, ΠΠ°ΠΌΠ°Π·-55111, 55102, 5511, ΠΠ°ΠΌΠ°Π·-5410, 54115
1 — ΠΊΠ»Π°ΠΏΠ°Π½ ΡΠ°Π·Π³ΡΡΠ·ΠΎΡΠ½ΡΠΉ; 2 -ΡΠΈΠ»ΡΡΡ; 3 — ΠΏΡΠΎΠ±ΠΊΠ° ΠΊΠ°Π½Π°Π»Π° ΠΎΡΠ±ΠΎΡΠ° Π²ΠΎΠ·Π΄ΡΡ
Π°; 4
— ΠΊΠ»Π°ΠΏΠ°Π½ Π²ΡΠΏΡΡΠΊΠ½ΠΎΠΉ; 5 — ΠΏΡΡΠΆΠΈΠ½Π° ΡΡΠ°Π²Π½ΠΎΠ²Π΅ΡΠΈΠ²Π°ΡΡΠ°Ρ; 6 — Π²ΠΈΠ½Ρ
ΡΠ΅Π³ΡΠ»ΠΈΡΠΎΠ²ΠΎΡΠ½ΡΠΉ; 7
— ΡΠ΅Ρ
ΠΎΠ» Π·Π°ΡΠΈΡΠ½ΡΠΉ; 8 — ΠΏΠΎΡΡΠ΅Π½Ρ ΡΠ»Π΅Π΄ΡΡΠΈΠΉ; 9, 10, 12 — ΠΊΠ°Π½Π°Π»Ρ; 11 — ΠΊΠ»Π°ΠΏΠ°Π½
ΠΎΠ±ΡΠ°ΡΠ½ΡΠΉ; 13 — ΠΊΠ»Π°ΠΏΠ°Π½ Π²ΠΏΡΡΠΊΠ½ΠΎΠΉ; 14 — ΠΏΠΎΡΡΠ΅Π½Ρ ΡΠ°Π·Π³ΡΡΠ·ΠΎΡΠ½ΡΠΉ; 15 — ΡΠ΅Π΄Π»ΠΎ
ΡΠ°Π·Π³ΡΡΠ·ΠΎΡΠ½ΠΎΠ³ΠΎ ΠΊΠ»Π°ΠΏΠ°Π½Π°; 16 — ΠΊΠ»Π°ΠΏΠ°Π½ Π΄Π»Ρ Π½Π°ΠΊΠ°ΡΠΊΠΈ ΡΠΈΠ½; 17 -ΠΊΠΎΠ»ΠΏΠ°ΡΠΎΠΊ; I, III
— Π²ΡΠ²ΠΎΠ΄Ρ Π°ΡΠΌΠΎΡΡΠ΅ΡΠ½ΡΠ΅; II — Π² ΠΏΠ½Π΅Π²ΠΌΠΎΡΠΈΡΡΠ΅ΠΌΡ; IV — ΠΎΡ ΠΊΠΎΠΌΠΏΡΠ΅ΡΡΠΎΡΠ°; Π‘ —
ΠΏΠΎΠ»ΠΎΡΡΡ ΠΏΠΎΠ΄
ΡΠ»Π΅Π΄ΡΡΠΈΠΌ ΠΏΠΎΡΡΠ½Π΅ΠΌ; D — ΠΏΠΎΠ»ΠΎΡΡΡ ΠΏΠΎΠ΄ ΡΠ°Π·Π³ΡΡΠ·ΠΎΡΠ½ΡΠΌ ΠΏΠΎΡΡΠ½Π΅ΠΌ
Π Π΅Π³ΡΠ»ΡΡΠΎΡ Π΄Π°Π²Π»Π΅Π½ΠΈΡ ΡΠΎΡΠΌΠΎΠ·ΠΎΠ² ΠΠ°ΠΌΠ°Π· ΠΏΡΠ΅Π΄Π½Π°Π·Π½Π°ΡΠ΅Π½:
β Π΄Π»Ρ ΡΠ΅Π³ΡΠ»ΠΈΡΠΎΠ²Π°Π½ΠΈΡ Π΄Π°Π²Π»Π΅Π½ΠΈΡ ΡΠΆΠ°ΡΠΎΠ³ΠΎ Π²ΠΎΠ·Π΄ΡΡ Π° Π² ΠΏΠ½Π΅Π²ΠΌΠΎΡΠΈΡΡΠ΅ΠΌΠ΅;
β ΠΏΡΠ΅Π΄ΠΎΡ ΡΠ°Π½Π΅Π½ΠΈΡ ΠΏΠ½Π΅Π²ΠΌΠΎΡΠΈΡΡΠ΅ΠΌΡ ΠΎΡ ΠΏΠ΅ΡΠ΅Π³ΡΡΠ·ΠΊΠΈ ΠΈΠ·Π±ΡΡΠΎΡΠ½ΡΠΌ Π΄Π°Π²Π»Π΅Π½ΠΈΠ΅ΠΌ;
β ΠΎΡΠΈΡΡΠΊΠΈ ΡΠΆΠ°ΡΠΎΠ³ΠΎ Π²ΠΎΠ·Π΄ΡΡ Π° ΠΎΡ Π²Π»Π°Π³ΠΈ ΠΈ ΠΌΠ°ΡΠ»Π°;
β ΠΎΠ±Π΅ΡΠΏΠ΅ΡΠ΅Π½ΠΈΡ Π½Π°ΠΊΠ°ΡΠΊΠΈ ΡΠΈΠ½.
Π‘ΠΆΠ°ΡΡΠΉ Π²ΠΎΠ·Π΄ΡΡ ΠΎΡ ΠΊΠΎΠΌΠΏΡΠ΅ΡΡΠΎΡΠ° ΠΠ°ΠΌΠ°Π· ΡΠ΅ΡΠ΅Π· Π²ΡΠ²ΠΎΠ΄ IV ΡΠ΅Π³ΡΠ»ΡΡΠΎΡΠ°, ΡΠΈΠ»ΡΡΡ 2, ΠΊΠ°Π½Π°Π» 12 ΠΏΠΎΠ΄Π°Π΅ΡΡΡ Π² ΠΊΠΎΠ»ΡΡΠ΅Π²ΠΎΠΉ ΠΊΠ°Π½Π°Π». Π§Π΅ΡΠ΅Π· ΠΎΠ±ΡΠ°ΡΠ½ΡΠΉ ΠΊΠ»Π°ΠΏΠ°Π½ 11 ΡΠΆΠ°ΡΡΠΉ Π²ΠΎΠ·Π΄ΡΡ ΠΏΠΎΡΡΡΠΏΠ°Π΅Ρ ΠΊ Π²ΡΠ²ΠΎΠ΄Ρ II ΠΈ Π΄Π°Π»Π΅Π΅ Π² ΡΠ΅ΡΠΈΠ²Π΅ΡΡ ΠΏΠ½Π΅Π²ΠΌΠΎΡΠΈΡΡΠ΅ΠΌΡ Π°Π²ΡΠΎΠΌΠΎΠ±ΠΈΠ»Ρ.
ΠΠ΄Π½ΠΎΠ²ΡΠ΅ΠΌΠ΅Π½Π½ΠΎ ΠΏΠΎ ΠΊΠ°Π½Π°Π»Ρ 9 ΡΠΆΠ°ΡΡΠΉ Π²ΠΎΠ·Π΄ΡΡ ΠΏΡΠΎΡ ΠΎΠ΄ΠΈΡ ΠΏΠΎΠ΄ ΠΏΠΎΡΡΠ΅Π½Ρ 8, ΠΊΠΎΡΠΎΡΡΠΉ Π½Π°Π³ΡΡΠΆΠ΅Π½ ΡΡΠ°Π²Π½ΠΎΠ²Π΅ΡΠΈΠ²Π°ΡΡΠ΅ΠΉ ΠΏΡΡΠΆΠΈΠ½ΠΎΠΉ 5. ΠΡΠΈ ΡΡΠΎΠΌ Π²ΡΠΏΡΡΠΊΠ½ΠΎΠΉ ΠΊΠ»Π°ΠΏΠ°Π½ 4, ΡΠΎΠ΅Π΄ΠΈΠ½ΡΡΡΠΈΠΉ ΠΏΠΎΠ»ΠΎΡΡΡ Π½Π°Π΄ ΡΠ°Π·Π³ΡΡΠ·ΠΎΡΠ½ΡΠΌ ΠΏΠΎΡΡΠ½Π΅ΠΌ 14 Ρ Π°ΡΠΌΠΎΡΡΠ΅ΡΠΎΠΉ ΡΠ΅ΡΠ΅Π· Π²ΡΠ²ΠΎΠ΄ I, ΠΎΡΠΊΡΡΡ, Π° Π²ΠΏΡΡΠΊΠ½ΠΎΠΉ ΠΊΠ»Π°ΠΏΠ°Π½ 13 ΠΏΠΎΠ΄ Π΄Π΅ΠΉΡΡΠ²ΠΈΠ΅ΠΌ ΠΏΡΡΠΆΠΈΠ½Ρ Π·Π°ΠΊΡΡΡ.
ΠΠΎΠ΄ Π΄Π΅ΠΉΡΡΠ²ΠΈΠ΅ΠΌ ΠΏΡΡΠΆΠΈΠ½Ρ Π·Π°ΠΊΡΡΡ ΡΠ°ΠΊΠΆΠ΅ ΠΈ ΡΠ°Π·Π³ΡΡΠ·ΠΎΡΠ½ΡΠΉ ΠΊΠ»Π°ΠΏΠ°Π½ 1. ΠΡΠΈ ΡΠ°ΠΊΠΎΠΌ ΡΠΎΡΡΠΎΡΠ½ΠΈΠΈ ΡΠ΅Π³ΡΠ»ΡΡΠΎΡΠ° Π΄Π°Π²Π»Π΅Π½ΠΈΡ ΠΠ°ΠΌΠ°Π· ΡΠΈΡΡΠ΅ΠΌΠ° Π½Π°ΠΏΠΎΠ»Π½ΡΠ΅ΡΡΡ ΡΠΆΠ°ΡΡΠΌ Π²ΠΎΠ·Π΄ΡΡ ΠΎΠΌ ΠΎΡ ΠΊΠΎΠΌΠΏΡΠ΅ΡΡΠΎΡΠ°.
ΠΡΠΈ Π΄Π°Π²Π»Π΅Π½ΠΈΠΈ Π² ΠΏΠΎΠ»ΠΎΡΡΠΈ ΠΏΠΎΠ΄ ΠΏΠΎΡΡΠ½Π΅ΠΌ 8, ΡΠ°Π²Π½ΠΎΠΌ 686,5… 735,5 ΠΊΠa (7 … 7,5 ΠΊΠ³Ρ/ ΡΠΌ2), ΠΏΠΎΡΡΠ΅Π½Ρ, ΠΏΡΠ΅ΠΎΠ΄ΠΎΠ»Π΅Π² ΡΡΠΈΠ»ΠΈΠ΅ ΡΡΠ°Π²Π½ΠΎΠ²Π΅ΡΠΈΠ²Π°ΡΡΠ΅ΠΉ ΠΏΡΡΠΆΠΈΠ½Ρ 5, ΠΏΠΎΠ΄Π½ΠΈΠΌΠ°Π΅ΡΡΡ Π²Π²Π΅ΡΡ , ΠΊΠ»Π°ΠΏΠ°Π½ 4 Π·Π°ΠΊΡΡΠ²Π°Π΅ΡΡΡ, Π²ΠΏΡΡΠΊΠ½ΠΎΠΉ ΠΊΠ»Π°ΠΏΠ°Π½ 13 ΠΎΡΠΊΡΡΠ²Π°Π΅ΡΡΡ.
ΠΠΎΠ΄ Π΄Π΅ΠΉΡΡΠ²ΠΈΠ΅ΠΌ ΡΠΆΠ°ΡΠΎΠ³ΠΎ Π²ΠΎΠ·Π΄ΡΡ Π° ΡΠ°Π·Π³ΡΡΠ·ΠΎΡΠ½ΡΠΉ ΠΏΠΎΡΡΠ΅Π½Ρ 14 ΠΏΠ΅ΡΠ΅ΠΌΠ΅ΡΠ°Π΅ΡΡΡ Π²Π½ΠΈΠ·, ΡΠ°Π·Π³ΡΡΠ·ΠΎΡΠ½ΡΠΉ ΠΊΠ»Π°ΠΏΠ°Π½ 1 ΠΎΡΠΊΡΡΠ²Π°Π΅ΡΡΡ, ΠΈ ΡΠΆΠ°ΡΡΠΉ Π²ΠΎΠ·Π΄ΡΡ ΠΈΠ· ΠΊΠΎΠΌΠΏΡΠ΅ΡΡΠΎΡΠ° ΡΠ΅ΡΠ΅Π· Π²ΡΠ²ΠΎΠ΄ III Π²ΡΡ ΠΎΠ΄ΠΈΡ Π² Π°ΡΠΌΠΎΡΡΠ΅ΡΡ Π²ΠΌΠ΅ΡΡΠ΅ ΡΠΎ ΡΠΊΠΎΠΏΠΈΠ²ΡΠΈΠΌΡΡ Π² ΠΏΠΎΠ»ΠΎΡΡΠΈ ΠΊΠΎΠ½Π΄Π΅Π½ΡΠ°ΡΠΎΠΌ.
ΠΡΠΈ ΡΡΠΎΠΌ Π΄Π°Π²Π»Π΅Π½ΠΈΠ΅ Π² ΠΊΠΎΠ»ΡΡΠ΅Π²ΠΎΠΌ ΠΊΠ°Π½Π°Π»Π΅ ΠΏΠ°Π΄Π°Π΅Ρ ΠΈ ΠΎΠ±ΡΠ°ΡΠ½ΡΠΉ ΠΊΠ»Π°ΠΏΠ°Π½ 11 Π·Π°ΠΊΡΡΠ²Π°Π΅ΡΡΡ. Π’Π°ΠΊΠΈΠΌ ΠΎΠ±ΡΠ°Π·ΠΎΠΌ, ΠΊΠΎΠΌΠΏΡΠ΅ΡΡΠΎΡ Π°Π²ΡΠΎΠΌΠΎΠ±ΠΈΠ»Π΅ΠΉ ΠΠ°ΠΌΠ°Π·-5320, 53212, 53215, ΠΠ°ΠΌΠ°Π·-4310, 43114, 43118, ΠΠ°ΠΌΠ°Π·-55111, 55102, 5511, ΠΠ°ΠΌΠ°Π·-5410, 54115 ΡΠ°Π±ΠΎΡΠ°Π΅Ρ Π² ΡΠ°Π·Π³ΡΡΠΆΠ΅Π½Π½ΠΎΠΌ ΡΠ΅ΠΆΠΈΠΌΠ΅ Π±Π΅Π· ΠΏΡΠΎΡΠΈΠ²ΠΎΠ΄Π°Π²Π»Π΅Π½ΠΈΡ.
ΠΠΎΠ³Π΄Π° Π΄Π°Π²Π»Π΅Π½ΠΈΠ΅ Π² Π²ΡΠ²ΠΎΠ΄Π΅ II ΠΏΠΎΠ½ΠΈΠ·ΠΈΡΡΡ Π΄ΠΎ 608… 637,5 ΠΊΠa (6,2… 6,5
ΠΊΠ³Ρ/ΡΠΌ2), ΠΏΠΎΡΡΠ΅Π½Ρ 8 ΠΏΠΎΠ΄ Π΄Π΅ΠΉΡΡΠ²ΠΈΠ΅ΠΌ ΠΏΡΡΠΆΠΈΠ½Ρ 5 ΠΏΠ΅ΡΠ΅ΠΌΠ΅ΡΠ°Π΅ΡΡΡ Π²Π½ΠΈΠ·, ΠΊΠ»Π°ΠΏΠ°Π½ 13
Π·Π°ΠΊΡΡΠ²Π°Π΅ΡΡΡ, Π° Π²ΡΠΏΡΡΠΊΠ½ΠΎΠΉ ΠΊΠ»Π°ΠΏΠ°Π½ 4 ΠΎΡΠΊΡΡΠ²Π°Π΅ΡΡΡ.
ΠΡΠΈ ΡΡΠΎΠΌ ΡΠ°Π·Π³ΡΡΠ·ΠΎΡΠ½ΡΠΉ ΠΏΠΎΡΡΠ΅Π½Ρ 14 ΠΏΠΎΠ΄ Π΄Π΅ΠΉΡΡΠ²ΠΈΠ΅ΠΌ ΠΏΡΡΠΆΠΈΠ½Ρ ΠΏΠΎΠ΄Π½ΠΈΠΌΠ°Π΅ΡΡΡ Π²Π²Π΅ΡΡ , ΠΊΠ»Π°ΠΏΠ°Π½ 1 ΠΏΠΎΠ΄ Π΄Π΅ΠΉΡΡΠ²ΠΈΠ΅ΠΌ ΠΏΡΡΠΆΠΈΠ½Ρ Π·Π°ΠΊΡΡΠ²Π°Π΅ΡΡΡ, ΠΈ ΠΊΠΎΠΌΠΏΡΠ΅ΡΡΠΎΡ ΠΠ°ΠΌΠ°Π· Π½Π°Π³Π½Π΅ΡΠ°Π΅Ρ ΡΠΆΠ°ΡΡΠΉ Π²ΠΎΠ·Π΄ΡΡ Π² ΠΏΠ½Π΅Π²ΠΌΠΎΡΠΈΡΡΠ΅ΠΌΡ.
Π Π°Π·Π³ΡΡΠ·ΠΎΡΠ½ΡΠΉ ΠΊΠ»Π°ΠΏΠ°Π½ 1 ΡΠ»ΡΠΆΠΈΡ ΡΠ°ΠΊΠΆΠ΅ ΠΏΡΠ΅Π΄ΠΎΡ ΡΠ°Π½ΠΈΡΠ΅Π»ΡΠ½ΡΠΌ ΠΊΠ»Π°ΠΏΠ°Π½ΠΎΠΌ. ΠΡΠ»ΠΈ ΡΠ΅Π³ΡΠ»ΡΡΠΎΡ Π½Π΅ ΡΡΠ°Π±Π°ΡΡΠ²Π°Π΅Ρ ΠΏΡΠΈ Π΄Π°Π²Π»Π΅Π½ΠΈΠΈ 686,5… 735,5 ΠΊΠa (7… 7,5 ΠΊΠ³Ρ/ΡΠΌ2), ΡΠΎ ΠΊΠ»Π°ΠΏΠ°Π½ 1 ΠΎΡΠΊΡΡΠ²Π°Π΅ΡΡΡ, ΠΏΡΠ΅ΠΎΠ΄ΠΎΠ»Π΅Π² ΡΠΎΠΏΡΠΎΡΠΈΠ²Π»Π΅Π½ΠΈΠ΅ ΡΠ²ΠΎΠ΅ΠΉ ΠΏΡΡΠΆΠΈΠ½Ρ ΠΈ ΠΏΡΡΠΆΠΈΠ½Ρ ΠΏΠΎΡΡΠ½Ρ 14.
ΠΠ»Π°ΠΏΠ°Π½ 1 ΠΎΡΠΊΡΡΠ²Π°Π΅ΡΡΡ ΠΏΡΠΈ Π΄Π°Π²Π»Π΅Π½ΠΈΠΈ 980,7… 1274,9 ΠΊΠa (10… 13 ΠΊΠ³Ρ/ΡΠΌ2). ΠΠ°Π²Π»Π΅Π½ΠΈΠ΅ ΠΎΡΠΊΡΡΡΠΈΡ ΡΠ΅Π³ΡΠ»ΠΈΡΡΡΡ ΠΈΠ·ΠΌΠ΅Π½Π΅Π½ΠΈΠ΅ΠΌ ΠΊΠΎΠ»ΠΈΡΠ΅ΡΡΠ²Π° ΠΏΡΠΎΠΊΠ»Π°Π΄ΠΎΠΊ, ΡΡΡΠ°Π½ΠΎΠ²Π»Π΅Π½Π½ΡΡ ΠΏΠΎΠ΄ ΠΏΡΡΠΆΠΈΠ½ΠΎΠΉ ΠΊΠ»Π°ΠΏΠ°Π½Π°.
Π ΠΈΡ.4. ΠΡΠ΅Π΄ΠΎΡ ΡΠ°Π½ΠΈΡΠ΅Π»Ρ ΠΎΡ Π·Π°ΠΌΠ΅ΡΠ·Π°Π½ΠΈΡ
1 — ΠΏΡΡΠΆΠΈΠ½Π°; 2 -ΠΊΠΎΡΠΏΡΡ Π½ΠΈΠΆΠ½ΠΈΠΉ; 3 — ΡΠΈΡΠΈΠ»Ρ; 4, 9, 12 — ΠΊΠΎΠ»ΡΡΠ° ΡΠΏΠ»ΠΎΡΠ½ΠΈΡΠ΅Π»ΡΠ½ΡΠ΅: 5 — ΡΠΎΠΏΠ»ΠΎ; 6 — ΠΏΡΠΎΠ±ΠΊΠ° Ρ ΡΠΏΠ»ΠΎΡΠ½ΠΈΡΠ΅Π»ΡΠ½ΡΠΌ ΠΊΠΎΠ»ΡΡΠΎΠΌ; 7 — ΠΊΠΎΡΠΏΡΡ Π²Π΅ΡΡ Π½ΠΈΠΉ; 8 — ΠΎΠ³ΡΠ°Π½ΠΈΡΠΈΡΠ΅Π»Ρ ΡΡΠ³ΠΈ; 10 — ΡΡΠ³Π°; 11 — ΠΎΠ±ΠΎΠΉΠΌΠ°; 13 — ΠΊΠΎΠ»ΡΡΠΎ ΡΠΏΠΎΡΠ½ΠΎΠ΅; 14 — ΠΏΡΠΎΠ±ΠΊΠ°; 15 — ΡΠ°ΠΉΠ±Π° ΡΠΏΠ»ΠΎΡΠ½ΠΈΡΠ΅Π»ΡΠ½Π°Ρ
ΠΠ»Ρ ΠΏΡΠΈΡΠΎΠ΅Π΄ΠΈΠ½Π΅Π½ΠΈΡ ΡΠΏΠ΅ΡΠΈΠ°Π»ΡΠ½ΡΡ ΡΡΡΡΠΎΠΉΡΡΠ² ΡΠ΅Π³ΡΠ»ΡΡΠΎΡ Π΄Π°Π²Π»Π΅Π½ΠΈΡ ΠΠ°ΠΌΠ°Π· ΠΈΠΌΠ΅Π΅Ρ Π²ΡΠ²ΠΎΠ΄, ΠΊΠΎΡΠΎΡΡΠΉ ΡΠΎΠ΅Π΄ΠΈΠ½Π΅Π½ Ρ Π²ΡΠ²ΠΎΠ΄ΠΎΠΌ IV ΡΠ΅ΡΠ΅Π· ΡΠΈΠ»ΡΡΡ 2. ΠΡΠΎΡ Π²ΡΠ²ΠΎΠ΄ Π·Π°ΠΊΡΡΡ ΡΠ΅Π·ΡΠ±ΠΎΠ²ΠΎΠΉ ΠΏΡΠΎΠ±ΠΊΠΎΠΉ 3. ΠΡΠΎΠΌΠ΅ ΡΠΎΠ³ΠΎ, ΠΏΡΠ΅Π΄ΡΡΠΌΠΎΡΡΠ΅Π½ ΠΊΠ»Π°ΠΏΠ°Π½ ΠΎΡΠ±ΠΎΡΠ° Π²ΠΎΠ·Π΄ΡΡ Π° Π΄Π»Ρ Π½Π°ΠΊΠ°ΡΠΊΠΈ ΡΠΈΠ½, ΠΊΠΎΡΠΎΡΡΠΉ Π·Π°ΠΊΡΡΡ ΠΊΠΎΠ»ΠΏΠ°ΡΠΊΠΎΠΌ 17.
ΠΡΠΈ Π½Π°Π²ΠΈΠ½ΡΠΈΠ²Π°Π½ΠΈΠΈ ΡΡΡΡΠ΅ΡΠ° ΡΠ»Π°Π½Π³Π° Π΄Π»Ρ Π½Π°ΠΊΠ°ΡΠΊΠΈ ΡΠΈΠ½ ΠΊΠ»Π°ΠΏΠ°Π½ ΡΡΠ°ΠΏΠ»ΠΈΠ²Π°Π΅ΡΡΡ, ΠΎΡΠΊΡΡΠ²Π°Ρ Π΄ΠΎΡΡΡΠΏ ΡΠΆΠ°ΡΠΎΠΌΡ Π²ΠΎΠ·Π΄ΡΡ Ρ Π² ΡΠ»Π°Π½Π³ ΠΈ ΠΏΡΠ΅Π³ΡΠ°ΠΆΠ΄Π°Ρ ΠΏΡΠΎΡ ΠΎΠ΄ ΡΠΆΠ°ΡΠΎΠ³ΠΎ Π²ΠΎΠ·Π΄ΡΡ Π° Π² ΡΠΎΡΠΌΠΎΠ·Π½ΡΡ ΡΠΈΡΡΠ΅ΠΌΡ.
ΠΠ΅ΡΠ΅Π΄ Π½Π°ΠΊΠ°ΡΠΈΠ²Π°Π½ΠΈΠ΅ΠΌ ΡΠΈΠ½ Π΄Π°Π²Π»Π΅Π½ΠΈΠ΅ Π² ΡΠ΅ΡΠΈΠ²Π΅ΡΠ°Ρ Π°Π²ΡΠΎΠΌΠΎΠ±ΠΈΠ»Π΅ΠΉ ΠΠ°ΠΌΠ°Π·-5320, 53212, 53215, ΠΠ°ΠΌΠ°Π·-4310, 43114, 43118, ΠΠ°ΠΌΠ°Π·-55111, 55102, 5511, ΠΠ°ΠΌΠ°Π·-5410, 54115 ΡΠ»Π΅Π΄ΡΠ΅Ρ ΠΏΠΎΠ½ΠΈΠ·ΠΈΡΡ Π΄ΠΎ Π΄Π°Π²Π»Π΅Π½ΠΈΡ, ΡΠΎΠΎΡΠ²Π΅ΡΡΡΠ²ΡΡΡΠ΅Π³ΠΎ Π΄Π°Π²Π»Π΅Π½ΠΈΡ Π²ΠΊΠ»ΡΡΠ΅Π½ΠΈΡ ΡΠ΅Π³ΡΠ»ΡΡΠΎΡΠ°, ΡΠ°ΠΊ ΠΊΠ°ΠΊ Π²ΠΎ Π²ΡΠ΅ΠΌΡ Ρ ΠΎΠ»ΠΎΡΡΠΎΠ³ΠΎ Ρ ΠΎΠ΄Π° Π½Π΅Π»ΡΠ·Ρ ΠΏΡΠΎΠΈΠ·Π²Π΅ΡΡΠΈ ΠΎΡΠ±ΠΎΡ Π²ΠΎΠ·Π΄ΡΡ Π°.
ΠΡΠ΅Π΄ΠΎΡ ΡΠ°Π½ΠΈΡΠ΅Π»Ρ ΠΎΡ Π·Π°ΠΌΠ΅ΡΠ·Π°Π½ΠΈΡ ΠΏΡΠ΅Π΄Π½Π°Π·Π½Π°ΡΠ΅Π½ Π΄Π»Ρ ΠΏΡΠ΅Π΄ΠΎΡΠ²ΡΠ°ΡΠ΅Π½ΠΈΡ Π·Π°ΠΌΠ΅ΡΠ·Π°Π½ΠΈΡ ΠΊΠΎΠ½Π΄Π΅Π½ΡΠ°ΡΠ° Π² ΡΡΡΠ±ΠΎΠΏΡΠΎΠ²ΠΎΠ΄Π°Ρ ΠΈ ΠΏΡΠΈΠ±ΠΎΡΠ°Ρ ΠΏΠ½Π΅Π²ΠΌΠ°ΡΠΈΡΠ΅ΡΠΊΠΎΠ³ΠΎ ΡΠΎΡΠΌΠΎΠ·Π½ΠΎΠ³ΠΎ ΠΏΡΠΈΠ²ΠΎΠ΄Π° ΠΠ°ΠΌΠ°Π·.
ΠΠ½ ΡΡΡΠ°Π½ΠΎΠ²Π»Π΅Π½ Π½Π° ΠΏΡΠ°Π²ΠΎΠΌ Π»ΠΎΠ½ΠΆΠ΅ΡΠΎΠ½Π΅ Π°Π²ΡΠΎΠΌΠΎΠ±ΠΈΠ»Ρ Π·Π° ΡΠ΅Π³ΡΠ»ΡΡΠΎΡΠΎΠΌ Π΄Π°Π²Π»Π΅Π½ΠΈΡ Π² Π²Π΅ΡΡΠΈΠΊΠ°Π»ΡΠ½ΠΎΠΌ ΠΏΠΎΠ»ΠΎΠΆΠ΅Π½ΠΈΠΈ ΠΈ ΠΊΡΠ΅ΠΏΠΈΡΡΡ Π΄Π²ΡΠΌΡ Π±ΠΎΠ»ΡΠ°ΠΌΠΈ. Π£ΡΡΡΠΎΠΉΡΡΠ²ΠΎ ΠΏΡΠ΅Π΄ΠΎΡ ΡΠ°Π½ΠΈΡΠ΅Π»Ρ ΠΏΠΎΠΊΠ°Π·Π°Π½ΠΎ Π½Π° ΡΠΈΡ.4.
ΠΠΈΠΆΠ½ΠΈΠΉ ΠΊΠΎΡΠΏΡΡ 2 ΠΏΡΠ΅Π΄ΠΎΡ ΡΠ°Π½ΠΈΡΠ΅Π»Ρ ΡΠ΅ΡΡΡΡΠΌΡ Π±ΠΎΠ»ΡΠ°ΠΌΠΈ ΡΠΎΠ΅Π΄ΠΈΠ½Π΅Π½ Ρ Π²Π΅ΡΡ Π½ΠΈΠΌ ΠΊΠΎΡΠΏΡΡΠΎΠΌ 7. ΠΠ±Π° ΠΊΠΎΡΠΏΡΡΠ° ΠΈΠ·Π³ΠΎΡΠΎΠ²Π»Π΅Π½Ρ ΠΈΠ· Π°Π»ΡΠΌΠΈΠ½ΠΈΠ΅Π²ΠΎΠ³ΠΎ ΡΠΏΠ»Π°Π²Π°. ΠΠ»Ρ Π³Π΅ΡΠΌΠ΅ΡΠΈΠ·Π°ΡΠΈΠΈ ΡΡΡΠΊΠ° ΠΌΠ΅ΠΆΠ΄Ρ ΠΊΠΎΡΠΏΡΡΠ°ΠΌΠΈ ΠΏΡΠΎΠ»ΠΎΠΆΠ΅Π½ΠΎ ΡΠΏΠ»ΠΎΡΠ½ΠΈΡΠ΅Π»ΡΠ½ΠΎΠ΅ ΠΊΠΎΠ»ΡΡΠΎ 4.
Π Π²Π΅ΡΡ Π½Π΅ΠΌ ΠΊΠΎΡΠΏΡΡΠ΅ 7 ΡΠΌΠΎΠ½ΡΠΈΡΠΎΠ²Π°Π½ΠΎ Π²ΡΠΊΠ»ΡΡΠ°ΡΡΠ΅Π΅ ΡΡΡΡΠΎΠΉΡΡΠ²ΠΎ, ΡΠΎΡΡΠΎΡΡΠ΅Π΅ ΠΈΠ· ΡΡΠ³ΠΈ 10 Ρ Π·Π°ΠΏΡΠ΅ΡΡΠΎΠ²Π°Π½Π½ΠΎΠΉ Π² Π½Π΅Π΅ ΡΡΠΊΠΎΡΡΠΊΠΎΠΉ, ΠΎΠ³ΡΠ°Π½ΠΈΡΠΈΡΠ΅Π»Ρ 8 ΡΡΠ³ΠΈ ΠΈ ΠΏΡΠΎΠ±ΠΊΠΈ 6 Ρ ΡΠΏΠ»ΠΎΡΠ½ΠΈΡΠ΅Π»ΡΠ½ΡΠΌ ΠΊΠΎΠ»ΡΡΠΎΠΌ.
Π’ΡΠ³Π° 10 Π² Π²Π΅ΡΡ Π½Π΅ΠΌ ΠΊΠΎΡΠΏΡΡΠ΅ 7 ΡΠΏΠ»ΠΎΡΠ½ΡΠ΅ΡΡΡ ΡΠ΅Π·ΠΈΠ½ΠΎΠ²ΡΠΌ ΠΊΠΎΠ»ΡΡΠΎΠΌ 9. Π Π²Π΅ΡΡ Π½Π΅ΠΌ ΠΊΠΎΡΠΏΡΡΠ΅ 7 Π½Π°Ρ ΠΎΠ΄ΠΈΡΡΡ ΡΠ°ΠΊΠΆΠ΅ ΠΎΠ±ΠΎΠΉΠΌΠ° 11 Ρ ΡΠΏΠ»ΠΎΡΠ½ΠΈΡΠ΅Π»ΡΠ½ΡΠΌ ΠΊΠΎΠ»ΡΡΠΎΠΌ 12, ΡΠ΄Π΅ΡΠΆΠΈΠ²Π°Π΅ΠΌΠ°Ρ ΡΠΏΠΎΡΠ½ΡΠΌ ΠΊΠΎΠ»ΡΡΠΎΠΌ 13.
ΠΠ΅ΠΆΠ΄Ρ Π΄Π½ΠΎΠΌ Π½ΠΈΠΆΠ½Π΅Π³ΠΎ ΠΊΠΎΡΠΏΡΡΠ° 2 ΠΈ ΠΏΡΠΎΠ±ΠΊΠΎΠΉ 6 ΡΡΡΠ°Π½ΠΎΠ²Π»Π΅Π½ ΡΠΈΡΠΈΠ»Ρ 3, ΡΠ°ΡΡΡΠ³ΠΈΠ²Π°Π΅ΠΌΡΠΉ ΠΏΡΡΠΆΠΈΠ½ΠΎΠΉ 1. Π€ΠΈΡΠΈΠ»Ρ Π·Π°ΠΊΡΠ΅ΠΏΠ»Π΅Π½ Π½Π° ΠΏΡΡΠΆΠΈΠ½Π΅ 1 ΠΏΡΠΈ ΠΏΠΎΠΌΠΎΡΠΈ ΠΊΠΎΠ½ΡΠ° ΡΡΠ³ΠΈ 10 ΠΈ ΠΏΡΠΎΠ±ΠΊΠΈ 14.
Π Π·Π°Π»ΠΈΠ²Π½ΠΎΠΌ ΠΎΡΠ²Π΅ΡΡΡΠΈΠΈ Π²Π΅ΡΡ Π½Π΅Π³ΠΎ ΠΊΠΎΡΠΏΡΡΠ° 7 ΡΡΡΠ°Π½ΠΎΠ²Π»Π΅Π½Π° ΠΏΡΠΎΠ±ΠΊΠ° Ρ ΡΠΊΠ°Π·Π°ΡΠ΅Π»Π΅ΠΌ ΡΡΠΎΠ²Π½Ρ ΡΠΏΠΈΡΡΠ°. Π‘Π»ΠΈΠ²Π½ΠΎΠ΅ ΠΎΡΠ²Π΅ΡΡΡΠΈΠ΅ Π½ΠΈΠΆΠ½Π΅Π³ΠΎ ΠΊΠΎΡΠΏΡΡΠ° 2 Π·Π°Π³Π»ΡΡΠ΅Π½ΠΎ ΠΏΡΠΎΠ±ΠΊΠΎΠΉ 14 Ρ ΡΠΏΠ»ΠΎΡΠ½ΠΈΡΠ΅Π»ΡΠ½ΠΎΠΉ ΡΠ°ΠΉΠ±ΠΎΠΉ 15.
Π Π²Π΅ΡΡ Π½Π΅ΠΌ ΠΊΠΎΡΠΏΡΡΠ΅ 7 ΡΡΡΠ°Π½ΠΎΠ²Π»Π΅Π½ΠΎ ΡΠ°ΠΊΠΆΠ΅ ΡΠΎΠΏΠ»ΠΎ 5 Π΄Π»Ρ Π²ΡΡΠ°Π²Π½ΠΈΠ²Π°Π½ΠΈΡ Π΄Π°Π²Π»Π΅Π½ΠΈΡ Π²ΠΎΠ·Π΄ΡΡ Π° Π² Π½ΠΈΠΆΠ½Π΅ΠΌ ΠΊΠΎΡΠΏΡΡΠ΅ ΠΏΡΠΈ Π²ΡΠΊΠ»ΡΡΠ΅Π½Π½ΠΎΠΌ ΠΏΠΎΠ»ΠΎΠΆΠ΅Π½ΠΈΠΈ. ΠΠΌΠ΅ΡΡΠΈΠΌΠΎΡΡΡ ΡΠ΅Π·Π΅ΡΠ²ΡΠ°ΡΠ° ΠΏΡΠ΅Π΄ΠΎΡ ΡΠ°Π½ΠΈΡΠ΅Π»Ρ 200 cm3.

Π ΠΈΡ.5. ΠΠ°ΡΠΈΡΠ½ΡΠΉ ΡΠ΅ΡΡΡΠ΅Ρ ΠΊΠΎΠ½ΡΡΡΠ½ΡΠΉ ΠΊΠ»Π°ΠΏΠ°Π½ ΡΠΎΡΠΌΠΎΠ·Π½ΠΎΠΉ ΡΠΈΡΡΠ΅ΠΌΡ ΠΠ°ΠΌΠ°Π·-5320, 53212, 53215, ΠΠ°ΠΌΠ°Π·-4310, 43114, 43118, ΠΠ°ΠΌΠ°Π·-55111, 55102, 5511, ΠΠ°ΠΌΠ°Π·-5410, 54115
1 -ΠΊΠΎΠ»ΠΏΠ°ΡΠΎΠΊ Π·Π°ΡΠΈΡΠ½ΡΠΉ; 2 — ΡΠ°ΡΠ΅Π»ΠΊΠ° ΠΏΡΡΠΆΠΈΠ½Ρ; 3, 8, 10 -ΠΏΡΡΠΆΠΈΠ½Ρ; 4 —
Π½Π°ΠΏΡΠ°Π²Π»ΡΡΡΠ°Ρ ΠΏΡΡΠΆΠΈΠ½Ρ; 5 — ΠΌΠ΅ΠΌΠ±ΡΠ°Π½Π°; 6 -ΡΠΎΠ»ΠΊΠ°ΡΠ΅Π»Ρ; 7, 9 — ΠΊΠ»Π°ΠΏΠ°Π½Ρ; 11, 12
— Π²ΠΈΠ½ΡΡ; 13 —
ΠΏΡΠΎΠ±ΠΊΠ° ΡΡΠ°Π½ΡΠΏΠΎΡΡΠ½Π°Ρ; 14 — ΠΊΠΎΡΠΏΡΡ; 15 — ΠΊΡΡΡΠΊΠ°
ΠΠΎΠ³Π΄Π° ΡΡΠΊΠΎΡΡΠΊΠ° ΡΡΠ³ΠΈ 10 Π½Π°Ρ ΠΎΠ΄ΠΈΡΡΡ Π² Π²Π΅ΡΡ Π½Π΅ΠΌ ΠΏΠΎΠ»ΠΎΠΆΠ΅Π½ΠΈΠΈ, Π²ΠΎΠ·Π΄ΡΡ , Π½Π°Π³Π½Π΅ΡΠ°Π΅ΠΌΡΠΉ ΠΊΠΎΠΌΠΏΡΠ΅ΡΡΠΎΡΠΎΠΌ ΠΠ°ΠΌΠ°Π·, ΠΏΡΠΎΡ ΠΎΠ΄ΠΈΡ ΠΌΠΈΠΌΠΎ ΡΠΈΡΠΈΠ»Ρ 3 ΠΈ ΡΠ½ΠΎΡΠΈΡ Ρ ΡΠΎΠ±ΠΎΠΉ ΡΠΏΠΈΡΡ, ΠΊΠΎΡΠΎΡΡΠΉ ΠΎΡΠ±ΠΈΡΠ°Π΅Ρ ΠΈΠ· Π²ΠΎΠ·Π΄ΡΡ Π° Π²Π»Π°Π³Ρ ΠΈ ΠΏΡΠ΅Π²ΡΠ°ΡΠ°Π΅Ρ Π΅Π΅ Π² Π½Π΅Π·Π°ΠΌΠ΅ΡΠ·Π°ΡΡΠΈΠΉ ΠΊΠΎΠ½Π΄Π΅Π½ΡΠ°Ρ.
ΠΡΠΈ ΡΠ΅ΠΌΠΏΠ΅ΡΠ°ΡΡΡΠ΅ ΠΎΠΊΡΡΠΆΠ°ΡΡΠ΅Π³ΠΎ Π²ΠΎΠ·Π΄ΡΡ Π° Π²ΡΡΠ΅ 5Β°Π‘ ΠΏΡΠ΅Π΄ΠΎΡ ΡΠ°Π½ΠΈΡΠ΅Π»Ρ ΡΠ»Π΅Π΄ΡΠ΅Ρ Π²ΡΠΊΠ»ΡΡΠΈΡΡ. ΠΠ»Ρ ΡΡΠΎΠ³ΠΎ ΡΡΠ³Π° 10 ΠΎΠΏΡΡΠΊΠ°Π΅ΡΡΡ Π² ΠΊΡΠ°ΠΉΠ½Π΅Π΅ Π½ΠΈΠΆΠ½Π΅Π΅ ΠΏΠΎΠ»ΠΎΠΆΠ΅Π½ΠΈΠ΅, ΠΏΠΎΠ²ΠΎΡΠ°ΡΠΈΠ²Π°Π΅ΡΡΡ ΠΈ ΡΠΈΠΊΡΠΈΡΡΠ΅ΡΡΡ ΠΏΡΠΈ ΠΏΠΎΠΌΠΎΡΠΈ ΠΎΠ³ΡΠ°Π½ΠΈΡΠΈΡΠ΅Π»Ρ 8 ΡΡΠ³ΠΈ.
ΠΡΠΎΠ±ΠΊΠ° 6, ΡΠΆΠΈΠΌΠ°Ρ ΡΠ°ΡΠΏΠΎΠ»ΠΎΠΆΠ΅Π½Π½ΡΡ Π²Π½ΡΡΡΠΈ ΡΠΈΡΠΈΠ»Ρ 3 ΠΏΡΡΠΆΠΈΠ½Ρ 1, Π²Ρ ΠΎΠ΄ΠΈΡ Π² ΠΎΠ±ΠΎΠΉΠΌΡ 11 ΠΈ ΠΎΡΠ΄Π΅Π»ΡΠ΅Ρ Π½ΠΈΠΆΠ½ΠΈΠΉ ΠΊΠΎΡΠΏΡΡ 2, ΡΠΎΠ΄Π΅ΡΠΆΠ°ΡΠΈΠΉ ΡΠΏΠΈΡΡ, ΠΎΡ ΠΏΠ½Π΅Π²ΠΌΠΎΠΏΡΠΈΠ²ΠΎΠ΄Π°, Π²ΡΠ»Π΅Π΄ΡΡΠ²ΠΈΠ΅ ΡΠ΅Π³ΠΎ ΠΈΡΠΏΠ°ΡΠ΅Π½ΠΈΠ΅ ΡΠΏΠΈΡΡΠ° ΠΏΡΠ΅ΠΊΡΠ°ΡΠ°Π΅ΡΡΡ.
Π§Π΅ΡΡΡΠ΅Ρ ΠΊΠΎΠ½ΡΡΡΠ½ΡΠΉ Π·Π°ΡΠΈΡΠ½ΡΠΉ ΠΊΠ»Π°ΠΏΠ°Π½ ΡΠΎΡΠΌΠΎΠ·ΠΎΠ² ΠΠ°ΠΌΠ°Π·-5320, 53212, 53215, ΠΠ°ΠΌΠ°Π·-4310, 43114, 43118, ΠΠ°ΠΌΠ°Π·-55111, 55102, 5511, ΠΠ°ΠΌΠ°Π·-5410, 54115 (ΡΠΌ. ΡΠΈΡ.5) ΠΏΡΠ΅Π΄Π½Π°Π·Π½Π°ΡΠ΅Π½ Π΄Π»Ρ ΡΠ°Π·Π΄Π΅Π»Π΅Π½ΠΈΡ ΡΠΆΠ°ΡΠΎΠ³ΠΎ Π²ΠΎΠ·Π΄ΡΡ Π°, ΠΏΠΎΡΡΡΠΏΠ°ΡΡΠ΅Π³ΠΎ ΠΎΡ ΠΊΠΎΠΌΠΏΡΠ΅ΡΡΠΎΡΠ°, Π½Π° Π΄Π²Π° ΠΎΡΠ½ΠΎΠ²Π½ΡΡ ΠΈ ΠΎΠ΄ΠΈΠ½ Π΄ΠΎΠΏΠΎΠ»Π½ΠΈΡΠ΅Π»ΡΠ½ΡΠΉ ΠΊΠΎΠ½ΡΡΡΡ:
— Π΄Π»Ρ Π°Π²ΡΠΎΠΌΠ°ΡΠΈΡΠ΅ΡΠΊΠΎΠ³ΠΎ ΠΎΡΠΊΠ»ΡΡΠ΅Π½ΠΈΡ ΠΎΠ΄Π½ΠΎΠ³ΠΎ ΠΈΠ· ΠΊΠΎΠ½ΡΡΡΠΎΠ² ΠΏΡΠΈ Π½Π°ΡΡΡΠ΅Π½ΠΈΠΈ Π΅Π³ΠΎ Π³Π΅ΡΠΌΠ΅ΡΠΈΡΠ½ΠΎΡΡΠΈ ΠΈ ΡΠΎΡ ΡΠ°Π½Π΅Π½ΠΈΡ ΡΠΆΠ°ΡΠΎΠ³ΠΎ Π²ΠΎΠ·Π΄ΡΡ Π° Π² Π³Π΅ΡΠΌΠ΅ΡΠΈΡΠ½ΡΡ ΠΊΠΎΠ½ΡΡΡΠ°Ρ ;
— Π΄Π»Ρ ΡΠΎΡ ΡΠ°Π½Π΅Π½ΠΈΡ ΡΠΆΠ°ΡΠΎΠ³ΠΎ Π²ΠΎΠ·Π΄ΡΡ Π° Π²ΠΎ Π²ΡΠ΅Ρ ΠΊΠΎΠ½ΡΡΡΠ°Ρ ΠΏΡΠΈ Π½Π°ΡΡΡΠ΅Π½ΠΈΠΈ Π³Π΅ΡΠΌΠ΅ΡΠΈΡΠ½ΠΎΡΡΠΈ ΠΏΠΈΡΠ°ΡΡΠ΅ΠΉ ΠΌΠ°Π³ΠΈΡΡΡΠ°Π»ΠΈ;
— Π΄Π»Ρ ΠΏΠΈΡΠ°Π½ΠΈΡ Π΄ΠΎΠΏΠΎΠ»Π½ΠΈΡΠ΅Π»ΡΠ½ΠΎΠ³ΠΎ ΠΊΠΎΠ½ΡΡΡΠ° ΠΎΡ Π΄Π²ΡΡ ΠΎΡΠ½ΠΎΠ²Π½ΡΡ ΠΊΠΎΠ½ΡΡΡΠΎΠ² (Π΄ΠΎ ΡΠ΅Ρ ΠΏΠΎΡ, ΠΏΠΎΠΊΠ° Π΄Π°Π²Π»Π΅Π½ΠΈΠ΅ Π² Π½ΠΈΡ Π½Π΅ ΡΠ½ΠΈΠ·ΠΈΡΡΡ Π΄ΠΎ Π·Π°Π΄Π°Π½Π½ΠΎΠ³ΠΎ ΡΡΠΎΠ²Π½Ρ).
Π§Π΅ΡΡΡΠ΅Ρ ΠΊΠΎΠ½ΡΡΡΠ½ΡΠΉ Π·Π°ΡΠΈΡΠ½ΡΠΉ ΠΊΠ»Π°ΠΏΠ°Π½ ΠΏΡΠΈΠΊΡΠ΅ΠΏΠ»Π΅Π½ ΠΊ Π»ΠΎΠ½ΠΆΠ΅ΡΠΎΠ½Ρ ΡΠ°ΠΌΡ.
Π‘ΠΆΠ°ΡΡΠΉ Π²ΠΎΠ·Π΄ΡΡ , ΠΏΠΎΡΡΡΠΏΠ°ΡΡΠΈΠΉ Π² ΡΠ΅ΡΡΡΠ΅Ρ ΠΊΠΎΠ½ΡΡΡΠ½ΡΠΉ Π·Π°ΡΠΈΡΠ½ΡΠΉ ΠΊΠ»Π°ΠΏΠ°Π½ Π°Π²ΡΠΎΠΌΠΎΠ±ΠΈΠ»Π΅ΠΉ ΠΠ°ΠΌΠ°Π·-5320, 53212, 53215, ΠΠ°ΠΌΠ°Π·-4310, 43114, 43118, ΠΠ°ΠΌΠ°Π·-55111, 55102, 5511, ΠΠ°ΠΌΠ°Π·-5410, 54115 ΠΈΠ· ΠΏΠΈΡΠ°ΡΡΠ΅ΠΉ ΠΌΠ°Π³ΠΈΡΡΡΠ°Π»ΠΈ, ΠΏΡΠΈ Π΄ΠΎΡΡΠΈΠΆΠ΅Π½ΠΈΠΈ Π·Π°Π΄Π°Π½Π½ΠΎΠ³ΠΎ Π΄Π°Π²Π»Π΅Π½ΠΈΡ ΠΎΡΠΊΡΡΡΠΈΡ, ΡΡΡΠ°Π½Π°Π²Π»ΠΈΠ²Π°Π΅ΠΌΠΎΠ³ΠΎ ΡΡΠΈΠ»ΠΈΠ΅ΠΌ ΠΏΡΡΠΆΠΈΠ½ 3, ΠΎΡΠΊΡΡΠ²Π°Π΅Ρ ΠΊΠ»Π°ΠΏΠ°Π½Ρ 7, Π²ΠΎΠ·Π΄Π΅ΠΉΡΡΠ²ΡΡ Π½Π° ΠΌΠ΅ΠΌΠ±ΡΠ°Π½Ρ 5, ΠΏΠΎΠ΄Π½ΠΈΠΌΠ°Π΅Ρ Π΅Π΅, ΠΈ ΠΏΠΎΡΡΡΠΏΠ°Π΅Ρ ΡΠ΅ΡΠ΅Π· Π²ΡΠ²ΠΎΠ΄Ρ Π² Π΄Π²Π° ΠΎΡΠ½ΠΎΠ²Π½ΡΡ ΠΊΠΎΠ½ΡΡΡΠ°.
ΠΠΎΡΠ»Π΅ ΠΎΡΠΊΡΡΡΠΈΡ ΠΎΠ±ΡΠ°ΡΠ½ΡΡ ΠΊΠ»Π°ΠΏΠ°Π½ΠΎΠ² ΡΠΆΠ°ΡΡΠΉ Π²ΠΎΠ·Π΄ΡΡ ΠΏΠΎΡΡΡΠΏΠ°Π΅Ρ ΠΊ ΠΊΠ»Π°ΠΏΠ°Π½Π°ΠΌ 7, ΠΎΡΠΊΡΡΠ²Π°Π΅Ρ ΠΈΡ ΠΈ ΡΠ΅ΡΠ΅Π· Π²ΡΠ²ΠΎΠ΄ ΠΏΡΠΎΡ ΠΎΠ΄ΠΈΡ Π² Π΄ΠΎΠΏΠΎΠ»Π½ΠΈΡΠ΅Π»ΡΠ½ΡΠΉ ΠΊΠΎΠ½ΡΡΡ.
ΠΡΠΈ Π½Π°ΡΡΡΠ΅Π½ΠΈΠΈ Π³Π΅ΡΠΌΠ΅ΡΠΈΡΠ½ΠΎΡΡΠΈ ΠΎΠ΄Π½ΠΎΠ³ΠΎ ΠΈΠ· ΠΎΡΠ½ΠΎΠ²Π½ΡΡ ΠΊΠΎΠ½ΡΡΡΠΎΠ² Π΄Π°Π²Π»Π΅Π½ΠΈΠ΅ Π² ΡΡΠΎΠΌ ΠΊΠΎΠ½ΡΡΡΠ΅, Π° ΡΠ°ΠΊΠΆΠ΅ Π½Π° Π²Ρ ΠΎΠ΄Π΅ Π² ΠΊΠ»Π°ΠΏΠ°Π½ ΠΏΠ°Π΄Π°Π΅Ρ Π΄ΠΎ Π·Π°Π΄Π°Π½Π½ΠΎΠΉ Π²Π΅Π»ΠΈΡΠΈΠ½Ρ. ΠΡΠ»Π΅Π΄ΡΡΠ²ΠΈΠ΅ ΡΡΠΎΠ³ΠΎ ΠΊΠ»Π°ΠΏΠ°Π½ ΠΈΡΠΏΡΠ°Π²Π½ΠΎΠ³ΠΎ ΠΊΠΎΠ½ΡΡΡΠ° ΠΈ ΠΎΠ±ΡΠ°ΡΠ½ΡΠΉ ΠΊΠ»Π°ΠΏΠ°Π½ Π΄ΠΎΠΏΠΎΠ»Π½ΠΈΡΠ΅Π»ΡΠ½ΠΎΠ³ΠΎ ΠΊΠΎΠ½ΡΡΡΠ° ΠΠ°ΠΌΠ°Π· Π·Π°ΠΊΡΡΠ²Π°ΡΡΡΡ, ΠΏΡΠ΅Π΄ΠΎΡΠ²ΡΠ°ΡΠ°Ρ ΡΠΌΠ΅Π½ΡΡΠ΅Π½ΠΈΠ΅ Π΄Π°Π²Π»Π΅Π½ΠΈΡ Π² ΡΡΠΈΡ ΠΊΠΎΠ½ΡΡΡΠ°Ρ .
Π’Π°ΠΊΠΈΠΌ ΠΎΠ±ΡΠ°Π·ΠΎΠΌ, Π² ΠΈΡΠΏΡΠ°Π²Π½ΡΡ ΠΊΠΎΠ½ΡΡΡΠ°Ρ Π±ΡΠ΄Π΅Ρ ΠΏΠΎΠ΄Π΄Π΅ΡΠΆΠΈΠ²Π°ΡΡΡΡ Π΄Π°Π²Π»Π΅Π½ΠΈΠ΅, ΡΠΎΠΎΡΠ²Π΅ΡΡΡΠ²ΡΡΡΠ΅Π΅ Π΄Π°Π²Π»Π΅Π½ΠΈΡ ΠΎΡΠΊΡΡΡΠΈΡ ΠΊΠ»Π°ΠΏΠ°Π½Π° Π½Π΅ΠΈΡΠΏΡΠ°Π²Π½ΠΎΠ³ΠΎ ΠΊΠΎΠ½ΡΡΡΠ°, ΠΈΠ·Π»ΠΈΡΠ½Π΅Π΅ ΠΊΠΎΠ»ΠΈΡΠ΅ΡΡΠ²ΠΎ ΡΠΆΠ°ΡΠΎΠ³ΠΎ Π²ΠΎΠ·Π΄ΡΡ Π° ΠΏΡΠΈ ΡΡΠΎΠΌ Π±ΡΠ΄Π΅Ρ Π²ΡΡ ΠΎΠ΄ΠΈΡΡ ΡΠ΅ΡΠ΅Π· Π½Π΅ΠΈΡΠΏΡΠ°Π²Π½ΡΠΉ ΠΊΠΎΠ½ΡΡΡ.
ΠΡΠΈ ΠΎΡΠΊΠ°Π·Π΅ Π² ΡΠ°Π±ΠΎΡΠ΅ Π΄ΠΎΠΏΠΎΠ»Π½ΠΈΡΠ΅Π»ΡΠ½ΠΎΠ³ΠΎ ΠΊΠΎΠ½ΡΡΡΠ° Π΄Π°Π²Π»Π΅Π½ΠΈΠ΅ ΠΏΠ°Π΄Π°Π΅Ρ Π² Π΄Π²ΡΡ ΠΎΡΠ½ΠΎΠ²Π½ΡΡ ΠΊΠΎΠ½ΡΡΡΠ°Ρ ΠΈ Π½Π° Π²Ρ ΠΎΠ΄Π΅ Π² ΠΊΠ»Π°ΠΏΠ°Π½. ΠΡΠΎ ΠΏΡΠΎΠΈΡΡ ΠΎΠ΄ΠΈΡ Π΄ΠΎ ΡΠ΅Ρ ΠΏΠΎΡ, ΠΏΠΎΠΊΠ° Π½Π΅ Π·Π°ΠΊΡΠΎΠ΅ΡΡΡ ΠΊΠ»Π°ΠΏΠ°Π½ 6 Π΄ΠΎΠΏΠΎΠ»Π½ΠΈΡΠ΅Π»ΡΠ½ΠΎΠ³ΠΎ ΠΊΠΎΠ½ΡΡΡΠ°.
ΠΡΠΈ Π΄Π°Π»ΡΠ½Π΅ΠΉΡΠ΅ΠΌ ΠΏΠΎΡΡΡΠΏΠ»Π΅Π½ΠΈΠΈ ΡΠΆΠ°ΡΠΎΠ³ΠΎ Π²ΠΎΠ·Π΄ΡΡ Π° Π² Π·Π°ΡΠΈΡΠ½ΡΠΉ ΠΊΠ»Π°ΠΏΠ°Π½ 6 Π² ΠΎΡΠ½ΠΎΠ²Π½ΡΡ ΠΊΠΎΠ½ΡΡΡΠ°Ρ Π±ΡΠ΄Π΅Ρ ΠΏΠΎΠ΄Π΄Π΅ΡΠΆΠΈΠ²Π°ΡΡΡΡ Π΄Π°Π²Π»Π΅Π½ΠΈΠ΅ Π½Π° ΡΡΠΎΠ²Π½Π΅ Π΄Π°Π²Π»Π΅Π½ΠΈΡ ΠΎΡΠΊΡΡΡΠΈΡ ΠΊΠ»Π°ΠΏΠ°Π½Π° Π΄ΠΎΠΏΠΎΠ»Π½ΠΈΡΠ΅Π»ΡΠ½ΠΎΠ³ΠΎ ΠΊΠΎΠ½ΡΡΡΠ°.
Π Π΅ΡΠΈΠ²Π΅ΡΡ ΡΠΎΡΠΌΠΎΠ·Π½ΠΎΠΉ ΡΠΈΡΡΠ΅ΠΌΡ ΠΠ°ΠΌΠ°Π·-5320, 53212, 53215, ΠΠ°ΠΌΠ°Π·-4310, 43114, 43118, ΠΠ°ΠΌΠ°Π·-55111, 55102, 5511, ΠΠ°ΠΌΠ°Π·-5410, 54115 ΠΏΡΠ΅Π΄Π½Π°Π·Π½Π°ΡΠ΅Π½Ρ Π΄Π»Ρ Π½Π°ΠΊΠΎΠΏΠ»Π΅Π½ΠΈΡ ΡΠΆΠ°ΡΠΎΠ³ΠΎ Π²ΠΎΠ·Π΄ΡΡ Π°, ΠΏΡΠΎΠΈΠ·Π²ΠΎΠ΄ΠΈΠΌΠΎΠ³ΠΎ ΠΊΠΎΠΌΠΏΡΠ΅ΡΡΠΎΡΠΎΠΌ, ΠΈ Π΄Π»Ρ ΠΏΠΈΡΠ°Π½ΠΈΡ ΠΈΠΌ ΠΏΡΠΈΠ±ΠΎΡΠΎΠ² ΠΏΠ½Π΅Π²ΠΌΠ°ΡΠΈΡΠ΅ΡΠΊΠΎΠ³ΠΎ ΡΠΎΡΠΌΠΎΠ·Π½ΠΎΠ³ΠΎ ΠΏΡΠΈΠ²ΠΎΠ΄Π°, Π° ΡΠ°ΠΊΠΆΠ΅ Π΄Π»Ρ ΠΏΠΈΡΠ°Π½ΠΈΡ Π΄ΡΡΠ³ΠΈΡ ΠΏΠ½Π΅Π²ΠΌΠ°ΡΠΈΡΠ΅ΡΠΊΠΈΡ ΡΠ·Π»ΠΎΠ² ΠΈ ΡΠΈΡΡΠ΅ΠΌ Π°Π²ΡΠΎΠΌΠΎΠ±ΠΈΠ»Ρ.
ΠΠ° Π°Π²ΡΠΎΠΌΠΎΠ±ΠΈΠ»Π΅ ΡΡΡΠ°Π½ΠΎΠ²Π»Π΅Π½ΠΎ ΡΠ΅ΡΡΡ ΡΠ΅ΡΠΈΠ²Π΅ΡΠΎΠ² Π²ΠΌΠ΅ΡΡΠΈΠΌΠΎΡΡΡΡ ΠΏΠΎ 20 Π», ΠΏΡΠΈΡΠ΅ΠΌ ΡΠ΅ΡΡΡΠ΅ ΠΈΠ· Π½ΠΈΡ ΡΠΎΠ΅Π΄ΠΈΠ½Π΅Π½Ρ ΠΌΠ΅ΠΆΠ΄Ρ ΡΠΎΠ±ΠΎΠΉ ΠΏΠΎΠΏΠ°ΡΠ½ΠΎ, ΠΎΠ±ΡΠ°Π·ΡΡ Π΄Π²Π° ΡΠ΅Π·Π΅ΡΠ²ΡΠ°ΡΠ° Π²ΠΌΠ΅ΡΡΠΈΠΌΠΎΡΡΡΡ ΠΏΠΎ 40 Π».
Π Π΅ΡΠΈΠ²Π΅ΡΡ ΠΠ°ΠΌΠ°Π·-5320, 53212, 53215, ΠΠ°ΠΌΠ°Π·-4310, 43114, 43118, ΠΠ°ΠΌΠ°Π·-55111, 55102, 5511, ΠΠ°ΠΌΠ°Π·-5410, 54115 Π·Π°ΠΊΡΠ΅ΠΏΠ»Π΅Π½Ρ Ρ ΠΎΠΌΡΡΠ°ΠΌΠΈ Π½Π° ΠΊΡΠΎΠ½ΡΡΠ΅ΠΉΠ½Π°Ρ ΡΠ°ΠΌΡ. Π’ΡΠΈ ΡΠ΅ΡΠΈΠ²Π΅ΡΠ° ΠΎΠ±ΡΠ΅Π΄ΠΈΠ½Π΅Π½Ρ Π² Π±Π»ΠΎΠΊ ΠΈ ΡΡΡΠ°Π½ΠΎΠ²Π»Π΅Π½Ρ Π½Π° Π΅Π΄ΠΈΠ½ΠΎΠΌ ΠΊΡΠΎΠ½ΡΡΠ΅ΠΉΠ½Π΅.
Π ΠΈΡ.6. ΠΡΠ°Π½ ΡΠ»ΠΈΠ²Π° ΠΊΠΎΠ½Π΄Π΅Π½ΡΠ°ΡΠ°
1 — ΡΡΠΎΠΊ; 2 — ΠΏΡΡΠΆΠΈΠ½Π°; 3 — ΠΊΠΎΡΠΏΡΡ; 4 — ΠΊΠΎΠ»ΡΡΠΎ ΠΎΠΏΠΎΡΠ½ΠΎΠ΅; 5 — ΡΠ°ΠΉΠ±Π°; 6 -ΠΊΠ»Π°ΠΏΠ°Π½
ΠΡΠ°Π½ ΡΠ»ΠΈΠ²Π° ΠΊΠΎΠ½Π΄Π΅Π½ΡΠ°ΡΠ° ΡΠΎΡΠΌΠΎΠ·Π½ΠΎΠΉ ΡΠΈΡΡΠ΅ΠΌΡ ΠΠ°ΠΌΠ°Π· (ΡΠΈΡ.6) ΠΏΡΠ΅Π΄Π½Π°Π·Π½Π°ΡΠ΅Π½ Π΄Π»Ρ ΠΏΡΠΈΠ½ΡΠ΄ΠΈΡΠ΅Π»ΡΠ½ΠΎΠ³ΠΎ ΡΠ»ΠΈΠ²Π° ΠΊΠΎΠ½Π΄Π΅Π½ΡΠ°ΡΠ° ΠΈΠ· ΡΠ΅ΡΠΈΠ²Π΅ΡΠ° ΠΏΠ½Π΅Π²ΠΌΠ°ΡΠΈΡΠ΅ΡΠΊΠΎΠ³ΠΎ ΡΠΎΡΠΌΠΎΠ·Π½ΠΎΠ³ΠΎ ΠΏΡΠΈΠ²ΠΎΠ΄Π°, Π° ΡΠ°ΠΊΠΆΠ΅ Π΄Π»Ρ Π²ΡΠΏΡΡΠΊΠ° ΠΈΠ· Π½Π΅Π³ΠΎ ΡΠΆΠ°ΡΠΎΠ³ΠΎ Π²ΠΎΠ·Π΄ΡΡ Π° ΠΏΡΠΈ Π½Π΅ΠΎΠ±Ρ ΠΎΠ΄ΠΈΠΌΠΎΡΡΠΈ.
ΠΡΠ°Π½ ΡΠ»ΠΈΠ²Π° ΠΊΠΎΠ½Π΄Π΅Π½ΡΠ°ΡΠ° Π²Π²Π΅ΡΠ½ΡΡ Π² ΡΠ΅Π·ΡΠ±ΠΎΠ²ΡΡ Π±ΠΎΠ±ΡΡΠΊΡ Π½Π° Π½ΠΈΠΆΠ½Π΅ΠΉ ΡΠ°ΡΡΠΈ ΠΊΠΎΡΠΏΡΡΠ° ΡΠ΅ΡΠΈΠ²Π΅ΡΠ°. Π‘ΠΎΠ΅Π΄ΠΈΠ½Π΅Π½ΠΈΠ΅ ΠΌΠ΅ΠΆΠ΄Ρ ΠΊΡΠ°Π½ΠΎΠΌ ΠΈ Π±ΠΎΠ±ΡΡΠΊΠΎΠΉ ΡΠ΅ΡΠΈΠ²Π΅ΡΠ° ΡΠΏΠ»ΠΎΡΠ½Π΅Π½ΠΎ ΠΏΡΠΎΠΊΠ»Π°Π΄ΠΊΠΎΠΉ.
ΠΠ²ΡΡ ΡΠ΅ΠΊΡΠΈΠΎΠ½Π½ΡΠΉ ΡΠΎΡΠΌΠΎΠ·Π½ΠΎΠΉ ΠΊΡΠ°Π½ Π°Π²ΡΠΎΠΌΠΎΠ±ΠΈΠ»Ρ ΠΠ°ΠΌΠ°Π·-5320, 53212, 53215, ΠΠ°ΠΌΠ°Π·-4310, 43114, 43118, ΠΠ°ΠΌΠ°Π·-55111, 55102, 5511, ΠΠ°ΠΌΠ°Π·-5410, 54115 (ΡΠΌ. ΡΠΈΡ.7) ΡΠ»ΡΠΆΠΈΡ Π΄Π»Ρ ΡΠΏΡΠ°Π²Π»Π΅Π½ΠΈΡ ΠΈΡΠΏΠΎΠ»Π½ΠΈΡΠ΅Π»ΡΠ½ΡΠΌΠΈ ΠΌΠ΅Ρ Π°Π½ΠΈΠ·ΠΌΠ°ΠΌΠΈ Π΄Π²ΡΡ ΠΊΠΎΠ½ΡΡΡΠ½ΠΎΠ³ΠΎ ΠΏΡΠΈΠ²ΠΎΠ΄Π° ΡΠ°Π±ΠΎΡΠ΅ΠΉ ΡΠΎΡΠΌΠΎΠ·Π½ΠΎΠΉ ΡΠΈΡΡΠ΅ΠΌΡ Π°Π²ΡΠΎΠΌΠΎΠ±ΠΈΠ»Ρ.

Π ΠΈΡ.7. ΠΡΠ°Π½ ΡΠΎΡΠΌΠΎΠ·Π½ΠΎΠΉ ΠΠ°ΠΌΠ°Π·-5320, 53212, 53215, ΠΠ°ΠΌΠ°Π·-4310, 43114, 43118, ΠΠ°ΠΌΠ°Π·-55111, 55102, 5511, ΠΠ°ΠΌΠ°Π·-5410, 54115 Ρ ΠΏΡΠΈΠ²ΠΎΠ΄ΠΎΠΌ ΠΎΡ ΠΏΠ΅Π΄Π°Π»ΠΈ
1 — ΠΏΠ΅Π΄Π°Π»Ρ; 2 — ΡΠ΅Π³ΡΠ»ΠΈΡΠΎΠ²ΠΎΡΠ½ΡΠΉ Π±ΠΎΠ»Ρ; 3 — Π·Π°ΡΠΈΡΠ½ΡΠΉ ΡΠ΅Ρ
ΠΎΠ»; 4 — ΠΎΡΡ ΡΠΎΠ»ΠΈΠΊΠ°;
5 — ΡΠΎΠ»ΠΈΠΊ; 6 — ΡΠΎΠ»ΠΊΠ°ΡΠ΅Π»Ρ; 7 — ΠΎΠΏΠΎΡΠ½Π°Ρ ΠΏΠ»ΠΈΡΠ°; 8 -Π³Π°ΠΉΠΊΠ°; 9 — ΡΠ°ΡΠ΅Π»ΠΊΠ°; 10,
16, 19, 27 —
ΡΠΏΠ»ΠΎΡΠ½ΠΈΡΠ΅Π»ΡΠ½ΡΠ΅ ΠΊΠΎΠ»ΡΡΠ°; 11 — ΡΠΏΠΈΠ»ΡΠΊΠ°; 12 — ΠΏΡΡΠΆΠΈΠ½Π° ΡΠ»Π΅Π΄ΡΡΠ΅Π³ΠΎ ΠΏΠΎΡΡΠ½Ρ; 13,
24 -ΠΏΡΡΠΆΠΈΠ½Ρ ΠΊΠ»Π°ΠΏΠ°Π½ΠΎΠ²; 14, 20 — ΡΠ°ΡΠ΅Π»ΠΊΠΈ ΠΏΡΡΠΆΠΈΠ½ ΠΊΠ»Π°ΠΏΠ°Π½ΠΎΠ²; 15 — ΠΌΠ°Π»ΡΠΉ
ΠΏΠΎΡΡΠ΅Π½Ρ; 17 — ΠΊΠ»Π°ΠΏΠ°Π½ Π½ΠΈΠΆΠ½Π΅ΠΉ ΡΠ΅ΠΊΡΠΈΠΈ; 18 -ΡΠΎΠ»ΠΊΠ°ΡΠ΅Π»Ρ ΠΌΠ°Π»ΠΎΠ³ΠΎ ΠΏΠΎΡΡΠ½Ρ; 21 —
Π°ΡΠΌΠΎΡΡΠ΅ΡΠ½ΡΠΉ ΠΊΠ»Π°ΠΏΠ°Π½; 22 -ΡΠΏΠΎΡΠ½ΠΎΠ΅ ΠΊΠΎΠ»ΡΡΠΎ; 23 — ΠΊΠΎΡΠΏΡΡ Π°ΡΠΌΠΎΡΡΠ΅ΡΠ½ΠΎΠ³ΠΎ
ΠΊΠ»Π°ΠΏΠ°Π½Π°; 25-Π½ΠΈΠΆΠ½ΠΈΠΉ ΠΊΠΎΡΠΏΡΡ; 26 — ΠΏΡΡΠΆΠΈΠ½Π° ΠΌΠ°Π»ΠΎΠ³ΠΎ ΠΏΠΎΡΡΠ½Ρ; 28 -Π±ΠΎΠ»ΡΡΠΎΠΉ ΠΏΠΎΡΡΠ΅Π½Ρ; 29 —
ΠΊΠ»Π°ΠΏΠ°Π½ Π²Π΅ΡΡ
Π½Π΅ΠΉ ΡΠ΅ΠΊΡΠΈΠΈ; 30 -ΡΠ»Π΅Π΄ΡΡΠΈΠΉ ΠΏΠΎΡΡΠ΅Π½Ρ; 31 — ΡΠΏΡΡΠ³ΠΈΠΉ ΡΠ»Π΅ΠΌΠ΅Π½Ρ; 32 —
Π²Π΅ΡΡ
Π½ΠΈΠΉ ΠΊΠΎΡΠΏΡΡ; Π — ΠΎΡΠ²Π΅ΡΡΡΠΈΠ΅; Π — ΠΏΠΎΠ»ΠΎΡΡΡ Π½Π°Π΄ Π±ΠΎΠ»ΡΡΠΈΠΌ ΠΏΠΎΡΡΠ½Π΅ΠΌ; I, II —
Π²Π²ΠΎΠ΄ ΠΎΡ ΡΠ΅ΡΠΈΠ²Π΅ΡΠ°; III, IV — Π²ΡΠ²ΠΎΠ΄ ΠΊ ΡΠΎΡΠΌΠΎΠ·Π½ΡΠΌ ΠΊΠ°ΠΌΠ΅ΡΠ°ΠΌ ΡΠΎΠΎΡΠ²Π΅ΡΡΡΠ²Π΅Π½Π½ΠΎ
Π·Π°Π΄Π½ΠΈΡ
ΠΈ
ΠΏΠ΅ΡΠ΅Π΄Π½ΠΈΡ
ΠΊΠΎΠ»Π΅Ρ
Π£ΠΏΡΠ°Π²Π»Π΅Π½ΠΈΠ΅ ΡΠΎΡΠΌΠΎΠ·Π½ΡΠΌ ΠΊΡΠ°Π½ΠΎΠΌ ΠΎΡΡΡΠ΅ΡΡΠ²Π»ΡΠ΅ΡΡΡ ΠΏΠ΅Π΄Π°Π»ΡΡ, Π½Π΅ΠΏΠΎΡΡΠ΅Π΄ΡΡΠ²Π΅Π½Π½ΠΎ ΡΠ²ΡΠ·Π°Π½Π½ΠΎΠΉ Ρ ΡΠΎΡΠΌΠΎΠ·Π½ΡΠΌ ΠΊΡΠ°Π½ΠΎΠΌ.
Π’ΠΎΡΠΌΠΎΠ·Π½ΠΎΠΉ ΠΊΡΠ°Π½ ΠΠ°ΠΌΠ°Π·-5320, 53212, 53215, ΠΠ°ΠΌΠ°Π·-4310, 43114, 43118, ΠΠ°ΠΌΠ°Π·-55111, 55102, 5511, ΠΠ°ΠΌΠ°Π·-5410, 54115 ΠΈΠΌΠ΅Π΅Ρ Π΄Π²Π΅ Π½Π΅Π·Π°Π²ΠΈΡΠΈΠΌΡΠ΅ ΡΠ΅ΠΊΡΠΈΠΈ, ΡΠ°ΡΠΏΠΎΠ»ΠΎΠΆΠ΅Π½Π½ΡΠ΅ ΠΏΠΎΡΠ»Π΅Π΄ΠΎΠ²Π°ΡΠ΅Π»ΡΠ½ΠΎ.
ΠΠ²ΠΎΠ΄Ρ I ΠΈ II ΠΊΡΠ°Π½Π° ΡΠΎΠ΅Π΄ΠΈΠ½Π΅Π½Ρ Ρ ΡΠ΅ΡΠΈΠ²Π΅ΡΠ°ΠΌΠΈ Π΄Π²ΡΡ ΡΠ°Π·Π΄Π΅Π»ΡΠ½ΡΡ ΠΊΠΎΠ½ΡΡΡΠΎΠ² ΠΏΡΠΈΠ²ΠΎΠ΄Π° ΡΠ°Π±ΠΎΡΠ΅ΠΉ ΡΠΎΡΠΌΠΎΠ·Π½ΠΎΠΉ ΡΠΈΡΡΠ΅ΠΌΡ. ΠΡ Π²ΡΠ²ΠΎΠ΄ΠΎΠ² III ΠΈ IV ΡΠΆΠ°ΡΡΠΉ Π²ΠΎΠ·Π΄ΡΡ ΠΏΠΎΡΡΡΠΏΠ°Π΅Ρ ΠΊ ΡΠΎΡΠΌΠΎΠ·Π½ΡΠΌ ΠΊΠ°ΠΌΠ΅ΡΠ°ΠΌ.
ΠΡΠΈ Π½Π°ΠΆΠ°ΡΠΈΠΈ Π½Π° ΡΠΎΡΠΌΠΎΠ·Π½ΡΡ ΠΏΠ΅Π΄Π°Π»Ρ ΡΠΈΠ»ΠΎΠ²ΠΎΠ΅ Π²ΠΎΠ·Π΄Π΅ΠΉΡΡΠ²ΠΈΠ΅ ΠΏΠ΅ΡΠ΅Π΄Π°Π΅ΡΡΡ ΡΠ΅ΡΠ΅Π· ΡΠΎΠ»ΠΊΠ°ΡΠ΅Π»Ρ 6, ΡΠ°ΡΠ΅Π»ΠΊΡ 9 ΠΈ ΡΠΏΡΡΠ³ΠΈΠΉ ΡΠ»Π΅ΠΌΠ΅Π½Ρ 31 Π½Π° ΡΠ»Π΅Π΄ΡΡΠΈΠΉ ΠΏΠΎΡΡΠ΅Π½Ρ 30.
ΠΠ΅ΡΠ΅ΠΌΠ΅ΡΠ°ΡΡΡ Π²Π½ΠΈΠ·, ΡΠ»Π΅Π΄ΡΡΠΈΠΉ ΠΏΠΎΡΡΠ΅Π½Ρ 30 ΡΠ½Π°ΡΠ°Π»Π° Π·Π°ΠΊΡΡΠ²Π°Π΅Ρ Π²ΡΠΏΡΡΠΊΠ½ΠΎΠ΅ ΠΎΡΠ²Π΅ΡΡΡΠΈΠ΅ ΠΊΠ»Π°ΠΏΠ°Π½Π° 29 Π²Π΅ΡΡ Π½Π΅ΠΉ ΡΠ΅ΠΊΡΠΈΠΈ ΡΠΎΡΠΌΠΎΠ·Π½ΠΎΠ³ΠΎ ΠΊΡΠ°Π½Π°, Π° Π·Π°ΡΠ΅ΠΌ ΠΎΡΡΡΠ²Π°Π΅Ρ ΠΊΠ»Π°ΠΏΠ°Π½ 29 ΠΎΡ ΡΠ΅Π΄Π»Π° Π² Π²Π΅ΡΡ Π½Π΅ΠΌ ΠΊΠΎΡΠΏΡΡΠ΅ 32, ΠΎΡΠΊΡΡΠ²Π°Ρ ΠΏΡΠΎΡ ΠΎΠ΄ ΡΠΆΠ°ΡΠΎΠΌΡ Π²ΠΎΠ·Π΄ΡΡ Ρ ΡΠ΅ΡΠ΅Π· Π²Π²ΠΎΠ΄ II ΠΈ Π²ΡΠ²ΠΎΠ΄ III ΠΈ Π΄Π°Π»Π΅Π΅ ΠΊ ΠΈΡΠΏΠΎΠ»Π½ΠΈΡΠ΅Π»ΡΠ½ΡΠΌ ΠΌΠ΅Ρ Π°Π½ΠΈΠ·ΠΌΠ°ΠΌ ΠΎΠ΄Π½ΠΎΠ³ΠΎ ΠΈΠ· ΠΊΠΎΠ½ΡΡΡΠΎΠ².
ΠΠ°Π²Π»Π΅Π½ΠΈΠ΅ Π½Π° Π²ΡΠ²ΠΎΠ΄Π΅ III ΠΏΠΎΠ²ΡΡΠ°Π΅ΡΡΡ Π΄ΠΎ ΡΠ΅Ρ ΠΏΠΎΡ, ΠΏΠΎΠΊΠ° ΡΠΈΠ»Π° Π½Π°ΠΆΠ°ΡΠΈΡ Π½Π° ΠΏΠ΅Π΄Π°Π»Ρ 1 Π½Π΅ ΡΡΠ°Π²Π½ΠΎΠ²Π΅ΡΠΈΡΡΡ ΡΡΠΈΠ»ΠΈΠ΅ΠΌ, ΡΠΎΠ·Π΄Π°Π²Π°Π΅ΠΌΡΠΌ ΡΡΠΈΠΌ Π΄Π°Π²Π»Π΅Π½ΠΈΠ΅ΠΌ Π½Π° ΠΏΠΎΡΡΠ΅Π½Ρ 30. Π’Π°ΠΊ ΠΎΡΡΡΠ΅ΡΡΠ²Π»ΡΠ΅ΡΡΡ ΡΠ»Π΅Π΄ΡΡΠ΅Π΅ Π΄Π΅ΠΉΡΡΠ²ΠΈΠ΅ Π² Π²Π΅ΡΡ Π½Π΅ΠΉ ΡΠ΅ΠΊΡΠΈΠΈ ΡΠΎΡΠΌΠΎΠ·Π½ΠΎΠ³ΠΎ ΠΊΡΠ°Π½ ΠΠ°ΠΌΠ°Π·.
ΠΠ΄Π½ΠΎΠ²ΡΠ΅ΠΌΠ΅Π½Π½ΠΎ Ρ ΠΏΠΎΠ²ΡΡΠ΅Π½ΠΈΠ΅ΠΌ Π΄Π°Π²Π»Π΅Π½ΠΈΡ Π½Π° Π²ΡΠ²ΠΎΠ΄Π΅ III ΡΠΆΠ°ΡΡΠΉ Π²ΠΎΠ·Π΄ΡΡ ΡΠ΅ΡΠ΅Π· ΠΎΡΠ²Π΅ΡΡΡΠΈΠ΅ Π ΠΏΠΎΠΏΠ°Π΄Π°Π΅Ρ Π² ΠΏΠΎΠ»ΠΎΡΡΡ Π Π½Π°Π΄ Π±ΠΎΠ»ΡΡΠΈΠΌ ΠΏΠΎΡΡΠ½Π΅ΠΌ 28 Π½ΠΈΠΆΠ½Π΅ΠΉ ΡΠ΅ΠΊΡΠΈΠΈ ΡΠΎΡΠΌΠΎΠ·Π½ΠΎΠ³ΠΎ ΠΊΡΠ°Π½Π°.
ΠΠ΅ΡΠ΅ΠΌΠ΅ΡΠ°ΡΡΡ Π²Π½ΠΈΠ·, Π±ΠΎΠ»ΡΡΠΎΠΉ ΠΏΠΎΡΡΠ΅Π½Ρ 28 Π·Π°ΠΊΡΡΠ²Π°Π΅Ρ Π²ΡΠΏΡΡΠΊΠ½ΠΎΠ΅ ΠΎΡΠ²Π΅ΡΡΡΠΈΠ΅ ΠΊΠ»Π°ΠΏΠ°Π½Π° 17 ΠΈ ΠΎΡΡΡΠ²Π°Π΅Ρ Π΅Π³ΠΎ ΠΎΡ ΡΠ΅Π΄Π»Π° Π² Π½ΠΈΠΆΠ½Π΅ΠΌ ΠΊΠΎΡΠΏΡΡΠ΅.
Π‘ΠΆΠ°ΡΡΠΉ Π²ΠΎΠ·Π΄ΡΡ ΡΠ΅ΡΠ΅Π· Π²Π²ΠΎΠ΄ I ΠΏΠΎΡΡΡΠΏΠ°Π΅Ρ ΠΊ Π²ΡΠ²ΠΎΠ΄Ρ IV ΠΈ Π΄Π°Π»Π΅Π΅ Π² ΠΈΡΠΏΠΎΠ»Π½ΠΈΡΠ΅Π»ΡΠ½ΡΠ΅ ΠΌΠ΅Ρ Π°Π½ΠΈΠ·ΠΌΡ ΠΏΠ΅ΡΠ²ΠΎΠ³ΠΎ ΠΊΠΎΠ½ΡΡΡΠ° ΡΠ°Π±ΠΎΡΠ΅ΠΉ ΡΠΎΡΠΌΠΎΠ·Π½ΠΎΠΉ ΡΠΈΡΡΠ΅ΠΌΡ Π°Π²ΡΠΎΠΌΠΎΠ±ΠΈΠ»Π΅ΠΉ ΠΠ°ΠΌΠ°Π·-5320, 53212, 53215, ΠΠ°ΠΌΠ°Π·-4310, 43114, 43118, ΠΠ°ΠΌΠ°Π·-55111, 55102, 5511, ΠΠ°ΠΌΠ°Π·-5410, 54115.
ΠΠ΄Π½ΠΎΠ²ΡΠ΅ΠΌΠ΅Π½Π½ΠΎ Ρ ΠΏΠΎΠ²ΡΡΠ΅Π½ΠΈΠ΅ΠΌ Π΄Π°Π²Π»Π΅Π½ΠΈΡ Π½Π° Π²ΡΠ²ΠΎΠ΄Π΅ IV Π²ΠΎΠ·ΡΠ°ΡΡΠ°Π΅Ρ Π΄Π°Π²Π»Π΅Π½ΠΈΠ΅ ΠΏΠΎΠ΄ ΠΏΠΎΡΡΠ½ΡΠΌΠΈ 15 ΠΈ 28, Π² ΡΠ΅Π·ΡΠ»ΡΡΠ°ΡΠ΅ ΡΠ΅Π³ΠΎ ΡΡΠ°Π²Π½ΠΎΠ²Π΅ΡΠΈΠ²Π°Π΅ΡΡΡ ΡΠΈΠ»Π°, Π΄Π΅ΠΉΡΡΠ²ΡΡΡΠ°Ρ Π½Π° ΠΏΠΎΡΡΠ΅Π½Ρ 28 ΡΠ²Π΅ΡΡ Ρ.
ΠΡΠ»Π΅Π΄ΡΡΠ²ΠΈΠ΅ ΡΡΠΎΠ³ΠΎ Π½Π° Π²ΡΠ²ΠΎΠ΄Π΅ IV ΡΠ°ΠΊΠΆΠ΅ ΡΡΡΠ°Π½Π°Π²Π»ΠΈΠ²Π°Π΅ΡΡΡ Π΄Π°Π²Π»Π΅Π½ΠΈΠ΅, ΡΠΎΠΎΡΠ²Π΅ΡΒΡΡΠ²ΡΡΡΠ΅Π΅ ΡΡΠΈΠ»ΠΈΡ Π½Π° ΡΡΡΠ°Π³Π΅ ΡΠΎΡΠΌΠΎΠ·Π½ΠΎΠ³ΠΎ ΠΊΡΠ°Π½Π°. Π’Π°ΠΊ ΠΎΡΡΡΠ΅ΡΡΠ²Π»ΡΠ΅ΡΡΡ ΡΠ»Π΅Π΄ΡΡΠ΅Π΅ Π΄Π΅ΠΉΡΡΠ²ΠΈΠ΅ Π² Π½ΠΈΠΆΠ½Π΅ΠΉ ΡΠ΅ΠΊΡΠΈΠΈ ΡΠΎΡΠΌΠΎΠ·Π½ΠΎΠ³ΠΎ ΠΊΡΠ°Π½Π°.
ΠΡΠΈ ΠΎΡΠΊΠ°Π·Π΅ Π² ΡΠ°Π±ΠΎΡΠ΅ Π²Π΅ΡΡ Π½Π΅ΠΉ ΡΠ΅ΠΊΡΠΈΠΈ ΡΠΎΡΠΌΠΎΠ·Π½ΠΎΠ³ΠΎ ΠΊΡΠ°Π½Π° Π½ΠΈΠΆΠ½ΡΡ ΡΠ΅ΠΊΡΠΈΡ Π±ΡΠ΄Π΅Ρ ΡΠΏΡΠ°Π²Π»ΡΡΡΡΡ ΠΌΠ΅Ρ Π°Π½ΠΈΡΠ΅ΡΠΊΠΈ ΡΠ΅ΡΠ΅Π· ΡΠΏΠΈΠ»ΡΠΊΡ 11 ΠΈ ΡΠΎΠ»ΠΊΠ°ΡΠ΅Π»Ρ 18 ΠΌΠ°Π»ΠΎΠ³ΠΎ ΠΏΠΎΡΡΠ½Ρ 15, ΠΏΠΎΠ»Π½ΠΎΡΡΡΡ ΡΠΎΡ ΡΠ°Π½ΡΡ ΡΠ°Π±ΠΎΡΠΎΡΠΏΠΎΡΠΎΠ±Π½ΠΎΡΡΡ.
ΠΡΠΈ ΡΡΠΎΠΌ ΡΠ»Π΅Π΄ΡΡΠ΅Π΅ Π΄Π΅ΠΉΡΡΠ²ΠΈΠ΅ ΠΎΡΡΡΠ΅ΡΡΠ²Π»ΡΠ΅ΡΡΡ ΡΡΠ°Π²Π½ΠΎΠ²Π΅ΡΠΈΠ²Π°Π½ΠΈΠ΅ΠΌ ΡΠΈΠ»Ρ, ΠΏΡΠΈΠ»ΠΎΠΆΠ΅Π½Π½ΠΎΠΉ ΠΊ ΠΏΠ΅Π΄Π°Π»ΠΈ 1, Π΄Π°Π²Π»Π΅Π½ΠΈΠ΅ΠΌ Π²ΠΎΠ·Π΄ΡΡ Π° Π½Π° ΠΌΠ°Π»ΡΠΉ ΠΏΠΎΡΡΠ΅Π½Ρ 15. ΠΡΠΈ ΠΎΡΠΊΠ°Π·Π΅ Π² ΡΠ°Π±ΠΎΡΠ΅ Π½ΠΈΠΆΠ½Π΅ΠΉ ΡΠ΅ΠΊΡΠΈΠΈ ΡΠΎΡΠΌΠΎΠ·Π½ΠΎΠ³ΠΎ ΠΊΡΠ°Π½Π° Π²Π΅ΡΡ Π½ΡΡ ΡΠ΅ΠΊΡΠΈΡ ΡΠ°Π±ΠΎΡΠ°Π΅Ρ ΠΊΠ°ΠΊ ΠΎΠ±ΡΡΠ½ΠΎ.
ΠΡΠ°Π½ ΡΠΏΡΠ°Π²Π»Π΅Π½ΠΈΡ ΡΡΠΎΡΠ½ΠΎΡΠ½ΡΠΌ ΡΠΎΡΠΌΠΎΠ·ΠΎΠΌ Π°Π²ΡΠΎΠΌΠΎΠ±ΠΈΠ»Π΅ΠΉ ΠΠ°ΠΌΠ°Π·-5320, 53212, 53215, ΠΠ°ΠΌΠ°Π·-4310, 43114, 43118, ΠΠ°ΠΌΠ°Π·-55111, 55102, 5511, ΠΠ°ΠΌΠ°Π·-5410, 54115 ΠΏΡΠ΅Π΄Π½Π°Π·Π½Π°ΡΠ΅Π½ Π΄Π»Ρ ΡΠΏΡΠ°Π²Π»Π΅Π½ΠΈΡ ΠΏΡΡΠΆΠΈΠ½Π½ΡΠΌΠΈ ΡΠ½Π΅ΡΠ³ΠΎΠ°ΠΊΠΊΡΠΌΡΠ»ΡΡΠΎΡΠ°ΠΌΠΈ ΠΏΡΠΈΠ²ΠΎΠ΄Π° ΡΡΠΎΡΠ½ΠΎΡΠ½ΠΎΠΉ ΠΈ Π·Π°ΠΏΠ°ΡΠ½ΠΎΠΉ ΡΠΎΡΠΌΠΎΠ·Π½ΡΡ ΡΠΈΡΡΠ΅ΠΌ.
ΠΡΠ°Π½ Π·Π°ΠΊΡΠ΅ΠΏΠ»Π΅Π½ Π΄Π²ΡΠΌΡ Π±ΠΎΠ»ΡΠ°ΠΌΠΈ Π½Π° Π½ΠΈΡΠ΅ Π΄Π²ΠΈΠ³Π°ΡΠ΅Π»Ρ Π²Π½ΡΡΡΠΈ ΠΊΠ°Π±ΠΈΠ½Ρ ΡΠΏΡΠ°Π²Π° ΠΎΡ ΡΠΈΠ΄Π΅Π½ΡΡ Π²ΠΎΠ΄ΠΈΡΠ΅Π»Ρ. ΠΡΡ ΠΎΠ΄ΡΡΠΈΠΉ ΠΈΠ· ΠΊΡΠ°Π½Π° ΠΏΡΠΈ ΡΠΎΡΠΌΠΎΠΆΠ΅Π½ΠΈΠΈ Π²ΠΎΠ·Π΄ΡΡ ΠΏΠΎΠ΄Π°Π΅ΡΡΡ Π½Π°ΡΡΠΆΡ ΠΏΠΎ ΡΡΡΠ±ΠΎΠΏΡΠΎΠ²ΠΎΠ΄Ρ, ΡΠΎΠ΅Π΄ΠΈΠ½Π΅Π½Π½ΠΎΠΌΡ Ρ Π°ΡΠΌΠΎΡΡΠ΅ΡΠ½ΡΠΌ Π²ΡΠ²ΠΎΠ΄ΠΎΠΌ ΠΊΡΠ°Π½Π°.
Π ΠΈΡ.8. ΠΡΠ°Π½ ΡΠΏΡΠ°Π²Π»Π΅Π½ΠΈΡ ΡΡΠΎΡΠ½ΠΎΡΠ½ΠΎΠΉ ΡΠΎΡΠΌΠΎΠ·Π½ΠΎΠΉ ΡΠΈΡΡΠ΅ΠΌΠΎΠΉ ΠΠ°ΠΌΠ°Π·-5320, 53212, 53215, ΠΠ°ΠΌΠ°Π·-4310, 43114, 43118, ΠΠ°ΠΌΠ°Π·-55111, 55102, 5511, ΠΠ°ΠΌΠ°Π·-5410, 54115
1, 10 — ΠΊΠΎΠ»ΡΡΠ° ΡΠΏΠΎΡΠ½ΡΠ΅; 2 — ΠΏΡΡΠΆΠΈΠ½Π° ΠΊΠ»Π°ΠΏΠ°Π½Π°; 3 — ΠΊΠΎΡΠΏΡΡ; 4, 24 — ΠΊΠΎΠ»ΡΡΠ° ΡΠΏΠ»ΠΎΡΠ½ΠΈΡΠ΅Π»ΡΠ½ΡΠ΅; 5 — ΠΏΡΡΠΆΠΈΠ½Π° ΡΡΠ°Π²Π½ΠΎΠ²Π΅ΡΠΈΠ²Π°ΡΡΠ°Ρ; 6 — ΠΏΡΡΠΆΠΈΠ½Π° ΡΡΠΎΠΊΠ°; 7 — ΡΠ°ΡΠ΅Π»ΠΊΠ° ΡΡΠ°Π²Π½ΠΎΠ²Π΅ΡΠΈΠ²Π°ΡΡΠ΅ΠΉ ΠΏΡΡΠΆΠΈΠ½Ρ; 8 — Π½Π°ΠΏΡΠ°Π²Π»ΡΡΡΠ°Ρ ΡΡΠΎΠΊΠ°; 9 — ΠΊΠΎΠ»ΡΡΠΎ ΡΠΈΠ³ΡΡΠ½ΠΎΠ΅; 11 — ΡΡΠΈΡΡ; 12 — ΠΏΡΡΠΆΠΈΠ½Π° ΠΊΠΎΠ»ΠΏΠ°ΡΠΊΠ°; 13 — ΠΊΡΡΡΠΊΠ°; 14 — ΡΡΠΊΠΎΡΡΠΊΠ° ΠΊΡΠ°Π½Π°; 15- ΠΊΠΎΠ»ΠΏΠ°ΡΠΎΠΊ Π½Π°ΠΏΡΠ°Π²Π»ΡΡΡΠΈΠΉ; 16 — ΡΡΠΎΠΊ; 17 — ΠΎΡΡ ΡΠΎΠ»ΠΈΠΊΠ°; 18 — ΡΠΈΠΊΡΠ°ΡΠΎΡ; 19 — ΡΠΎΠ»ΠΈΠΊ; 20 -ΡΡΠΎΠΏΠΎΡ; 21 — ΡΠ΅Π΄Π»ΠΎ Π²ΡΠΏΡΡΠΊΠ½ΠΎΠ΅ ΠΊΠ»Π°ΠΏΠ°Π½Π° Π½Π° ΡΡΠΎΠΊΠ΅; 22 — ΠΊΠ»Π°ΠΏΠ°Π½; 23 — ΠΏΠΎΡΡΠ΅Π½Ρ ΡΠ»Π΅Π΄ΡΡΠΈΠΉ; I — ΠΎΡ ΡΠ΅ΡΠΈΠ²Π΅ΡΠ°; II — Π² Π°ΡΠΌΠΎΡΡΠ΅ΡΡ; III — Π² ΡΠΏΡΠ°Π²Π»ΡΡΡΡΡ ΠΌΠ°Π³ΠΈΡΡΡΠ°Π»Ρ ΡΡΠΊΠΎΡΠΈΡΠ΅Π»ΡΠ½ΠΎΠ³ΠΎ ΠΊΠ»Π°ΠΏΠ°Π½Π°
Π£ΡΡΡΠΎΠΉΡΡΠ²ΠΎ ΠΊΡΠ°Π½Π° ΡΠΏΡΠ°Π²Π»Π΅Π½ΠΈΡ ΡΡΠΎΡΠ½ΠΎΡΠ½ΠΎΠΉ ΡΠΎΡΠΌΠΎΠ·Π½ΠΎΠΉ ΡΠΈΡΡΠ΅ΠΌΠΎΠΉ ΠΠ°ΠΌΠ°Π·-5320, 53212, 53215, ΠΠ°ΠΌΠ°Π·-4310, 43114, 43118, ΠΠ°ΠΌΠ°Π·-55111, 55102, 5511, ΠΠ°ΠΌΠ°Π·-5410, 54115 ΠΏΠΎΠΊΠ°Π·Π°Π½ΠΎ Π½Π° ΡΠΈΡ.8.
ΠΡΠΈ Π΄Π²ΠΈΠΆΠ΅Π½ΠΈΠΈ Π°Π²ΡΠΎΠΌΠΎΠ±ΠΈΠ»Ρ ΡΡΠΊΠΎΡΡΠΊΠ° 14 ΠΊΡΠ°Π½Π° Π½Π°Ρ ΠΎΠ΄ΠΈΡΡΡ Π² ΠΊΡΠ°ΠΉΠ½Π΅ΠΌ ΠΏΠΎΠ»ΠΎΠΆΠ΅Π½ΠΈΠΈ, ΠΈ ΡΠΆΠ°ΡΡΠΉ Π²ΠΎΠ·Π΄ΡΡ ΠΎΡ ΡΠ΅ΡΠΈΠ²Π΅ΡΠ° ΠΏΡΠΈΠ²ΠΎΠ΄Π° ΡΡΠΎΡΠ½ΠΎΡΠ½ΠΎΠΉ ΠΈ Π·Π°ΠΏΠ°ΡΠ½ΠΎΠΉ ΡΠΎΡΠΌΠΎΠ·Π½ΡΡ ΡΠΈΡΡΠ΅ΠΌ ΠΏΠΎΠ΄Π²ΠΎΠ΄ΠΈΡΡΡ ΠΊ Π²ΡΠ²ΠΎΠ΄Ρ I.
ΠΠΎΠ΄ Π΄Π΅ΠΉΡΡΠ²ΠΈΠ΅ΠΌ ΠΏΡΡΠΆΠΈΠ½Ρ 6 ΡΡΠΎΠΊ 16 Π½Π°Ρ ΠΎΠ΄ΠΈΡΡΡ Π² ΠΊΡΠ°ΠΉΠ½Π΅ΠΌ Π½ΠΈΠΆΠ½Π΅ΠΌ ΠΏΠΎΠ»ΠΎΠΆΠ΅Π½ΠΈΠΈ, Π° ΠΊΠ»Π°ΠΏΠ°Π½ 22 ΠΏΠΎΠ΄ Π΄Π΅ΠΉΡΡΠ²ΠΈΠ΅ΠΌ ΠΏΡΡΠΆΠΈΠ½Ρ 2 ΠΏΡΠΈΠΆΠ°Ρ ΠΊ Π²ΡΠΏΡΡΠΊΠ½ΠΎΠΌΡ ΡΠ΅Π΄Π»Ρ 21 ΡΡΠΎΠΊΠ° 16.
Π‘ΠΆΠ°ΡΡΠΉ Π²ΠΎΠ·Π΄ΡΡ ΡΠ΅ΡΠ΅Π· ΠΎΡΠ²Π΅ΡΡΡΠΈΡ Π² ΠΏΠΎΡΡΠ½Π΅ 23 ΠΏΠΎΡΡΡΠΏΠ°Π΅Ρ Π² ΠΏΠΎΠ»ΠΎΡΡΡ Π, Π° ΠΎΡΡΡΠ΄Π° ΡΠ΅ΡΠ΅Π· Π²ΠΏΡΡΠΊΠ½ΠΎΠ΅ ΡΠ΅Π΄Π»ΠΎ ΠΊΠ»Π°ΠΏΠ°Π½Π° 22, ΠΊΠΎΡΠΎΡΠΎΠ΅ Π²ΡΠΏΠΎΠ»Π½Π΅Π½ΠΎ Π½Π° Π΄Π½Π΅ ΠΏΠΎΡΡΠ½Ρ 23, ΠΏΠΎΠΏΠ°Π΄Π°Π΅Ρ Π² ΠΏΠΎΠ»ΠΎΡΡΡ Π, Π·Π°ΡΠ΅ΠΌ ΠΏΠΎ Π²Π΅ΡΡΠΈΠΊΠ°Π»ΡΠ½ΠΎΠΌΡ ΠΊΠ°Π½Π°Π»Ρ Π² ΠΊΠΎΡΠΏΡΡΠ΅ 3 Π²ΠΎΠ·Π΄ΡΡ ΠΏΡΠΎΡ ΠΎΠ΄ΠΈΡ ΠΊ Π²ΡΠ²ΠΎΠ΄Ρ III ΠΈ Π΄Π°Π»Π΅Π΅ ΠΊ ΠΏΡΡΠΆΠΈΠ½Π½ΡΠΌ ΡΠ½Π΅ΡΠ³ΠΎΠ°ΠΊΠΊΡΠΌΡΠ»ΡΡΠΎΡΠ°ΠΌ ΠΏΡΠΈΠ²ΠΎΠ΄Π°.
ΠΡΠΈ ΠΏΠΎΠ²ΠΎΡΠΎΡΠ΅ ΡΡΠΊΠΎΡΡΠΊΠΈ 14 ΠΏΠΎΠ²ΠΎΡΠ°ΡΠΈΠ²Π°Π΅ΡΡΡ Π²ΠΌΠ΅ΡΡΠ΅ Ρ ΠΊΡΡΡΠΊΠΎΠΉ 13 Π½Π°ΠΏΡΠ°Π²Π»ΡΡΡΠΈΠΉ ΠΊΠΎΠ»ΠΏΠ°ΡΠΎΠΊ 15. Π‘ΠΊΠΎΠ»ΡΠ·Ρ ΠΏΠΎ Π²ΠΈΠ½ΡΠΎΠ²ΡΠΌ ΠΏΠΎΠ²Π΅ΡΡ Π½ΠΎΡΡΡΠΌ ΠΊΠΎΠ»ΡΡΠ° 9, ΠΊΠΎΠ»ΠΏΠ°ΡΠΎΠΊ 15 ΠΏΠΎΠ΄Π½ΠΈΠΌΠ°Π΅ΡΡΡ Π²Π²Π΅ΡΡ , ΡΠ²Π»Π΅ΠΊΠ°Ρ Π·Π° ΡΠΎΠ±ΠΎΠΉ ΡΡΠΎΠΊ 16.
Π‘Π΅Π΄Π»ΠΎ 21 ΠΎΡΡΡΠ²Π°Π΅ΡΡΡ ΠΎΡ ΠΊΠ»Π°ΠΏΠ°Π½Π° 22, ΠΈ ΠΊΠ»Π°ΠΏΠ°Π½ ΠΏΠΎΠ΄ Π΄Π΅ΠΉΡΡΠ²ΠΈΠ΅ΠΌ ΠΏΡΡΠΆΠΈΠ½Ρ 2 ΠΏΠΎΠ΄Π½ΠΈΠΌΠ°Π΅ΡΡΡ Π΄ΠΎ ΡΠΏΠΎΡΠ° Π² ΡΠ΅Π΄Π»ΠΎ ΠΏΠΎΡΡΠ½Ρ 23.
ΠΡΠ»Π΅Π΄ΡΡΠ²ΠΈΠ΅ ΡΡΠΎΠ³ΠΎ ΠΏΡΠ΅ΠΊΡΠ°ΡΠ°Π΅ΡΡΡ ΠΏΡΠΎΡ ΠΎΠΆΠ΄Π΅Π½ΠΈΠ΅ ΡΠΆΠ°ΡΠΎΠ³ΠΎ Π²ΠΎΠ·Π΄ΡΡ Π° ΠΎΡ Π²ΡΠ²ΠΎΠ΄Π° I ΠΊ Π²ΡΠ²ΠΎΠ΄Ρ III. Π§Π΅ΡΠ΅Π· ΠΎΡΠΊΡΡΡΠΎΠ΅ Π²ΡΠΏΡΡΠΊΠ½ΠΎΠ΅ ΡΠ΅Π΄Π»ΠΎ 21 Π½Π° ΡΡΠΎΠΊΠ΅ 16 ΡΠΆΠ°ΡΡΠΉ Π²ΠΎΠ·Π΄ΡΡ ΡΠ΅ΡΠ΅Π· ΡΠ΅Π½ΡΡΠ°Π»ΡΠ½ΠΎΠ΅ ΠΎΡΠ²Π΅ΡΡΡΠΈΠ΅ ΠΊΠ»Π°ΠΏΠ°Π½Π° 22 Π²ΡΡ ΠΎΠ΄ΠΈΡ ΠΈΠ· Π²ΡΠ²ΠΎΠ΄Π° III Π² Π°ΡΠΌΠΎΡΡΠ΅ΡΠ½ΡΠΉ Π²ΡΠ²ΠΎΠ΄ II Π΄ΠΎ ΡΠ΅Ρ ΠΏΠΎΡ, ΠΏΠΎΠΊΠ° Π΄Π°Π²Π»Π΅Π½ΠΈΠ΅ Π²ΠΎΠ·Π΄ΡΡ Π° Π² ΠΏΠΎΠ»ΠΎΡΡΠΈ Π ΠΏΠΎΠ΄ ΠΏΠΎΡΡΠ½Π΅ΠΌ 23 Π½Π΅ ΠΏΡΠ΅ΠΎΠ΄ΠΎΠ»Π΅Π΅Ρ ΡΠΈΠ»Ρ ΡΡΠ°Π²Π½ΠΎΠ²Π΅ΡΠΈΠ²Π°ΡΡΠ΅ΠΉ ΠΏΡΡΠΆΠΈΠ½Ρ 5 ΠΈ Π΄Π°Π²Π»Π΅Π½ΠΈΠ΅ Π²ΠΎΠ·Π΄ΡΡ Π° Π½Π°Π΄ ΠΏΠΎΡΡΠ½Π΅ΠΌ Π² ΠΏΠΎΠ»ΠΎΡΡΠΈ Π.
ΠΡΠ΅ΠΎΠ΄ΠΎΠ»Π΅Π²Π°Ρ ΡΠΈΠ»Ρ ΠΏΡΡΠΆΠΈΠ½Ρ 5, ΠΏΠΎΡΡΠ΅Π½Ρ 23 Π²ΠΌΠ΅ΡΡΠ΅ Ρ ΠΊΠ»Π°ΠΏΠ°Π½ΠΎΠΌ 22 ΠΏΠΎΠ΄Π½ΠΈΠΌΠ°Π΅ΡΡΡ Π²Π²Π΅ΡΡ Π΄ΠΎ ΡΠΎΠΏΡΠΈΠΊΠΎΡΠ½ΠΎΠ²Π΅Π½ΠΈΡ ΠΊΠ»Π°ΠΏΠ°Π½Π° Ρ Π²ΡΠΏΡΡΠΊΠ½ΡΠΌ ΡΠ΅Π΄Π»ΠΎΠΌ 21 ΡΡΠΎΠΊΠ° 16, ΠΏΠΎΡΠ»Π΅ ΡΠ΅Π³ΠΎ Π²ΡΠΏΡΡΠΊ Π²ΠΎΠ·Π΄ΡΡ Π° ΠΏΡΠ΅ΠΊΡΠ°ΡΠ°Π΅ΡΡΡ. Π’Π°ΠΊΠΈΠΌ ΠΎΠ±ΡΠ°Π·ΠΎΠΌ ΠΎΡΡΡΠ΅ΡΡΠ²Π»ΡΠ΅ΡΡΡ ΡΠ»Π΅Π΄ΡΡΠ΅Π΅ Π΄Π΅ΠΉΡΡΠ²ΠΈΠ΅.
Π‘ΡΠΎΠΏΠΎΡ 20 ΠΊΡΠ°Π½Π° ΠΈΠΌΠ΅Π΅Ρ ΠΏΡΠΎΡΠΈΠ»Ρ, ΠΎΠ±Π΅ΡΠΏΠ΅ΡΠΈΠ²Π°ΡΡΠΈΠΉ Π°Π²ΡΠΎΠΌΠ°ΡΠΈΡΠ΅ΡΠΊΠΈΠΉ Π²ΠΎΠ·Π²ΡΠ°Ρ ΡΡΠΊΠΎΡΡΠΊΠΈ Π² Π½ΠΈΠΆΠ½Π΅Π΅ ΠΏΠΎΠ»ΠΎΠΆΠ΅Π½ΠΈΠ΅ ΠΏΡΠΈ Π΅Π΅ ΠΎΡΠΏΡΡΠΊΠ°Π½ΠΈΠΈ. Π’ΠΎΠ»ΡΠΊΠΎ Π² ΠΊΡΠ°ΠΉΠ½Π΅ΠΌ Π²Π΅ΡΡ Π½Π΅ΠΌ ΠΏΠΎΠ»ΠΎΠΆΠ΅Π½ΠΈΠΈ ΡΠΈΠΊΡΠ°ΡΠΎΡ 18 ΡΡΠΊΠΎΡΡΠΊΠΈ 14 Π²Ρ ΠΎΠ΄ΠΈΡ Π² ΡΠΏΠ΅ΡΠΈΠ°Π»ΡΠ½ΡΠΉ Π²ΡΡΠ΅Π· ΡΡΠΎΠΏΠΎΡΠ° 20 ΠΈ ΡΠΈΠΊΡΠΈΡΡΠ΅Ρ ΡΡΠΊΠΎΡΡΠΊΡ.
ΠΡΠΈ ΡΡΠΎΠΌ Π²ΠΎΠ·Π΄ΡΡ ΠΈΠ· Π²ΡΠ²ΠΎΠ΄Π° III ΠΏΠΎΠ»Π½ΠΎΡΡΡΡ Π²ΡΡ ΠΎΠ΄ΠΈΡ Π² Π°ΡΠΌΠΎΡΡΠ΅ΡΠ½ΡΠΉ Π²ΡΠ²ΠΎΠ΄ II, ΡΠ°ΠΊ ΠΊΠ°ΠΊ ΠΏΠΎΡΡΠ΅Π½Ρ 23 ΡΠΏΠΈΡΠ°Π΅ΡΡΡ Π² ΡΠ°ΡΠ΅Π»ΠΊΡ 7 ΠΏΡΡΠΆΠΈΠ½Ρ 5 ΠΈ ΠΊΠ»Π°ΠΏΠ°Π½ 22 Π½Π΅ Π΄ΠΎΡ ΠΎΠ΄ΠΈΡ Π΄ΠΎ Π²ΡΠΏΡΡΠΊΠ½ΠΎΠ³ΠΎ ΡΠ΅Π΄Π»Π° 21 ΡΡΠΎΠΊΠ°.
ΠΠ»Ρ ΠΎΡΡΠΎΡΠΌΠ°ΠΆΠΈΠ²Π°Π½ΠΈΡ ΠΏΡΡΠΆΠΈΠ½Π½ΡΡ ΡΠ½Π΅ΡΠ³ΠΎΠ°ΠΊΠΊΡΠΌΡΠ»ΡΡΠΎΡΠΎΠ² ΡΡΠΊΠΎΡΡΠΊΡ Π²ΡΡΡΠ½ΡΡΡ Π² ΡΠ°Π΄ΠΈΠ°Π»ΡΠ½ΠΎΠΌ Π½Π°ΠΏΡΠ°Π²Π»Π΅Π½ΠΈΠΈ, ΠΏΡΠΈ ΡΡΠΎΠΌ ΡΠΈΠΊΡΠ°ΡΠΎΡ 18 Π²ΡΡ ΠΎΠ΄ΠΈΡ ΠΈΠ· ΠΏΠ°Π·Π° ΡΡΠΎΠΏΠΎΡΠ°, ΠΈ ΡΡΠΊΠΎΡΡΠΊΠ° 14 ΡΠ²ΠΎΠ±ΠΎΠ΄Π½ΠΎ Π²ΠΎΠ·Π²ΡΠ°ΡΠ°Π΅ΡΡΡ Π² Π½ΠΈΠΆΠ½Π΅Π΅ ΠΏΠΎΠ»ΠΎΠΆΠ΅Π½ΠΈΠ΅.
ΠΠ½Π΅Π²ΠΌΠ°ΡΠΈΡΠ΅ΡΠΊΠΈΠΉ ΠΊΡΠ°Π½ ΡΠΎΡΠΌΠΎΠ·ΠΎΠ² ΠΠ°ΠΌΠ°Π·-5320, 53212, 53215, ΠΠ°ΠΌΠ°Π·-4310, 43114, 43118, ΠΠ°ΠΌΠ°Π·-55111, 55102, 5511, ΠΠ°ΠΌΠ°Π·-5410, 54115 Ρ ΠΊΠ½ΠΎΠΏΠΎΡΠ½ΡΠΌ ΡΠΏΡΠ°Π²Π»Π΅Π½ΠΈΠ΅ΠΌ ΠΏΡΠ΅Π΄Π½Π°Π·Π½Π°ΡΠ΅Π½ Π΄Π»Ρ ΠΏΠΎΠ΄Π°ΡΠΈ ΠΈ ΠΎΡΠΊΠ»ΡΡΠ΅Π½ΠΈΡ ΡΠΆΠ°ΡΠΎΠ³ΠΎ Π²ΠΎΠ·Π΄ΡΡ Π°. ΠΠ° Π°Π²ΡΠΎΠΌΠΎΠ±ΠΈΠ»Π΅ ΠΠ°ΠΌΠ°Π· ΡΡΡΠ°Π½ΠΎΠ²Π»Π΅Π½ΠΎ Π΄Π²Π° ΡΠ°ΠΊΠΈΡ ΠΊΡΠ°Π½Π°.
ΠΠ΄ΠΈΠ½ ΡΠΏΡΠ°Π²Π»ΡΠ΅Ρ ΡΠΈΡΡΠ΅ΠΌΠΎΠΉ Π°Π²Π°ΡΠΈΠΉΠ½ΠΎΠ³ΠΎ ΠΎΡΡΠΎΡΠΌΠ°ΠΆΠΈΠ²Π°Π½ΠΈΡ ΠΏΡΡΠΆΠΈΠ½Π½ΡΡ ΡΠ½Π΅ΡΠ³ΠΎΠ°ΠΊΠΊΡΠΌΡΠ»ΡΡΠΎΡΠΎΠ², Π²ΡΠΎΡΠΎΠΉ β ΠΏΠ½Π΅Π²ΠΌΠΎΡΠΈΠ»ΠΈΠ½Π΄ΡΠ°ΠΌΠΈ Π²ΡΠΏΠΎΠΌΠΎΠ³Π°ΡΠ΅Π»ΡΠ½ΠΎΠΉ ΡΠΎΡΠΌΠΎΠ·Π½ΠΎΠΉ ΡΠΈΡΡΠ΅ΠΌΡ.
Π ΠΈΡ.9. ΠΠ½Π΅Π²ΠΌΠ°ΡΠΈΡΠ΅ΡΠΊΠΈΠΉ ΠΊΡΠ°Π½ ΡΠΎΡΠΌΠΎΠ·Π½ΠΎΠΉ ΡΠΈΡΡΠ΅ΠΌΡ ΠΠ°ΠΌΠ°Π·-5320, 53212, 53215, ΠΠ°ΠΌΠ°Π·-4310, 43114, 43118, ΠΠ°ΠΌΠ°Π·-55111, 55102, 5511, ΠΠ°ΠΌΠ°Π·-5410, 54115
1, 11, 12 -ΠΊΠΎΠ»ΡΡΠ° ΡΠΏΠΎΡΠ½ΡΠ΅; 2 -ΠΊΠΎΡΠΏΡΡ; 3 — ΡΠΈΠ»ΡΡΡ; 4-ΡΠ°ΡΠ΅Π»ΠΊΠ° ΠΏΡΡΠΆΠΈΠ½Ρ ΡΡΠΎΠΊΠ°; 5, 10, 14 — ΠΊΠΎΠ»ΡΡΠ° ΡΠΏΠ»ΠΎΡΠ½ΠΈΡΠ΅Π»ΡΠ½ΡΠ΅; 6 -Π²ΡΡΠ»ΠΊΠ°; 7 — ΡΠ΅Ρ ΠΎΠ» Π·Π°ΡΠΈΡΠ½ΡΠΉ; 8 — ΠΊΠ½ΠΎΠΏΠΊΠ°; 9 -ΡΠΎΠ»ΠΊΠ°ΡΠ΅Π»Ρ; 13 — ΠΏΡΡΠΆΠΈΠ½Π° ΡΠΎΠ»ΠΊΠ°ΡΠ΅Π»Ρ; 15 — ΠΊΠ»Π°ΠΏΠ°Π½:16 — ΠΏΡΡΠΆΠΈΠ½Π° ΠΊΠ»Π°ΠΏΠ°Π½Π°;17 — Π½Π°ΠΏΡΠ°Π²Π»ΡΡΡΠ°Ρ ΠΊΠ»Π°ΠΏΠ°Π½Π°; I — ΠΎΡ ΠΏΠΈΡΠ°ΡΡΠ΅ΠΉ ΠΌΠ°Π³ΠΈΡΡΡΠ°Π»ΠΈ; II — Π² Π°ΡΠΌΠΎΡΡΠ΅ΡΡ; III — Π² ΡΠΏΡΠ°Π²Π»ΡΡΡΡΡ ΠΌΠ°Π³ΠΈΡΡΡΠ°Π»Ρ
Π£ΡΡΡΠΎΠΉΡΡΠ²ΠΎ ΠΏΠ½Π΅Π²ΠΌΠ°ΡΠΈΡΠ΅ΡΠΊΠΎΠ³ΠΎ ΠΊΡΠ°Π½Π° ΠΏΠΎΠΊΠ°Π·Π°Π½ΠΎ Π½Π° ΡΠΈΡ.9. Π Π°ΡΠΌΠΎΡΡΠ΅ΡΠ½ΠΎΠΌ Π²ΡΠ²ΠΎΠ΄Π΅ II ΠΏΠ½Π΅Π²ΠΌΠ°ΡΠΈΡΠ΅ΡΠΊΠΎΠ³ΠΎ ΠΊΡΠ°Π½Π° ΡΡΡΠ°Π½ΠΎΠ²Π»Π΅Π½ ΡΠΈΠ»ΡΡΡ 3, ΠΏΡΠ΅Π΄ΠΎΡΠ²ΡΠ°ΡΠ°ΡΡΠΈΠΉ ΠΏΡΠΎΠ½ΠΈΠΊΠ½ΠΎΠ²Π΅Π½ΠΈΠ΅ Π² ΠΊΡΠ°Π½ Π³ΡΡΠ·ΠΈ ΠΈ ΠΏΡΠ»ΠΈ.
Π‘ΠΆΠ°ΡΡΠΉ Π²ΠΎΠ·Π΄ΡΡ Π² ΠΏΠ½Π΅Π²ΠΌΠ°ΡΠΈΡΠ΅ΡΠΊΠΈΠΉ ΠΊΡΠ°Π½ ΠΠ°ΠΌΠ°Π·-5320, 53212, 53215, ΠΠ°ΠΌΠ°Π·-4310, 43114, 43118, ΠΠ°ΠΌΠ°Π·-55111, 55102, 5511, ΠΠ°ΠΌΠ°Π·-5410, 54115 ΠΏΠΎΡΡΡΠΏΠ°Π΅Ρ ΡΠ΅ΡΠ΅Π· Π²ΡΠ²ΠΎΠ΄ I.
ΠΡΠΈ Π½Π°ΠΆΠ°ΡΠΈΠΈ Π½Π° ΠΊΠ½ΠΎΠΏΠΊΡ 8 ΡΠΎΠ»ΠΊΠ°ΡΠ΅Π»Ρ 9 ΠΏΠ΅ΡΠ΅ΠΌΠ΅ΡΠ°Π΅ΡΡΡ Π²Π½ΠΈΠ· ΠΈ ΡΠ²ΠΎΠΈΠΌ Π²ΡΠΏΡΡΠΊΠ½ΡΠΌ ΡΠ΅Π΄Π»ΠΎΠΌ Π΄Π°Π²ΠΈΡ Π½Π° ΠΊΠ»Π°ΠΏΠ°Π½ 15, ΡΠ°Π·ΠΎΠ±ΡΠ°Ρ Π²ΡΠ²ΠΎΠ΄ III Ρ Π°ΡΠΌΠΎΡΡΠ΅ΡΠ½ΡΠΌ Π²ΡΠ²ΠΎΠ΄ΠΎΠΌ II.
ΠΠ°ΡΠ΅ΠΌ ΡΠΎΠ»ΠΊΠ°ΡΠ΅Π»Ρ 9 ΠΎΡΠΆΠΈΠΌΠ°Π΅Ρ ΠΊΠ»Π°ΠΏΠ°Π½ 15 ΠΎΡ Π²ΠΏΡΡΠΊΠ½ΠΎΠ³ΠΎ ΡΠ΅Π΄Π»Π° ΠΊΠΎΡΠΏΡΡΠ°, ΠΎΡΠΊΡΡΠ²Π°Ρ ΡΠ΅ΠΌ ΡΠ°ΠΌΡΠΌ ΠΏΡΠΎΡ ΠΎΠ΄ ΡΠΆΠ°ΡΠΎΠΌΡ Π²ΠΎΠ·Π΄ΡΡ Ρ ΠΎΡ Π²ΡΠ²ΠΎΠ΄Π° I ΠΊ Π²ΡΠ²ΠΎΠ΄Ρ III ΠΈ Π΄Π°Π»Π΅Π΅ Π² ΠΌΠ°Π³ΠΈΡΡΡΠ°Π»Ρ ΠΊ ΠΏΠ½Π΅Π²ΠΌΠ°ΡΠΈΡΠ΅ΡΠΊΠΎΠΌΡ ΠΈΡΠΏΠΎΠ»Π½ΠΈΡΠ΅Π»ΡΠ½ΠΎΠΌΡ ΠΌΠ΅Ρ Π°Π½ΠΈΠ·ΠΌΡ.
ΠΡΠΈ ΠΎΡΠΏΡΡΠΊΠ°Π½ΠΈΠΈ ΠΊΠ½ΠΎΠΏΠΊΠΈ 8 ΡΠΎΠ»ΠΊΠ°ΡΠ΅Π»Ρ 9 ΠΏΠΎΠ΄ Π΄Π΅ΠΉΡΡΠ²ΠΈΠ΅ΠΌ ΠΏΡΡΠΆΠΈΠ½Ρ 13 Π²ΠΎΠ·Π²ΡΠ°ΡΠ°Π΅ΡΡΡ Π² Π²Π΅ΡΡ Π½Π΅Π΅ ΠΏΠΎΠ»ΠΎΠΆΠ΅Π½ΠΈΠ΅. ΠΡΠΈ ΡΡΠΎΠΌ ΠΊΠ»Π°ΠΏΠ°Π½ 15 Π·Π°ΠΊΡΡΠ²Π°Π΅Ρ ΠΎΡΠ²Π΅ΡΡΡΠΈΠ΅ Π² ΠΊΠΎΡΠΏΡΡΠ΅ 2, ΠΏΡΠ΅ΠΊΡΠ°ΡΠ°Ρ Π΄Π°Π»ΡΠ½Π΅ΠΉΡΠ΅Π΅ ΠΏΠΎΡΡΡΠΏΠ»Π΅Π½ΠΈΠ΅ ΡΠΆΠ°ΡΠΎΠ³ΠΎ Π²ΠΎΠ·Π΄ΡΡ Π° Π² Π²ΡΠ²ΠΎΠ΄ III, Π° ΡΠ΅Π΄Π»ΠΎ ΡΠΎΠ»ΠΊΠ°ΡΠ΅Π»Ρ 9 ΠΎΡΡΡΠ²Π°Π΅ΡΡΡ ΠΎΡ ΠΊΠ»Π°ΠΏΠ°Π½Π° 15, ΡΠΎΠΎΠ±ΡΠ°Ρ ΡΠ΅ΠΌ ΡΠ°ΠΌΡΠΌ Π²ΡΠ²ΠΎΠ΄ III Ρ Π°ΡΠΌΠΎΡΡΠ΅ΡΠ½ΡΠΌ Π²ΡΠ²ΠΎΠ΄ΠΎΠΌ II.
Π‘ΠΆΠ°ΡΡΠΉ Π²ΠΎΠ·Π΄ΡΡ ΠΈΠ· Π²ΡΠ²ΠΎΠ΄Π° III ΡΠ΅ΡΠ΅Π· ΠΎΡΠ²Π΅ΡΡΡΠΈΠ΅ Π Π² ΡΠΎΠ»ΠΊΠ°ΡΠ΅Π»Π΅ 9 ΠΈ Π²ΡΠ²ΠΎΠ΄ II Π²ΡΡ ΠΎΠ΄ΠΈΡ Π² Π°ΡΠΌΠΎΡΡΠ΅ΡΡ.
ΠΠ»Π°ΠΏΠ°Π½ ΠΎΠ³ΡΠ°Π½ΠΈΡΠ΅Π½ΠΈΡ Π΄Π°Π²Π»Π΅Π½ΠΈΡ ΡΠΎΡΠΌΠΎΠ·ΠΎΠ² ΠΠ°ΠΌΠ°Π·-5320, 53212, 53215, ΠΠ°ΠΌΠ°Π·-4310, 43114, 43118, ΠΠ°ΠΌΠ°Π·-55111, 55102, 5511, ΠΠ°ΠΌΠ°Π·-5410, 54115 ΠΏΡΠ΅Π΄Π½Π°Π·Π½Π°ΡΠ΅Π½ Π΄Π»Ρ ΡΠΌΠ΅Π½ΡΡΠ΅Π½ΠΈΡ Π΄Π°Π²Π»Π΅Π½ΠΈΡ Π² ΡΠΎΡΠΌΠΎΠ·Π½ΡΡ ΠΊΠ°ΠΌΠ΅ΡΠ°Ρ ΠΏΠ΅ΡΠ΅Π΄Π½Π΅ΠΉ ΠΎΡΠΈ Π°Π²ΡΠΎΠΌΠΎΠ±ΠΈΠ»Ρ ΠΏΡΠΈ ΡΠΎΡΠΌΠΎΠΆΠ΅Π½ΠΈΡΡ Ρ ΠΌΠ°Π»ΠΎΠΉ ΠΈΠ½ΡΠ΅Π½ΡΠΈΠ²Π½ΠΎΡΡΡΡ (Ρ ΡΠ΅Π»ΡΡ ΡΠ»ΡΡΡΠ΅Π½ΠΈΡ ΠΎΠ±Π΅ΡΠΏΠ΅ΡΠ΅Π½ΠΈΡ ΡΠΏΡΠ°Π²Π»ΡΠ΅ΠΌΠΎΡΡΠΈ Π°Π²ΡΠΎΠΌΠΎΠ±ΠΈΠ»Ρ Π½Π° ΡΠΊΠΎΠ»ΡΠ·ΠΊΠΈΡ Π΄ΠΎΡΠΎΠ³Π°Ρ ), Π° ΡΠ°ΠΊΠΆΠ΅ Π΄Π»Ρ Π±ΡΡΡΡΠΎΠ³ΠΎ Π²ΡΠΏΡΡΠΊΠ° Π²ΠΎΠ·Π΄ΡΡ Π° ΠΈΠ· ΡΠΎΡΠΌΠΎΠ·Π½ΡΡ ΠΊΠ°ΠΌΠ΅Ρ ΠΏΡΠΈ ΠΎΡΡΠΎΡΠΌΠ°ΠΆΠΈΠ²Π°Π½ΠΈΠΈ.
Π£ΡΡΡΠΎΠΉΡΡΠ²ΠΎ ΠΊΠ»Π°ΠΏΠ°Π½Π° ΠΏΠΎΠΊΠ°Π·Π°Π½ΠΎ Π½Π° ΡΠΈΡ.10.

Π ΠΈΡ.10. ΠΠ»Π°ΠΏΠ°Π½ ΠΎΠ³ΡΠ°Π½ΠΈΡΠ΅Π½ΠΈΡ Π΄Π°Π²Π»Π΅Π½ΠΈΡ ΡΠΎΡΠΌΠΎΠ·Π½ΠΎΠΉ ΡΠΈΡΡΠ΅ΠΌΡ Π°Π²ΡΠΎΠΌΠΎΠ±ΠΈΠ»Π΅ΠΉ ΠΠ°ΠΌΠ°Π·-5320, 53212, 53215, ΠΠ°ΠΌΠ°Π·-4310, 43114, 43118, ΠΠ°ΠΌΠ°Π·-55111, 55102, 5511, ΠΠ°ΠΌΠ°Π·-5410, 54115
1 — ΠΏΡΡΠΆΠΈΠ½Π° ΡΡΠ°Π²Π½ΠΎΠ²Π΅ΡΠΈΠ²Π°ΡΡΠ°Ρ; 2 — ΠΏΠΎΡΡΠ΅Π½Ρ Π±ΠΎΠ»ΡΡΠΎΠΉ; 3 — ΠΏΠΎΡΡΠ΅Π½Ρ ΠΌΠ°Π»ΡΠΉ; 4 — ΠΊΠ»Π°ΠΏΠ°Π½ Π²ΠΏΡΡΠΊΠ½ΠΎΠΉ; 5 — ΡΡΠ΅ΡΠΆΠ΅Π½Ρ ΠΊΠ»Π°ΠΏΠ°Π½ΠΎΠ²; 6 -ΠΊΠ»Π°ΠΏΠ°Π½ Π²ΡΠΏΡΡΠΊΠ½ΠΎΠΉ; 7 — ΠΊΠ»Π°ΠΏΠ°Π½ Π°ΡΠΌΠΎΡΡΠ΅ΡΠ½ΡΠΉ; 8 — ΠΊΠΎΡΠΏΡΡ; 9 — ΡΠ°ΡΠ΅Π»ΠΊΠ° ΠΏΡΡΠΆΠΈΠ½Ρ Π²ΠΏΡΡΠΊΠ½ΠΎΠ³ΠΎ ΠΊΠ»Π°ΠΏΠ°Π½Π°; 10 — ΠΏΡΡΠΆΠΈΠ½Π°; 11, 12, 15, 18 — ΠΊΠΎΠ»ΡΡΠ° ΡΠΏΠ»ΠΎΡΠ½ΠΈΡΠ΅Π»ΡΠ½ΡΠ΅; 13 — ΠΊΠΎΠ»ΡΡΠΎ ΡΠΏΠΎΡΠ½ΠΎΠ΅; 14 — ΡΠ°ΠΉΠ±Π°; 16 — ΠΊΡΡΡΠΊΠ°; 17 — ΠΏΡΠΎΠΊΠ»Π°Π΄ΠΊΠ° ΡΠ΅Π³ΡΠ»ΠΈΡΠΎΠ²ΠΎΡΠ½Π°Ρ; I — ΠΊ ΡΠΎΡΠΌΠΎΠ·Π½ΡΠΌ ΠΊΠ°ΠΌΠ΅ΡΠ°ΠΌ ΠΏΠ΅ΡΠ΅Π΄Π½ΠΈΡ ΠΊΠΎΠ»Π΅Ρ; II — ΠΎΡ ΡΠΎΡΠΌΠΎΠ·Π½ΠΎΠ³ΠΎ ΠΊΡΠ°Π½Π°; III — Π² Π°ΡΠΌΠΎΡΡΠ΅ΡΡ
ΠΡΠΌΠΎΡΡΠ΅ΡΠ½ΡΠΉ Π²ΡΠ²ΠΎΠ΄ III Π² Π½ΠΈΠΆΠ½Π΅ΠΉ ΡΠ°ΡΡΠΈ ΠΊΠΎΡΠΏΡΡΠ° 8 Π·Π°ΠΊΡΡΡ ΡΠ΅Π·ΠΈΠ½ΠΎΠ²ΡΠΌ ΠΊΠ»Π°ΠΏΠ°Π½ΠΎΠΌ 7, ΠΏΡΠ΅Π΄ΠΎΡ ΡΠ°Π½ΡΡΡΠΈΠΌ ΠΏΡΠΈΠ±ΠΎΡ ΠΎΡ ΠΏΠΎΠΏΠ°Π΄Π°Π½ΠΈΡ Π² Π½Π΅Π³ΠΎ ΠΏΡΠ»ΠΈ ΠΈ Π³ΡΡΠ·ΠΈ ΠΈ ΠΏΡΠΈΠΊΡΠ΅ΠΏΠ»Π΅Π½Π½ΡΠΌ ΠΊ ΠΊΠΎΡΠΏΡΡΡ Π·Π°ΠΊΠ»Π΅ΠΏΠΊΠΎΠΉ.
ΠΡΠΈ ΡΠΎΡΠΌΠΎΠΆΠ΅Π½ΠΈΠΈ ΡΠΆΠ°ΡΡΠΉ Π²ΠΎΠ·Π΄ΡΡ , ΠΏΠΎΡΡΡΠΏΠ°ΡΡΠΈΠΉ ΠΈΠ· ΡΠΎΡΠΌΠΎΠ·Π½ΠΎΠ³ΠΎ ΠΊΡΠ°Π½Π° ΠΠ°ΠΌΠ°Π·-5320, 53212, 53215, ΠΠ°ΠΌΠ°Π·-4310, 43114, 43118, ΠΠ°ΠΌΠ°Π·-55111, 55102, 5511, ΠΠ°ΠΌΠ°Π·-5410, 54115 ΠΊ Π²ΡΠ²ΠΎΠ΄Ρ II, Π²ΠΎΠ·Π΄Π΅ΠΉΡΡΠ²ΡΠ΅Ρ Π½Π° ΠΌΠ°Π»ΡΠΉ ΠΏΠΎΡΡΠ΅Π½Ρ 3 ΠΈ ΠΏΠ΅ΡΠ΅ΠΌΠ΅ΡΠ°Π΅Ρ Π΅Π³ΠΎ Π²Π½ΠΈΠ· Π²ΠΌΠ΅ΡΡΠ΅ Ρ ΠΊΠ»Π°ΠΏΠ°Π½Π°ΠΌΠΈ 4 ΠΈ 6.
ΠΠΎΡΡΠ΅Π½Ρ 2 ΠΎΡΡΠ°Π΅ΡΡΡ Π½Π° ΠΌΠ΅ΡΡΠ΅ Π΄ΠΎ ΡΠ΅Ρ ΠΏΠΎΡ, ΠΏΠΎΠΊΠ° Π΄Π°Π²Π»Π΅Π½ΠΈΠ΅ Π½Π° Π²ΡΠ²ΠΎΠ΄Π΅ II Π½Π΅ Π΄ΠΎΡΡΠΈΠ³Π½Π΅Ρ ΡΡΠΎΠ²Π½Ρ, ΡΡΡΠ°Π½Π°Π²Π»ΠΈΠ²Π°Π΅ΠΌΠΎΠ³ΠΎ ΡΠ΅Π³ΡΠ»ΠΈΡΠΎΠ²ΠΊΠΎΠΉ ΠΏΡΠ΅Π΄Π²Π°ΡΠΈΡΠ΅Π»ΡΠ½ΠΎΠ³ΠΎ Π½Π°ΡΡΠ³Π° ΡΡΠ°Π²Π½ΠΎΠ²Π΅ΡΠΈΠ²Π°ΡΡΠ΅ΠΉ ΠΏΡΡΠΆΠΈΠ½Ρ 1.
ΠΡΠΈ Π΄Π²ΠΈΠΆΠ΅Π½ΠΈΠΈ ΠΏΠΎΡΡΠ½Ρ 3 Π²Π½ΠΈΠ· Π²ΡΠΏΡΡΠΊΠ½ΠΎΠΉ ΠΊΠ»Π°ΠΏΠ°Π½ 6 Π·Π°ΠΊΡΡΠ²Π°Π΅ΡΡΡ, Π° Π²ΠΏΡΡΠΊΠ½ΠΎΠΉ ΠΊΠ»Π°ΠΏΠ°Π½ 4 ΠΎΡΠΊΡΡΠ²Π°Π΅ΡΡΡ, ΠΈ ΡΠΆΠ°ΡΡΠΉ Π²ΠΎΠ·Π΄ΡΡ ΠΏΠΎΡΡΡΠΏΠ°Π΅Ρ ΠΎΡ Π²ΡΠ²ΠΎΠ΄Π° II ΠΊ Π²ΡΠ²ΠΎΠ΄Π°ΠΌ I ΠΈ Π΄Π°Π»Π΅Π΅ ΠΊ ΡΠΎΡΠΌΠΎΠ·Π½ΡΠΌ ΠΊΠ°ΠΌΠ΅ΡΠ°ΠΌ ΠΏΠ΅ΡΠ΅Π΄Π½Π΅ΠΉ ΠΎΡΠΈ.
Π‘ΠΆΠ°ΡΡΠΉ Π²ΠΎΠ·Π΄ΡΡ ΠΊ Π²ΡΠ²ΠΎΠ΄Π°ΠΌ I ΠΏΠΎΡΡΡΠΏΠ°Π΅Ρ Π΄ΠΎ ΡΠ΅Ρ ΠΏΠΎΡ, ΠΏΠΎΠΊΠ° Π΄Π°Π²Π»Π΅Π½ΠΈΠ΅ Π΅Π³ΠΎ Π½Π° Π½ΠΈΠΆΠ½ΠΈΠΉ ΡΠΎΡΠ΅Ρ ΠΏΠΎΡΡΠ½Ρ 3 (ΠΊΠΎΡΠΎΡΡΠΉ ΠΈΠΌΠ΅Π΅Ρ Π±ΠΎΠ»ΡΡΡΡ ΠΏΠ»ΠΎΡΠ°Π΄Ρ, ΡΠ΅ΠΌ Π²Π΅ΡΡ Π½ΠΈΠΉ) Π½Π΅ ΡΡΠ°Π²Π½ΠΎΠ²Π΅ΡΠΈΡΡΡ Π΄Π°Π²Π»Π΅Π½ΠΈΠ΅ΠΌ Π²ΠΎΠ·Π΄ΡΡ Π° ΠΎΡ Π²ΡΠ²ΠΎΠ΄Π° II Π½Π° Π²Π΅ΡΡ Π½ΠΈΠΉ ΡΠΎΡΠ΅Ρ ΠΈ ΠΊΠ»Π°ΠΏΠ°Π½ 4 Π½Π΅ Π·Π°ΠΊΡΠΎΠ΅ΡΡΡ.
Π’Π°ΠΊΠΈΠΌ ΠΎΠ±ΡΠ°Π·ΠΎΠΌ, Π² Π²ΡΠ²ΠΎΠ΄Π°Ρ I ΡΡΡΠ°Π½Π°Π²Π»ΠΈΠ²Π°Π΅ΡΡΡ Π΄Π°Π²Π»Π΅Π½ΠΈΠ΅, ΡΠΎΠΎΡΠ²Π΅ΡΡΡΠ²ΡΡΡΠ΅Π΅ ΡΠΎΠΎΡΠ½ΠΎΡΠ΅Π½ΠΈΡ ΠΏΠ»ΠΎΡΠ°Π΄Π΅ΠΉ Π²Π΅ΡΡ Π½Π΅Π³ΠΎ ΠΈ Π½ΠΈΠΆΠ½Π΅Π³ΠΎ ΡΠΎΡΡΠΎΠ² ΠΏΠΎΡΡΠ½Ρ 3. ΠΡΠΎ ΡΠΎΠΎΡΠ½ΠΎΡΠ΅Π½ΠΈΠ΅ ΡΠΎΡ ΡΠ°Π½ΡΠ΅ΡΡΡ Π΄ΠΎ ΡΠ΅Ρ ΠΏΠΎΡ, ΠΏΠΎΠΊΠ° Π΄Π°Π²Π»Π΅Π½ΠΈΠ΅ Π² Π²ΡΠ²ΠΎΠ΄Π΅ II Π½Π΅ Π΄ΠΎΡΡΠΈΠ³Π½Π΅Ρ Π·Π°Π΄Π°Π½Π½ΠΎΠ³ΠΎ ΡΡΠΎΠ²Π½Ρ, ΠΏΠΎΡΠ»Π΅ ΡΠ΅Π³ΠΎ Π² ΡΠ°Π±ΠΎΡΡ Π²ΠΊΠ»ΡΡΠ°Π΅ΡΡΡ ΠΏΠΎΡΡΠ΅Π½Ρ 2, ΠΊΠΎΡΠΎΡΡΠΉ ΡΠ°ΠΊΠΆΠ΅ Π½Π°ΡΠΈΠ½Π°Π΅Ρ Π΄Π²ΠΈΠ³Π°ΡΡΡΡ Π²Π½ΠΈΠ·, ΡΠ²Π΅Π»ΠΈΡΠΈΠ²Π°Ρ ΡΠΈΠ»Ρ, Π΄Π΅ΠΉΡΡΠ²ΡΡΡΡΡ Π½Π° Π²Π΅ΡΡ Π½ΡΡ ΡΡΠΎΡΠΎΠ½Ρ ΠΏΠΎΡΡΠ½Ρ 3.
ΠΡΠΈ Π΄Π°Π»ΡΠ½Π΅ΠΉΡΠ΅ΠΌ ΠΏΠΎΠ²ΡΡΠ΅Π½ΠΈΠΈ Π΄Π°Π²Π»Π΅Π½ΠΈΡ Π² Π²ΡΠ²ΠΎΠ΄Π΅ II ΡΠ°Π·Π½ΠΎΡΡΡ Π΄Π°Π²Π»Π΅Π½ΠΈΡ Π² Π²ΡΠ²ΠΎΠ΄Π°Ρ II ΠΈ I ΡΠΌΠ΅Π½ΡΡΠ°Π΅ΡΡΡ, Π° ΠΏΡΠΈ Π΄ΠΎΡΡΠΈΠΆΠ΅Π½ΠΈΠΈ Π·Π°Π΄Π°Π½Π½ΠΎΠ³ΠΎ ΡΡΠΎΠ²Π½Ρ Π΄Π°Π²Π»Π΅Π½ΠΈΡ Π² Π²ΡΠ²ΠΎΠ΄Π°Ρ II ΠΈ I ΡΡΠ°Π²Π½ΠΈΠ²Π°Π΅ΡΡΡ.
Π’Π°ΠΊΠΈΠΌ ΠΎΠ±ΡΠ°Π·ΠΎΠΌ, ΠΎΡΡΡΠ΅ΡΡΠ²Π»ΡΠ΅ΡΡΡ ΡΠ»Π΅Π΄ΡΡΠ΅Π΅ Π΄Π΅ΠΉΡΡΠ²ΠΈΠ΅ Π²ΠΎ Π²ΡΠ΅ΠΌ Π΄ΠΈΠ°ΠΏΠ°Π·ΠΎΠ½Π΅ ΡΠ°Π±ΠΎΡΡ ΠΊΠ»Π°ΠΏΠ°Π½Π° ΠΎΠ³ΡΠ°Π½ΠΈΡΠ΅Π½ΠΈΡ Π΄Π°Π²Π»Π΅Π½ΠΈΡ ΡΠΎΡΠΌΠΎΠ·ΠΎΠ² ΠΠ°ΠΌΠ°Π·.
ΠΡΠΈ ΡΠΌΠ΅Π½ΡΡΠ΅Π½ΠΈΠΈ Π΄Π°Π²Π»Π΅Π½ΠΈΡ Π² Π²ΡΠ²ΠΎΠ΄Π΅ II (ΠΎΡΡΠΎΡΠΌΠ°ΠΆΠΈΠ²Π°Π½ΠΈΠ΅ ΡΠΎΡΠΌΠΎΠ·Π½ΠΎΠ³ΠΎ ΠΊΡΠ°Π½Π°) ΠΏΠΎΡΡΠ½ΠΈ 2 ΠΈ 3 Π²ΠΌΠ΅ΡΡΠ΅ Ρ ΠΊΠ»Π°ΠΏΠ°Π½Π°ΠΌΠΈ 4 ΠΈ 6 ΠΏΠ΅ΡΠ΅ΠΌΠ΅ΡΠ°ΡΡΡΡ Π²Π²Π΅ΡΡ .
ΠΠΏΡΡΠΊΠ½ΠΎΠΉ ΠΊΠ»Π°ΠΏΠ°Π½ 4 Π·Π°ΠΊΡΡΠ²Π°Π΅ΡΡΡ, Π° Π²ΡΠΏΡΡΠΊΠ½ΠΎΠΉ ΠΊΠ»Π°ΠΏΠ°Π½ 6 ΠΎΡΠΊΡΡΠ²Π°Π΅ΡΡΡ, ΠΈ ΡΠΆΠ°ΡΡΠΉ Π²ΠΎΠ·Π΄ΡΡ ΠΈΠ· Π²ΡΠ²ΠΎΠ΄ΠΎΠ² I, ΡΠΎ Π΅ΡΡΡ ΡΠΎΡΠΌΠΎΠ·Π½ΡΡ ΠΊΠ°ΠΌΠ΅Ρ ΠΏΠ΅ΡΠ΅Π΄Π½Π΅ΠΉ ΠΎΡΠΈ, Π²ΡΡ ΠΎΠ΄ΠΈΡ Π² Π°ΡΠΌΠΎΡΡΠ΅ΡΡ ΡΠ΅ΡΠ΅Π· Π²ΡΠ²ΠΎΠ΄ III.
Β
_________________________________________________________________________
_________________________________________________________________________
_________________________________________________________________________
_________________________________________________________________________
- ΠΠΈΠ΄ΡΠΎΡΡΠΈΠ»ΠΈΡΠ΅Π»Ρ ΡΡΠ»Ρ ΠΠ°Π·-5551, 5549, 5335, 5336, 5337
- ΠΠ΅ΡΠ΅Π΄Π½ΡΡ ΠΎΡΡ ΠΈ ΡΡΠ»Π΅Π²ΡΠ΅ ΡΡΠ³ΠΈ ΠΠ°Π·-5551, 5549, 5335, 5336, 5337
- Π Π΅Π³ΡΠ»ΠΈΡΠΎΠ²ΠΊΠ° ΡΡΠ΅ΠΏΠ»Π΅Π½ΠΈΡ ΠΠ°Π·-5551, 5549, 5335, 5336, 5337
- Π Π΅Π³ΡΠ»ΠΈΡΠΎΠ²ΠΊΠ° ΠΈ ΡΠ΅ΠΌΠΎΠ½Ρ ΠΠΠ ΠΠ°Π·-5551, 5549, 5335, 5336, 5337
- Π Π΅ΠΌΠΎΠ½Ρ ΠΈ ΠΎΠ±ΡΠ»ΡΠΆΠΈΠ²Π°Π½ΠΈΠ΅ Π·Π°Π΄Π½Π΅Π³ΠΎ ΠΌΠΎΡΡΠ° ΠΠ°Π·-5551, 5549, 5335, 5336, 5337
- ΠΠ΅ΡΠ°Π»ΠΈ ΠΏΠ΅ΡΠ΅Π΄Π½Π΅Π³ΠΎ ΠΌΠΎΡΡΠ° ΠΈ ΡΡΠ»Π΅Π²ΡΠ΅ ΡΡΠ³ΠΈ ΠΠ°Π·-5516, 5440
- Π ΡΠ»Π΅Π²ΠΎΠ΅ ΡΠΏΡΠ°Π²Π»Π΅Π½ΠΈΠ΅ ΠΠ°Π·-5516, 5440
- ΠΠ΅ΡΠ°Π»ΠΈ Π²Π΅Π΄ΡΡΠΈΡ ΠΌΠΎΡΡΠΎΠ² ΠΠ°Π·-5516, 5440
autotextrans.ru
ΠΡΠ°Π½Ρ ΠΈ ΠΊΠΎΠΌΠΏΡΠ΅ΡΡΠΎΡ ΡΠΎΡΠΌΠΎΠ·Π½ΠΎΠΉ ΡΠΈΡΡΠ΅ΠΌΡ ΠΠ°ΠΌΠ°Π·
_______________________________________________________________________________________
ΠΠ²ΡΡ ΡΠ΅ΠΊΡΠΈΠΎΠ½Π½ΡΠΉ ΡΠΎΡΠΌΠΎΠ·Π½ΠΎΠΉ ΠΊΡΠ°Π½ Π°Π²ΡΠΎΠΌΠΎΠ±ΠΈΠ»Π΅ΠΉ ΠΠ°ΠΌΠ°Π·-4310, 55111, 5320, 43118
Π Π°Π·Π±ΠΎΡΠΊΠ° Π΄Π²ΡΡ ΡΠ΅ΠΊΡΠΈΠΎΠ½Π½ΠΎΠ³ΠΎ ΡΠΎΡΠΌΠΎΠ·Π½ΠΎΠ³ΠΎ ΠΊΡΠ°Π½Π° ΠΠ°ΠΌΠ°Π·-4310, 55111, 5320, 43118
— Π£ΡΡΠ°Π½ΠΎΠ²ΠΈΡΠ΅ ΡΠΎΡΠΌΠΎΠ·Π½ΠΎΠΉ ΠΊΡΠ°Π½ ΠΠ°ΠΌΠ°Π·-4310, 55111, 5320, 43118 Π² ΡΠΈΡΠΊΠΈ ΠΊΠΎΡΠΏΡΡΠΎΠΌ ΡΡΡΠ°Π³Π° Π²Π½ΠΈΠ·
— Π‘Π½ΠΈΠΌΠΈΡΠ΅ ΡΠΏΠΎΡΠ½ΠΎΠ΅ ΠΊΠΎΠ»ΡΡΠΎ 32 (ΡΠΈΡ.1)
— ΠΡΠ½ΡΡΠ΅ ΠΈΠ· Π½ΠΈΠΆΠ½Π΅Π³ΠΎ ΠΊΠΎΡΠΏΡΡΠ° 25 Π²ΡΠΏΡΡΠΊΠ½ΠΎΠ΅ ΠΎΠΊΠ½ΠΎ 31, ΠΊΠΎΠ»ΡΡΠΎ 29, ΠΏΡΡΠΆΠΈΠ½Ρ 28 ΠΈ ΠΊΠ»Π°ΠΏΠ°Π½ 27 Π½ΠΈΠΆΠ½Π΅ΠΉ ΡΠ΅ΠΊΡΠΈΠΈ
— ΠΡΠ²Π΅ΡΠ½ΠΈΡΠ΅ Π³Π°ΠΉΠΊΠΈ Ρ ΡΠ°ΠΉΠ±Π°ΠΌΠΈ 18 Π±ΠΎΠ»ΡΠΎΠ² 19 ΠΊΡΠ΅ΠΏΠ»Π΅Π½ΠΈΡ Π½ΠΈΠΆΠ½Π΅Π³ΠΎ ΠΊΠΎΡΠΏΡΡΠ° 25 ΠΈ ΡΠ½ΠΈΠΌΠΈΡΠ΅ ΠΊΠΎΡΠΏΡΡ Ρ ΠΊΡΠ°Π½Π°
— ΠΡΠ½ΡΡΠ΅ ΠΈΠ· ΠΊΠΎΡΠΏΡΡΠ° ΠΊΡΠ°Π½Π° ΠΏΡΡΠΆΠΈΠ½Ρ 24 ΠΌΠ°Π»ΡΠΉ ΠΏΠΎΡΡΠ΅Π½Ρ 23 Π² ΡΠ±ΠΎΡΠ΅ Ρ ΡΠΎΠ»ΠΊΠ°ΡΠ΅Π»Π΅ΠΌ ΠΈ Π±ΠΎΠ»ΡΡΠΎΠΉ ΠΏΠΎΡΡΠ΅Π½Ρ 21
— Π‘Π½ΠΈΠΌΠΈΡΠ΅ ΡΠΏΠΎΡΠ½ΠΎΠ΅ ΠΊΠΎΠ»ΡΡΠΎ 20 ΠΊΠ»Π°ΠΏΠ°Π½Π° Π²Π΅ΡΡ Π½Π΅ΠΉ ΡΠ΅ΠΊΡΠΈΠΈ, ΠΊΠΎΠ»ΡΡΠΎ 17, ΠΏΡΡΠΆΠΈΠ½Ρ 16, ΠΊΠ»Π°ΠΏΠ°Π½ 15 Π²Π΅ΡΡ Π½Π΅ΠΉ ΡΠ΅ΠΊΡΠΈΠΈ
— ΠΡΠ²Π΅ΡΠ½ΠΈΡΠ΅ Π³Π°ΠΉΠΊΠΈ ΠΊΡΠ΅ΠΏΠ»Π΅Π½ΠΈΡ Π²Π΅ΡΡ Π½Π΅Π³ΠΎ ΠΊΠΎΡΠΏΡΡΠ° ΠΊ ΠΊΠΎΡΠΏΡΡΡ ΡΡΡΠ°Π³Π°
— Π‘Π½ΠΈΠΌΠΈΡΠ΅ Π²Π΅ΡΡ Π½ΠΈΠΉ ΠΊΠΎΡΠΏΡΡ Ρ ΠΊΠΎΡΠΏΡΡΠ° ΡΡΡΠ°Π³Π°
— ΠΡΠ½ΡΡΠ΅ ΠΈΠ· Π²Π΅ΡΡ Π½Π΅Π³ΠΎ ΠΊΠΎΡΠΏΡΡΠ° ΡΠ»Π΅Π΄ΡΡΠΈΠΉ ΠΏΠΎΡΡΠ΅Π½Ρ 13 Π² ΡΠ±ΠΎΡΠ΅ ΠΈ ΠΏΡΡΠΆΠΈΠ½Ρ 14
— Π‘Π½ΠΈΠΌΠΈΡΠ΅ ΠΊΠΎΡΠΏΡΡ 6 ΡΡΡΠ°Π³Π° Ρ ΡΠΈΡΠΊΠΎΠ²
— ΠΡΠ²Π΅ΡΠ½ΠΈΡΠ΅ Π³Π°ΠΉΠΊΡ 9 ΠΈ ΡΠ½ΠΈΠΌΠΈΡΠ΅ ΡΠΎ ΡΠ»Π΅Π΄ΡΡΠ΅Π³ΠΎ ΠΏΠΎΡΡΠ½Ρ 13 ΡΠ°ΡΠ΅Π»ΠΊΡ 10 ΠΈ ΡΠΏΡΡΠ³ΠΈΠΉ ΡΠ»Π΅ΠΌΠ΅Π½Ρ 11
— ΠΡΠ½ΡΡΠ΅ ΠΈΠ· ΠΊΠΎΡΠΏΡΡΠ° 6 ΡΡΡΠ°Π³Π° ΡΠΎΠ»ΠΊΠ°ΡΠ΅Π»Ρ 4
— ΠΡΠ²Π΅ΡΠ½ΠΈΡΠ΅ ΠΈΠ· ΡΡΡΠ°Π³Π° 8 ΡΠ΅Π³ΡΠ»ΠΈΡΠΎΠ²ΠΎΡΠ½ΡΠΉ Π²ΠΈΠ½Ρ 7
— ΠΡΠΎΠΌΠΎΠΉΡΠ΅ Π΄Π΅ΡΠ°Π»ΠΈ ΡΠΎΡΠΌΠΎΠ·Π½ΠΎΠ³ΠΎ ΠΊΡΠ°Π½Π° Π² Π΄ΠΈΠ·Π΅Π»ΡΠ½ΠΎΠΌ ΡΠΎΠΏΠ»ΠΈΠ²Π΅, ΠΎΠ±Π΄ΡΠΉΡΠ΅ ΡΠΆΠ°ΡΡΠΌ Π²ΠΎΠ·Π΄ΡΡ ΠΎΠΌ ΠΈ ΠΏΡΠΎΠ²Π΅ΡΡΡΠ΅ ΠΈΡ ΡΠ΅Ρ Π½ΠΈΡΠ΅ΡΠΊΠΎΠ΅ ΡΠΎΡΡΠΎΡΠ½ΠΈΠ΅

Π ΠΈΡ.1. Π’ΠΎΡΠΌΠΎΠ·Π½ΠΎΠΉ ΠΊΡΠ°Π½ ΠΠ°ΠΌΠ°Π·-4310, 55111, 5320, 43118 Π΄Π²ΡΡ ΡΠ΅ΠΊΡΠΈΠΎΠ½Π½ΡΠΉ
1 β ΠΊΠΎΡΠΏΡΡ Π²Π΅ΡΡ Π½ΠΈΠΉ; 2, 19 β Π±ΠΎΠ»ΡΡ; 3, 18 β ΡΠ°ΠΉΠ±Ρ ΠΏΡΡΠΆΠΈΠ½Π½ΡΠ΅; 4 β ΡΠΎΠ»ΠΊΠ°ΡΠ΅Π»Ρ; 5 β Π²ΡΡΠ»ΠΊΠ°; 6 β ΠΊΠΎΡΠΏΡΡ ΡΡΡΠ°Π³Π°- 7 β Π²ΠΈΠ½Ρ ΡΠ΅Π³ΡΠ»ΠΈΡΠΎΠ²ΠΎΡΠ½ΡΠΉ; 8 β ΡΡΡΠ°Π³; 9 βΠ³Π°ΠΉΠΊΠ°: 10 βΡΠ°ΡΠ΅Π»ΠΊΠ° ΠΏΡΡΠΆΠΈΠ½Ρ; 11 β ΡΠ»Π΅ΠΌΠ΅Π½Ρ ΡΡΠ°Π²Π½ΠΎΠ²Π΅ΡΠΈΠ²Π°ΡΡΠΈΠΉ; 12 β ΠΊΠΎΠ»ΡΡΠΎ ΡΠΏΠ»ΠΎΡΠ½ΠΈΡΠ΅Π»ΡΠ½ΠΎΠ΅; 13 β ΠΏΠΎΡΡΠ΅Π½Ρ ΡΠ»Π΅Π΄ΡΡΠΈΠΉ; 14, 16, 24, 28 β ΠΏΡΡΠΆΠΈΠ½Ρ; 15 β ΠΊΠΎΡΠΏΡΡ ΠΊΠ»Π°ΠΏΠ°Π½Π° Π²Π΅ΡΡ Π½Π΅ΠΉ ΡΠ΅ΠΊΡΠΈΠΈ; 17, 29 β ΠΊΠΎΠ»ΡΡΠ° ΠΎΠΏΠΎΡΠ½ΡΠ΅; 20, 32 β ΠΊΠΎΠ»ΡΡΠ° ΡΠΏΠΎΡΠ½ΡΠ΅; 21β ΠΏΠΎΡΡΠ΅Π½Ρ Π±ΠΎΠ»ΡΡΠΎΠΉ; 22β ΠΊΠ»Π°ΠΏΠ°Π½ Π°ΡΠΌΠΎΡΡΠ΅ΡΠ½ΡΠΉ; 23 β ΠΏΠΎΡΡΠ΅Π½Ρ ΠΌΠ°Π»ΡΠΉ; 25 β ΠΊΠΎΡΠΏΡΡ Π½ΠΈΠΆΠ½ΠΈΠΉ; 26, 30β ΠΊΠΎΠ»ΡΡΠ°; 27 β ΠΊΠΎΡΠΏΡΡ ΠΊΠ»Π°ΠΏΠ°Π½Π° Π½ΠΈΠΆΠ½Π΅ΠΉ ΡΠ΅ΠΊΡΠΈΠΈ; 31 β ΠΎΠΊΠ½ΠΎ Π²ΡΠΏΡΡΠΊΠ½ΠΎΠ΅ Π² ΡΠ±ΠΎΡΠ΅
Π‘Π±ΠΎΡΠΊΠ° ΡΠΎΡΠΌΠΎΠ·Π½ΠΎΠ³ΠΎ ΠΊΡΠ°Π½ ΠΠ°ΠΌΠ°Π·-4310, 55111, 5320, 43118
— Π£ΡΡΠ°Π½ΠΎΠ²ΠΈΡΠ΅ Π² ΠΊΠΎΡΠΏΡΡ 6 ΡΡΡΠ°Π³Π° ΡΠΎΠ»ΠΊΠ°ΡΠ΅Π»Ρ 4 ΠΈ Π²Π²Π΅ΡΠ½ΠΈΡΠ΅ ΡΠ΅Π³ΡΠ»ΠΈΡΠΎΠ²ΠΎΡΠ½ΡΠΉ Π²ΠΈΠ½Ρ 7.
— Π£ΡΡΠ°Π½ΠΎΠ²ΠΈΡΠ΅ Π² ΡΠ»Π΅Π΄ΡΡΠΈΠΉ ΠΏΠΎΡΡΠ΅Π½Ρ 13 (ΡΠΌ. ΡΠΈΡ.1) ΡΠΏΡΡΠ³ΠΈΠΉ ΡΠ»Π΅ΠΌΠ΅Π½Ρ 11 ΠΈ ΡΠ°ΡΠ΅Π»ΠΊΡ 10, Π½Π°Π²Π΅ΡΠ½ΠΈΡΠ΅ Π³Π°ΠΉΠΊΡ 9 ΠΊΡΠ΅ΠΏΠ»Π΅Π½ΠΈΡ
— Π£ΡΡΠ°Π½ΠΎΠ²ΠΈΡΠ΅ Π²Π΅ΡΡ Π½ΠΈΠΉ ΠΊΠΎΡΠΏΡΡ Π² ΡΠΈΡΠΊΠΈ
— Π£ΡΡΠ°Π½ΠΎΠ²ΠΈΡΠ΅ ΠΊΠ»Π°ΠΏΠ°Π½ 15 Π²Π΅ΡΡ Π½Π΅ΠΉ ΡΠ΅ΠΊΡΠΈΠΈ Π² ΡΠ±ΠΎΡΠ΅ Ρ ΡΠΎΠ»ΠΊΠ°ΡΠ΅Π»Π΅ΠΌ Π² Π²Π΅ΡΡ Π½ΠΈΠΉ ΠΊΠΎΡΠΏΡΡ 1
— Π£ΡΡΠ°Π½ΠΎΠ²ΠΈΡΠ΅ Π½Π° ΠΊΠ»Π°ΠΏΠ°Π½ 15 Π²Π΅ΡΡ Π½Π΅ΠΉ ΡΠ΅ΠΊΡΠΈΠΈ ΠΏΡΡΠΆΠΈΠ½Ρ 16, ΠΊΠΎΠ»ΡΡΠΎ 17, ΡΠΏΠΎΡΠ½ΠΎΠ΅ ΠΊΠΎΠ»ΡΡΠΎ 20
— Π£ΡΡΠ°Π½ΠΎΠ²ΠΈΡΠ΅ Π² Π²Π΅ΡΡ Π½ΠΈΠΉ ΠΊΠΎΡΠΏΡΡ Π±ΠΎΠ»ΡΡΠΎΠΉ ΠΏΠΎΡΡΠ΅Π½Ρ 21, ΠΌΠ°Π»ΡΠΉ ΠΏΠΎΡΡΠ΅Π½Ρ 23 ΠΈ ΠΏΡΡΠΆΠΈΠ½Ρ 24.
— Π£ΡΡΠ°Π½ΠΎΠ²ΠΈΡΠ΅ Π² Π½ΠΈΠΆΠ½ΠΈΠΉ ΠΊΠΎΡΠΏΡΡ 25 ΠΊΠ»Π°ΠΏΠ°Π½ 27 Π½ΠΈΠΆΠ½Π΅ΠΉ ΡΠ΅ΠΊΡΠΈΠΈ, ΠΏΡΡΠΆΠΈΠ½Ρ 28, ΠΊΠΎΠ»ΡΡΠΎ 29 ΠΏΡΡΠΆΠΈΠ½Ρ, Π²ΡΠΏΡΡΠΊΠ½ΠΎΠ΅ ΠΎΠΊΠ½ΠΎ 31 Π² ΡΠ±ΠΎΡΠ΅, ΡΠΏΠΎΡΠ½ΠΎΠ΅ ΠΊΠΎΠ»ΡΡΠΎ 32
— Π£ΡΡΠ°Π½ΠΎΠ²ΠΈΡΠ΅ Π½ΠΈΠΆΠ½ΠΈΠΉ ΠΊΠΎΡΠΏΡΡ 25 ΠΊΡΠ°Π½Π° Π½Π° Π²Π΅ΡΡ Π½ΠΈΠΉ ΠΊΠΎΡΠΏΡΡ ΠΈ Π½Π°Π²Π΅ΡΠ½ΠΈΡΠ΅ Π³Π°ΠΉΠΊΠΈ Ρ ΠΏΡΡΠΆΠΈΠ½Π½ΡΠΌΠΈ ΡΠ°ΠΉΠ±Π°ΠΌΠΈ 18 Π±ΠΎΠ»ΡΠΎΠ² 19 ΠΊΡΠ°ΠΏΠ»Π΅Π½ΠΈΡ
— Π‘Π½ΠΈΠΌΠΈΡΠ΅ Π²Π΅ΡΡ Π½ΠΈΠΉ ΠΊΠΎΡΠΏΡΡ Π² ΡΠ±ΠΎΡΠ΅ Ρ Π½ΠΈΠΆΠ½ΠΈΠΌ Ρ ΡΠΈΡΠΊΠΎΠ²
— Π£ΡΡΠ°Π½ΠΎΠ²ΠΈΡΠ΅ ΠΊΠΎΡΠΏΡΡ 6 ΡΡΡΠ°Π³Π° Π² ΡΠΈΡΠΊΠΈ
— Π£ΡΡΠ°Π½ΠΎΠ²ΠΈΡΠ΅ ΡΠ»Π΅Π΄ΡΡΠΈΠΉ ΠΏΠΎΡΡΠ΅Π½Ρ 13 Π² ΡΠ±ΠΎΡΠ΅ ΠΈ ΠΏΡΡΠΆΠΈΠ½Ρ 14 Π² Π²Π΅ΡΡ Π½ΠΈΠΉ ΠΊΠΎΡΠΏΡΡ ΠΊΡΠ°Π½Π°.
— Π£ΡΡΠ°Π½ΠΎΠ²ΠΈΡΠ΅ Π²Π΅ΡΡ Π½ΠΈΠΉ ΠΊΠΎΡΠΏΡΡ Π² ΡΠ±ΠΎΡΠ΅ Ρ Π½ΠΈΠΆΠ½ΠΈΠΌ Π½Π° ΠΊΠΎΡΠΏΡΡ ΡΡΡΠ°Π³Π°
— ΠΠ°Π²Π΅ΡΠ½ΠΈΡΠ΅ Π³Π°ΠΉΠΊΠΈ ΠΊΡΠ΅ΠΏΠ»Π΅Π½ΠΈΡ Π²Π΅ΡΡ Π½Π΅Π³ΠΎ ΠΊΠΎΡΠΏΡΡΠ° ΠΊ ΠΊΠΎΡΠΏΡΡΡ ΡΡΡΠ°Π³Π°.
— ΠΠ°Π΄Π΅Π½ΡΡΠ΅ Π·Π°ΡΠΈΡΠ½ΡΡ ΠΎΠ±ΠΎΠ»ΠΎΡΠΊΡ
— Π‘Π½ΠΈΠΌΠΈΡΠ΅ ΡΠΎΡΠΌΠΎΠ·Π½ΠΎΠΉ ΠΊΡΠ°Π½ ΠΠ°ΠΌΠ°Π·-4310, 55111, 5320, 43118 Ρ ΡΠΈΡΠΊΠΎΠ²
— ΠΡΠΎΠ²Π΅Π΄ΠΈΡΠ΅ ΠΈΡΠΏΡΡΠ°Π½ΠΈΠ΅ ΡΠΎΡΠΌΠΎΠ·Π½ΠΎΠ³ΠΎ ΠΊΡΠ°Π½Π° Π½Π° ΡΠ°Π±ΠΎΡΠΎΡΠΏΠΎΡΠΎΠ±Π½ΠΎΡΡΡ ΠΈ Π³Π΅ΡΠΌΠ΅ΡΠΈΡΠ½ΠΎΡΡΡ
Π’ΠΎΡΠΌΠΎΠ·Π½ΠΎΠΉ ΠΊΡΠ°Π½ ΡΠΏΡΠ°Π²Π»Π΅Π½ΠΈΡ ΡΡΠΎΡΠ½ΠΎΡΠ½ΠΎΠΉ ΡΠΈΡΡΠ΅ΠΌΠΎΠΉ Π³ΡΡΠ·ΠΎΠ²ΠΈΠΊΠΎΠ² ΠΠ°ΠΌΠ°Π·-4310, 55111, 5320, 43118
Π Π°Π·Π±ΠΎΡΠΊΠ° ΠΊΡΠ°Π½Π° ΠΠ°ΠΌΠ°Π·-4310, 55111, 5320, 43118 ΡΠΏΡΠ°Π²Π»Π΅Π½ΠΈΡ ΡΡΠΎΡΠ½ΠΎΡΠ½ΠΎΠΉ ΡΠΎΡΠΌΠΎΠ·Π½ΠΎΠΉ ΡΠΈΡΡΠ΅ΠΌΠΎΠΉ
— Π£ΡΡΠ°Π½ΠΎΠ²ΠΈΡΠ΅ ΡΠΎΡΠΌΠΎΠ·Π½ΠΎΠΉ ΠΊΡΠ°Π½ ΠΠ°ΠΌΠ°Π·-4310, 55111, 5320, 43118 Π² ΡΠΈΡΠΊΠΈ ΠΊΡΡΡΠΊΠΎΠΉ Π²Π²Π΅ΡΡ
— ΠΡΠ²Π΅ΡΠ½ΠΈΡΠ΅ Π²ΠΈΠ½ΡΡ 3 (ΡΠΈΡ.2) Ρ ΡΠ°ΠΉΠ±Π°ΠΌΠΈ 4, 5, 6 ΠΊΡΠ΅ΠΏΠ»Π΅Π½ΠΈΡ ΠΊΡΡΡΠΊΠΈ 7 ΠΊΡΠ°Π½Π° ΠΊ ΠΊΠΎΡΠΏΡΡΡ 28
— Π‘Π½ΠΈΠΌΠΈΡΠ΅ ΠΊΡΡΡΠΊΡ Π² ΡΠ±ΠΎΡΠ΅ Ρ ΡΡΠΊΠΎΡΡΠΊΠΎΠΉ 1 ΠΈ ΠΏΡΡΠΆΠΈΠ½ΠΎΠΉ 2 Ρ ΠΊΠΎΡΠΏΡΡΠ°
— ΠΡΠ²Π΅ΡΠ½ΠΈΡΠ΅ ΡΡΠΊΠΎΡΡΠΊΡ 1 ΠΈΠ· ΠΊΡΡΡΠΊΠΈ 7
— ΠΡΠ½ΡΡΠ΅ ΠΈΠ· ΡΡΠΎΠΊΠ° 18 ΡΡΠΈΡΡ 9, ΡΠ½ΠΈΠΌΠΈΡΠ΅ ΡΠ°ΠΉΠ±Ρ 10, ΠΊΠΎΠ»ΠΏΠ°ΡΠΎΠΊ 11
— ΠΡΠ½ΡΡΠ΅ ΠΈΠ· ΠΊΠΎΡΠΏΡΡΠ° 28 ΡΠΏΠΎΡΠ½ΠΎΠ΅ ΠΊΠΎΠ»ΡΡΠΎ 12, Π½Π°ΠΏΡΠ°Π²Π»ΡΡΡΡΡ 13, ΠΊΠΎΠ»ΡΡΠΎ 14, ΠΏΡΡΠΆΠΈΠ½Ρ 15, ΡΡΠΎΠΊ 18, ΡΠ°ΠΉΠ±Ρ 17, ΠΊΠΎΠ»ΡΡΠΎ 16, ΡΠ°ΡΠ΅Π»ΠΊΡ 19, ΠΏΡΡΠΆΠΈΠ½Ρ 20, ΠΏΠΎΡΡΠ΅Π½Ρ 21 Π² ΡΠ±ΠΎΡΠ΅
— Π‘Π½ΠΈΠΌΠΈΡΠ΅ Ρ ΠΏΠΎΡΡΠ½Ρ 21 ΡΠΏΠΎΡΠ½ΠΎΠ΅ ΠΊΠΎΠ»ΡΡΠΎ 26, Π²ΡΠ½ΡΡΠ΅ ΠΊΠΎΠ»ΡΡΠΎ 22 ΠΊΠ»Π°ΠΏΠ°Π½Π°, ΠΊΠΎΡΠΏΡΡ 23, ΠΎΠΏΠΎΡΠ½ΡΡ ΡΠ°ΠΉΠ±Ρ 24, ΠΏΡΡΠΆΠΈΠ½Ρ 25
— Π‘Π½ΠΈΠΌΠΈΡΠ΅ ΠΊΠΎΡΠΏΡΡ 28 ΠΊΡΠ°Π½Π° Π² ΡΠ±ΠΎΡΠ΅ Ρ ΡΠ°ΠΉΠ±Π°ΠΌΠΈ 29 ΠΈ ΠΊΠΎΠ»ΡΡΠΎΠΌ 27 Ρ ΡΠΈΡΠΊΠΎΠ²
— ΠΡΠΎΠΌΠΎΠΉΡΠ΅ Π΄Π΅ΡΠ°Π»ΠΈ ΡΠΎΡΠΌΠΎΠ·Π½ΠΎΠ³ΠΎ ΠΊΡΠ°Π½Π° ΠΠ°ΠΌΠ°Π·-4310, 55111, 5320, 43118 Π² Π΄ΠΈΠ·Π΅Π»ΡΠ½ΠΎΠΌ ΡΠΎΠΏΠ»ΠΈΠ²Π΅, ΠΎΠ±Π΄ΡΠΉΡΠ΅ ΡΠΆΠ°ΡΡΠΌ Π²ΠΎΠ·Π΄ΡΡ ΠΎΠΌ ΠΈ ΠΏΡΠΎΠ²Π΅ΡΡΡΠ΅ ΠΈΡ ΡΠ΅Ρ Π½ΠΈΡΠ΅ΡΠΊΠΎΠ΅ ΡΠΎΡΡΠΎΡΠ½ΠΈΠ΅

Π ΠΈΡ.2. ΠΡΠ°Π½ Π°Π²ΡΠΎΠΌΠΎΠ±ΠΈΠ»Ρ ΠΠ°ΠΌΠ°Π·-4310, 55111, 5320, 43118 ΡΠΏΡΠ°Π²Π»Π΅Π½ΠΈΡ ΡΡΠΎΡΠ½ΠΎΡΠ½ΠΎΠΉ ΡΠΎΡΠΌΠΎΠ·Π½ΠΎΠΉ ΡΠΈΡΡΠ΅ΠΌΠΎΠΉ
1 β ΡΡΠΊΠΎΡΡΠΊΠ°; 2, 8, 15, 20, 25 βΠΏΡΡΠΆΠΈΠ½Ρ; 3 βΠ²ΠΈΠ½Ρ; 4, 6, 10, 17, 29 β ΡΠ°ΠΉΠ±Ρ; 5 βΡΠ°ΠΉΠ±Π° ΠΏΡΡΠΆΠΈΠ½Π½Π°Ρ; 7 β ΠΊΡΡΡΠΊΠ°; 9 β ΡΡΠΈΡΡ; 11 βΠΊΠΎΠ»ΠΏΠ°ΡΠΎΠΊ Π½Π°ΠΏΡΠ°Π²Π»ΡΡΡΠΈΠΉ; 12, 26 β ΠΊΠΎΠ»ΡΡΠ° ΡΠΏΠΎΡΠ½ΡΠ΅; 13 β Π½Π°ΠΏΡΠ°Π²Π»ΡΡΡΠ°Ρ; 14, 16, 27βΠΊΠΎΠ»ΡΡΠ°; 18 β ΡΡΠΎΠΊ; 19 β ΡΠ°ΡΠ΅Π»ΠΊΠ° ΠΏΡΡΠΆΠΈΠ½Ρ; 21 β ΠΏΠΎΡΡΠ΅Π½Ρ; 22 β ΠΊΠΎΠ»ΡΡΠΎ ΠΊΠ»Π°ΠΏΠ°Π½Π°; 23 β ΠΊΠΎΡΠΏΡΡ ΠΊΠ»Π°ΠΏΠ°Π½Π°; 24 β ΡΠ°ΠΉΠ±Π° ΠΎΠΏΠΎΡΠ½Π°Ρ; 28 β ΠΊΠΎΡΠΏΡΡ
Π‘Π±ΠΎΡΠΊΠ° ΠΊΡΠ°Π½Π° ΡΠΏΡΠ°Π²Π»Π΅Π½ΠΈΡ ΡΡΠΎΡΠ½ΠΎΡΠ½ΠΎΠΉ ΡΠΎΡΠΌΠΎΠ·Π½ΠΎΠΉ ΡΠΈΡΡΠ΅ΠΌΠΎΠΉ ΠΠ°ΠΌΠ°Π·-4310, 55111, 5320, 43118
— Π£ΡΡΠ°Π½ΠΎΠ²ΠΈΡΠ΅ Π² ΠΏΠΎΡΡΠ΅Π½Ρ 21 ΠΊΠΎΠ»ΡΡΠΎ 22 ΠΊΠ»Π°ΠΏΠ°Π½Π°, ΠΊΠΎΡΠΏΡΡ 23 ΠΊΠ»Π°ΠΏΠ°Π½Π°, ΠΎΠΏΠΎΡΠ½ΡΡ ΡΠ°ΠΉΠ±Ρ 24, ΠΏΡΡΠΆΠΈΠ½Ρ 25, ΡΠΏΠΎΡΠ½ΠΎΠ΅ ΠΊΠΎΠ»ΡΡΠΎ 26.
— Π£ΡΡΠ°Π½ΠΎΠ²ΠΈΡΠ΅ ΠΊΠΎΡΠΏΡΡ 28 Π² ΡΠ±ΠΎΡΠ΅ Ρ Π’ΠΈΡΠΊΠΈ, ΠΌΡΠ³ΠΊΠΈΠ΅ ΡΠ°ΠΉΠ±Π°ΠΌΠΈ 29 ΠΈ ΠΊΠΎΠ»ΡΡΠΎΠΌ 27 Π² ΡΠΈΡΠΊΠΈ Π³ΡΠ±ΠΊΠΈ
— Π£ΡΡΠ°Π½ΠΎΠ²ΠΈΡΠ΅ Π² ΠΊΠΎΡΠΏΡΡ ΠΊΡΠ°Π½Π° ΠΏΠΎΡΡΠ΅Π½Ρ 21 Π² ΡΠ±ΠΎΡΠ΅, ΡΡΠΎΠΊ 18, ΠΏΡΡΠΆΠΈΠ½Ρ 20, ΡΠ°ΡΠ΅Π»ΠΊΡ 19, ΡΠ°ΠΉΠ±Ρ 17, ΠΊΠΎΠ»ΡΡΠΎ 16, ΠΏΡΡΠΆΠΈΠ½Ρ 15, Π½Π°ΠΏΡΠ°Π²Π»ΡΡΡΡΡ 13 Ρ ΠΊΠΎΠ»ΡΡΠΎΠΌ 14 ΠΈ ΡΠΏΠΎΡΠ½ΠΎΠ΅ ΠΊΠΎΠ»ΡΡΠΎ 12.
— Π£ΡΡΠ°Π½ΠΎΠ²ΠΈΡΠ΅ Π² ΠΊΠΎΡΠΏΡΡ ΡΠΎΡΠΌΠΎΠ·Π½ΠΎΠ³ΠΎ ΠΊΡΠ°Π½Π° ΠΠ°ΠΌΠ°Π·-4310, 55111, 5320, 43118 Π½Π°ΠΏΡΠ°Π²Π»ΡΡΡΠΈΠΉ ΠΊΠΎΠ»ΠΏΠ°ΡΠΎΠΊ 11 ΠΈ ΡΠ°ΠΉΠ±Ρ 10
— Π£ΡΡΠ°Π½ΠΎΠ²ΠΈΡΠ΅ Π² ΡΡΠΎΠΊ ΡΡΠΈΡΡ 9
— ΠΠ²Π΅ΡΠ½ΠΈΡΠ΅ ΡΡΠΊΠΎΡΡΠΊΡ 1 Π² ΠΊΡΡΡΠΊΡ 7 ΠΊΡΠ°Π½Π°
— Π£ΡΡΠ°Π½ΠΎΠ²ΠΈΡΠ΅ ΠΊΡΡΡΠΊΡ 7 Π² ΡΠ±ΠΎΡΠ΅ Ρ ΡΡΠΊΠΎΡΡΠΊΠΎΠΉ ΠΈ ΠΏΡΡΠΆΠΈΠ½ΠΎΠΉ 2 Π½Π° ΠΊΠΎΡΠΏΡΡ 28 ΠΊΡΠ°Π½Π°
— ΠΠ²Π΅ΡΠ½ΠΈΡΠ΅ Π²ΠΈΠ½ΡΡ 3 ΠΊΡΠ΅ΠΏΠ»Π΅Π½ΠΈΡ ΠΊΡΡΡΠΊΠΈ Ρ ΡΠ°ΠΉΠ±Π°ΠΌΠΈ Π² ΠΊΠΎΡΠΏΡΡ ΠΊΡΠ°Π½Π°
— Π‘Π½ΠΈΠΌΠΈΡΠ΅ ΡΠΎΡΠΌΠΎΠ·Π½ΠΎΠΉ ΠΊΡΠ°Π½ Ρ ΡΠΈΡΠΊΠΎΠ²
— ΠΡΡΠ΅Π³ΡΠ»ΠΈΡΡΠΉΡΠ΅ Π·Π°Π·ΠΎΡ ΠΌΠ΅ΠΆΠ΄Ρ ΠΊΡΡΡΠΊΠΎΠΉ ΠΊΡΠ°Π½Π° ΠΈ ΡΠ°ΠΉΠ±ΠΎΠΉ
ΠΠΎΠΌΠΏΡΠ΅ΡΡΠΎΡ ΠΏΠ½Π΅Π²ΠΌΠ°ΡΠΈΡΠ΅ΡΠΊΠΈΡ ΡΠΎΡΠΌΠΎΠ·ΠΎΠ² Π°Π²ΡΠΎΠΌΠΎΠ±ΠΈΠ»Π΅ΠΉ ΠΠ°ΠΌΠ°Π·-4310, 55111, 5320, 43118

Π ΠΈΡ.3. ΠΠΎΠΌΠΏΡΠ΅ΡΡΠΎΡ ΠΏΠ½Π΅Π²ΠΌΠΎΡΠΎΡΠΌΠΎΠ·ΠΎΠ² ΠΠ°ΠΌΠ°Π·-4310, 55111, 5320, 43118
1, 8, 22 β ΠΏΡΠΎΠΊΠ»Π°Π΄ΠΊΠΈ; 2 β ΠΊΡΡΡΠΊΠ° ΠΊΠ°ΡΡΠ΅ΡΠ° Π½ΠΈΠΆΠ½ΡΡ; 3, 10. 13 β ΡΠ°ΠΉΠ±Ρ ΠΏΡΡΠΆΠΈΠ½Π½ΡΠ΅; 4, 11, 25 β Π±ΠΎΠ»ΡΡ; 5 β ΠΊΠ°ΡΡΠ΅Ρ; 6 β Π²Π°Π» ΠΊΠΎΠ»Π΅Π½ΡΠ°ΡΡΠΉ; 7, 37 β ΠΏΠΎΠ΄ΡΠΈΠΏΠ½ΠΈΠΊΠΈ; 9 β ΠΊΡΡΡΠΊΠ°; 12βΡΠΏΠΎΠ½ΠΊΠ°; 14, 21, 26 β Π³Π°ΠΉΠΊΠΈ; 15 β Π±Π»ΠΎΠΊ ΡΠΈΠ»ΠΈΠ½Π΄ΡΠΎΠ²; 16 β ΡΠ΅Π΄Π»ΠΎ Π²ΠΏΡΡΠΊΠ½ΠΎΠ³ΠΎ ΠΊΠ»Π°ΠΏΠ°Π½Π°; 17 β Π½Π°ΠΏΡΠ°Π²Π»ΡΡΡΠ°Ρ Π²ΠΏΡΡΠΊΠ½ΠΎΠ³ΠΎ ΠΊΠ»Π°ΠΏΠ°Π½Π°; 18 — ΠΊΠ»Π°ΠΏΠ°Π½ Π²ΠΏΡΡΠΊΠ½ΠΎΠΉ: 19, 34 β ΠΏΡΡΠΆΠΈΠ½Ρ; 20 β Π³ΠΎΠ»ΠΎΠ²ΠΊΠ° ΠΊΠΎΠΌΠΏΡΠ΅ΡΡΠΎΡΠ° Π² ΡΠ±ΠΎΡΠ΅; 23 β ΠΏΠΎΡΡΠ΅Π½Ρ Ρ ΡΠ°ΡΡΠ½ΠΎΠΌ; 24 — ΠΏΠ»Π°ΡΡΠΈΠ½Π° ΠΎΡΡΠ°ΠΆΠ°ΡΠ΅Π»Ρ; 27 β ΡΠΏΠ»ΠΈΠ½Ρ; 28 β Π²ΠΊΠ»Π°Π΄ΡΡ; 29β ΠΊΡΡΡΠΊΠ° ΡΠ°ΡΡΠ½Π°; 30β Π³Π°ΠΉΠΊΠ° ΡΠΏΠΎΡΠ½Π°Ρ; 31 β ΡΠ°ΠΉΠ±Π° Π·Π°ΠΌΠΊΠΎΠ²Π°Ρ; 32, 36 β ΠΊΠΎΠ»ΡΡΠ° ΡΠΏΠΎΡΠ½ΡΠ΅; 33 β ΡΠΏΠ»ΠΎΡΠ½ΠΈΡΠ΅Π»Ρ; 35 β ΠΊΠΎΠ»Π΅ΡΠΎ Π·ΡΠ±ΡΠ°ΡΠΎΠ΅ ΠΏΡΠΈΠ²ΠΎΠ΄Π°
Π Π°Π·Π±ΠΎΡΠΊΠ° ΠΊΠΎΠΌΠΏΡΠ΅ΡΡΠΎΡΠ° ΠΠ°ΠΌΠ°Π·-4310, 55111, 5320, 43118

Π ΠΈΡ.4. ΠΠΎΠ»ΠΎΠ²ΠΊΠ° ΠΊΠΎΠΌΠΏΡΠ΅ΡΡΠΎΡΠ° ΠΠ°ΠΌΠ°Π·-4310, 55111, 5320, 43118
1 β ΠΏΡΠΎΠ±ΠΊΠ° Π½Π°Π³Π½Π΅ΡΠ°ΡΠ΅Π»ΡΠ½ΠΎΠ³ΠΎ ΠΊΠ»Π°ΠΏΠ°Π½Π°; 2,6 β ΠΏΡΠΎΠΊΠ»Π°Π΄ΠΊΠΈ; 3 β ΠΏΡΡΠΆΠΈΠ½Π°; 4 βΠΊΠ»Π°ΠΏΠ°Π½ Π½Π°Π³Π½Π΅ΡΠ°ΡΠ΅Π»ΡΠ½ΡΠΉ; 5 βΡΠ΅Π΄Π»ΠΎ Π½Π°Π³Π½Π΅ΡΠ°ΡΠ΅Π»ΡΠ½ΠΎΠ³ΠΎ ΠΊΠ»Π°ΠΏΠ°Π½Π°; 7β Π³ΠΎΠ»ΠΎΠ²ΠΊΠ° ΠΊΠΎΠΌΠΏΡΠ΅ΡΡΠΎΡΠ°
— ΠΡΠ²Π΅ΡΠ½ΠΈΡΠ΅ Π³Π°ΠΉΠΊΠΈ 21 (ΡΠΈΡ.3) ΠΊΡΠ΅ΠΏΠ»Π΅Π½ΠΈΡ Π³ΠΎΠ»ΠΎΠ²ΠΊΠΈ 20 ΠΊΠΎΠΌΠΏΡΠ΅ΡΡΠΎΡΠ°
— Π‘Π½ΠΈΠΌΠΈΡΠ΅ Π³ΠΎΠ»ΠΎΠ²ΠΊΡ 20 ΠΊΠΎΠΌΠΏΡΠ΅ΡΡΠΎΡΠ° ΠΠ°ΠΌΠ°Π·-4310, 55111, 5320, 43118 Π² ΡΠ±ΠΎΡΠ΅ Ρ Π½Π°Π³Π½Π΅ΡΠ°ΡΠ΅Π»ΡΠ½ΡΠΌΠΈ ΠΊΠ»Π°ΠΏΠ°Π½Π°ΠΌΠΈ, ΠΏΡΠΎΠΊΠ»Π°Π΄ΠΊΡ 22 Π³ΠΎΠ»ΠΎΠ²ΠΊΠΈ, ΠΏΡΡΠΆΠΈΠ½Ρ 19 Π²ΠΏΡΡΠΊΠ½ΡΡ ΠΊΠ»Π°ΠΏΠ°Π½ΠΎΠ²
— ΠΡΠ½ΡΡΠ΅ ΠΈΠ· Π³Π½Π΅Π·Π΄ Π±Π»ΠΎΠΊΠ° ΡΠΈΠ»ΠΈΠ½Π΄ΡΠΎΠ² Π²ΠΏΡΡΠΊΠ½ΡΠ΅ ΠΊΠ»Π°ΠΏΠ°Π½Ρ 18, Π½Π°ΠΏΡΠ°Π²Π»ΡΡΡΠΈΠ΅ 17 Π²ΠΏΡΡΠΊΠ½ΡΡ ΠΊΠ»Π°ΠΏΠ°Π½ΠΎΠ², Π²ΡΠΏΡΠ΅ΡΡΡΠΉΡΠ΅ ΡΠ΅Π΄Π»Π° 16
— ΠΠ°ΠΊΡΠ΅ΠΏΠΈΡΠ΅ Π³ΠΎΠ»ΠΎΠ²ΠΊΡ 20 ΠΊΠΎΠΌΠΏΡΠ΅ΡΡΠΎΡΠ° Π² ΡΠΈΡΠΊΠ°Ρ
— ΠΡΠ²Π΅ΡΠ½ΠΈΡΠ΅ ΠΏΡΠΎΠ±ΠΊΠΈ 1 (ΡΠΈΡ.4) Π½Π°Π³Π½Π΅ΡΠ°ΡΠ΅Π»ΡΠ½ΡΡ ΠΊΠ»Π°ΠΏΠ°Π½ΠΎΠ² ΠΈ Π²ΡΠ½ΡΡΠ΅ ΠΈΠ· Π³ΠΎΠ»ΠΎΠ²ΠΊΠΈ ΠΏΡΠΎΠΊΠ»Π°Π΄ΠΊΠΈ 2 ΠΏΡΠΎΠ±ΠΎΠΊ, ΠΏΡΡΠΆΠΈΠ½Ρ 3 ΠΊΠ»Π°ΠΏΠ°Π½ΠΎΠ², Π½Π°Π³Π½Π΅ΡΠ°ΡΠ΅Π»ΡΠ½ΡΠ΅ ΠΊΠ»Π°ΠΏΠ°Π½Ρ 4, Π²ΡΠ²Π΅ΡΠ½ΠΈΡΠ΅ ΡΠ΅Π΄Π»Π° 5 ΠΊΠ»Π°ΠΏΠ°Π½ΠΎΠ² ΠΈ Π²ΡΠ½ΡΡΠ΅ ΠΏΡΠΎΠΊΠ»Π°Π΄ΠΊΠΈ 6 ΡΠ΅Π΄Π΅Π»
— Π‘Π½ΠΈΠΌΠΈΡΠ΅ Π³ΠΎΠ»ΠΎΠ²ΠΊΡ 7 Ρ ΡΠΈΡΠΊΠΎΠ²
— Π Π°ΡΡΡΠΎΠΏΠΎΡΠΈΡΠ΅ Π·Π°ΠΌΠΊΠΎΠ²ΡΡ ΡΠ°ΠΉΠ±Ρ 31 (ΡΠΌ. ΡΠΈΡ.3) ΠΈ ΠΎΡΠ²Π΅ΡΠ½ΠΈΡΠ΅ Π³Π°ΠΉΠΊΡ 30 ΠΊΡΠ΅ΠΏΠ»Π΅Π½ΠΈΡ Π·ΡΠ±ΡΠ°ΡΠΎΠ³ΠΎ ΠΊΠΎΠ»Π΅ΡΠ° ΠΏΡΠΈΠ²ΠΎΠ΄Π° ΠΊΠΎΠ»Π΅Π½ΡΠ°ΡΠΎΠ³ΠΎ Π²Π°Π»Π°, ΡΠ½ΠΈΠΌΠΈΡΠ΅ ΡΠΏΠΎΡΠ½ΠΎΠ΅ ΠΊΠΎΠ»ΡΡΠΎ 32, ΡΠΏΠ»ΠΎΡΠ½ΠΈΡΠ΅Π»Ρ 33, ΠΏΡΡΠΆΠΈΠ½Ρ 34 ΡΠΏΠ»ΠΎΡΠ½ΠΈΡΠ΅Π»Ρ
— Π‘ΡΠ΅ΠΌΠ½ΠΈΠΊΠΎΠΌ ΡΠ½ΠΈΠΌΠΈΡΠ΅ Π·ΡΠ±ΡΠ°ΡΠΎΠ΅ ΠΊΠΎΠ»Π΅ΡΠΎ 35 (ΡΠΌ. ΡΠΈΡ.3) ΠΏΡΠΈΠ²ΠΎΠ΄Π° ΠΈ Π²ΡΠ½ΡΡΠ΅ ΡΠΏΠΎΠ½ΠΊΡ 12 ΠΈΠ· ΠΏΠ°Π·Π° ΠΊΠΎΠ»Π΅Π½ΡΠ°ΡΠΎΠ³ΠΎ Π²Π°Π»Π° 6
— ΠΠΎΠ²Π΅ΡΠ½ΠΈΡΠ΅ ΠΊΠΎΠΌΠΏΡΠ΅ΡΡΠΎΡ ΠΠ°ΠΌΠ°Π·-4310, 55111, 5320, 43118 Π½Π° ΡΡΠ΅Π½Π΄Π΅ Π΄ΠΎ ΠΏΠΎΠ»ΠΎΠΆΠ΅Π½ΠΈΡ, ΡΠ΄ΠΎΠ±Π½ΠΎΠ³ΠΎ Π΄Π»Ρ ΡΠ½ΡΡΠΈΡ Π½ΠΈΠΆΠ½Π΅ΠΉ ΠΊΡΡΡΠΊΠΈ 2
— ΠΡΠ²Π΅ΡΠ½ΠΈΡΠ΅ Π±ΠΎΠ»ΡΡ 4 Ρ ΠΏΡΡΠΆΠΈΠ½Π½ΡΠΌΠΈ ΡΠ°ΠΉΠ±Π°ΠΌΠΈ 5, ΡΠ½ΠΈΠΌΠΈΡΠ΅ ΠΊΡΡΡΠΊΡ 2, ΠΏΡΠΎΠΊΠ»Π°Π΄ΠΊΡ 1
— ΠΠΎΠ²Π΅ΡΠ½ΠΈΡΠ΅ ΠΊΠΎΠ»Π΅Π½ΡΠ°ΡΡΠΉ Π²Π°Π» Π΄ΠΎ ΠΏΠΎΠ»ΠΎΠΆΠ΅Π½ΠΈΡ, ΡΠ΄ΠΎΠ±Π½ΠΎΠ³ΠΎ Π΄Π»Ρ ΠΎΡΠ²ΠΎΡΠ°ΡΠΈΠ²Π°Π½ΠΈΡ Π³Π°Π΅ΠΊ ΡΠ°ΡΡΠ½Π½ΡΡ Π±ΠΎΠ»ΡΠΎΠ²
— ΠΡΠ½ΡΡΠ΅ ΡΠΏΠ»ΠΈΠ½Ρ 27, ΠΎΡΠ²Π΅ΡΠ½ΠΈΡΠ΅ Π³Π°ΠΉΠΊΡ 26 Π±ΠΎΠ»ΡΠΎΠ² 25 ΡΠ°ΡΡΠ½ΠΎΠ²
— Π‘Π½ΠΈΠΌΠΈΡΠ΅ ΠΊΡΡΡΠΊΡ 29 ΡΠ°ΡΡΠ½Π°, Π²ΡΠ½ΡΡΠ΅ ΠΏΠΎΡΡΠ΅Π½Ρ 23 Π² ΡΠ±ΠΎΡΠ΅ Ρ ΡΠ°ΡΡΠ½ΠΎΠΌ ΠΈΠ· ΡΠΈΠ»ΠΈΠ½Π΄ΡΠ°.
— ΠΡΠ½ΡΡΠ΅ Π²ΠΊΠ»Π°Π΄ΡΡΠΈ 28 ΠΈΠ· ΡΠ°ΡΡΠ½ΠΎΠ², ΡΠΎΠ²ΠΌΠ΅ΡΡΠΈΡΠ΅ ΠΊΡΡΡΠΊΡ 29 Ρ ΡΠ°ΡΡΠ½ΠΎΠΌ ΠΈ ΡΠΎΠ΅Π΄ΠΈΠ½ΠΈΡΠ΅ Π±Π΅Π· Π·Π°ΡΡΠΆΠΊΠΈ Π±ΠΎΠ»ΡΠ°ΠΌΠΈ 25 Ρ Π³Π°ΠΉΠΊΠ°ΠΌΠΈ 26
— ΠΠΎΠ²Π΅ΡΠ½ΠΈΡΠ΅ ΠΊΠΎΠΌΠΏΡΠ΅ΡΡΠΎΡ ΠΠ°ΠΌΠ°Π·-4310, 55111, 5320, 43118 Π½Π° ΡΡΠ΅Π½Π΄Π΅ Π±Π»ΠΎΠΊΠΎΠΌ ΡΠΈΠ»ΠΈΠ½Π΄ΡΠΎΠ² Π²Π²Π΅ΡΡ
— ΠΡΠ²Π΅ΡΠ½ΠΈΡΠ΅ Π±ΠΎΠ»ΡΡ 11 Ρ ΠΏΡΡΠΆΠΈΠ½Π½ΡΠΌΠΈ ΡΠ°ΠΉΠ±Π°ΠΌΠΈ 10. Π‘Π½ΠΈΠΌΠΈΡΠ΅ ΠΊΡΡΡΠΊΡ 9 Ρ ΠΏΡΠΎΠΊΠ»Π°Π΄ΠΊΠΎΠΉ 8
— ΠΡΠ²Π΅ΡΠ½ΠΈΡΠ΅ Π³Π°ΠΉΠΊΠΈ 14 Ρ ΠΏΡΡΠΆΠΈΠ½Π½ΡΠΌΠΈ ΡΠ°ΠΉΠ±Π°ΠΌΠΈ 13 ΠΊΡΠ΅ΠΏΠ»Π΅Π½ΠΈΡ Π±Π»ΠΎΠΊΠ° 15 ΡΠΈΠ»ΠΈΠ½Π΄ΡΠΎΠ² ΠΊ ΠΊΠ°ΡΡΠ΅ΡΡ 5 ΠΊΠΎΠΌΠΏΡΠ΅ΡΡΠΎΡΠ°. Π‘Π½ΠΈΠΌΠΈΡΠ΅ Π±Π»ΠΎΠΊ ΡΠΈΠ»ΠΈΠ½Π΄ΡΠΎΠ² Ρ ΠΏΠ»Π°ΡΡΠΈΠ½Π°ΠΌΠΈ 24 ΠΎΡΡΠ°ΠΆΠ°ΡΠ΅Π»Ρ
— Π‘Π½ΠΈΠΌΠΈΡΠ΅ ΡΠΏΠΎΡΠ½ΠΎΠ΅ ΠΊΠΎΠ»ΡΡΠΎ 36, Π²ΡΠΏΡΠ΅ΡΡΡΠΉΡΠ΅ ΠΊΠΎΠ»Π΅Π½ΡΠ°ΡΡΠΉ Π²Π°Π» Ρ ΠΏΠΎΠ΄ΡΠΈΠΏΠ½ΠΈΠΊΠ°ΠΌΠΈ ΠΈΠ· ΠΊΠ°ΡΡΠ΅ΡΠ° 5 ΠΊΠΎΠΌΠΏΡΠ΅ΡΡΠΎΡΠ°
— Π£ΡΡΠ°Π½ΠΎΠ²ΠΈΡΠ΅ ΠΏΠΎΡΡΠ΅Π½Ρ 1 (ΡΠΈΡ 5) Ρ ΡΠ°ΡΡΠ½ΠΎΠΌ Π² ΡΠ±ΠΎΡΠ΅ Π² ΡΠΈΡΠΊΠΈ

Π ΠΈΡ.5. ΠΠΎΡΡΠ΅Π½Ρ Ρ ΡΠ°ΡΡΠ½ΠΎΠΌ ΠΊΠΎΠΌΠΏΡΠ΅ΡΡΠΎΡΠ° ΠΠ°ΠΌΠ°Π·-4310, 55111, 5320, 43118 Π² ΡΠ±ΠΎΡΠ΅
1 β ΠΏΠΎΡΡΠ΅Π½Ρ Ρ ΡΠ°ΡΡΠ½ΠΎΠΌ Π² ΡΠ±ΠΎΡΠ΅; 2 β Π²ΡΡΠ»ΠΊΠ°; 3 β ΠΊΠΎΠ»ΡΡΠΎ ΡΠΏΠΎΡΠ½ΠΎΠ΅; 4 β ΠΏΠ°Π»Π΅Ρ ΠΏΠΎΡΡΠ½Π΅Π²ΠΎΠΉ; 5βΠΊΠΎΠ»ΡΡΠΎ ΠΊΠΎΠΌΠΏΡΠ΅ΡΡΠΈΠΎΠ½Π½ΠΎΠ΅; 6 — ΠΏΠΎΡΡΠ΅Π½Ρ; 7βΠΊΠΎΠ»ΡΡΠΎ ΠΌΠ°ΡΠ»ΠΎΡΡΠ΅ΠΌΠ½ΠΎΠ΅; 8 β ΡΠ°ΡΡΠ½ Π² ΡΠ±ΠΎΡΠ΅ Ρ ΠΊΡΡΡΠΊΠΎΠΉ
— Π‘Π½ΠΈΠΌΠΈΡΠ΅ Ρ ΠΏΠΎΡΡΠ½Ρ 6 ΠΊΠΎΠΌΠΏΡΠ΅ΡΡΠΈΠΎΠ½Π½ΡΠ΅ 5 ΠΈ ΠΌΠ°ΡΠ»ΠΎΡΡΠ΅ΠΌΠ½ΠΎΠ΅ 7 ΠΊΠΎΠ»ΡΡΠ°, ΡΠΏΠΎΡΠ½ΠΎΠ΅ ΠΊΠΎΠ»ΡΡΠΎ 3 ΠΏΠΎΡΡΠ½Π΅Π²ΠΎΠ³ΠΎ ΠΏΠ°Π»ΡΡΠ°
— Π‘Π½ΠΈΠΌΠΈΡΠ΅ ΡΠ°ΡΡΠ½ Π² ΡΠ±ΠΎΡΠ΅ Ρ ΠΏΠΎΡΡΠ½Π΅ΠΌ Ρ ΡΠΈΡΠΊΠΎΠ²
— ΠΡΠΏΡΠ΅ΡΡΡΠΉΡΠ΅ ΠΏΠΎΡΡΠ½Π΅Π²ΠΎΠΉ ΠΏΠ°Π»Π΅Ρ 4 ΠΈ ΠΎΡΡΠΎΠ΅Π΄ΠΈΠ½ΠΈΡΠ΅ ΠΏΠΎΡΡΠ΅Π½Ρ 6 ΠΎΡ ΡΠ°ΡΡΠ½Π° 8
— Π£ΡΡΠ°Π½ΠΎΠ²ΠΈΡΠ΅ ΡΠ°ΡΡΠ½ 8 Π² ΡΠΈΡΠΊΠΈ, Π²ΡΠΏΡΠ΅ΡΡΡΠΉΡΠ΅ Π²ΡΡΠ»ΠΊΡ 2 ΠΈΠ· Π²Π΅ΡΡ Π½Π΅ΠΉ Π³ΠΎΠ»ΠΎΠ²ΠΊΠΈ ΡΠ°ΡΡΠ½Π°
— Π‘Π½ΠΈΠΌΠΈΡΠ΅ ΡΠ°ΡΡΠ½ Ρ ΡΠΈΡΠΊΠΎΠ²
— ΠΡΠΎΠΌΠΎΠΉΡΠ΅ Π΄Π΅ΡΠ°Π»ΠΈ ΠΊΠΎΠΌΠΏΡΠ΅ΡΡΠΎΡΠ° ΠΠ°ΠΌΠ°Π·-4310, 55111, 5320, 43118 Π² Π΄ΠΈΠ·Π΅Π»ΡΠ½ΠΎΠΌ ΡΠΎΠΏΠ»ΠΈΠ²Π΅, ΠΎΠ±Π΄ΡΠΉΡΠ΅ ΡΠΆΠ°ΡΡΠΌ Π²ΠΎΠ·Π΄ΡΡ ΠΎΠΌ ΠΈ ΠΏΡΠΎΠ²Π΅ΡΡΡΠ΅ ΠΈΡ ΡΠ΅Ρ Π½ΠΈΡΠ΅ΡΠΊΠΎΠ΅ ΡΠΎΡΡΠΎΡΠ½ΠΈΠ΅
Π’Π΅Ρ Π½ΠΈΡΠ΅ΡΠΊΠΈΠ΅ ΡΡΠ»ΠΎΠ²ΠΈΡ Π½Π° Π΄Π΅ΡΠ΅ΠΊΡΠ°ΡΠΈΡ ΠΈ ΡΠ΅ΠΌΠΎΠ½Ρ Π΄Π΅ΡΠ°Π»Π΅ΠΉ ΠΊΠΎΠΌΠΏΡΠ΅ΡΡΠΎΡΠ° ΠΠ°ΠΌΠ°Π·-4310, 55111, 5320, 43118
Π ΠΈΡ.6
ΠΠ»ΠΎΠΊ ΡΠΈΠ»ΠΈΠ½Π΄ΡΠΎΠ² ΠΊΠΎΠΌΠΏΡΠ΅ΡΡΠΎΡΠ° ΠΠ°ΠΌΠ°Π·-4310, 55111, 5320, 43118 (ΡΠΈΡ.6). ΠΠ΅ Π΄ΠΎΠΏΡΡΠΊΠ°ΡΡΡΡ:
β ΡΡΠ΅ΡΠΈΠ½Ρ, ΠΎΠ±Π»ΠΎΠΌΡ ΠΈ ΠΏΡΠΎΠ±ΠΎΠΈΠ½Ρ;
β Π·Π°Π΄ΠΈΡΡ ΠΈ ΡΠΈΡΠΊΠΈ Π½Π° Π²Π½ΡΡΡΠ΅Π½Π½Π΅ΠΉ ΠΏΠΎΠ²Π΅ΡΡ Π½ΠΎΡΡΠΈ Π ΡΠΈΠ»ΠΈΠ½Π΄ΡΠΎΠ²;
β Π΄ΠΈΠ°ΠΌΠ΅ΡΡ Π‘ ΠΏΠΎΠ΄ ΡΠ΅Π΄Π»ΠΎ Π²ΠΏΡΡΠΊΠ½ΠΎΠ³ΠΎ ΠΊΠ»Π°ΠΏΠ°Π½Π° Π±ΠΎΠ»Π΅Π΅ 17,027 ΠΌΠΌ;
β Π½Π΅ΠΏΠ»ΠΎΡΠΊΠΎΡΡΠ½ΠΎΡΡΡ ΠΏΡΠΈΠ²Π°Π» ΠΎΡΠ½ΡΡ ΠΏΠΎΠ²Π΅ΡΡ Π½ΠΎΡΡΠ΅ΠΉ Π ΠΏΠΎΠ΄ ΠΊΠ°ΡΡΠ΅Ρ ΠΈ Π³ΠΎΠ»ΠΎΠ²ΠΊΡ ΠΊΠΎΠΌΠΏΡΠ΅ΡΡΠΎΡΠ° Π±ΠΎΠ»Π΅Π΅ 0,1 ΠΌΠΌ.
ΠΡΠΈ ΠΈΠ·Π½ΠΎΡΠ΅ ΠΏΠΎΠ²Π΅ΡΡ Π½ΠΎΡΡΠΈ Π ΡΠΈΠ»ΠΈΠ½Π΄ΡΠΎΠ² ΠΏΠΎ Π΄ΠΈΠ°ΠΌΠ΅ΡΡΡ Π±ΠΎΠ»Π΅Π΅ ΡΠ΅ΠΌ Π½Π° 0,02 ΠΌΠΌ Π½Π΅ΠΎΠ±Ρ ΠΎΠ΄ΠΈΠΌΠ° ΡΠ°ΡΡΠΎΡΠΊΠ° ΡΠΈΠ»ΠΈΠ½Π΄ΡΠΎΠ² ΠΏΠΎΠ΄ ΡΠ΅ΠΌΠΎΠ½ΡΠ½ΡΠΉ ΡΠ°Π·ΠΌΠ΅Ρ ΠΈΠ»ΠΈ ΠΈΡ Π³ΠΈΠ»ΡΠ·ΠΎΠ²ΠΊΠ°.
ΠΠ°ΡΡΠ΅Ρ ΠΊΠΎΠΌΠΏΡΠ΅ΡΡΠΎΡΠ° ΠΠ°ΠΌΠ°Π·-4310, 55111, 5320, 43118 (ΡΠΈΡ.6). ΠΠ΅ Π΄ΠΎΠΏΡΡΠΊΠ°ΡΡΡΡ:
β ΡΡΠ΅ΡΠΈΠ½Ρ, ΠΎΠ±Π»ΠΎΠΌΡ ΠΈ ΠΏΡΠΎΠ±ΠΎΠΈΠ½Ρ;
β Π΄ΠΈΠ°ΠΌΠ΅ΡΡ Π ΠΏΠΎΠ΄ ΡΠ°ΡΠΈΠΊΠΎΠΏΠΎΠ΄ΡΠΈΠΏΠ½ΠΈΠΊΠΈ Π±ΠΎΠ»Π΅Π΅ 72,05 ΠΌΠΌ;
β Π½Π΅ΠΏΠ»ΠΎΡΠΊΠΎΡΡΠ½ΠΎΡΡΡ ΠΏΡΠΈΠ²Π°Π»ΠΎΡΠ½ΡΡ ΠΏΠΎΠ²Π΅ΡΡ Π½ΠΎΡΡΠ΅ΠΉ Π ΠΏΠΎΠ΄ Π±Π»ΠΎΠΊ ΡΠΈΠ»ΠΈΠ½Π΄ΡΠΎΠ², Π½ΠΈΠΆΠ½ΡΡ ΠΈ Π·Π°Π΄Π½ΡΡ ΠΊΡΡΡΠΊΠΈ ΠΊΠ°ΡΡΠ΅ΡΠ° Π±ΠΎΠ»Π΅Π΅ 0,1 ΠΌΠΌ.
ΠΠΎΠ»ΠΎΠ²ΠΊΠ° ΠΊΠΎΠΌΠΏΡΠ΅ΡΡΠΎΡΠ° ΠΠ°ΠΌΠ°Π·-4310, 55111, 5320, 43118 (ΡΠΈΡ.6). ΠΠ΅ Π΄ΠΎΠΏΡΡΠΊΠ°ΡΡΡΡ:
β ΡΡΠ΅ΡΠΈΠ½Ρ, ΠΎΠ±Π»ΠΎΠΌΡ, ΠΏΡΠΎΠ±ΠΎΠΈΠ½Ρ Π½ Π²ΠΌΡΡΠΈΠ½Ρ;
β Π½Π΅ΠΏΠ»ΠΎΡΠΊΠΎΡΡΠ½ΠΎΡΡΡ ΠΏΠΎΠ²Π΅ΡΡ Π½ΠΎΡΡΠΈ Π ΠΏΡΠΈΠ»Π΅Π³Π°Π½ΠΈΡ ΠΊ Π±Π»ΠΎΠΊΡ ΡΠΈΠ»ΠΈΠ½Π΄ΡΠΎΠ² Π±ΠΎΠ»Π΅Π΅ 0,1 ΠΌΠΌ;
β ΡΠΈΡΠΊΠΈ ΠΈ ΡΠ»Π΅Π΄Ρ Π²ΡΡΠ°Π±ΠΎΡΠΊΠΈ Π½Π° ΠΏΠΎΠ²Π΅ΡΡ Π½ΠΎΡΡΠΈ ΡΠ΅Π΄Π΅Π» Π½Π°Π³Π½Π΅ΡΠ°ΡΠ΅Π»ΡΠ½ΡΡ ΠΊΠ»Π°ΠΏΠ°Π½ΠΎΠ² β ΡΡΡΡΠ°Π½ΠΈΡΠ΅ ΠΏΡΠΈΡΠΈΡΠΊΠΎΠΉ ΠΈΠ»ΠΈ ΡΠ»ΠΈΡΠΎΠ²Π°Π½Π½ΠΎΠΌ;
β Π΄ΠΈΠ°ΠΌΠ΅ΡΡ ΠΎΡΠ²Π΅ΡΡΡΠΈΡ Π Π΄Π»Ρ ΡΡΡΠ°Π½ΠΎΠ²ΠΊΠΈ Π½Π°Π³Π½Π΅ΡΠ°ΡΠ΅Π»ΡΠ½ΠΎΠ³ΠΎ ΠΊΠ»Π°ΠΏΠ°Π½Π° Π±ΠΎΠ»Π΅Π΅ 28,8 ΠΌΠΌ.
Π ΠΈΡ.7
ΠΠΎΠ»Π΅Π½ΡΠ°ΡΡΠΉ Π²Π°Π» ΠΊΠΎΠΌΠΏΡΠ΅ΡΡΠΎΡΠ° ΠΠ°ΠΌΠ°Π·-4310, 55111, 5320, 43118 (ΡΠΈΡ.7). ΠΠ΅ Π΄ΠΎΠΏΡΡΠΊΠ°ΡΡΡΡ:
β ΡΡΠ΅ΡΠΈΠ½Ρ ΠΈ ΠΎΠ±Π»ΠΎΠΌΡ, ΠΏΠΎΠ²ΡΠ΅ΠΆΠ΄Π΅Π½ΠΈΡ Π³Π°Π»ΡΠ΅Π»Π΅ΠΉ D;
β Π·Π°Π΄ΠΈΡΡ ΠΈ ΡΠΈΡΠΊΠΈ Π½Π° ΡΠ°Π±ΠΎΡΠΈΡ ΠΏΠΎΠ²Π΅ΡΡ Π½ΠΎΡΡΡΡ Π²Π°Π»Π°;
β Π½Π΅ΡΠΈΠ»ΠΈΠ½Π΄ΡΠΈΡΠ½ΠΎΡΡΡ ΡΠ°ΡΡΠ½Π½ΡΡ ΡΠ΅Π΅ΠΊ Π Π±ΠΎΠ»Π΅Π΅ 0,012 ΠΌΠΌ;
β Π΄ΠΈΠ°ΠΌΠ΅ΡΡ Π‘ ΠΏΠΎΠ΄ ΡΠ°ΡΠΈΠΊΠΎΠΏΠΎΠ΄ΡΠΈΠΏΠ½ΠΈΠΊΠΈ ΠΈ Π·ΡΠ±ΡΠ°ΡΠΎΠ΅ ΠΊΠΎΠ»Π΅ΡΠΎ ΠΌΠ΅Π½Π΅Π΅ 35 ΠΌΠΌ;
β Π΄ΠΈΠ°ΠΌΠ΅ΡΡ Π ΠΏΠΎΠ΄ ΡΠΏΠ»ΠΎΡΠ½ΠΈΡΠ΅Π»Ρ Π±ΠΎΠ»Π΅Π΅ 25,05 ΠΌΠΌ;
β ΡΠΈΡΠΈΠ½Π° ΡΠΏΠΎΠ½ΠΎΡΠ½ΠΎΠ³ΠΎ ΠΏΠ°Π·Π° Π Π±ΠΎΠ»Π΅Π΅ 5,02 ΠΌΠΌ;
β ΠΈΠ·Π½ΠΎΡ ΡΠ°ΡΡΠ½Π½ΡΡ ΡΠ΅Π΅ΠΊ Π Π±ΠΎΠ»Π΅Π΅ ΡΠ΅ΠΌ Π½Π° 0,06 ΠΌΠΌ ΠΎΡ Π½ΠΎΠΌΠΈΠ½Π°Π»ΡΠ½ΠΎΠ³ΠΎ ΠΈΠ»ΠΈ ΡΠ΅ΠΌΠΎΠ½ΡΠ½ΠΎΠ³ΠΎ ΡΠ°Π·ΠΌΠ΅ΡΠ°
Π¨Π°ΡΡΠ½ ΠΊΠΎΠΌΠΏΡΠ΅ΡΡΠΎΡΠ° ΠΠ°ΠΌΠ°Π·-4310, 55111, 5320, 43118 (ΡΠΈΡ.7). ΠΠ΅ Π΄ΠΎΠΏΡΡΠΊΠ°ΡΡΡΡ:
β ΡΡΠ΅ΡΠΈΠ½Ρ ΠΈ ΠΎΠ±Π»ΠΎΠΌΡ;
β Π·Π°Π΄ΠΈΡΡ ΠΈ ΡΠΈΡΠΊΠΈ Π½Π° ΠΏΠΎΠ²Π΅ΡΡ Π½ΠΎΡΡΡΡ Π‘;
β Π½Π΅ΠΏΠ°ΡΠ°Π»Π»Π΅Π»ΡΠ½ΠΎΡΡΡ ΠΎΡΠ΅ΠΉ ΠΎΡΠ²Π΅ΡΡΡΠΈΠΉ Π²Π΅ΡΡ Π½Π΅ΠΉ ΠΈ Π½ΠΈΠΆΠ½Π΅ΠΉ Π³ΠΎΠ»ΠΎΠ²ΠΎΠΊ ΡΠ°ΡΡΠ½Π° (ΠΈΠ·Π³ΠΈΠ±) Π½Π° Π΄Π»ΠΈΠ½Π΅ 100 ΠΌΠΌ Π±ΠΎΠ»Π΅Π΅ 0,1 ΠΌΠΌ;
β ΠΏΠ΅ΡΠ΅ΠΊΠΎΡ ΠΎΡΠ΅ΠΉ ΠΎΡΠ²Π΅ΡΡΡΠΈΠΉ Π²Π΅ΡΡ Π½Π΅ΠΉ ΠΈ Π½ΠΈΠΆΠ½Π΅ΠΉ Π³ΠΎΠ»ΠΎΠ²ΠΎΠΊ ΡΠ°ΡΡΠ½Π° (ΡΠΊΡΡΡΠΈΠ²Π°Π½ΠΈΠ΅) Π½Π° Π΄Π»ΠΈΠ½Π΅ 100 ΠΌΠΌ Π±ΠΎΠ»Π΅Π΅ 0,15 ΠΌΠΌ;
β Π½Π΅ΠΏΠ΅ΡΠΏΠ΅Π½Π΄ΠΈΠΊΡΠ»ΡΡΠ½ΠΎΡΡΡ ΠΏΠΎΠ²Π΅ΡΡ Π½ΠΎΡΡΠ΅ΠΉ Π‘ ΠΎΡΠ½ΠΎΡΠΈΡΠ΅Π»ΡΠ½ΠΎ ΠΎΡΠΈ ΠΎΡΠ²Π΅ΡΡΡΠΈΡ Π½ΠΈΠΆΠ½Π΅ΠΉ Π³ΠΎΠ»ΠΎΠ²ΠΊΠΈ ΡΠ°ΡΡΠ½Π° Π½Π° Π΄Π»ΠΈΠ½Π΅ 100 ΠΌΠΌ Π±ΠΎΠ»Π΅Π΅ 0,15 ΠΌΠΌ;
β Π΄ΠΈΠ°ΠΌΠ΅ΡΡ Π Π½ΠΈΠΆΠ½Π΅ΠΉ Π³ΠΎΠ»ΠΎΠ²ΠΊΠΈ ΡΠ°ΡΡΠ½Π° Π±ΠΎΠ»Π΅Π΅ 3,02 ΠΌΠΌ;
β Π΄ΠΈΠ°ΠΌΠ΅ΡΡ Π Π²ΡΡΠ»ΠΊΠΈ Π²Π΅ΡΡ Π½Π΅ΠΉ Π³ΠΎΠ»ΠΎΠ²ΠΊΠΈ ΡΠ°ΡΡΠ½Π° Π±ΠΎΠ»Π΅Π΅ 12,507 ΠΌΠΌ. ΠΡΠΈ ΠΎΡΠ»Π°Π±Π»Π΅Π½ΠΈΠΈ ΠΏΠΎΡΠ°Π΄ΠΊΠΈ Π²ΡΡΠ»ΠΊΠΈ Π²Π΅ΡΡ Π½Π΅ΠΉ Π³ΠΎΠ»ΠΎΠ²ΠΊΠΈ ΡΠ°ΡΡΠ½Π° Π·Π°ΠΌΠ΅Π½ΠΈΡΠ΅ Π²ΡΡΠ»ΠΊΡ. ΠΡΠΈ Π·Π°ΠΌΠ΅Π½Π΅ Π²ΡΡΠ»ΠΊΠΈ ΠΏΡΠΎΡΠ²Π΅ΡΠ»ΠΈΡΠ΅ Π² Π½Π΅ΠΉ ΡΠΌΠ°Π·ΠΎΡΠ½ΠΎΠ΅ ΠΎΡΠ²Π΅ΡΡΡΠΈΠ΅ ΠΈ ΡΠ°Π·Π²Π΅ΡΠ½ΠΈΡΠ΅ ΠΏΠΎΠ΄ Π½ΠΎΠΌΠΈΠ½Π°Π»ΡΠ½ΡΠΉ ΡΠ°Π·ΠΌΠ΅Ρ.
Π¨Π°ΡΡΠ½Ρ ΡΠΎΡΡΠΈΡΡΠΉΡΠ΅ Π½Π° Π³ΡΡΠΏΠΏΡ ΡΠ΅ΡΠ΅Π· 0,003 ΠΌΠΌ ΠΏΠΎ ΠΌΠ΅Π½ΡΡΠ΅ΠΌΡ Π΄ΠΈΠ°ΠΌΠ΅ΡΡΡ ΠΎΡΠ²Π΅ΡΡΡΠΈΡ

Π ΠΈΡ.8
ΠΡΠΎΠ±ΠΊΠ° Π½Π°Π³Π½Π΅ΡΠ°ΡΠ΅Π»ΡΠ½ΠΎΠ³ΠΎ ΠΊΠ»Π°ΠΏΠ°Π½Π° (ΡΠΈΡ.8). ΠΠ΅ Π΄ΠΎΠΏΡΡΠΊΠ°Π΅ΡΡΡ Π²ΡΡΠΎΡΠ° 1 ΠΏΡΠΎΠ±ΠΊΠΈ ΠΌΠ΅Π½Π΅Π΅ 31,5 ΠΌΠΌ.
ΠΡΡΡΠΊΠ° ΠΊΠ°ΡΡΠ΅ΡΠ° ΠΊΠΎΠΌΠΏΡΠ΅ΡΡΠΎΡΠ° ΠΠ°ΠΌΠ°Π·-4310, 55111, 5320, 43118 Π·Π°Π΄Π½ΡΡ. ΠΠ΅ Π΄ΠΎΠΏΡΡΠΊΠ°Π΅ΡΡΡ:
β Π½Π΅ΠΏΠ»ΠΎΡΠΊΠΎΡΡΠ½ΠΎΡΡΡ ΡΠΎΡΡΠΎΠ²ΠΎΠΉ ΠΏΠΎΠ²Π΅ΡΡ Π½ΠΎΡΡΠΈ ΠΊΡΡΡΠΊΠΈ, ΠΏΡΠΈΠ»Π΅Π³Π°ΡΡΠ΅ΠΉ ΠΊ ΠΊΠ°ΡΡΠ΅ΡΡ ΠΊΠΎΠΌΠΏΡΠ΅ΡΡΠΎΡΠ°, Π±ΠΎΠ»Π΅Π΅ 0,15 ΠΌΠΌ;
β ΡΡΠ΅ΡΠΈΠ½Ρ ΠΈΠ»ΠΈ ΠΎΠ±Π»ΠΎΠΌΡ ΠΊΡΡΡΠΊΠΈ, ΠΊΡΠΎΠΌΠ΅ ΡΡΠΊΠΎΠ². Π’ΡΠ΅ΡΠΈΠ½Ρ ΠΈ ΠΎΠ±Π»ΠΎΠΌΡ ΡΡΠΊΠΎΠ² ΠΊΡΡΡΠΊΠΈ Π·Π°Π²Π°ΡΠΈΡΠ΅, Π° ΡΠ²Π°ΡΠ½ΡΠ΅ ΡΠ²Ρ Π·Π°ΡΠΈΡΡΠΈΡΠ΅.
Π£ΠΏΠ»ΠΎΡΠ½ΠΈΡΠ΅Π»Ρ (ΡΠΈΡ.8). ΠΠ΅ Π΄ΠΎΠΏΡΡΠΊΠ°ΡΡΡΡ:
β ΡΡΠ΅ΡΠΈΠ½Ρ;
β Π·Π°Π±ΠΎΠΈΠ½Ρ, ΡΠΈΡΠΊΠΈ Π½Π° ΡΠΎΡΡΠ΅ Π;
β Π΄ΠΈΠ°ΠΌΠ΅ΡΡ Π ΠΌΠ΅Π½Π΅Π΅ 24,94 ΠΌΠΌ.
ΠΡΠ±ΡΠ°ΡΠΎΠ΅ ΠΊΠΎΠ»Π΅ΡΠΎ ΠΏΡΠΈΠ²ΠΎΠ΄Π° ΠΊΠΎΠΌΠΏΡΠ΅ΡΡΠΎΡΠ° (ΡΠΈΡ.8). ΠΠ΅ Π΄ΠΎΠΏΡΡΠΊΠ°Π΅ΡΡΡ:
β ΡΠΎΠ»ΡΠΈΠ½Π° Π Π·ΡΠ±Π° ΠΏΠΎ Ρ ΠΎΡΠ΄Π΅ Π΄Π΅Π»ΠΈΡΠ΅Π»ΡΠ½ΠΎΠΉ ΠΎΠΊΡΡΠΆΠ½ΠΎΡΡΠΈ ΠΌΠ΅Π½Π΅Π΅ 4,2 ΠΌΠΌ;
β ΡΠΈΡΠΈΠ½Π° Π ΡΠΏΠΎΠ½ΠΎΡΠ½ΠΎΠ³ΠΎ ΠΏΠ°Π·Π° Π±ΠΎΠ»Π΅Π΅ 5,15 ΠΌΠΌ.
ΠΠΎΡΡΠ΅Π½Ρ ΠΊΠΎΠΌΠΏΡΠ΅ΡΡΠΎΡΠ° ΠΠ°ΠΌΠ°Π·-4310, 55111, 5320, 43118 (ΡΠΈΡ.8). ΠΠ΅ Π΄ΠΎΠΏΡΡΠΊΠ°ΡΡΡΡ:
β Π·Π°Π±ΠΎΠΈΠ½Ρ, Π·Π°Π΄ΠΈΡΡ ΠΈ ΡΠΈΡΠΊΠΈ Π½Π° ΡΠ°Π±ΠΎΡΠ΅ΠΉ ΠΏΠΎΠ²Π΅ΡΡ Π½ΠΎΡΡΠΈ ΠΏΠΎΡΡΠ½Ρ;
β ΠΈΠ·Π½ΠΎΡ Π΄ΠΈΠ°ΠΌΠ΅ΡΡΠΎΠ² Π ΠΈ Π‘ ΠΏΠΎΡΡΠ½Ρ Π±ΠΎΠ»Π΅Π΅ ΡΠ΅ΠΌ Π½Π° 0,015 ΠΌΠΌ ΠΎΡ Π½ΠΎΠΌΠΈΠ½Π°Π»ΡΠ½ΠΎΠ³ΠΎ ΠΈΠ»ΠΈ ΡΠ΅ΠΌΠΎΠ½ΡΠ½ΠΎΠ³ΠΎ ΡΠ°Π·ΠΌΠ΅ΡΠΎΠ² ΠΏΠΎΡΡΠ½Ρ. ΠΠ°ΡΠΊΠΈΡΠΎΠ²ΠΊΠ° ΠΏΠΎΡΡΠ½Π΅ΠΉ ΡΠ΅ΠΌΠΎΠ½ΡΠ½ΠΎΠ³ΠΎ ΡΠ°Π·ΠΌΠ΅ΡΠ° Π½Π°Π½Π΅ΡΠ΅Π½Π° Π½Π° Π½Π°ΡΡΠΆΠ½ΠΎΠΉ ΠΏΠΎΠ²Π΅ΡΡ Π½ΠΎΡΡΠΈ Π΄Π½ΠΈΡΠ°;
β Π΄ΠΈΠ°ΠΌΠ΅ΡΡ Π ΠΎΡΠ²Π΅ΡΡΡΠΈΡ Π² Π±ΠΎΠ±ΡΡΠΊΠ΅ ΠΏΠΎΡΡΠ½Ρ ΠΏΠΎΠ΄ ΠΏΠ°Π»Π΅Ρ Π±ΠΎΠ»Π΅Π΅ 2,5 ΠΌΠΌ.
Π‘Π±ΠΎΡΠΊΠ° ΠΊΠΎΠΌΠΏΡΠ΅ΡΡΠΎΡΠ° ΠΠ°ΠΌΠ°Π·-4310, 55111, 5320, 43118
— Π£ΡΡΠ°Π½ΠΎΠ²ΠΈΡΠ΅ ΡΠ°ΡΡΠ½ 8 (ΡΠΌ. ΡΠΈΡ.5) Π² ΡΠΈΡΠΊΠΈ
— ΠΠ°ΠΏΡΠ΅ΡΡΡΠΉΡΠ΅ Π² Π²Π΅ΡΡ Π½ΡΡ Π³ΠΎΠ»ΠΎΠ²ΠΊΡ ΡΠ°ΡΡΠ½Π° Π²ΡΡΠ»ΠΊΡ 2.
— Π‘Π½ΠΈΠΌΠΈΡΠ΅ ΡΠ°ΡΡΠ½ Ρ ΡΠΈΡΠΊΠΎΠ²
— ΠΠΎΠ΄Π±Π΅ΡΠΈΡΠ΅ ΠΏΠΎ Π³ΡΡΠΏΠΏΠ°ΠΌ ΠΏΠΎΡΡΠ½Π΅Π²ΡΠ΅ ΠΏΠ°Π»ΡΡΡ 4 ΠΊ ΠΏΠΎΡΡΠ½ΡΠΌ 6 ΠΈ ΡΠ°ΡΡΠ½Π°ΠΌ Ρ Π·Π°ΠΏΡΠ΅ΡΡΠΎΠ²Π°Π½Π½ΡΠΌΠΈ Π²ΡΡΠ»ΠΊΠ°ΠΌΠΈ
— Π£ΡΡΠ°Π½ΠΎΠ²ΠΈΡΠ΅ ΡΠ°ΡΡΠ½ 8 Π² ΠΏΠΎΡΡΠ΅Π½Ρ 6 ΠΈ Π² ΡΠΎΠ²ΠΌΠ΅ΡΠ΅Π½Π½ΡΠ΅ ΠΎΡΠ²Π΅ΡΡΡΠΈΡ Π²Π΅ΡΡ Π½Π΅ΠΉ Π³ΠΎΠ»ΠΎΠ²ΠΊΠΈ ΡΠ°ΡΡΠ½Π° ΠΈ Π±ΠΎΠ±ΡΡΠΊΠΈ ΠΏΠΎΡΡΠ½Ρ Π·Π°ΠΏΡΠ΅ΡΡΡΠΉΡΠ΅ ΠΏΠΎΠ΄ΠΎΠ±ΡΠ°Π½Π½ΡΠΉ Π² ΡΠΎΠΎΡΠ²Π΅ΡΡΡΠ²ΠΈΠΈ Ρ ΠΏΠ΅ΡΠ΅Ρ ΠΎΠ΄ΠΎΠΌ 33 ΠΏΠΎΡΡΠ½Π΅Π²ΠΎΠΉ ΠΏΠ°Π»Π΅Ρ 4, ΠΏΡΠ΅Π΄Π²Π°ΡΠΈΡΠ΅Π»ΡΠ½ΠΎ ΡΠΌΠ°Π·Π°Π² Π΅Π³ΠΎ ΠΌΠΎΡΠΎΡΠ½ΡΠΌ ΠΌΠ°ΡΠ»ΠΎΠΌ
— Π£ΡΡΠ°Π½ΠΎΠ²ΠΈΡΠ΅ ΡΠ°ΡΡΠ½ Π² ΡΠ±ΠΎΡΠ΅ Ρ ΠΏΠΎΡΡΠ½Π΅ΠΌ Π½ΠΈΠΆΠ½Π΅ΠΉ Π³ΠΎΠ»ΠΎΠ²ΠΊΠΎΠΉ Π² ΡΠΈΡΠΊΠΈ
— Π£ΡΡΠ°Π½ΠΎΠ²ΠΈΡΠ΅ Π½Π° ΠΏΠΎΡΡΠ΅Π½Ρ 6 ΠΏΠΎΠ΄ΠΎΠ±ΡΠ°Π½Π½ΡΠ΅ ΡΠΎΠ³Π»Π°ΡΠ½ΠΎ ΠΏ. 5 ΠΌΠ°ΡΠ»ΠΎΡΡΠ΅ΠΌΠ½ΡΠ΅ ΠΊΠΎΠ»ΡΡΠ° 5, 7 ΠΈ ΡΠΏΠΎΡΠ½ΡΠ΅ ΠΊΠΎΠ»ΡΡΠ° 3 ΠΏΠΎΡΡΠ½Π΅Π²ΠΎΠ³ΠΎ ΠΏΠ°Π»ΡΡΠ° 4
— Π‘Π½ΠΈΠΌΠΈΡΠ΅ ΡΠ°ΡΡΠ½ Π² ΡΠ±ΠΎΡΠ΅ Ρ ΠΏΠΎΡΡΠ½Π΅ΠΌ ΡΠΈΡΠΊΠΎΠ²
— Π£ΡΡΠ°Π½ΠΎΠ²ΠΈΡΠ΅ Π³ΠΎΠ»ΠΎΠ²ΠΊΡ 7 (ΡΠΌ. ΡΠΈΡ.4) ΠΊΠΎΠΌΠΏΡΠ΅ΡΡΠΎΡΠ° ΠΠ°ΠΌΠ°Π·-4310, 55111, 5320, 43118 Π² ΡΠΈΡΠΊΠΈ
— Π£ΡΡΠ°Π½ΠΎΠ²ΠΈΡΠ΅ Π² Π³ΠΎΠ»ΠΎΠ²ΠΊΡ 7 ΠΏΡΠΎΠΊΠ»Π°Π΄ΠΊΠΈ 6 ΡΠ΅Π΄Π΅Π» Π½Π°Π³Π½Π΅ΡΠ°ΡΠ΅Π»ΡΠ½ΡΡ ΠΊΠ»Π°ΠΏΠ°Π½ΠΎΠ², Π²Π²Π΅ΡΠ½ΠΈΡΠ΅ ΡΠ΅Π΄Π»Π° 5 ΠΊΠ»Π°ΠΏΠ°Π½ΠΎΠ², Π½Π°Π³Π½Π΅ΡΠ°ΡΠ΅Π»ΡΠ½ΡΠ΅ ΠΊΠ»Π°ΠΏΠ°Π½Ρ 4, ΠΏΡΡΠΆΠΈΠ½Ρ 3 ΠΊΠ»Π°ΠΏΠ°Π½ΠΎΠ², ΠΏΡΠΎΠΊΠ»Π°Π΄ΠΊΠΈ 2 ΠΏΡΠΎΠ±ΠΎΠΊ. ΠΠ²Π΅ΡΠ½ΠΈΡΠ΅ ΠΏΡΠΎΠ±ΠΊΠΈ 1 Π½Π°Π³Π½Π΅ΡΠ°ΡΠ΅Π»ΡΠ½ΡΡ ΠΊΠ»Π°ΠΏΠ°Π½ΠΎΠ²
— Π‘Π½ΠΈΠΌΠΈΡΠ΅ Π³ΠΎΠ»ΠΎΠ²ΠΊΡ 7 Ρ ΡΠΈΡΠΊΠΎΠ²
— ΠΠ°ΠΏΡΠ΅ΡΡΡΠΉΡΠ΅ Π² ΠΊΠ°ΡΡΠ΅Ρ 5 (ΡΠΌ. ΡΠΈΡ.3) ΠΊΠΎΠΌΠΏΡΠ΅ΡΡΠΎΡΠ° ΠΠ°ΠΌΠ°Π·-4310, 55111, 5320, 43118 ΠΊΠΎΠ»Π΅Π½ΡΠ°ΡΡΠΉ Π²Π°Π» 6 Ρ ΠΏΠΎΠ΄ΡΠΈΠΏΠ½ΠΈΠΊΠ°ΠΌΠΈ, ΡΡΡΠ°Π½ΠΎΠ²ΠΈΡΠ΅ ΡΠΏΠΎΡΠ½ΠΎΠ΅ ΠΊΠΎΠ»ΡΡΠΎ 36
— Π£ΡΡΠ°Π½ΠΎΠ²ΠΈΡΠ΅ Π² ΠΏΠ°Π· ΠΊΠΎΠ»Π΅Π½ΡΠ°ΡΠΎΠ³ΠΎ Π²Π°Π»Π° 6 ΡΠΏΠΎΠ½ΠΊΡ 12, Π½Π°Π΄Π΅Π½ΡΡΠ΅ Π½Π° Π²Π°Π» Π·ΡΠ±ΡΠ°ΡΠΎΠ΅ ΠΊΠΎΠ»Π΅ΡΠΎ 35 ΠΏΡΠΈΠ²ΠΎΠ΄Π° ΠΈ Π·Π°ΠΌΠΊΠΎΠ²ΡΡ ΡΠ°ΠΉΠ±Ρ 31. ΠΠ°Π²Π΅ΡΠ½ΠΈΡΠ΅ Π³Π°ΠΉΠΊΡ 30 ΠΈ Π²Π΄Π°Π²ΠΈΡΠ΅ ΠΊΡΠ°Ρ Π·Π°ΠΌΠΊΠΎΠ²ΠΎΠΉ ΡΠ°ΠΉΠ±Ρ 31 Π² ΠΏΠ°Π·Ρ Π³Π°ΠΉΠΊΠΈ 30 ΠΊΡΠ΅ΠΏΠ»Π΅Π½ΠΈΡ Π·ΡΠ±ΡΠ°ΡΠΎΠ³ΠΎ ΠΊΠΎΠ»Π΅ΡΠ°
— Π£ΡΡΠ°Π½ΠΎΠ²ΠΈΡΠ΅ Π² ΠΊΠΎΠ»Π΅Π½ΡΠ°ΡΡΠΉ Π²Π°Π» ΠΏΡΡΠΆΠΈΠ½Ρ 34 ΡΠΏΠ»ΠΎΡΠ½ΠΈΡΠ΅Π»Ρ, ΡΠΏΠ»ΠΎΡΠ½ΠΈΡΠ΅Π»Ρ 33 ΠΈ ΡΠΏΠΎΡΠ½ΠΎΠ΅ ΠΊΠΎΠ»ΡΡΠΎ 32.
— Π£ΡΡΠ°Π½ΠΎΠ²ΠΈΡΠ΅ ΠΊΠ°ΡΡΠ΅Ρ 5 ΠΊΠΎΠΌΠΏΡΠ΅ΡΡΠΎΡΠ° ΠΠ°ΠΌΠ°Π·-4310, 55111, 5320, 43118 Π½Π° ΡΡΠ΅Π½Π΄
— Π£ΡΡΠ°Π½ΠΎΠ²ΠΈΡΠ΅ Π½Π° ΠΊΠ°ΡΡΠ΅Ρ Π·Π°Π΄Π½ΡΡ ΠΊΡΡΡΠΊΡ 9 Ρ ΠΏΡΠΎΠΊΠ»Π°Π΄ΠΊΠΎΠΉ 8. ΠΠ²Π΅ΡΠ½ΠΈΡΠ΅ Π±ΠΎΠ»ΡΡ 11 Ρ ΠΏΡΡΠΆΠΈΠ½Π½ΡΠΌΠΈ ΡΠ°ΠΉΠ±Π°ΠΌΠΈ 10
— Π£ΡΡΠ°Π½ΠΎΠ²ΠΈΡΠ΅ Π±Π»ΠΎΠΊ 15 ΡΠΈΠ»ΠΈΠ½Π΄ΡΠΎΠ² Π½Π° ΠΊΠ°ΡΡΠ΅Ρ 5 Ρ ΠΏΠ»Π°ΡΡΠΈΠ½Π°ΠΌΠΈ 24 ΠΎΡΡΠ°ΠΆΠ°ΡΠ΅Π»Ρ, Π½Π°Π²Π΅ΡΠ½ΠΈΡΠ΅ Π³Π°ΠΉΠΊΠΈ 14 Ρ ΠΏΡΡΠΆΠΈΠ½Π½ΡΠΌΠΈ ΡΠ°ΠΉΠ±Π°ΠΌΠΈ 13
— ΠΠΎΠ²Π΅ΡΠ½ΠΈΡΠ΅ Π±Π»ΠΎΠΊ ΡΠΈΠ»ΠΈΠ½Π΄ΡΠΎΠ² Ρ ΠΊΠ°ΡΡΠ΅ΡΠΎΠΌ Π² ΡΠ±ΠΎΡΠ΅ Π½Π° ΡΡΠ΅Π½Π΄Π΅ ΠΊΠ°ΡΡΠ΅ΡΠΎΠΌ Π²Π²Π΅ΡΡ
— ΠΡΠΎΠ΄ΡΠΉΡΠ΅ ΡΠΆΠ°ΡΡΠΌ Π²ΠΎΠ·Π΄ΡΡ ΠΎΠΌ ΡΠΈΠ»ΠΈΠ½Π΄ΡΡ Π±Π»ΠΎΠΊΠ° ΠΈ ΡΠ°ΡΡΠ½Π½ΡΠ΅ ΡΠ΅ΠΉΠΊΠΈ ΠΊΠΎΠ»Π΅Π½ΡΠ°ΡΠΎΠ³ΠΎ Π²Π°Π»Π°
— Π£ΡΡΠ°Π½ΠΎΠ²ΠΈΡΠ΅ Π½Π° ΡΠ°ΡΡΠ½ ΠΈ Π² ΠΊΡΡΡΠΊΡ 29 ΡΠ°ΡΡΠ½Π° Π²ΠΊΠ»Π°Π΄ΡΡΠΈ 28 ΠΎΠ΄Π½ΠΎΠ³ΠΎ ΡΠ΅ΠΌΠΎΠ½ΡΠ½ΠΎΠ³ΠΎ ΡΠ°Π·ΠΌΠ΅ΡΠ° Ρ ΡΠ΅ΠΉΠΊΠ°ΠΌΠΈ ΠΊΠΎΠ»Π΅Π½ΡΠ°ΡΠΎΠ³ΠΎ Π²Π°Π»Π°
— Π£ΡΡΠ°Π½ΠΎΠ²ΠΈΡΠ΅ ΠΏΠΎΡΡΠ΅Π½Ρ 23 Ρ ΡΠ°ΡΡΠ½ΠΎΠΌ Π² ΡΠ±ΠΎΡΠ΅ Π² ΡΠΈΠ»ΠΈΠ½Π΄Ρ.
— Π£ΡΡΠ°Π½ΠΎΠ²ΠΈΡΠ΅ ΠΊΡΡΡΠΊΡ 29 Π² ΡΠ±ΠΎΡΠ΅ Ρ Π²ΠΊΠ»Π°Π΄ΡΡΠ΅ΠΌ Π½Π° ΡΠ΅ΠΉΠΊΡ ΠΊΠΎΠ»Π΅Π½ΡΠ°ΡΠΎΠ³ΠΎ Π²Π°Π»Π°, ΠΏΡΠ΅Π΄Π²Π°ΡΠΈΡΠ΅Π»ΡΠ½ΠΎ ΡΠΌΠ°Π·Π°Π² Π²ΠΊΠ»Π°Π΄ΡΡ ΠΌΠΎΡΠΎΡΠ½ΡΠΌ ΠΌΠ°ΡΠ»ΠΎΠΌ
— ΠΠ°Π²Π΅ΡΠ½ΠΈΡΠ΅ Π³Π°ΠΉΠΊΠΈ 26 Ρ ΠΌΠΎΠΌΠ΅Π½ΡΠΎΠΌ 15,5β17,5 ΠΠΌ (1,6β1,8 ΠΊΠ³/ΡΠΌ), ΡΡΡΠ°Π½ΠΎΠ²ΠΈΡΠ΅ ΡΠΏΠ»ΠΈΠ½ΡΡ 27
— Π£ΡΡΠ°Π½ΠΎΠ²ΠΈΡΠ΅ Π½Π° ΠΊΠ°ΡΡΠ΅Ρ 5 ΠΊΠΎΠΌΠΏΡΠ΅ΡΡΠΎΡΠ° ΠΠ°ΠΌΠ°Π·-4310, 55111, 5320, 43118 Π½ΠΈΠΆΠ½ΡΡ ΠΊΡΡΡΠΊΡ 2 Ρ ΠΏΡΠΎΠΊΠ»Π°Π΄ΠΊΠΎΠΉ 1 ΠΈ Π²Π²Π΅ΡΠ½ΠΈΡΠ΅ Π±ΠΎΠ»ΡΡ 4 ΠΊΡΠ΅ΠΏΠ»Π΅Π½ΠΈΡ Ρ ΠΏΡΡΠΆΠΈΠ½Π½ΡΠΌΠΈ ΡΠ°ΠΉΠ±Π°ΠΌΠΈ 3.
— ΠΠ°ΠΏΡΠ΅ΡΡΡΠΉΡΠ΅ Π² Π±Π»ΠΎΠΊ 15 ΡΠΈΠ»ΠΈΠ½Π΄ΡΠΎΠ² ΡΠ΅Π΄Π»Π° 16 Π²ΠΏΡΡΠΊΠ½ΡΡ ΠΊΠ»Π°ΠΏΠ°Π½ΠΎΠ², ΡΡΡΠ°Π½ΠΎΠ²ΠΈΡΠ΅ Π½Π°ΠΏΡΠ°Π²Π»ΡΡΡΠΈΠ΅ 17 ΠΊΠ»Π°ΠΏΠ°Π½ΠΎΠ², Π²ΠΏΡΡΠΊΠ½ΡΠ΅ ΠΊΠ»Π°ΠΏΠ°Π½Ρ 18
— Π£ΡΡΠ°Π½ΠΎΠ²ΠΈΡΠ΅ Π½Π° Π±Π»ΠΎΠΊ 15 ΡΠΈΠ»ΠΈΠ½Π΄ΡΠΎΠ² Π³ΠΎΠ»ΠΎΠ²ΠΊΡ 20 ΠΊΠΎΠΌΠΏΡΠ΅ΡΡΠΎΡΠ° ΠΠ°ΠΌΠ°Π·-4310, 55111, 5320, 43118 Π² ΡΠ±ΠΎΡΠ΅ Ρ Π½Π°Π³Π½Π΅ΡΠ°ΡΠ΅Π»ΡΠ½ΡΠΌΠΈ ΠΊΠ»Π°ΠΏΠ°Π½Π°ΠΌΠΈ, ΠΏΡΠΎΠΊΠ»Π°Π΄ΠΊΡ 22 Π³ΠΎΠ»ΠΎΠ²ΠΊΠΈ, ΠΏΡΡΠΆΠΈΠ½Ρ 19 Π²ΠΏΡΡΠΊΠ½ΡΡ ΠΊΠ»Π°ΠΏΠ°Π½ΠΎΠ²
— ΠΠ°Π²Π΅ΡΠ½ΠΈΡΠ΅ Π½Π° ΡΠΏΠΈΠ»ΡΠΊΠΈ Π³Π°ΠΉΠΊΠΈ 21 ΠΊΡΠ΅ΠΏΠ»Π΅Π½ΠΈΡ Π³ΠΎΠ»ΠΎΠ²ΠΊΠΈ ΠΈ Π·Π°ΡΡΠ½ΠΈΡΠ΅ ΠΈΡ .
_______________________________________________________________________________________
_______________________________________________________________________________________
_______________________________________________________________________________________
_______________________________________________________________________________________
_______________________________________________________________________________________
_______________________________________________________________________________________
_______________________________________________________________________________________
_______________________________________________________________________________________
_______________________________________________________________________________________
specautotex.ru
| ΠΡΠΈΡΠΈΠ½Π° Π½Π΅ΠΈΡΠΏΡΠ°Π²Π½ΠΎΡΡΠΈ | ΠΠ΅ΡΠΎΠ΄ ΡΡΡΡΠ°Π½Π΅Π½ΠΈΡ | |
| 1. Π Π΅ΡΠΈΠ²Π΅ΡΡ ΠΏΠ½Π΅Π²ΠΌΠΎΡΠΈΡΡΠ΅ΠΌΡ Π½Π΅ Π·Π°ΠΏΠΎΠ»Π½ΡΡΡΡΡ ΠΈΠ»ΠΈ Π·Π°ΠΏΠΎΠ»Π½ΡΡΡΡΡ ΠΌΠ΅Π΄Π»Π΅Π½Π½ΠΎ (ΡΠ΅Π³ΡΠ»ΡΡΠΎΡ Π΄Π°Π²Π»Π΅Π½ΠΈΡ ΡΡΠ°Π±Π°ΡΡΠ²Π°Π΅Ρ) | ||
| ΠΠΎΠ²ΡΠ΅ΠΆΠ΄Π΅Π½ΠΈΠ΅ ΡΠ»Π°Π½Π³ΠΎΠ² ΠΈ ΡΡΡΠ±ΠΎΠΏΡΠΎΠ²ΠΎΠ΄ΠΎΠ² | ΠΠ°ΠΌΠ΅Π½ΠΈΡΠ΅ ΡΠ»Π°Π½Π³ΠΈ ΠΈ ΡΡΡΠ±ΠΎΠΏΡΠΎΠ²ΠΎΠ΄Ρ | |
| ΠΡΠ»Π°Π±Π»Π΅Π½ΠΈΠ΅ Π·Π°ΡΡΠΆΠΊΠΈ ΠΌΠ΅ΡΡ ΡΠΎΠ΅Π΄ΠΈΠ½Π΅Π½ΠΈΠΉ ΡΡΡΠ±ΠΎΠΏΡΠΎΠ²ΠΎΠ΄ΠΎΠ², ΡΠ»Π°Π½Π³ΠΎΠ², ΡΠΎΠ΅Π΄ΠΈΠ½ΠΈΡΠ΅Π»ΡΠ½ΠΎΠΉ ΠΈ ΠΏΠ΅ΡΠ΅Ρ ΠΎΠ΄Π½ΠΎΠΉ Π°ΡΠΌΠ°ΡΡΡΡ | ΠΠΎΠ΄ΡΡΠ½ΠΈΡΠ΅ ΠΌΠ΅ΡΡΠ° ΡΠΎΠ΅Π΄ΠΈΠ½Π΅Π½ΠΈΠΉ, Π·Π°ΠΌΠ΅Π½ΠΈΡΠ΅ Π½Π΅ΠΈΡΠΏΡΠ°Π²Π½ΡΠ΅ Π΄Π΅ΡΠ°Π»ΠΈ ΡΠΎΠ΅Π΄ΠΈΠ½Π΅Π½ΠΈΠΉ ΠΈ ΡΠΏΠ»ΠΎΡΠ½Π΅Π½ΠΈΠΉ | |
| ΠΡΠ»Π°Π±Π»Π΅Π½ΠΈΠ΅ Π·Π°ΡΡΠΆΠΊΠΈ ΠΊΠΎΡΠΏΡΡΠ½ΡΡ Π΄Π΅ΡΠ°Π»Π΅ΠΉ Π°ΠΏΠΏΠ°ΡΠ°ΡΠΎΠ² | ΠΠΎΠ΄ΡΡΠ½ΠΈΡΠ΅ ΠΊΡΠ΅ΠΏΠ»Π΅Π½ΠΈΠ΅ ΠΊΠΎΡΠΏΡΡΠ½ΡΡ Π΄Π΅ΡΠ°Π»Π΅ΠΉ | |
| ΠΠ΅ΠΈΡΠΏΡΠ°Π²Π½ΠΎΡΡΡ Π°ΠΏΠΏΠ°ΡΠ°ΡΠΎΠ² | ΠΠ°ΠΌΠ΅Π½ΠΈΡΠ΅ Π°ΠΏΠΏΠ°ΡΠ°Ρ | |
| ΠΠ°ΡΡΡΠ΅Π½ΠΈΠ΅ Π³Π΅ΡΠΌΠ΅ΡΠΈΡΠ½ΠΎΡΡΠΈ ΡΠ΅ΡΠΈΠ²Π΅ΡΠ° | ΠΠ°ΠΌΠ΅Π½ΠΈΡΠ΅ ΡΠ΅ΡΠΈΠ²Π΅Ρ | |
| 2. Π§Π°ΡΡΠΎ ΡΡΠ°Π±Π°ΡΡΠ²Π°Π΅Ρ ΡΠ΅Π³ΡΠ»ΡΡΠΎΡ Π΄Π°Π²Π»Π΅Π½ΠΈΡ ΠΏΡΠΈ Π·Π°ΠΏΠΎΠ»Π½Π΅Π½Π½ΡΡ ΡΠ΅ΡΠΈΠ²Π΅ΡΠ°Ρ ΠΏΠ½Π΅Π²ΠΌΠΎΡΠΈΡΡΠ΅ΠΌΡ | ||
| Π£ΡΠ΅ΡΠΊΠ° ΡΠΆΠ°ΡΠΎΠ³ΠΎ Π²ΠΎΠ·Π΄ΡΡ Π° Π² ΠΌΠ°Π³ΠΈΡΡΡΠ°Π»ΠΈ ΠΎΡ ΠΊΠΎΠΌΠΏΡΠ΅ΡΡΠΎΡΠ° Π΄ΠΎ 4-Ρ ΠΊΠΎΠ½ΡΡΡΠ½ΠΎΠ³ΠΎ Π·Π°ΡΠΈΡΠ½ΠΎΠ³ΠΎ ΠΊΠ»Π°ΠΏΠ°Π½Π° | Π£ΡΡΡΠ°Π½ΠΈΡΠ΅ ΡΡΠ΅ΡΠΊΡ ΡΠΏΠΎΡΠΎΠ±Π°ΠΌΠΈ, ΡΠΊΠ°Π·Π°Π½Π½ΡΠΌΠΈ Π² ΠΏ.1 | |
| 3. Π Π΅ΡΠΈΠ²Π΅ΡΡ ΠΏΠ½Π΅Π²ΠΌΠΎΡΠΈΡΡΠ΅ΠΌΡ Π½Π΅ Π·Π°ΠΏΠΎΠ»Π½ΡΡΡΡΡΒ (ΡΠ΅Π³ΡΠ»ΡΡΠΎΡ Π΄Π°Π²Π»Π΅Π½ΠΈΡ ΡΡΠ°Π±Π°ΡΡΠ²Π°Π΅Ρ) | ||
| ΠΠ΅ΠΏΡΠ°Π²ΠΈΠ»ΡΠ½Π°Ρ ΠΎΡΡΠ΅Π³ΡΠ»ΠΈΡΠΎΠ²Π°Π½ ΡΠ΅Π³ΡΠ»ΡΡΠΎΡ Π΄Π°Π²Π»Π΅Π½ΠΈΡ | ΠΡΡΠ΅Π³ΡΠ»ΠΈΡΡΠΉΡΠ΅ ΡΠ΅Π³ΡΠ»ΡΡΠΎΡ Π΄Π°Π²Π»Π΅Π½ΠΈΡ ΡΠ΅Π³ΡΠ»ΠΈΡΠΎΠ²ΠΎΡΠ½ΡΠΌ Π²ΠΈΠ½ΡΠΎΠΌ, ΠΏΡΠΈ Π½Π΅ΠΎΠ±Ρ ΠΎΠ΄ΠΈΠΌΠΎΡΡΠΈ Π·Π°ΠΌΠ΅Π½ΠΈΡΠ΅ ΡΠ΅Π³ΡΠ»ΡΡΠΎΡ Π΄Π°Π²Π»Π΅Π½ΠΈΡ | |
| ΠΠ°ΡΠΎΡΠ΅Π½Ρ ΡΡΡΠ±ΠΎΠΏΡΠΎΠ²ΠΎΠ΄Ρ Π½Π° ΡΡΠ°ΡΡΠΊΠ΅ ΠΎΡ ΡΠ΅Π³ΡΠ»ΡΡΠΎΡΠ° Π΄Π°Π²Π»Π΅Π½ΠΈΡ Π΄ΠΎ Π±Π»ΠΎΠΊΠ° Π·Π°ΡΠΈΡΠ½ΡΡ ΠΊΠ»Π°ΠΏΠ°Π½ΠΎΠ² | ΠΡΠΌΠΎΡΡΠΈΡΠ΅ ΡΡΡΠ±ΠΎΠΏΡΠΎΠ²ΠΎΠ΄Ρ. ΠΡΠΈ Π½Π΅ΠΎΠ±Ρ ΠΎΠ΄ΠΈΠΌΠΎΡΡΠΈ ΡΠ½ΠΈΠΌΠΈΡΠ΅ ΠΈ ΠΏΡΠΎΠ΄ΡΠΉΡΠ΅. ΠΡΠ»ΠΈ ΡΡΡΠ±ΠΎΠΏΡΠΎΠ²ΠΎΠ΄ Π½Π΅ΠΏΡΠ°Π²ΠΈΠ»ΡΠ½ΠΎ ΠΈΠ·ΠΎΠ³Π½ΡΡ (Π΅ΡΡΡ ΠΈΠ·Π»ΠΎΠΌ), Π·Π°ΠΌΠ΅Π½ΠΈΡΠ΅ Π΅Π³ΠΎ | |
| 4. ΠΠ΅ Π·Π°ΠΏΠΎΠ»Π½ΡΡΡΡΡ ΡΠ΅ΡΠΈΠ²Π΅ΡΡ ΠΊΠΎΠ½ΡΡΡΠ° III | ||
| ΠΠ΅ΠΈΡΠΏΡΠ°Π²Π΅Π½ Π΄Π²ΠΎΠΉΠ½ΠΎΠΉ Π·Π°ΡΠΈΡΠ½ΡΠΉ ΠΊΠ»Π°ΠΏΠ°Π½ | ΠΠ°ΠΌΠ΅Π½ΠΈΡΠ΅ Π½Π΅ΠΈΡΠΏΡΠ°Π²Π½ΡΠΉ ΠΊΠ»Π°ΠΏΠ°Π½ | |
| ΠΠ°ΡΠΎΡΠ΅Π½Ρ ΠΏΠΈΡΠ°ΡΡΠΈΠ΅ ΡΡΡΠ±ΠΎΠΏΡΠΎΠ²ΠΎΠ΄Ρ | ΠΡΠΎΠ΄ΡΠΉΡΠ΅ ΡΡΡΠ±ΠΎΠΏΡΠΎΠ²ΠΎΠ΄ | |
| ΠΠ΅ΡΠΎΡΠΌΠ°ΡΠΈΡ ΠΊΠΎΡΠΏΡΡΠ° Π΄Π²ΠΎΠΉΠ½ΠΎΠ³ΠΎ Π·Π°ΡΠΈΡΠ½ΠΎΠ³ΠΎ ΠΊΠ»Π°ΠΏΠ°Π½Π° ΠΈΠ·-Π·Π° ΠΏΠ΅ΡΠ΅ΡΡΠΆΠΊΠΈ ΠΊΡΠ΅ΠΏΠ»Π΅Π½ΠΈΡ ΠΊΠ»Π°ΠΏΠ°Π½Π° ΠΊ Π»ΠΎΠ½ΠΆΠ΅ΡΠΎΠ½Ρ ΡΠ°ΠΌΡ | ΠΠ±Π΅ΡΠΏΠ΅ΡΡΡΠ΅ ΡΠ°Π²Π½ΠΎΠΌΠ΅ΡΠ½ΡΡ Π·Π°ΡΡΠΆΠΊΡ Π±ΠΎΠ»ΡΠΎΠ² ΠΊΡΠ΅ΠΏΠ»Π΅Π½ΠΈΡ Π΄Π²ΠΎΠΉΠ½ΠΎΠ³ΠΎ Π·Π°ΡΠΈΡΠ½ΠΎΠ³ΠΎ ΠΊΠ»Π°ΠΏΠ°Π½Π° ΠΊ Π»ΠΎΠ½ΠΆΠ΅ΡΠΎΠ½Ρ | |
| 5. ΠΠ΅ Π·Π°ΠΏΠΎΠ»Π½ΡΡΡΡΡ ΡΠ΅ΡΠΈΠ²Π΅ΡΡ I ΠΈ II ΠΊΠΎΠ½ΡΡΡΠΎΠ² | ||
| ΠΠ΅ΠΈΡΠΏΡΠ°Π²Π΅Π½ 4-Ρ ΠΊΠΎΠ½ΡΡΡΠ½ΡΠΉ Π·Π°ΡΠΈΡΠ½ΡΠΉ ΠΊΠ»Π°ΠΏΠ°Π½ | ΠΠ°ΠΌΠ΅Π½ΠΈΡΠ΅ Π½Π΅ΠΈΡΠΏΡΠ°Π²Π½ΡΠΉ ΠΊΠ»Π°ΠΏΠ°Π½ | |
| ΠΠ°ΡΠΎΡΠ΅Π½Ρ ΠΏΠΈΡΠ°ΡΡΠΈΠ΅ ΡΡΡΠ±ΠΎΠΏΡΠΎΠ²ΠΎΠ΄Ρ | ΠΡΠΎΠ΄ΡΠΉΡΠ΅ ΡΡΡΠ±ΠΎΠΏΡΠΎΠ²ΠΎΠ΄Ρ | |
| 6. ΠΠ΅ Π·Π°ΠΏΠΎΠ»Π½ΡΡΡΡΡ ΡΠ΅ΡΠΈΠ²Π΅ΡΡ ΠΏΡΠΈΡΠ΅ΠΏΠ° (ΠΏΠΎΠ»ΡΠΏΡΠΈΡΠ΅ΠΏΠ°) | ||
| ΠΠ΅ΠΈΡΠΏΡΠ°Π²Π½ΠΎΡΡΡ Π°ΠΏΠΏΠ°ΡΠ°ΡΠΎΠ² ΡΠΏΡΠ°Π²Π»Π΅Π½ΠΈΡ ΡΠΎΡΠΌΠΎΠ·Π½ΡΠΌΠΈ ΠΌΠ΅Ρ Π°Π½ΠΈΠ·ΠΌΠ°ΠΌΠΈ, ΡΠ°ΡΠΏΠΎΠ»ΠΎΠΆΠ΅Π½Π½ΡΠΌΠΈ Π½Π° ΡΡΠ³Π°ΡΠ°Ρ , ΠΈ ΡΠΎΡΠΌΠΎΠ·Π½ΡΡ ΠΌΠ΅Ρ Π°Π½ΠΈΠ·ΠΌΠ°Ρ ΠΏΡΠΈΡΠ΅ΠΏΠ° (ΠΏΠΎΠ»ΡΠΏΡΠΈΡΠ΅ΠΏΠ°) | ΠΠ°ΠΌΠ΅Π½ΠΈΡΠ΅ Π½Π΅ΠΈΡΠΏΡΠ°Π²Π½ΡΠ΅ Π°ΠΏΠΏΠ°ΡΠ°ΡΡ | |
| ΠΠ°ΡΠΎΡΠ΅Π½Ρ ΠΏΠΈΡΠ°ΡΡΠΈΠ΅ ΡΡΡΠ±ΠΎΠΏΡΠΎΠ²ΠΎΠ΄Ρ | ΠΡΠΎΠ΄ΡΠΉΡΠ΅ Π·Π°ΡΠΎΡΠ΅Π½Π½ΡΠ΅ ΡΡΡΠ±ΠΎΠΏΡΠΎΠ²ΠΎΠ΄Ρ. ΠΡΠΈ Π½Π΅ΠΎΠ±Ρ ΠΎΠ΄ΠΈΠΌΠΎΡΡΠΈ Π·Π°ΠΌΠ΅Π½ΠΈΡΠ΅. | |
| 7. ΠΠ°Π²Π»Π΅Π½ΠΈΠ΅ Π² ΡΠ΅ΡΠΈΠ²Π΅ΡΠ°Ρ I ΠΈ II ΠΊΠΎΠ½ΡΡΡΠΎΠ² Π²ΡΡΠ΅ ΠΈΠ»ΠΈ Π½ΠΈΠΆΠ΅ Π½ΠΎΡΠΌΡ ΠΏΡΠΈ ΡΠ°Π±ΠΎΡΠ°ΡΡΠ΅ΠΌ ΡΠ΅Π³ΡΠ»ΡΡΠΎΡΠ΅ Π΄Π°Π²Π»Π΅Π½ΠΈΡ | ||
| ΠΠ΅ΠΈΡΠΏΡΠ°Π²Π΅Π½ Π΄Π²ΡΡ ΡΡΡΠ΅Π»ΠΎΡΠ½ΡΠΉ ΠΌΠ°Π½ΠΎΠΌΠ΅ΡΡ | ΠΠ°ΠΌΠ΅Π½ΠΈΡΠ΅ Π΄Π²ΡΡ ΡΡΡΠ΅Π»ΠΎΡΠ½ΡΠΉ ΠΌΠ°Π½ΠΎΠΌΠ΅ΡΡ | |
| ΠΠ°ΡΡΡΠ΅Π½Π° ΡΠ΅Π³ΡΠ»ΠΈΡΠΎΠ²ΠΊΠ° ΡΠ΅Π³ΡΠ»ΡΡΠΎΡΠ° Π΄Π°Π²Π»Π΅Π½ΠΈΡ | ΠΡΡΠ΅Π³ΡΠ»ΠΈΡΡΠΉΡΠ΅ ΡΠ΅Π³ΡΠ»ΡΡΠΎΡ Π΄Π°Π²Π»Π΅Π½ΠΈΡ ΡΠ΅Π³ΡΠ»ΠΈΡΠΎΠ²ΠΎΡΠ½ΡΠΌ Π²ΠΈΠ½ΡΠΎΠΌ. ΠΡΠΈ Π½Π΅ΠΎΠ±Ρ ΠΎΠ΄ΠΈΠΌΠΎΡΡΠΈ Π·Π°ΠΌΠ΅Π½ΠΈΡΠ΅ ΡΠ΅Π³ΡΠ»ΡΡΠΎΡ Π΄Π°Π²Π»Π΅Π½ΠΈΡ | |
| 8. ΠΠ΅ΡΡΡΠ΅ΠΊΡΠΈΠ²Π½ΠΎΠ΅ ΡΠΎΡΠΌΠΎΠΆΠ΅Π½ΠΈΠ΅ ΠΈΠ»ΠΈ ΠΎΡΡΡΡΡΡΠ²ΠΈΠ΅ ΡΠΎΡΠΌΠΎΠΆΠ΅Π½ΠΈΡ Π°Π²ΡΠΎΠΌΠΎΠ±ΠΈΠ»Ρ ΡΠ°Π±ΠΎΡΠ΅ΠΉ ΡΠΎΡΠΌΠΎΠ·Π½ΠΎΠΉ ΡΠΈΡΡΠ΅ΠΌΠΎΠΉ ΠΏΡΠΈ ΠΏΠΎΠ»Π½ΠΎΡΡΡΡ Π½Π°ΠΆΠ°ΡΠΎΠΉ ΡΠΎΡΠΌΠΎΠ·Π½ΠΎΠΉ ΠΏΠ΅Π΄Π°Π»ΠΈ | ||
| ΠΠ½Π°ΡΠΈΡΠ΅Π»ΡΠ½Π°Ρ ΡΡΠ΅ΡΠΊΠ° ΡΠΆΠ°ΡΠΎΠ³ΠΎ Π²ΠΎΠ·Π΄ΡΡ Π° Π² ΠΌΠ°Π³ΠΈΡΡΡΠ°Π»ΡΡ Β I ΠΈ II ΠΊΠΎΠ½ΡΡΡΠΎΠ² Π½Π° ΡΡΠ°ΡΡΠΊΠ΅ Π·Π° ΡΠΎΡΠΌΠΎΠ·Π½ΡΠΌ ΠΊΡΠ°Π½ΠΎΠΌ | Π£ΡΡΡΠ°Π½ΠΈΡΠ΅ ΡΡΠ΅ΡΠΊΡ ΡΠΏΠΎΡΠΎΠ±Π°ΠΌΠΈ, ΡΠΊΠ°Π·Π°Π½Π½ΡΠΌΠΈ Π² ΠΏ.1 | |
| ΠΠ°ΡΡΡΠ΅Π½Π° ΡΠ΅Π³ΡΠ»ΠΈΡΠΎΠ²ΠΊΠ° ΠΏΡΠΈΠ²ΠΎΠ΄Π° ΡΠΎΡΠΌΠΎΠ·Π½ΠΎΠ³ΠΎ ΠΊΡΠ°Π½Π° | ΠΡΡΠ΅Π³ΡΠ»ΠΈΡΡΠΉΡΠ΅ ΠΏΡΠΈΠ²ΠΎΠ΄ ΡΠΎΡΠΌΠΎΠ·Π½ΠΎΠ³ΠΎ ΠΊΡΠ°Π½Π° | |
| ΠΠ΅ΠΏΡΠ°Π²ΠΈΠ»ΡΠ½Π°Ρ ΡΡΡΠ°Π½ΠΎΠ²ΠΊΠ° ΠΏΡΠΈΠ²ΠΎΠ΄Π° ΡΠ΅Π³ΡΠ»ΡΡΠΎΡΠ° ΡΠΎΡΠΌΠΎΠ·Π½ΡΡ ΡΠΈΠ» | ΠΡΡΠ΅Π³ΡΠ»ΠΈΡΡΠΉΡΠ΅ ΡΡΡΠ°Π½ΠΎΠ²ΠΊΡ ΠΏΡΠΈΠ²ΠΎΠ΄Π° ΡΠ΅Π³ΡΠ»ΡΡΠΎΡΠ° ΡΠΎΡΠΌΠΎΠ·Π½ΡΡ ΡΠΈΠ» ΠΈΠ»ΠΈ Π·Π°ΠΌΠ΅Π½ΠΈΡΠ΅ ΡΠ΅Π³ΡΠ»ΡΡΠΎΡ ΡΠΎΡΠΌΠΎΠ·Π½ΡΡ ΡΠΈΠ» | |
| ΠΠ΅ΠΈΡΠΏΡΠ°Π²Π΅Π½ ΠΊΠ»Π°ΠΏΠ°Π½ ΠΎΠ³ΡΠ°Π½ΠΈΡΠ΅Π½ΠΈΡ Π΄Π°Π²Π»Π΅Π½ΠΈΡ | ΠΠ°ΠΌΠ΅Π½ΠΈΡΠ΅ ΠΊΠ»Π°ΠΏΠ°Π½ ΠΎΠ³ΡΠ°Π½ΠΈΡΠ΅Π½ΠΈΡ Π΄Π°Π²Π»Π΅Π½ΠΈΡ | |
| Π₯ΠΎΠ΄ ΡΡΠΎΠΊΠΎΠ² ΡΠΎΡΠΌΠΎΠ·Π½ΡΡ ΠΊΠ°ΠΌΠ΅Ρ ΠΏΡΠ΅Π²ΡΡΠ°Π΅Ρ ΡΡΡΠ°Π½ΠΎΠ²Π»Π΅Π½Π½ΡΡ Π²Π΅Π»ΠΈΡΠΈΠ½Ρ (40ΠΌΠΌ) | ΠΡΡΠ΅Π³ΡΠ»ΠΈΡΡΠΉΡΠ΅ Ρ ΠΎΠ΄ ΡΡΠΎΠΊΠΎΠ² | |
| 9. ΠΠ΅ΡΡΡΠ΅ΠΊΡΠΈΠ²Π½ΠΎΠ΅ ΡΠΎΡΠΌΠΎΠΆΠ΅Π½ΠΈΠ΅ ΠΈΠ»ΠΈ ΠΎΡΡΡΡΡΡΠ²ΠΈΠ΅ ΡΠΎΡΠΌΠΎΠΆΠ΅Π½ΠΈΡ Π°Π²ΡΠΎΠΌΠΎΠ±ΠΈΠ»Ρ ΡΡΠΎΡΠ½ΠΎΡΠ½ΠΎΠΉ, Π·Π°ΠΏΠ°ΡΠ½ΠΎΠΉΒ ΡΠΎΡΠΌΠΎΠ·Π½ΠΎΠΉ ΡΠΈΡΡΠ΅ΠΌΠ°ΠΌΠΈ ΠΏΡΠΈ ΠΏΡΠΎΠ²Π΅Π΄Π΅Π½Π½ΠΎΠΌ Π² Π΄Π΅ΠΉΡΡΠ²ΠΈΠ΅ ΠΊΡΠ°Π½Π΅ ΡΠΏΡΠ°Π²Π»Π΅Π½ΠΈΡ ΡΡΠΎΡΠ½ΠΎΡΠ½ΠΎΠΉ ΡΠΎΡΠΌΠΎΠ·Π½ΠΎΠΉ ΡΠΈΡΡΠ΅ΠΌΠΎΠΉ | ||
| ΠΠ΅ΠΈΡΠΏΡΠ°Π²Π΅Π½ ΡΡΠΊΠΎΡΠΈΡΠ΅Π»ΡΠ½ΡΠΉ ΠΊΠ»Π°ΠΏΠ°Π½, ΠΊΡΠ°Π½ ΡΠΏΡΠ°Π²Π»Π΅Π½ΠΈΡ ΡΡΠΎΡΠ½ΠΎΡΠ½ΠΎΠΉ ΡΠΎΡΠΌΠΎΠ·Π½ΠΎΠΉ ΡΠΈΡΡΠ΅ΠΌΠΎΠΉ, ΠΊΡΠ°Π½ Π°Π²Π°ΡΠΈΠΉΠ½ΠΎΠ³ΠΎ ΡΠ°ΡΡΠΎΡΠΌΠ°ΠΆΠΈΠ²Π°Π½ΠΈΡ | ΠΠ°ΠΌΠ΅Π½ΠΈΡΠ΅ Π½Π΅ΠΈΡΠΏΡΠ°Π²Π½ΡΠΉ ΡΠΎΡΠΌΠΎΠ·Π½ΠΎΠΉ Π°ΠΏΠΏΠ°ΡΠ°Ρ | |
| ΠΠ°ΡΠΎΡΠ΅Π½Ρ ΡΡΡΠ±ΠΎΠΏΡΠΎΠ²ΠΎΠ΄Ρ ΠΈΠ»ΠΈ ΡΡΠ°Π½Π³ΠΈ III ΠΊΠΎΠ½ΡΡΡΠ° | ΠΡΠΈΡΡΠΈΡΠ΅ ΡΡΡΠ±ΠΎΠΏΡΠΎΠ²ΠΎΠ΄Ρ ΠΈ ΠΏΡΠΎΠ΄ΡΠΉΡΠ΅ ΠΈΡ ΡΠΆΠ°ΡΡΠΌ Π²ΠΎΠ·Π΄ΡΡ ΠΎΠΌ. ΠΡΠΈ Π½Π΅ΠΎΠ±Ρ ΠΎΠ΄ΠΈΠΌΠΎΡΡΠΈ Π·Π°ΠΌΠ΅Π½ΠΈΡΠ΅ ΠΈΡΠΏΡΠ°Π²Π½ΡΠΌΠΈ | |
| ΠΠ΅ΠΈΡΠΏΡΠ°Π²Π½Ρ ΠΏΡΡΠΆΠΈΠ½Π½ΡΠ΅ ΡΠ½Π΅ΡΠ³ΠΎΠ°ΠΊΠΊΡΠΌΡΠ»ΡΡΠΎΡΡ | ΠΠ°ΠΌΠ΅Π½ΠΈΡΠ΅ Π½Π΅ΠΈΡΠΏΡΠ°Π²Π½ΡΠ΅ ΡΠΎΡΠΌΠΎΠ·Π½ΡΠ΅ ΠΊΠ°ΠΌΠ΅ΡΡ Ρ ΠΏΡΡΠΆΠΈΠ½Π½ΡΠΌΠΈ ΡΠ½Π΅ΡΠ³ΠΎΠ°ΠΊΠΊΡΠΌΡΠ»ΡΡΠΎΡΠ°ΠΌΠΈ | |
| Π₯ΠΎΠ΄ ΡΡΠΎΠΊΠΎΠ² ΡΠΎΡΠΌΠΎΠ·Π½ΡΡ ΠΊΠ°ΠΌΠ΅Ρ ΠΏΡΠ΅Π²ΡΡΠ°Π΅Ρ ΡΡΡΠ°Π½ΠΎΠ²Π»Π΅Π½Π½ΡΡ Π²Π΅Π»ΠΈΡΠΈΠ½Ρ | ΠΡΡΠ΅Π³ΡΠ»ΠΈΡΡΠΉΡΠ΅ Ρ ΠΎΠ΄ ΡΡΠΎΠΊΠΎΠ² | |
| 10. ΠΡΠΈ ΡΡΡΠ°Π½ΠΎΠ²ΠΊΠ΅ ΡΡΠΊΠΎΡΡΠΊΠΈ ΠΊΡΠ°Π½Π° ΡΠΏΡΠ°Π²Π»Π΅Π½ΠΈΡ ΡΡΠΎΡΠ½ΠΎΡΠ½ΠΎΠΉ ΡΠΎΡΠΌΠΎΠ·Π½ΠΎΠΉ ΡΠΈΡΡΠ΅ΠΌΠΎΠΉ Π² Π³ΠΎΡΠΈΠ·ΠΎΠ½ΡΠ°Π»ΡΠ½ΠΎΠ΅ ΠΏΠΎΠ»ΠΎΠΆΠ΅Π½ΠΈΠ΅ Π°Π²ΡΠΎΠΌΠΎΠ±ΠΈΠ»Ρ Π½Π΅ ΡΠ°ΡΡΠΎΡΠΌΠ°ΠΆΠΈΠ²Π°Π΅ΡΡΡ | ||
| Π£ΡΠ΅ΡΠΊΠ° Π²ΠΎΠ·Π΄ΡΡ Π° ΠΈΠ· III ΠΊΠΎΠ½ΡΡΡΠ°, ΠΈΠ· Π°ΡΠΌΠΎΡΡΠ΅ΡΠ½ΠΎΠ³ΠΎ Π²ΡΠ²ΠΎΠ΄Π° ΡΡΠΊΠΎΡΠΈΡΠ΅Π»ΡΠ½ΠΎΠ³ΠΎ ΠΊΠ»Π°ΠΏΠ°Π½Π° | Π£ΡΡΡΠ°Π½ΠΈΡΠ΅ ΡΡΠ΅ΡΠΊΡ ΡΠΏΠΎΡΠΎΠ±Π°ΠΌΠΈ, ΡΠΊΠ°Π·Π°Π½Π½ΡΠΌΠΈ Π² ΠΏ.1 | |
| 11. ΠΡΠΈ Π΄Π²ΠΈΠΆΠ΅Π½ΠΈΠΈ Π°Π²ΡΠΎΠΌΠΎΠ±ΠΈΠ»Ρ ΠΏΡΠΎΠΈΡΡ ΠΎΠ΄ΠΈΡ ΠΏΠΎΠ΄ΡΠΎΡΠΌΠ°ΠΆΠΈΠ²Π°Π½ΠΈΠ΅ Π·Π°Π΄Π½Π΅ΠΉ ΡΠ΅Π»Π΅ΠΆΠΊΠΈ Π±Π΅Π· ΠΏΡΠΈΠ²Π΅Π΄Π΅Π½ΠΈΡ Π² Π΄Π΅ΠΉΡΡΠ²ΠΈΠ΅ ΡΠΎΡΠΌΠΎΠ·Π½ΠΎΠΉ ΠΏΠ΅Π΄Π°Π»ΠΈ ΠΈ ΠΊΡΠ°Π½Π° ΡΠΏΡΠ°Π²Π»Π΅Π½ΠΈΡ ΡΡΠΎΡΠ½ΠΎΡΠ½ΠΎΠΉ ΡΠΎΡΠΌΠΎΠ·Π½ΠΎΠΉ ΡΠΈΡΡΠ΅ΠΌΠΎΠΉ | ||
| ΠΠ΅ΠΈΡΠΏΡΠ°Π²Π΅Π½ Π΄Π²ΡΡ ΡΠ΅ΠΊΡΠΈΠΎΠ½Π½ΡΠΉ ΡΠΎΡΠΌΠΎΠ·Π½ΠΎΠΉ ΠΊΡΠ°Π½. ΠΠ΅ΠΏΡΠ°Π²ΠΈΠ»ΡΠ½ΠΎ ΠΎΡΡΠ΅Π³ΡΠ»ΠΈΡΠΎΠ²Π°Π½ ΠΏΡΠΈΠ²ΠΎΠ΄ ΡΠΎΡΠΌΠΎΠ·Π½ΠΎΠ³ΠΎ ΠΊΡΠ°Π½Π° | ΠΠ°ΠΌΠ΅Π½ΠΈΡΠ΅ ΠΊΡΠ°Π½. ΠΡΡΠ΅Π³ΡΠ»ΠΈΡΡΠΉΡΠ΅ ΠΏΡΠΈΠ²ΠΎΠ΄ ΡΠΎΡΠΌΠΎΠ·Π½ΠΎΠ³ΠΎ ΠΊΡΠ°Π½Π° | |
| ΠΠ°ΡΡΡΠ΅Π½ΠΎ ΡΠΏΠ»ΠΎΡΠ½Π΅Π½ΠΈΠ΅ ΠΌΠ΅ΠΆΠ΄Ρ ΠΏΠΎΠ»Π½ΠΎΡΡΡΡ ΠΏΡΡΠΆΠΈΠ½Π½ΠΎΠ³ΠΎ ΡΠ½Π΅ΡΠ³ΠΎΠ°ΠΊΠΊΡΠΌΡΠ»ΡΡΠΎΡΠ° ΠΈ ΡΠ°Π±ΠΎΡΠ΅ΠΉ ΠΊΠ°ΠΌΠ΅ΡΠΎΠΉ | ΠΠ°ΠΌΠ΅Π½ΠΈΡΠ΅ ΡΠΎΡΠΌΠΎΠ·Π½ΡΡ ΠΊΠ°ΠΌΠ΅ΡΡ Ρ ΠΏΡΡΠΆΠΈΠ½Π½ΡΠΌ ΡΠ½Π΅ΡΠ³ΠΎΠ°ΠΊΠΊΡΠΌΡΠ»ΡΡΠΎΡΠΎΠΌ | |
| 12. ΠΠ΅ΡΡΡΠ΅ΠΊΡΠΈΠ²Π½ΠΎΠ΅ ΡΠΎΡΠΌΠΎΠΆΠ΅Π½ΠΈΠ΅ ΠΏΡΠΈΡΠ΅ΠΏΠ° (ΠΏΠΎΠ»ΡΠΏΡΠΈΡΠ΅ΠΏΠ°) ΠΈΠ»ΠΈ ΠΎΡΡΡΡΡΡΠ²ΠΈΠ΅ ΡΠΎΡΠΌΠΎΠΆΠ΅Π½ΠΈΡ ΠΏΡΠΈ Π½Π°ΠΆΠ°ΡΠΎΠΉ ΡΠΎΡΠΌΠΎΠ·Π½ΠΎΠΉ ΠΏΠ΅Π΄Π°Π»ΠΈ ΠΈΠ»ΠΈ Π²ΠΊΠ»ΡΡΠ΅Π½Π½ΠΎΠΌ ΠΊΡΠ°Π½Π΅ ΡΠΏΡΠ°Π²Π»Π΅Π½ΠΈΡ ΡΡΠΎΡΠ½ΠΎΡΠ½ΠΎΠΉ ΡΠΎΡΠΌΠΎΠ·Π½ΠΎΠΉ ΡΠΈΡΡΠ΅ΠΌΠΎΠΉ | ||
| Π£ΡΠ΅ΡΠΊΠ° ΡΠΆΠ°ΡΠΎΠ³ΠΎ Π²ΠΎΠ·Π΄ΡΡ Π° | Π£ΡΡΡΠ°Π½ΠΈΡΡ ΡΠΏΠΎΡΠΎΠ±Π°ΠΌΠΈ, ΡΠΊΠ°Π·Π°Π½Π½ΡΠΌΠΈ Π² ΠΏ.1 | |
| ΠΠ΅ΠΈΡΠΏΡΠ°Π²Π½Ρ ΡΠ»Π΅Π΄ΡΡΡΠΈΠ΅ Π°ΠΏΠΏΠ°ΡΠ°ΡΡ ΠΏΡΠΈΠ²ΠΎΠ΄Π°: ΠΎΠ΄ΠΈΠ½Π°ΡΠ½ΡΠΉ Π·Π°ΡΠΈΡΠ½ΡΠΉ ΠΊΠ»Π°ΠΏΠ°Π½, ΠΊΠ»Π°ΠΏΠ°Π½ ΡΠΏΡΠ°Π²Π»Π΅Π½ΠΈΡ ΡΠΎΡΠΌΠΎΠ·Π½ΡΠΌΠΈ ΠΌΠ΅Ρ Π°Π½ΠΈΠ·ΠΌΠ°ΠΌΠΈ ΠΏΡΠΈΡΠ΅ΠΏΠ° ΠΏΠΎ ΠΎΠ΄Π½ΠΎΠΏΡΠΎΠ²ΠΎΠ΄Π½ΠΎΠΌΡ ΠΏΡΠΈΠ²ΠΎΠ΄Ρ, ΠΊΠ»Π°ΠΏΠ°Π½ ΡΠΏΡΠ°Π²Π»Π΅Π½ΠΈΡ ΡΠΎΡΠΌΠΎΠ·Π½ΡΠΌΠΈ ΠΌΠ΅Ρ Π°Π½ΠΈΠ·ΠΌΠ°ΠΌΠΈ ΠΏΡΠΈΡΠ΅ΠΏΠ° ΠΏΠΎ Π΄Π²ΡΡ ΠΏΡΠΎΠ²ΠΎΠ΄Π½ΠΎΠΌΡ ΠΏΡΠΈΠ²ΠΎΠ΄Ρ, ΡΠ°Π·ΠΎΠ±ΡΠΈΡΠ΅Π»ΡΠ½ΡΠ΅ ΠΊΡΠ°Π½Ρ, ΡΠΎΠ΅Π΄ΠΈΠ½ΠΈΡΠ΅Π»ΡΠ½ΡΠ΅ Π³ΠΎΠ»ΠΎΠ²ΠΊΠΈ | ΠΠ°ΠΌΠ΅Π½ΠΈΡΡ Π½Π΅ΠΈΡΠΏΡΠ°Π²Π½ΡΠ΅ Π°ΠΏΠΏΠ°ΡΠ°ΡΡ | |
| ΠΠ°ΡΡΡΠ΅Π½Π° ΡΡΡΠ°Π½ΠΎΠ²ΠΊΠ° ΠΏΡΠΈΠ²ΠΎΠ΄Π° ΡΠ΅Π³ΡΠ»ΡΡΠΎΡΠ° ΡΠΎΡΠΌΠΎΠ·Π½ΡΡ ΡΠΈΠ» ΠΏΠΎΠ»ΡΠΏΡΠΈΡΠ΅ΠΏΠ° (ΠΏΡΠΈΡΠ΅ΠΏΠ°) | ΠΡΡΠ΅Π³ΡΠ»ΠΈΡΡΠΉΡΠ΅ ΡΡΡΠ°Π½ΠΎΠ²ΠΊΡ ΡΠ΅Π³ΡΠ»ΡΡΠΎΡΠ° ΡΠΎΡΠΌΠΎΠ·Π½ΡΡ ΡΠΈΠ». ΠΠ΅ΠΈΡΠΏΡΠ°Π²Π΅Π½ ΡΠ΅Π³ΡΠ»ΡΡΠΎΡ ΡΠΎΡΠΌΠΎΠ·Π½ΡΡ ΡΠΈΠ» Π·Π°ΠΌΠ΅Π½ΠΈΡΠ΅ | |
| ΠΡΠ΅Π²ΡΡΠ΅Π½Π° Π΄ΠΎΠΏΡΡΡΠΈΠΌΠΎΠΉ Π²Π΅Π»ΠΈΡΠΈΠ½Ρ Ρ ΠΎΠ΄Π° ΡΡΠΎΠΊΠΎΠ² ΡΠΎΡΠΌΠΎΠ·Π½ΡΡ ΠΊΠ°ΠΌΠ΅Ρ ΠΏΡΠΈΡΠ΅ΠΏΠ° (ΠΏΠΎΠ»ΡΠΏΡΠΈΡΠ΅ΠΏΠ°) | ΠΡΡΠ΅Π³ΡΠ»ΠΈΡΡΠΉΡΠ΅ Ρ ΠΎΠ΄ ΡΡΠΎΠΊΠΎΠ² ΡΠΎΡΠΌΠΎΠ·Π½ΡΡ ΠΊΠ°ΠΌΠ΅Ρ | |
| Π Π°Π·ΡΡΠ² ΠΌΠ΅ΠΌΠ±ΡΠ°Π½Ρ ΡΠΎΡΠΌΠΎΠ·Π½ΠΎΠΉ ΠΊΠ°ΠΌΠ΅ΡΡ | ΠΠ°ΠΌΠ΅Π½ΠΈΡΠ΅ ΠΌΠ΅ΠΌΠ±ΡΠ°Π½Ρ | |
| 13. ΠΡΡΡΡΡΡΠ²ΠΈΠ΅ ΡΠΎΡΠΌΠΎΠΆΠ΅Π½ΠΈΡ Π°Π²ΡΠΎΠΏΠΎΠ΅Π·Π΄Π° ΠΏΡΠΈ Π²ΠΊΠ»ΡΡΠ΅Π½ΠΈΠ΅ Π²ΡΠΏΠΎΠΌΠΎΠ³Π°ΡΠ΅Π»ΡΠ½ΠΎΠΉ ΡΠΎΡΠΌΠΎΠ·Π½ΠΎΠΉ ΡΠΈΡΡΠ΅ΠΌΡ | ||
| ΠΠ΅ΠΈΡΠΏΡΠ°Π²Π½ΠΎΡΡΡ ΠΏΠ½Π΅Π²ΠΌΠ°ΡΠΈΡΠ΅ΡΠΊΠΎΠ³ΠΎ ΠΊΡΠ°Π½Π° Π²ΠΊΠ»ΡΡΠ΅Π½ΠΈΡ Π²ΡΠΏΠΎΠΌΠΎΠ³Π°ΡΠ΅Π»ΡΠ½ΠΎΠΉ ΡΠΎΡΠΌΠΎΠ·Π½ΠΎΠΉ ΡΠΈΡΡΠ΅ΠΌΡ, ΠΏΠ½Π΅Π²ΠΌΠΎΡΠΈΠ»ΠΈΠ½Π΄ΡΠΎΠ² ΠΏΡΠΈΠ²ΠΎΠ΄Π° Π·Π°ΡΠ»ΠΎΠ½ΠΎΠΊ Π²ΡΠΏΠΎΠΌΠΎΠ³Π°ΡΠ΅Π»ΡΠ½ΠΎΠΉ ΡΠΎΡΠΌΠΎΠ·Π½ΠΎΠΉ ΡΠΈΡΡΠ΅ΠΌΡ, ΡΠΈΠ»ΠΈΠ½Π΄ΡΠ° Π²ΠΊΠ»ΡΡΠ΅Π½ΠΈΡ ΠΏΠΎΠ΄Π°ΡΠΈ ΡΠΎΠΏΠ»ΠΈΠ²Π°, ΠΌΠ΅Ρ Π°Π½ΠΈΠ·ΠΌΠΎΠ² Π·Π°ΡΠ»ΠΎΠ½ΠΎΠΊ, Π΄Π°ΡΡΠΈΠΊΠ° Π²ΠΊΠ»ΡΡΠ΅Π½ΠΈΡ Π²ΡΠΏΠΎΠΌΠΎΠ³Π°ΡΠ΅Π»ΡΠ½ΠΎΠΉ ΡΠΎΡΠΌΠΎΠ·Π½ΠΎΠΉ ΡΠΈΡΡΠ΅ΠΌΡ, ΡΠ»Π΅ΠΊΡΡΠΎΠΌΠ°Π³Π½ΠΈΡΠ½ΠΎΠ³ΠΎ ΠΊΠ»Π°ΠΏΠ°Π½Π° | ΠΠ°ΠΌΠ΅Π½ΠΈΡΠ΅ Π½Π΅ΠΈΡΠΏΡΠ°Π²Π½ΡΠ΅ ΡΠ±ΠΎΡΠΎΡΠ½ΡΠ΅ Π΅Π΄ΠΈΠ½ΠΈΡΡ ΠΈ Π΄Π΅ΡΠ°Π»ΠΈ. ΠΡΠΈ Π½Π΅ΠΈΡΠΏΡΠ°Π²Π½ΠΎΡΡΠΈ ΡΠΈΠ»ΠΈΠ½Π΄ΡΠΎΠ² ΠΎΡΡΠΎΠ΅Π΄ΠΈΠ½ΠΈΡΠ΅ ΠΈΡ ΡΡΠΎΠΊΠΈ, ΠΏΡΠΎΠ²Π΅ΡΡΡΠ΅ Π²ΡΡΡΠ½ΡΡ ΠΏΠΎΠ²ΠΎΡΠΎΡ Π·Π°ΡΠ»ΠΎΠ½ΠΎΠΊ. ΠΠ°Π΅Π΄Π°Π½ΠΈΠΉ Π±ΡΡΡ Π½Π΅ Π΄ΠΎΠ»ΠΆΠ½ΠΎ. ΠΡΠΈ Π½Π΅ΠΎΠ±Ρ ΠΎΠ΄ΠΈΠΌΠΎΡΡΠΈ ΡΠ±ΠΎΡΠΎΡΠ½ΡΠ΅ Π΅Π΄ΠΈΠ½ΠΈΡΡ Π²ΡΠΏΠΎΠΌΠΎΠ³Π°ΡΠ΅Π»ΡΠ½ΠΎΠΉ ΡΠΎΡΠΌΠΎΠ·Π½ΠΎΠΉ ΡΠΈΡΡΠ΅ΠΌΡ ΡΠ½ΠΈΠΌΠΈΡΠ΅, ΠΎΡΠΈΡΡΠΈΡΠ΅ ΠΎΡ Π½Π°Π³Π°ΡΠ°, ΠΏΡΠΎΠΌΠΎΠΉΡΠ΅ ΠΈ ΠΏΡΠΎΡΡΡΠΈΡΠ΅. ΠΡΠΈ Π½Π΅ΠΎΠ±Ρ ΠΎΠ΄ΠΈΠΌΠΎΡΡΠΈ Π·Π°ΠΌΠ΅Π½ΠΈΡΠ΅ Π΄Π°ΡΡΠΈΠΊ ΠΈ ΠΊΠ»Π°ΠΏΠ°Π½ | |
| Π£ΡΠ΅ΡΠΊΠ° ΡΠΆΠ°ΡΠΎΠ³ΠΎ Π²ΠΎΠ·Π΄ΡΡ Π° | Π£ΡΡΡΠ°Π½ΠΈΡΠ΅ ΡΡΠ΅ΡΠΊΡ ΡΠΏΠΎΡΠΎΠ±Π°ΠΌΠΈ ΡΠΊΠ°Π·Π°Π½Π½ΡΠΌΠΈ Π² ΠΏ.1 | |
| ΠΠ°ΡΠΎΡΠ΅Π½ΠΈΠ΅ ΡΡΡΠ±ΠΎΠΏΡΠΎΠ²ΠΎΠ΄ΠΎΠ² | Π’ΡΡΠ±ΠΎΠΏΡΠΎΠ²ΠΎΠ΄Ρ ΡΠ½ΠΈΠΌΠΈΡΠ΅ ΠΈ ΠΏΡΠΎΠ΄ΡΠΉΡΠ΅ ΡΠΆΠ°ΡΡΠΌ Π²ΠΎΠ·Π΄ΡΡ ΠΎΠΌ | |
| 14. Π’ΠΎΡΠΌΠΎΠ·Π½ΡΠ΅ ΠΌΠ΅Ρ Π°Π½ΠΈΠ·ΠΌΡ Π½Π΅ ΡΠ°ΡΡΠΎΡΠΌΠ°ΠΆΠΈΠ²Π°ΡΡΡΡ ΠΏΡΠΈ Π½Π°ΠΆΠ°ΡΠΎΠΌ ΠΊΡΠ°Π½Π΅ Π°Π²Π°ΡΠΈΠΉΠ½ΠΎΠ³ΠΎ ΡΠ°ΡΡΠΎΡΠΌΠ°ΠΆΠΈΠ²Π°Π½ΠΈΡ ΡΡΠ³Π°ΡΠ° ΠΈΠ»ΠΈ Π²ΡΡΡΠ½ΡΡΠΎΠΉ ΠΊΠ½ΠΎΠΏΠΊΠ΅ ΠΊΡΠ°Π½Π° ΡΠ°ΡΡΠΎΡΠΌΠ°ΠΆΠΈΠ²Π°Π½ΠΈΡ ΠΏΡΠΈΡΠ΅ΠΏΠ° | ||
| ΠΠ΅ΠΈΡΠΏΡΠ°Π²Π΅Π½ 4-Ρ ΠΊΠΎΠ½ΡΡΡΠ½ΡΠΉ Π·Π°ΡΠΈΡΠ½ΡΠΉ ΠΊΠ»Π°ΠΏΠ°Π½ | ΠΠ°ΠΌΠ΅Π½ΠΈΡΠ΅ 4-Ρ ΠΊΠΎΠ½ΡΡΡΠ½ΡΠΉ Π·Π°ΡΠΈΡΠ½ΡΠΉ ΠΊΠ»Π°ΠΏΠ°Π½ | |
| ΠΠ΅ΠΈΡΠΏΡΠ°Π²Π΅Π½ ΠΊΡΠ°Π½ ΡΠ°ΡΡΠΎΡΠΌΠ°ΠΆΠΈΠ²Π°Π½ΠΈΡ ΠΏΡΠΈΡΠ΅ΠΏΠ° (ΠΏΠΎΠ»ΡΠΏΡΠΈΡΠ΅ΠΏΠ°) | Β ΠΠ°ΠΌΠ΅Π½ΠΈΡΠ΅ ΠΊΡΠ°Π½ | |
| 15. ΠΡΠΈ Π½Π°ΠΆΠ°ΡΠΈΠΈ ΡΠΎΡΠΌΠΎΠ·Π½ΠΎΠΉ ΠΏΠ΅Π΄Π°Π»ΠΈ Π΄Π»Ρ Π²ΠΊΠ»ΡΡΠ΅Π½ΠΈΡ ΡΡΠΎΡΠ½ΠΎΡΠ½ΠΎΠΉ ΡΠΎΡΠΌΠΎΠ·Π½ΠΎΠΉ ΡΠΈΡΡΠ΅ΠΌΡ ΡΠΎΠ½Π°ΡΠΈ ΡΠΈΠ³Π½Π°Π»Π° ΡΠΎΡΠΌΠΎΠΆΠ΅Π½ΠΈΡ Π½Π΅ Π·Π°Π³ΠΎΡΠ°ΡΡΡΡ | ||
| ΠΠ΅ΠΈΡΠΏΡΠ°Π²Π΅Π½ Π΄Π°ΡΡΠΈΠΊ Π²ΠΊΠ»ΡΡΠ΅Π½ΠΈΡ ΡΠΎΠ½Π°ΡΠ΅ΠΉ ΡΠΈΠ³Π½Π°Π»Π° ΡΠΎΡΠΌΠΎΠΆΠ΅Π½ΠΈΡ Π°ΠΏΠΏΠ°ΡΠ°ΡΠΎΠ² ΠΏΠ½Π΅Π²ΠΌΠΎΠΏΡΠΈΠ²ΠΎΠ΄Π° | ΠΠ°ΠΌΠ΅Π½ΠΈΡΠ΅ Π½Π΅ΠΈΡΠΏΡΠ°Π²Π½ΡΠ΅ Π΄Π°ΡΡΠΈΠΊ ΠΈΠ»ΠΈ Π°ΠΏΠΏΠ°ΡΠ°ΡΡ | |
| 16. ΠΠ°Π»ΠΈΡΠΈΠ΅ Π·Π½Π°ΡΠΈΡΠ΅Π»ΡΠ½ΠΎΠ³ΠΎ ΠΊΠΎΠ»ΠΈΡΠ΅ΡΡΠ²Π° ΠΌΠ°ΡΠ»Π° Π² ΠΏΠ½Π΅Π²ΠΌΠΎΡΠΈΡΡΠ΅ΠΌΠ΅ | ||
| ΠΠ·Π½ΠΎΡ ΠΏΠΎΡΡΠ½Π΅Π²ΡΡ ΠΊΠΎΠ»Π΅Ρ ΠΊΠΎΠΌΠΏΡΠ΅ΡΡΠΎΡΠ° | ΠΠ°ΠΌΠ΅Π½ΠΈΡΠ΅ ΠΊΠΎΠΌΠΏΡΠ΅ΡΡΠΎΡ | |
| Β 17. ΠΡΠΈ ΡΠΎΡΠΌΠΎΠΆΠ΅Π½ΠΈΠΈ ΡΡΠ³Π°ΡΠ° Π²ΡΠΏΠΎΠΌΠΎΠ³Π°ΡΠ΅Π»ΡΠ½ΠΎΠΉ ΡΠΎΡΠΌΠΎΠ·Π½ΠΎΠΉ ΡΠΈΡΡΠ΅ΠΌΠΎΠΉ ΠΏΡΠΈΡΠ΅ΠΏ (ΠΏΠΎΠ»ΡΠΏΡΠΈΡΠ΅ΠΏ) Π½Π΅ ΠΏΠΎΠ΄ΡΠΎΡΠΌΠ°ΠΆΠΈΠ²Π°Π΅ΡΡΡ | ||
| ΠΠ΅ΠΈΡΠΏΡΠ°Π²Π΅Π½ ΠΏΠ½Π΅Π²ΠΌΠΎΡΠ»Π΅ΠΊΡΡΠΈΡΠ΅ΡΠΊΠΈΠΉ Π΄Π°ΡΡΠΈΠΊ Π²ΠΊΠ»ΡΡΠ΅Π½ΠΈΡ ΡΠ»Π΅ΠΊΡΡΠΎΠΌΠ°Π³Π½ΠΈΡΠ½ΠΎΠ³ΠΎ ΠΊΠ»Π°ΠΏΠ°Π½Π° ΡΠΎΡΠΌΠΎΠ·Π½ΠΎΠΉ ΡΠΈΡΡΠ΅ΠΌΡ ΠΏΡΠΈΡΠ΅ΠΏΠ° (ΠΏΠΎΠ»ΡΠΏΡΠΈΡΠ΅ΠΏΠ°) | ΠΠ°ΠΌΠ΅Π½ΠΈΡΠ΅ Π΄Π°ΡΡΠΈΠΊ | |
| ΠΠ°ΡΡΡΠ΅Π½ΠΈΠ΅ ΠΊΠΎΠ½ΡΠ°ΠΊΡΠ° Π² ΡΠΎΠ΅Π΄ΠΈΠ½Π΅Π½ΠΈΡΡ ΡΠ»Π΅ΠΊΡΡΠΎΠΏΡΠΎΠ²ΠΎΠ΄ΠΎΠ² ΡΡΠ³Π°ΡΠ° ΠΈ ΠΏΡΠΈΡΠ΅ΠΏΠ° (ΠΏΠΎΠ»ΡΠΏΡΠΈΡΠ΅ΠΏΠ°) Π½Π° ΡΡΠ°ΡΡΠΊΠ΅ ΠΎΡ Π΄Π°ΡΡΠΈΠΊΠ° Π΄ΠΎ ΡΠ»Π΅ΠΊΡΡΠΎΠΌΠ°Π³Π½ΠΈΡΠ½ΠΎΠ³ΠΎ ΠΊΠ»Π°ΠΏΠ°Π½Π° | ΠΠ°ΠΉΠ΄ΠΈΡΠ΅ ΠΌΠ΅ΡΡΠΎ Π½Π΅Π½Π°Π΄Π΅ΠΆΠ½ΠΎΠ³ΠΎ ΠΊΠΎΠ½ΡΠ°ΠΊΡΠ° ΠΈ ΡΡΡΡΠ°Π½ΠΈΡΠ΅ Π½Π΅ΠΈΡΠΏΡΠ°Π²Π½ΠΎΡΡΡ | |
| ΠΠ΅ΠΈΡΠΏΡΠ°Π²Π½ΠΎΡΡΡ ΡΠ»Π΅ΠΊΡΡΠΎΠΌΠ°Π³Π½ΠΈΡΠ½ΠΎΠ³ΠΎ ΠΊΠ»Π°ΠΏΠ°Π½Π° ΠΏΡΠΈΡΠ΅ΠΏΠ° (ΠΏΠΎΠ»ΡΠΏΡΠΈΡΠ΅ΠΏΠ°) | ΠΠ°ΠΌΠ΅Π½ΠΈΡΠ΅ ΠΊΠ»Π°ΠΏΠ°Π½ | |
| ΠΠ΅ΡΠΎΠΎΡΠ²Π΅ΡΡΡΠ²ΠΈΠ΅ Π΄Π°Π²Π»Π΅Π½ΠΈΡ Π²ΠΎΠ·Π΄ΡΡ Π°, ΠΏΠΎΠ΄Π°Π²Π°Π΅ΠΌΠΎΠ³ΠΎ ΡΠ»Π΅ΠΊΡΡΠΎΠΌΠ°Π³Π½ΠΈΡΠ½ΡΠΌ ΠΊΠ»Π°ΠΏΠ°Π½ΠΎΠΌ ΠΏΡΠΈΡΠ΅ΠΏΠ° (ΠΏΠΎΠ»ΡΠΏΡΠΈΡΠ΅ΠΏΠ°) Π² ΡΠΎΡΠΌΠΎΠ·Π½ΡΠ΅ ΠΊΠ°ΠΌΠ΅ΡΡ. Π½ΠΎΡΠΌΠ΅: Ρ.Π΅. Π΄Π°Π²Π»Π΅Π½ΠΈΠ΅ ΠΌΠ΅Π½Π΅Π΅ 59ΠΊΠΠ° (0,6ΠΊΠ³Ρ/ΡΠΌ2) | ΠΠ΅ ΡΠ½ΠΈΠΌΠ°Ρ ΡΠ»Π΅ΠΊΡΡΠΎΠΌΠ°Π³Π½ΠΈΡΠ½ΠΎΠ³ΠΎ ΠΊΠ»Π°ΠΏΠ°Π½Π°, ΠΎΡΡΠ΅Π³ΡΠ»ΠΈΡΡΠΉΡΠ΅ Π΅Π³ΠΎ Π²ΠΈΠ½ΡΠΎΠΌ, Π²Π²Π΅ΡΠ½ΡΡΡΠΌ Π²Π½ΠΈΠ·Ρ Π² ΠΊΠΎΡΠΏΡΡΠ΅ ΠΊΠ»Π°ΠΏΠ°Π½Π°. ΠΡΠΈ Π²Π²ΠΎΡΠ°ΡΠΈΠ²Π°Π½ΠΈΠΈ Π²ΠΈΠ½ΡΠ° Π΄Π°Π²Π»Π΅Π½ΠΈΠ΅ Π²ΠΎΠ·Π΄ΡΡ Π°, ΠΏΡΠΎΠΏΡΡΠΊΠ°Π΅ΠΌΠΎΠ³ΠΎ ΠΊΠ»Π°ΠΏΠ°Π½ΠΎΠΌ, ΡΠ²Π΅Π»ΠΈΡΠΈΠ²Π°Π΅ΡΡΡ, ΠΏΡΠΈ Π²ΡΠ²Π΅ΡΡΡΠ²Π°Π½ΠΈΠΈ β ΡΠΌΠ΅Π½ΡΡΠ°Π΅ΡΡΡ. ΠΠ°Π²Π»Π΅Π½ΠΈΠ΅ Π²ΠΎΠ·Π΄ΡΡ Π° Π·Π°ΠΌΠ΅ΡΡΠΉΡΠ΅ ΠΌΠ°Π½ΠΎΠΌΠ΅ΡΡΠΎΠΌ, ΠΏΠΎΠ΄ΡΠΎΠ΅Π΄ΠΈΠ½Π΅Π½Π½ΡΠΌ ΠΊ ΠΊΠ»Π°ΠΏΠ°Π½Ρ ΠΊΠΎΠ½ΡΡΠΎΠ»ΡΠ½ΠΎΠ³ΠΎ Π²ΡΠ²ΠΎΠ΄Π° ΠΌΠΎΡΡΠ° ΠΏΡΠΈΡΠ΅ΠΏΠ° ΠΈΠ»ΠΈ ΡΠ΅Π»Π΅ΠΆΠΊΠΈ ΠΏΠΎΠ»ΡΠΏΡΠΈΡΠ΅ΠΏΠ° | |
| ΠΡΠΈΠΌΠ΅ΡΠ°Π½ΠΈΠ΅: Π ΡΠ»ΡΡΠ°Π΅ Π½Π΅ΡΠ°ΡΡΠΎΡΠΌΠ°ΠΆΠΈΠ²Π°Π½ΠΈΡ Π°Π²ΡΠΎΠΌΠΎΠ±ΠΈΠ»Ρ(Π°Π²ΡΠΎΠΏΠΎΠ΅Π·Π΄Π°) ΠΏΡΠΈ ΠΎΡΠΏΡΡΠ΅Π½Π½ΠΎΠΉ ΡΠΎΡΠΌΠΎΠ·Π½ΠΎΠΉ ΠΏΠ΅Π΄Π°Π»ΠΈ ΠΈ Π²ΡΠΊΠ»ΡΡΠ΅Π½Π½ΡΡ ΠΊΡΠ°Π½Π΅ ΡΡΠΎΡΠ½ΠΎΡΠ½ΠΎΠΉ ΡΠΎΡΠΌΠΎΠ·Π½ΠΎΠΉ ΡΠΈΡΡΠ΅ΠΌΠ΅ ΠΈ ΠΊΡΠ°Π½Π΅ Π²ΠΊΠ»ΡΡΠ΅Π½ΠΈΡ Π²ΡΠΏΠΎΠΌΠΎΠ³Π°ΡΠ΅Π»ΡΠ½ΠΎΠΉ ΡΠΎΡΠΌΠΎΠ·Π½ΠΎΠΉ ΡΠΈΡΡΠ΅ΠΌΡ ΠΏΡΠΈΡΠΈΠ½Ρ Π½Π΅ΡΠ°ΡΡΠΎΡΠΌΠ°ΠΆΠΈΠ²Π°Π½ΠΈΡ ΠΈ ΡΠΏΠΎΡΠΎΠ±Ρ ΡΡΡΡΠ°Π½Π΅Π½ΠΈΡ Π°Π½Π°Π»ΠΎΠ³ΠΈΡΠ½Ρ ΠΏΠ΅ΡΠ΅ΡΠΈΡΠ»Π΅Π½Π½ΡΠΌ Π² ΠΏ 8 — 10 | ||
vajnovsem.ru
