Устройство колесных редукторов
Главная → Трансмиссия → Устройство колесных редукторовУстройство колесных редукторов
Колесный редуктор управляемого колеса отличается от редуктора неуправляемого колеса конструкцией корпуса 30 (рис. 172) поворотного кулака, позволяющего осуществлять поворот колес на съемных шкворнях 13 и 22. Верхний шкворень 13 выполнен в виде шарового пальца, закрепленного на верхнем рычаге подвески. Уплотнение верхнего шкворня осуществляется резиновым уплотнителем 10, защищенным от повреждения металлическим колпаком 11. Смазка верхнего шкворня закладывается в полости гнезда вкладыша 18 и резинового уплотнителя 10 в количестве 100 г.
Нижний шкворень 22 выполнен в виде цилиндрического стержня с фланцем на конце и соединяется с нижним рычагом подвески с помощью соединительной оси 24. Уплотнение нижнего шкворня осуществляется с помощью торцовых резиновых уплотнителей 23, защитного колпака 25 и резиновых колец 21, а смазывается он через пресс-масленку 33, расположенную в гнезде шкворня. От попадания воды и грязи гнездо

Установочное кольцо 29 и болты 31 и 34 служат для облегчения постановки редуктора на рычаги подвески. Тормозной барабан 41 отлит заодно со ступицей колеса. Он крепится к ведомой шестерне 36 на шпильках 48. Для более равномерного распределения усилий на шпильки в гнездах барабана установлены разрезные втулки 46, плотно охватывающие шейки шпилек при затяжке гаек 49.
Для предотвращения вытекания смазки из картера редуктора в полость тормозного барабана в барабане установлены два сальника 53, а между наружным подшипником и кронштейном тормозного механизма 44 — уплотнительное кольцо 50. Воздух к шинам подводится через каналы в цапфе и приемном стержне, соединенном гайкой с приемной трубкой 3 идущей к переходному штуцеру 1 и далее через трубку к колесному кранику 4.
Полость тормозного механизма уплотняется резиновым кольцом 45, установленным между крышкой 55 и барабаном 41. В крышке 55 имеется лючок, через который производится регулировка тормозных механизмов, контроль и прокачка тормозного привода. В приливе крышки 55 устанавливаются уплотнительная втулка 56, трубка 3 и переходный штуцер 1 подвода воздуха к шинам.
Ведущая 5 и ведомая 36 шестерни редуктора устанавливаются на двух роликовых конических подшипниках. Преднатяг подшипников ведущей шестерни регулируется с помощью регулировочных прокладок 7, установленных под крышкой 8 сальников, а подшипников ведомой шестерни — с помощью регулировочных прокладок 51, установленных между внутренним кольцом наружного подшипника и распорной втулкой 39.
btrinfo.ru
Техническое обслуживание трансмиссии БТР-80
Работы, выполняемые при техническом обслуживании трансмиссии:
| Проверка уровня масла в картере КП |
При ТО -1
Рис. 3.43 Заправочная горловина коробки передач
Масло должно покрывать указатель до отметки В (рис.3.43). Если уровень масла окажется нижеуказанной отметки, то долить масло через заправочную горловину, предварительно очистив ее от пыли и грязи.
Проверка уровня масла в картере раздаточной коробки
Рис. 3.44. Заправочная горловина раздаточной коробки
Для проверки уровня масла:
– поднять левое многоместное сиденье и закрепить его ремнем;
– вывернуть указатель уровня масла и протереть его ветошью;
— вставить указатель до упора в картер и замерить уровень масла по рискам предельных уровней на стержне указателя (рис.3.44). При необходимости дозаправки масла в картер раздаточной коробки снять крышку сапуна и залить масло до уровня верхней риски на стержне указателя уровня масла.
— проверка уровня масла в мостах
Уровень масла в первом, втором и третьем мостах проверять Г-образным ключом квадратного сечения, на котором нанесены риски предельных уровней масла (рис. 3.45).
Уровень масла в четвертом мосту проверять тем же Г-образным ключом через отверстие в картере моста, заглушаемое конической пробкой и расположенное около фланца картера моста.
Рис. 3.45 Проверка уровня Рис. 3.46. Проверка уровня
масла в 1-м, во 2-м и в 3-м мостах масла в 4-м мосту
Проверка уровня масла в колесных редукторах
Рис. 3.47
При ТО -2
Замена масла в коробке передач
Для замены масла:
– вывернуть пробку 5, расположенную в днище корпуса машины под пробками сливных отверстий картера коробки передач (рис.3.48), и подставить емкость для сливаемого масла;
– отвернуть сначала пробку, а затем магнитную пробку и слить масло в подставленную емкость;
– очистить магнитную пробку от грязи и металлических частиц;
– завернуть пробки в сливные отверстия картера КП и пробку 5 в днище корпуса машины;
– залить свежее масло до метки В указателя уровня (рис.3.49) и завернуть пробку заправочной горловины.
Рис. 3.48 Рис. 3.49
Замена масла в раздаточной коробке
Для замены масла:
– вывернуть три пробки 4 в днище машины под сливными отверстиями картера (рис.3.50) РК и поставить емкости для сливаемого масла;
– отвернуть пробки под правым и левым приливами и магнитную пробку в центральной части нижней половины картера РК и слить масло.
– очистить и промыть магнитную пробку;
– завернуть все пробки в картере раздаточной коробки и в днище.
– поднять многоместные сиденья и закрепить их ремнями;
– снять крышку сапуна с маслоналивного патрубка ;
– залить масло до уровня верхней риски указателя уровня масла;
Рис. 3.50 Раздаточная коробка
— замена масла в мостах
– поставить крышку сапуна и завернуть указатель уровня масла.
Во избежание завертывания указателя не по резьбе необходимо сначала завернуть его на 2–3 нитки вручную, после чего затянуть ключом.
Для замены масла в мостах:
– открыть заглушки в полу над пробками заправочных отверстий первого, второго и третьего мостов, очистить пробки от пыли и грязи и вывернуть их поочередно;
– очистить и вывернуть пробки 17,2,14,8 (рис. 3.51) в днище под сливными отверстиями всех мостов;
– вывернуть поочередно пробки сливных отверстий из картеров мостов, предварительно поставив под них емкость, и слить масло;
– завернуть пробки сливных отверстий, а зятем и пробки в днище корпуса;
– залить масло через заправочные отверстия картеров первого, второго и третьего мостов до верхней риски ключа, а в четвертый мост – через отверстие, заглушаемое конической пробкой, до верхней риски того же ключа;
– завернуть пробки заправочных отверстий первого, второго и третьего мостов, закрыть отверстия в полах заглушками и завернуть пробку заправочного отверстия четвертого моста.
Рис. 3.51 Рис. 3.52
Для замены масла в колесных редукторах:
– отвернуть пробки заправочного и сливного отверстий, и слить масло в предварительно подставленную емкость;
– поставить на место пробку сливного отверстия и затянуть ее до отказа;
– заправить картер свежим маслом с помощью заправочного шприца до уровня нижней кромки
заправочного отверстия;
Рис. 3.53
– поставить на место пробку заправочного отверстия с прокладкой и затянуть ее до отказа.
| В такой же последовательности заменить масло в картерах остальных редукторов. |
Смазка подшипника муфты выключения сцепления

Рис. 3.54
Контрольные вопросы
1. Состав силовой передачи БМП-2.
2. Назначение, техническая характеристика, общее устройство главного фрикциона и его привода.
3. Назначение, техническая характеристика, общее устройство коробки передач БМП-2 и её привода.
4. Назначение, техническая характеристика, общее устройство планетарных механизмов поворота (ПМП) БМП-2 и приводов управления ПМП.
5. Три свойства планетарного ряда.
6. Назначение, техническая характеристика, общее устройство остановочных тормозов и стояночногоьтормоза БМП-2.
7. Назначение, техническая характеристика, общее устройство системы смазки и гидроуправления силовой передачи БМП-2.
8. Назначение, техническая характеристика, общее устройство бортовой передачи БМП-2.
9. Состав трансмиссии БТР-80.
10. Назначение, техническая характеристика, общее устройство сцепления БТР-80.
11. Назначение, техническая характеристика, общее устройство коробки передач БТР-80.
12. Назначение, техническая характеристика, общее устройство раздаточной коробки БТР-80.
13. Назначение, техническая характеристика, общее устройство ведущих мостов БТР-80.
14. Назначение, техническая характеристика, общее устройство колесных редукторов БТР-80
infopedia.su
Лебедка бронетранспортера
Главная → Специальное оборудование → Лебедка бронетранспортераЛебедка бронетранспортера
Предельное тяговое усилие на крюке троса при однорядной намотке троса на барабан 4400—6000 кгс, уменьшается оно по мере увеличения радиуса намотки троса на барабан. С применением
В эксплуатации следует пользоваться лебедкой с применением блока.
Лебедка установлена в носовой части корпуса машины. Привод лебедки осуществляется карданными валами от правого двигателя через коробку передач и коробку отбора мощности, смонтированную на правой раздаточной коробке.
Для работы с лебедкой в носовой части корпуса машины имеются два люка: в нижнем носовом листе — люк для выдачи троса лебедки, по краям которого установлены направляющие ролики 18, и в среднем носовом листе (над лебедкой) — люк для доступа к запору крышки люка выдачи троса, рукоятке муфты включения барабана и для технического обслуживания лебедки.
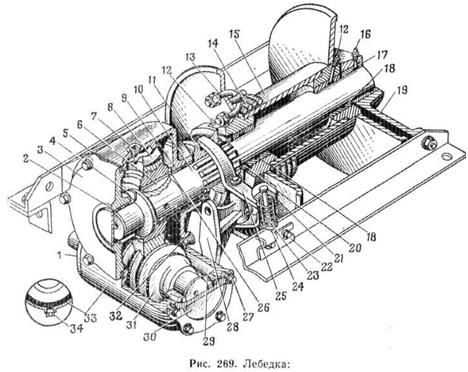
Лебедка состоит из червячного редуктора, барабана 17, траверсы 16, троса с крюком 1, механизма включения барабана и угольников крепления лебедки. Редуктор лебедки состоит из картера 33 (рис. 269), червячной пары и вала 10,редуктора.

Червячное колесо 8 посажено на вал 10 редуктора на шпонке б. Червяк 31 установлен в картере на двух конических роликоподшипниках, которые закрываются крышками: передней 30 — глухой и задней, имеющей сальник, уплотняющий хвостовик червяка.
Под передней крышкой устанавливаются регулировочные прокладки 27, которыми регулируется затяжка конических подшипников. Под задней крышкой устанавливается уплотнительная прокладка.
В картере редуктора имеются три отверстия, закрытых резьбовыми пробками: сверху — маслоналивное, сбоку — контрольное и снизу — маслосливное.
Вал 10 редуктора вращается на трех втулках скольжения: 2 и 5 — в редукторе и 17 — в траверсе 19.
Барабан 15 лебедки свободно вращается на валу редуктора на двух втулках 18 скольжения и может быть соединен с валом редуктора кулачковой муфтой 11 включения барабана, перемещающейся по шлицам вала редуктора.
Для смазки подшипников барабана установлены масленки 12 и 16. Кулачковая муфта перемещается вилкой 25 включения барабана, которая имеет рукоятку 21 с фиксатором 24. Фиксатор и фиксаторная пластина 22, закрепленная на угольнике, фиксируют кулачковую муфту во включенном или выключенном положении.
При включении и выключении кулачковой муфты рукоятка 21 с фиксатором 24 вытягивается вверх и вилка 25 муфты получает возможность свободно поворачиваться. При опускании рукоятки пружина 23 фиксатора опускает фиксатор и тот входит в зацепление с фиксаторной пластиной 22, фиксируя положение кулачковой муфты включения барабана.
03.11.2010, 5418 просмотров.
btrinfo.ru
