Коробка переключения передач КПП ГАЗ-33104 Валдай
Устройство коробки переключения передач ГАЗ-3309
На грузовой автомобиль ГАЗ-3309 устанавливают механическую пятиступенчатую коробку передач. Все передачи, кроме первой и заднего хода, снабжены инерционными синхронизаторами.
Переключение передач осуществляется с помощью рычага. Схема переключения передач расположена в кабине на панели приборов. Масса узла 75 кг (без масла).
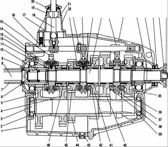
Детали 5-ступенчатой коробки передач ГАЗ-3309 собраны в переднем 1 (рис. 1) и заднем 29 картерах, изготовленных из алюминиевого сплава.
Для обеспечения необходимой соосности деталей коробки передач картеры центрируются по двум установочным штифтам, запрессованным в задний картер. Картеры соединены между собой через прокладку двенадцатью болтами с пружинными коническими шайбами.
Рис. 1. Коробка передач ГАЗ-3309
1 — передний картер; 2 — регулировочные прокладки; 3 — промежуточный вал; 4,5,44 — шестерни промежуточного вала; 8,31 — манжеты; 7 — крышка первичного вала; 8 — первичный вал; 9 — роликовый подшипник; 10 — шайба подшипника; 11 — синхронизатор четвертой и пятой передач; 12 — съемный венец первичного вала; 13 — блокирующее кольцо синхронизатора; 14,32 — заглушки; 15,25,28 — вилки включения передач; 16 — шарики фиксатора; 17 — прокладка картера рычага; 18 — рычаг переключения передач; 19 — колпак рычага; 20 — уплотнитель рычага; 21 -прокладка колпака рычага; 22 — картер рычага; 23 — съемный венец шестерен второй и третьей передач; 24 — болт крепления вилок; 26 — синхронизатор второй и третьей передач; 27 — вторичный вал; 29 — задний картер; 30 — ведущая шестерня привода спидометра; 33 — гайка фланца; 34 — фланец вторичного вала; 35,40, 41,45, 46 — шестерни вторичного вала; 36 — ступица муфты включения первой передачи и передачи заднего хода; 37 — муфта сцепления; 38 — съемный венец шестерен первой передачи и передачи заднего хода; 39 — подшипник промежуточного вала; 42 — игольчатый подшипник шестерен вторичного вала; 43 — пробка сливного отверстия
Все шестерни коробки передач косозубые (кроме шестерен заднего хода) и находятся в постоянном зацеплении. Первичный 8 и вторичный 27 валы установлены в картерах на шариковых подшипниках, которые удерживаются от осевого смещения полукольцами 3 и 6 (рис. 2), крепящимися к картерам болтами 1 и 5.
Передний конец вторичного вала КПП ГАЗ-3309 опирается на роликовый подшипник 9 (см. рис. 1), расположенный внутри первичного вала. Промежуточный вал 3 установи картерах на двух одинаковых конических роликовых подшипниках 39.
При сборке коробки передач должен быть обеспечен предварительный натяг подшипников промежуточного вала 0,06-0,16 мм, который достигается подбором и установкой металлических прокладок 2 под торец наружного кольца переднего подшипника. Дополнительной регулировки подшипников при эксплуатации автомобиля не требуется.
Рис. 2. Крепление подшипников КПП ГАЗ-3309
1, 5 — болты; 2 — заклепка; 3 — полукольцо подшипника первичного вала; 4 — шайба переднего подшипника вторичного вала; 6 — полукольцо подшипника вторичного вала; 7 — первичный вал; 8 — вторичный вал; 9 — передний картер; 10 — задний картер
Шестерни промежуточного вала 4, 5 и 44 установлены на вал на прессовой посадке. Шестерни вторичного вала установлены на роликовых игольчатых подшипниках 42 единого типоразмера. Первая передача и передача заднего хода включаются с помощью муфты 37.
Шестерни второй, третьей, четвертой передачи вторичного вала и первичный вал имеют съемные венцы, на конической поверхности которых расположены блокирующие кольца 13 синхронизаторам 11 и 26.
Синхронизаторы имеют по три пружины 4 (рис. 3), фиксатора 1 и сухаря 2. включение передач осуществляется соединением внутренних зубьев-муфт 3 с наружными зубьями съемных венцов.
От самопроизвольного выключения муфта синхронизатора КПП ГАЗ-3309 удерживается благодаря скошенным внутрь под углом 4 градуса к зубьям самой муфты и съемного венца, образующих при включенном положении замок. Три площадки на зубчатом венце муфты ограничивают ее ход при включении передач.
Рис. 3. Синхронизатор КПП ГАЗ-3309
1 — фиксатор; 2 -сухарь; 3 — муфта; 4 — пружина; 5 — распорное кольцо игольчатого подшипника; 6 — вторичный вал
С правой стороны по направлению движения на оси, запрессованной в задний картер, на роликовом подшипнике вращается промежуточная шестерня заднего хода, от которой возможен отбор мощности через специальный люк.
От осевого смещения ось застопорена болтом 6, завернутым в прилив заднего картера. Под головку болта подложены плоская и пружинная коническая шайбы.
Рис. 4. Предохранители включения передач ГАЗ-3309
1,3- пружины предохранителей; 2 — предохранитель включения; 4 — заглушка; 5 — головка включения первой передачи и передачи заднего хода; 6 — штифты; 7 — головка включения второй и третьей передач; 8 — вилка включения четвертой и пятой передач; 9 — болт
Механизм переключения передач содержит три вилки включения, которые крепятся на трех штоках болтами 24 (см. рис. 1) и пружинными коническими шайбами. Вилки имеют стальные съемные сухари, которые расположены в пазах муфт.
Кроме того, на штоках с помощью штифтов 6 (рис. 4) крепятся головки включения 5 и 7, в пазах которых расположен нижний конец рычага переключения передач. В положении включенной передачи и в нейтрали каждый шток зафиксирован шариками 16 (см. рис. 1), поджатыми пружинами.
В заднем картере КПП ГАЗ-3309 расположено блокирующее устройство, состоящее из четырех шариков 1 (рис. 5), расположенных попарно между штоками, и штифта 2, установленного в отверстии среднего штока, что предотвращает одновременное перемещение двух штоков.
Расположенные в верхней части переднего картера подпружиненные предохранители 2 (см. рис. 4) удерживают нижний конец рычага переключения передач в нейтральном положении в головке 7 включения второй и третьей передач.
Рис. 5. Блокирующее устройство коробки передач ГАЗ-3309
1 — шарик; 2 — штифт; 3 — шток переключения четвертой и пятой передач; 4 — заглушка
Рычаг переключения передач с пружиной и седлом установлены в картер 22 (см. рис. 1) рычага и закреплены колпаком 19, под которым установлена прокладка 21.
Уплотнитель 20 предотвращает попадание в коробку передач грязи и воды. Картер рычага установлен сверху на переднем картере коробки передач через прокладку 17.
В отверстии заднего картера установлен штуцер с ведомой шестерней привода спидометра, который крепится в картере болтом. Ведущая шестерня привода спидометра установлена на вторичном валу.
Смазка деталей коробки передач ГАЗ-3309 осуществляется окунанием и разбрызгиванием. К роликовым подшипникам шестерен, переднему подшипнику вторичного вала масло поступает через специальные отверстий шестернях и первичном валу. Для уплотнения валов используются армированные манжеты 6 и 31 (см. рис. 1).
Пробка 4 сливного отверстия снабжена постоянны магнитом для сбора и удерживания продуктов износа. На стенке заднего картер расположен сапун, предназначенный для сообщения внутренней полости коробки передач с атмосферой.
Унифицированная пятиступенчатая грузовая коробка передач
|
Технические характеристики |
||
| Модель |
|
3309-1700010-20, 33081-1700010, 3307-1700010-20, 3308-1700010, 33104-1700010 |
| Масса | Кг | 75 |
| Габариты |
Мм |
780х340х480 |
| Передаточное число: |
— |
|
|
1 передача |
6,555 | |
|
2 передача |
3,933 | |
|
3 передача |
2,376 | |
|
4 передача |
1,442 | |
|
5 передача |
1,000 | |
|
З/Х |
5,735 | |
| Мкр., кГм |
— |
43 |
Сцепление и КПП автомобилей Валдай ГАЗ-3310, 33104, 33106
______________________________________________________________________________
Сцепление и КПП автомобилей Валдай ГАЗ-3310, 33104, 33106
Сцепление автомобиля Валдай ГАЗ-3310, ГАЗ-33104, 33106
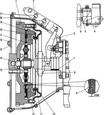
Сцепление автомобиля Валдай ГАЗ-3310, ГАЗ-33106, 33104 постоянно замкнутое, однодисковое, сухое, с центральной нажимной диафрагменной пружиной и демпферным устройством на ведомом диске. Нажимной диск 19 (рис. А) соединен с кожухом 10 тремя группами пластин.
Сцепление и механизм выключения Валдай ГАЗ-3310, ГАЗ-33104, 33106 расположены в картере 21 сцепления, который крепится к заднему листу двигателя десятью гайками 16 шпилек и болтом, под которые установлены конические пружинные шайбы 15 выпуклой стороной к гайкам и головке болта.
Центрирование картера сцепления относительно оси коленчатого вала двигателя осуществляется с помощью двух штифтов 20, запрессованных в картер сцепления. На картере сцепление установлены кронштейны 6 задних опор двигателя, которые крепятся болтами 5.

Рис. А. Сцепление Валдай ГАЗ-3310, ГАЗ-33106, 33104
1 — маховик; 2, 5 — болты; 3 — вилка; 4 — задняя подушка; 6 — кронштейн задней опоры двигателя; 7 — защитное кольцо; 8 — муфта сцепления; 9 — заклепка фрикционной накладки; 10 — кожух; 11 — опорное кольцо; 12, 20 — штифты; 13 — подшипник; 14 — первичный вал коробки передач; 15 — шайба; 16 — гайка; 17 — ведомый диск; 18 — тарельчатая нажимная пружина; 19 — нажимной диск; 21 — картер сцепления
Зазор между нажимной пружиной 18 и подшипником муфты 8 отсутствует,
поэтому внутреннее кольцо подшипника вращается с частотой вращения
коленчатого вала двигателя. В процессе эксплуатации сцепление не
требует регулировок.
Привод сцепления Валдай ГАЗ-3310, ГАЗ-33104, 33106
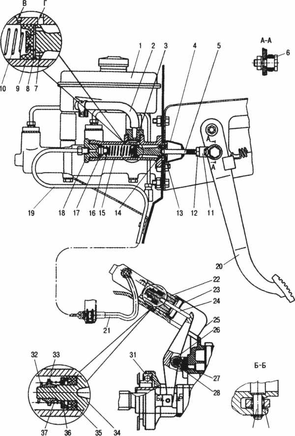
Привод управления сцеплением Валдай ГАЗ-3310, ГАЗ-33104, 33106 — гидравлический. Главный цилиндр сцепления 15 (рис. Б), закрепленный на щитке передка кабины, приводится в действие подвесной педалью 20.
Главный цилиндр сцепления Валдай ГАЗ-3310, ГАЗ-33106, 33104 соединен шлангом 2 с одной из секций трехсекционного питающего бачка 1, снабженного датчиком сигнализатора аварийного падения уровня тормозной жидкости (две другие секции бачка питая гидравлический привод двухконтурной рабочей тормозной системы).

Рис. Б. Привод сцепления автомобилей Валдай ГАЗ-3310, ГАЗ-33104, 33106
В — компенсационное отверстие; Г — перепускное отверстие; 1 —
питающий бачок; 2 — питающий шланг; 3, 18 — штуцера; 4, 23 —
защитные колпаки; 5, 24 —
толкатели; 6,33 — втулки; 7,34 — поршни; 8 — клапан поршня; 9, 14,
35 — манжеты; 10,32, 37 — пружины; 11 -муфта; 12 — гайка; 13 —
упорная шайба; 15 —
главный цилиндр сцепления; 16 — клапан главного цилиндра сцепления;
17 — упорное кольцо; 19 — трубопровод; 20 — педаль; 21 — шланг; 22 —
рабочий
цилиндр сцепления; 25 — крышка; 26 — кольцо вилки; 27 — ось опоры
вилки; 28, 30 — ролики; 29 -палец муфты; 31 — подшипник муфты; 36 —
распорная
втулка
Рабочий цилиндр 22, закрепленный на верхней части картера сцепления, соединен с главным цилиндром трубопроводом 19 и шлангом 21, снабжен клапаном для удаления воздуха из гидросистемы.
При не нажатой педали полость под поршнем 7 главного цилиндра соединена с бачком через компенсационное отверстие В, что исключает повышение давления в гидросистеме и пробуксовку сцепления.
Поджатие подшипника 31 муфты выключения сцепления Валдай ГАЗ-3310, ГАЗ-33106, 33104 к нажимной пружине с усилием 70-100 Н (7-10 кгс) осуществляет с помощью пружины 32 через поршень 34, толкатель 24, вилку 3 (см. рис. А) и муфту 8.
При износе накладок сцепления под действием нажимной пружины система занимает новое положение, сжимая пружину 32 (рис. Б).
Избыток жидкости из рабочего цилиндра сцепления Валдай ГАЗ-3310, ГАЗ-33104, 33106 через трубопровод в компенсационное отверстие в главном цилиндре попадает в бачок.
Имеющийся загиб длины рабочего цилиндра на перемещение поршня обеспечивает (без регулировки) расчетный износ накладок сцепления.
Положение (ход) педали сцепления относительно пола регулируется изменением длины толкателя 5. Ремонтные работы со сцеплением можно проводить без снятия двигателя с автомобиля.
Коробка передач КПП Валдай ГАЗ-3310, ГАЗ-33106, 33104
На автомобиль Валдай ГАЗ-3310, ГАЗ-33104, 33106 устанавливают механическую пятиступенчатую коробку передач. Все передачи, кроме первой и заднего хода, снабжены инерционными синхронизаторами.
Переключение передач осуществляется с помощью рычага. Схема переключения передач расположена в кабине на панели приборов. Масса узла 75 кг (без масла).
Детали 5-ступенчатой коробки передач Валдай ГАЗ-3310, ГАЗ-33106, 33104 собраны в переднем 1 (рис. В) и заднем 29 картерах, изготовленных из алюминиевого сплава.
Для обеспечения необходимой соосности деталей коробки передач картеры центрируются по двум установочным штифтам, запрессованным в задний картер. Картеры соединены между собой через прокладку двенадцатью болтами с пружинными коническими шайбами.

Рис. В. Коробка передач КПП Валдай ГАЗ-3310, ГАЗ-33104, 33106
1 — передний картер; 2 — регулировочные прокладки; 3 — промежуточный
вал; 4,5,44 — шестерни промежуточного вала; 8,31 — манжеты; 7 —
крышка
первичного вала; 8 — первичный вал; 9 — роликовый подшипник; 10 —
шайба подшипника; 11 — синхронизатор четвертой и пятой передач; 12 —
съемный
венец первичного вала; 13 — блокирующее кольцо синхронизатора; 14,32
— заглушки; 15,25,28 — вилки включения передач; 16 — шарики
фиксатора; 17 —
прокладка картера рычага; 18 — рычаг переключения передач; 19 —
колпак рычага; 20 — уплотнитель рычага; 21 -прокладка колпака
рычага; 22 — картер
рычага; 23 — съемный венец шестерен второй и третьей передач; 24 —
болт крепления вилок; 26 — синхронизатор второй и третьей передач;
27 —
вторичный вал; 29 — задний картер; 30 — ведущая шестерня привода
спидометра; 33 — гайка фланца; 34 — фланец вторичного вала; 35,40,
41,45, 46 —
шестерни вторичного вала; 36 — ступица муфты включения первой
передачи и передачи заднего хода; 37 — муфта сцепления; 38 — съемный
венец
шестерен первой передачи и передачи заднего хода; 39 — подшипник
промежуточного вала; 42 — игольчатый подшипник шестерен вторичного
вала; 43 —
пробка сливного отверстия
Все шестерни КПП Валдай ГАЗ-3310, ГАЗ-33106, 33104 косозубые (кроме шестерен заднего хода) и находятся в постоянном зацеплении.
Первичный 8 и вторичный 27 валы установлены в картерах на шариковых подшипниках, которые удерживаются от осевого смещения полукольцами, крепящимися к картерам болтами.
Передний конец вторичного вала КПП Валдай ГАЗ-3310, ГАЗ-33104, 33106 опирается на роликовый подшипник 9 (см. рис. В), расположенный внутри первичного вала. Промежуточный вал 3 установи картерах на двух одинаковых конических роликовых подшипниках 39.
При сборке коробки передач Валдай ГАЗ-3310, ГАЗ-33106, 33104 должен быть обеспечен предварительный натяг подшипников промежуточного вала 0,06-0,16 мм, который достигается подбором и установкой металлических прокладок 2 под торец наружного кольца переднего подшипника. Дополнительной регулировки подшипников при эксплуатации автомобиля не требуется.
Шестерни промежуточного вала 4, 5 и 44 установлены на вал на прессовой посадке. Шестерни вторичного вала установлены на роликовых игольчатых подшипниках 42 единого типоразмера. Первая передача и передача заднего хода включаются с помощью муфты 37.
Шестерни второй, третьей, четвертой передачи вторичного вала и первичный вал КПП Валдай ГАЗ-3310, ГАЗ-33104, 33106 имеют съемные венцы, на конической поверхности которых расположены блокирующие кольца 13 синхронизаторам 11 и 26.
Синхронизаторы имеют по три пружины, фиксатора и сухаря, включение передач осуществляется соединением внутренних зубьев-муфт с наружными зубьями съемных венцов.
От самопроизвольного выключения муфта синхронизатора КПП Валдай ГАЗ-3310, ГАЗ-33106, 33104 удерживается благодаря скошенным внутрь под углом 4 градуса к зубьям самой муфты и съемного венца, образующих при включенном положении замок. Три площадки на зубчатом венце муфты ограничивают ее ход при включении передач.
С правой стороны по направлению движения на оси, запрессованной в задний картер, на роликовом подшипнике вращается промежуточная шестерня заднего хода, от которой возможен отбор мощности через специальный люк.
От осевого смещения ось застопорена болтом, завернутым в прилив заднего картера. Под головку болта подложены плоская и пружинная коническая шайбы.
Механизм переключения передач Валдай ГАЗ-3310, ГАЗ-33104, 33106 содержит три вилки включения, которые крепятся на трех штоках болтами 24 (рис. В) и пружинными коническими шайбами. Вилки имеют стальные съемные сухари, которые расположены в пазах муфт.
Кроме того, на штоках с помощью штифтов крепятся головки включения, в пазах которых расположен нижний конец рычага переключения передач. В положении включенной передачи и в нейтрали каждый шток зафиксирован шариками 16 (рис. В), поджатыми пружинами.
В заднем картере КПП Валдай ГАЗ-3310, ГАЗ-33106, 33104 расположено блокирующее устройство, состоящее из четырех шариков, расположенных попарно между штоками, и штифта, установленного в отверстии среднего штока, что предотвращает одновременное перемещение двух штоков.
Расположенные в верхней части переднего картера подпружиненные предохранители удерживают нижний конец рычага переключения передач в нейтральном положении в головке включения второй и третьей передач.
Рычаг переключения передач с пружиной и седлом установлены в картер 22 (рис. В) рычага и закреплены колпаком 19, под которым установлена прокладка 21. Уплотнитель 20 предотвращает попадание в коробку передач грязи и воды. Картер рычага установлен сверху на переднем картере коробки передач через прокладку 17.
В отверстии заднего картера КПП Валдай ГАЗ-3310, ГАЗ-33106, 33104 установлен штуцер с ведомой шестерней привода спидометра, который крепится в картере болтом. Ведущая шестерня привода спидометра установлена на вторичном валу.
Смазка деталей коробки передач Валдай ГАЗ-3310, ГАЗ-33104, 33106 осуществляется окунанием и разбрызгиванием. К роликовым подшипникам шестерен, переднему подшипнику вторичного вала масло поступает через специальные отверстий шестернях и первичном валу. Для уплотнения валов используются армированные манжеты 6 и 31 (рис. В).
Пробка 4 сливного отверстия снабжена постоянны магнитом для сбора и удерживания продуктов износа. На стенке заднего картер расположен сапун, предназначенный для сообщения внутренней полости коробки передач с атмосферой.
______________________________________________________________________________
______________________________________________________________________________
______________________________________________________________________________
______________________________________________________________________________
______________________________________________________________________________
Каталоги запасных частей и сборочных деталей
avtoremtech.ru
ГАЗ Валдай Газель не Газель › Бортжурнал › Замена редуктора заднего моста Валдай с 3,42 на 4,55
Всем привет!На Валдае я много не ездил, но и этого хватило чтоб понять в чем его недостатки, один из них длинные передачи!Ставить понижайку как на своей Газельке долгая песня, и решил обойтись заменой редуктора на более тяговый!На дальняки я не езжу, и не собираюсь, так что в самый раз).
Посмотрел какие бывают редуктора!
41×12-3,42-33104
41×9-4,55-3309
33×6-5,50-3306
37×6-6,17-53
41×6-6,83-66
Немного поискал второй вариант 3309,нашёл за два рубля не комплект, помыл немного разобрав и поставил!Кстати купил у коллеги по Газону спасибо ему!Сам же на свой 3309 как и я на свой Газон поставил редуктор с ГАЗ 53,и воспоминая о нем ругается употребляя не цензурную лексику!Буду теперь ездить как на ишаке, но при этом не буду слышать неприятный запах горелого сцепления, а на Валдае это проблема, не так просто его заменить, как собственно и на Газ 3309!

мой родной снятый 33104

вот ониони рядом 33104 и3309

прокладочки, фиксатор резьбы и сальнечек хвостовика

вот он мытый готовый к установке

вкарячил, ну по чему он такой тяжёлый!

кстати дефферинциалы газ 53 и газ3309 разные сам не знал!

Хорошо что заглянул в мост, оказалось что в нем 0,5 л трансмиссионки и не много воды(

Нравится 133 Поделиться: Подписаться на машину
www.drive2.ru
| Модель двигателя | ISF3.8s3154 |
| Тип | Дизельный, 4-тактный, с турбонаддувом, охлаждением наддувочного воздуха, жидкостного охлаждения |
| Число и расположение цилиндров | 4, вертикальное в ряд |
| Порядок работы цилиндров | 1-3-4-2 |
| Направление вращения коленчатого вала | Правое |
| Диаметр цилиндра и ход поршня, мм | 102х115 |
| Рабочий объем, л | 3,76 |
| Степень сжатия | 17,2 |
| Номинальная мощность нетто, кВт (л. с), не менее: | |
| — при частоте вращения коленчатого вала 2600 мин -1 | 112 (152.3) |
| Максимальный крутящий момент нетто, Н-м (кгс-м): | |
| — при частоте вращения коленчатого вала 1200-1900 мин -1 | 491 (50.1) |
| Минимальная устойчивая частота вращения на холостом ходу, мин -1 | 800 |
| Максимальная частота холостого хода, ограничиваемая регулятором, мин -1, не более | 2950 |
| Система вентиляции | Открытая |
| Топливный насос высокого давления | С топливной аппаратурой Common Rail (Bosch) CR/CP 3S3L110-30-789S Радиальный, 3-плунжерный, с электромагнитным регулятором давления, с механическим подкачивающим насосом |
| Топливоподкачивающий насос | Механический — в составе ТНВД Ручной — в корпусе фильтра грубой очистки топлива |
| Аккумулятор топлива высокого давления | Цилиндрический, со сливным клапаном ограничения давления |
| Форсунки | 0445 (Bosch) с электромагнитным клапаном управления |
| Топливные фильтры: | |
| — предварительной очистки | Предварительной очистки, с ручным топливоподкачивающим насосом и с водоотделителем, со сменным фильтрующим элементом, датчиком наличия воды в топливе и электрическим подогревателем топлива |
| — тонкой очистки | Со сменным фильтрующим элементом |
| Система смазки | Комбинированная: под давлением и разбрызгиванием |
| Масляный радиатор | Полнопоточный, включен постоянно |
| Масляный фильтр | Полнопоточный, со сменным фильтрующим элементом |
| стема охлаждения | Жидкостная, закрытая, с принудительной циркуляцией охлаждающей жидкости, с расширительным бачком |
| Система наддува | Газотурбинная, с одним турбокомпрессором HE211W с радиальной центростремительной турбиной, центробежным компрессором и воздушным охладителем наддувочного воздуха трубчато- пластинчатого типа |
www.dvigokcomtrans.ru
Детали сцепления и КПП Валдай ГАЗ-3310
Детали сцепления и КПП Валдай ГАЗ-3310
Сцепление автомобиля Валдай ГАЗ-3310, ГАЗ-33104, 33106
Сцепление автомобиля Валдай ГАЗ-3310, ГАЗ-33106, 33104 постоянно замкнутое, однодисковое, сухое, с центральной нажимной диафрагменной пружиной и демпферным устройством на ведомом диске. Нажимной диск 19 (рис. А) соединен с кожухом 10 тремя группами пластин.
Сцепление и механизм выключения Валдай ГАЗ-3310, ГАЗ-33104, 33106 расположены в картере 21 сцепления, который крепится к заднему листу двигателя десятью гайками 16 шпилек и болтом, под которые установлены конические пружинные шайбы 15 выпуклой стороной к гайкам и головке болта.
Центрирование картера сцепления относительно оси коленчатого вала двигателя осуществляется с помощью двух штифтов 20, запрессованных в картер сцепления. На картере сцепление установлены кронштейны 6 задних опор двигателя, которые крепятся болтами 5.

Рис. А. Сцепление Валдай ГАЗ-3310, ГАЗ-33106, 33104
1 — маховик; 2, 5 — болты; 3 — вилка; 4 — задняя подушка; 6 — кронштейн задней опоры двигателя; 7 — защитное кольцо; 8 — муфта сцепления; 9 — заклепка фрикционной накладки; 10 — кожух; 11 — опорное кольцо; 12, 20 — штифты; 13 — подшипник; 14 — первичный вал коробки передач; 15 — шайба; 16 — гайка; 17 — ведомый диск; 18 — тарельчатая нажимная пружина; 19 — нажимной диск; 21 — картер сцепления
Зазор между нажимной пружиной 18 и подшипником муфты 8 отсутствует,
поэтому внутреннее кольцо подшипника вращается с частотой вращения
коленчатого вала двигателя. В процессе эксплуатации сцепление не
требует регулировок.
Привод сцепления Валдай ГАЗ-3310, ГАЗ-33104, 33106
Привод управления сцеплением Валдай ГАЗ-3310, ГАЗ-33104, 33106 — гидравлический. Главный цилиндр сцепления 15 (рис. Б), закрепленный на щитке передка кабины, приводится в действие подвесной педалью 20.
Главный цилиндр сцепления Валдай ГАЗ-3310, ГАЗ-33106, 33104 соединен шлангом 2 с одной из секций трехсекционного питающего бачка 1, снабженного датчиком сигнализатора аварийного падения уровня тормозной жидкости (две другие секции бачка питая гидравлический привод двухконтурной рабочей тормозной системы).

Рис. Б. Привод сцепления автомобилей Валдай ГАЗ-3310, ГАЗ-33104, 33106
В — компенсационное отверстие; Г — перепускное отверстие; 1 —
питающий бачок; 2 — питающий шланг; 3, 18 — штуцера; 4, 23 —
защитные колпаки; 5, 24 —
толкатели; 6,33 — втулки; 7,34 — поршни; 8 — клапан поршня; 9, 14,
35 — манжеты; 10,32, 37 — пружины; 11 -муфта; 12 — гайка; 13 —
упорная шайба; 15 —
главный цилиндр сцепления; 16 — клапан главного цилиндра сцепления;
17 — упорное кольцо; 19 — трубопровод; 20 — педаль; 21 — шланг; 22 —
рабочий
цилиндр сцепления; 25 — крышка; 26 — кольцо вилки; 27 — ось опоры
вилки; 28, 30 — ролики; 29 -палец муфты; 31 — подшипник муфты; 36 —
распорная
втулка
Рабочий цилиндр 22, закрепленный на верхней части картера сцепления, соединен с главным цилиндром трубопроводом 19 и шлангом 21, снабжен клапаном для удаления воздуха из гидросистемы.
При не нажатой педали полость под поршнем 7 главного цилиндра соединена с бачком через компенсационное отверстие В, что исключает повышение давления в гидросистеме и пробуксовку сцепления.
Поджатие подшипника 31 муфты выключения сцепления Валдай ГАЗ-3310, ГАЗ-33106, 33104 к нажимной пружине с усилием 70-100 Н (7-10 кгс) осуществляет с помощью пружины 32 через поршень 34, толкатель 24, вилку 3 (см. рис. А) и муфту 8.
При износе накладок сцепления под действием нажимной пружины система занимает новое положение, сжимая пружину 32 (рис. Б).
Избыток жидкости из рабочего цилиндра сцепления Валдай ГАЗ-3310, ГАЗ-33104, 33106 через трубопровод в компенсационное отверстие в главном цилиндре попадает в бачок.
Имеющийся загиб длины рабочего цилиндра на перемещение поршня обеспечивает (без регулировки) расчетный износ накладок сцепления.
Положение (ход) педали сцепления относительно пола регулируется изменением длины толкателя 5. Ремонтные работы со сцеплением можно проводить без снятия двигателя с автомобиля.
Коробка передач КПП Валдай ГАЗ-3310, ГАЗ-33106, 33104
На автомобиль Валдай ГАЗ-3310, ГАЗ-33104, 33106 устанавливают механическую пятиступенчатую коробку передач. Все передачи, кроме первой и заднего хода, снабжены инерционными синхронизаторами.
Переключение передач осуществляется с помощью рычага. Схема переключения передач расположена в кабине на панели приборов. Масса узла 75 кг (без масла).
Детали 5-ступенчатой коробки передач Валдай ГАЗ-3310, ГАЗ-33106, 33104 собраны в переднем 1 (рис. В) и заднем 29 картерах, изготовленных из алюминиевого сплава.
Для обеспечения необходимой соосности деталей коробки передач картеры центрируются по двум установочным штифтам, запрессованным в задний картер. Картеры соединены между собой через прокладку двенадцатью болтами с пружинными коническими шайбами.

Рис. В. Коробка передач КПП Валдай ГАЗ-3310, ГАЗ-33104, 33106
1 — передний картер; 2 — регулировочные прокладки; 3 — промежуточный
вал; 4,5,44 — шестерни промежуточного вала; 8,31 — манжеты; 7 —
крышка
первичного вала; 8 — первичный вал; 9 — роликовый подшипник; 10 —
шайба подшипника; 11 — синхронизатор четвертой и пятой передач; 12 —
съемный
венец первичного вала; 13 — блокирующее кольцо синхронизатора; 14,32
— заглушки; 15,25,28 — вилки включения передач; 16 — шарики
фиксатора; 17 —
прокладка картера рычага; 18 — рычаг переключения передач; 19 —
колпак рычага; 20 — уплотнитель рычага; 21 -прокладка колпака
рычага; 22 — картер
рычага; 23 — съемный венец шестерен второй и третьей передач; 24 —
болт крепления вилок; 26 — синхронизатор второй и третьей передач;
27 —
вторичный вал; 29 — задний картер; 30 — ведущая шестерня привода
спидометра; 33 — гайка фланца; 34 — фланец вторичного вала; 35,40,
41,45, 46 —
шестерни вторичного вала; 36 — ступица муфты включения первой
передачи и передачи заднего хода; 37 — муфта сцепления; 38 — съемный
венец
шестерен первой передачи и передачи заднего хода; 39 — подшипник
промежуточного вала; 42 — игольчатый подшипник шестерен вторичного
вала; 43 —
пробка сливного отверстия
Все шестерни КПП Валдай ГАЗ-3310, ГАЗ-33106, 33104 косозубые (кроме шестерен заднего хода) и находятся в постоянном зацеплении.
Первичный 8 и вторичный 27 валы установлены в картерах на шариковых подшипниках, которые удерживаются от осевого смещения полукольцами, крепящимися к картерам болтами.
Передний конец вторичного вала КПП Валдай ГАЗ-3310, ГАЗ-33104, 33106 опирается на роликовый подшипник 9 (см. рис. В), расположенный внутри первичного вала. Промежуточный вал 3 установи картерах на двух одинаковых конических роликовых подшипниках 39.
При сборке коробки передач Валдай ГАЗ-3310, ГАЗ-33106, 33104 должен быть обеспечен предварительный натяг подшипников промежуточного вала 0,06-0,16 мм, который достигается подбором и установкой металлических прокладок 2 под торец наружного кольца переднего подшипника. Дополнительной регулировки подшипников при эксплуатации автомобиля не требуется.
Шестерни промежуточного вала 4, 5 и 44 установлены на вал на прессовой посадке. Шестерни вторичного вала установлены на роликовых игольчатых подшипниках 42 единого типоразмера. Первая передача и передача заднего хода включаются с помощью муфты 37.
Шестерни второй, третьей, четвертой передачи вторичного вала и первичный вал КПП Валдай ГАЗ-3310, ГАЗ-33104, 33106 имеют съемные венцы, на конической поверхности которых расположены блокирующие кольца 13 синхронизаторам 11 и 26.
Синхронизаторы имеют по три пружины, фиксатора и сухаря, включение передач осуществляется соединением внутренних зубьев-муфт с наружными зубьями съемных венцов.
От самопроизвольного выключения муфта синхронизатора КПП Валдай ГАЗ-3310, ГАЗ-33106, 33104 удерживается благодаря скошенным внутрь под углом 4 градуса к зубьям самой муфты и съемного венца, образующих при включенном положении замок. Три площадки на зубчатом венце муфты ограничивают ее ход при включении передач.
С правой стороны по направлению движения на оси, запрессованной в задний картер, на роликовом подшипнике вращается промежуточная шестерня заднего хода, от которой возможен отбор мощности через специальный люк.
От осевого смещения ось застопорена болтом, завернутым в прилив заднего картера. Под головку болта подложены плоская и пружинная коническая шайбы.
Механизм переключения передач Валдай ГАЗ-3310, ГАЗ-33104, 33106 содержит три вилки включения, которые крепятся на трех штоках болтами 24 (рис. В) и пружинными коническими шайбами. Вилки имеют стальные съемные сухари, которые расположены в пазах муфт.
Кроме того, на штоках с помощью штифтов крепятся головки включения, в пазах которых расположен нижний конец рычага переключения передач. В положении включенной передачи и в нейтрали каждый шток зафиксирован шариками 16 (рис. В), поджатыми пружинами.
В заднем картере КПП Валдай ГАЗ-3310, ГАЗ-33106, 33104 расположено блокирующее устройство, состоящее из четырех шариков, расположенных попарно между штоками, и штифта, установленного в отверстии среднего штока, что предотвращает одновременное перемещение двух штоков.
Расположенные в верхней части переднего картера подпружиненные предохранители удерживают нижний конец рычага переключения передач в нейтральном положении в головке включения второй и третьей передач.
Рычаг переключения передач с пружиной и седлом установлены в картер 22 (рис. В) рычага и закреплены колпаком 19, под которым установлена прокладка 21. Уплотнитель 20 предотвращает попадание в коробку передач грязи и воды. Картер рычага установлен сверху на переднем картере коробки передач через прокладку 17.
В отверстии заднего картера КПП Валдай ГАЗ-3310, ГАЗ-33106, 33104 установлен штуцер с ведомой шестерней привода спидометра, который крепится в картере болтом. Ведущая шестерня привода спидометра установлена на вторичном валу.
Смазка деталей коробки передач Валдай ГАЗ-3310, ГАЗ-33104, 33106 осуществляется окунанием и разбрызгиванием.
К роликовым подшипникам шестерен, переднему подшипнику вторичного вала масло поступает через специальные отверстий шестернях и первичном валу. Для уплотнения валов используются армированные манжеты 6 и 31 (рис. В).
Пробка 4 сливного отверстия снабжена постоянны магнитом для сбора и удерживания продуктов износа. На стенке заднего картер расположен сапун, предназначенный для сообщения внутренней полости коробки передач с атмосферой.
_________________________________________________________________________________________
_________________________________________________________________________________________
_________________________________________________________________________________________
_________________________________________________________________________________________
_________________________________________________________________________________________
_________________________________________________________________________________________
_________________________________________________________________________________________
_________________________________________________________________________________________
_________________________________________________________________________________________
spezz.ru
