Винтовка Ремингтона (Remington) обр.1864 года, США
Одна из первых винтовочных систем, изготовленных под унитарный металлический патрон — винтовка Ремингтона, изготовленная в 1870 году. В процессе бытования, после снятия с вооружения, она использовалась как охотничье ружье, и ложа винтовки была обрезана.Оружие деактивировано, все основные части выведены из боевого состояния без возможности восстановления.
Идея центрального воспламенения была выражена сперва в патроне игольчатых ружей Поли, Дрейзе, Шасспо и других подобных системах, в которых капсюль помещался в центре поперечного сечения патрона. Такие боеприпасы по сравнению с патронами кругового воспламенения обладали большей мощностью, так как сгорание пороха происходило быстрее. Существующий и сегодня патрон центрального огня изобрел французский оружейник Поттэ, затем усовершенствовал его в 1861 году Шнейдер — тоже изобретатель из Франции. Первые образцы патронов центрального огня были в картонной гильзе, которая имела шляпку в тонкой медной, иногда в железной оправе с капсюлем в центре.
Металлические патроны центрального воспламенения изобретены американцем Мартини и англичанином Боксером. В 1857— 1867 годах под металлический патрон оружейниками США был создан ряд систем нарезного каз-нозарядного оружия. Это были винтовки Морзе, Пибоди, Спенсера, Шарпа, Балларда, Ремингтона и других изобретателей. Некоторые из этих винтовок переделывались из бывших дульнозарядных, оснащение которых откидными при заряжании затворами и новыми прицелами для стрельбы патронами улучшенной баллистики не требовало много времени и денежных средств.
В ходе Гражданской войны в США прославилось ружье Ремингтона образца 1864 года с простым по устройству, прочным и скорострельным затвором так называемой крановой конструкции. Принцип его действия очень похож на работу обыкновенного крана, например водопроводного, в котором движением рукоятки перемещается пропускающая воду задвижка. В винтовке Ремингтона крановый затвор вращался на оси перпендикулярно стволу, и при отодвигании его вниз открывалась казна для заряжания, а при движении вверх плотно закрывался канал ствола. Такой винтовочный затвор имел несложное устройство, был дешев и не допускал даже малейшего прорыва газов. Винтовка Ремингтона оказалась популярной и в Европе: поступила на вооружение армий Швеции, Норвегии, Греции, Испании, Дании. В Австрии по системе Ремингтона выпускались пистолеты образца 1866 и 1867 годов для военно-морского флота и армейский пистолет модели 1871 года.
По материалам сайта http://www.bibliotekar.ru
самая простая винтовка на свете!
Говорят, что 80% мужчин в душе убийцы. И этому вполне можно поверить, если вспомнить нашу тысячелетнюю биологическую историю: мужчины охотились на дичь, а женщины собирали злаки. Поэтому неудивительно, что нам приятно держать оружие в руках, иметь его у себя дома, читать о нем статьи в журналах, да и самому из него стрелять – чего уж там. И у каждого мужчины есть, в общем-то, свой любимый образец – у кого-то это армейский автомат («любовь юности»), у кого-то купленный в штатах за баксы дорогущий винчестер («совсем как в ковбойских фильмах»), а у кого-то что-то еще. Мне лично очень нравятся… винтовки Ремингтона с откидным затвором (или с крановым, так тоже говорят). Однако про них у нас почему-то до обидного мало написано, хотя в истории вооруженной борьбы конца XIX – начала ХХ вв. ей довелось сыграть очень важную роль!
Карабин «Ремингтон» .46 калибра 1865 года.
Ну, а рассказ об этом оружии нужно будет начать с размышления о том, что одной из причуд истории техники является то, что хорошая идея часто происходит в голову разным людям, причем, примерно в одно и то же время. Но еще чаще бывает так, что хорошую идею одного использует совершенно другой человек. И вот как раз история с винтовкой Ремингтона из этого числа. И, кстати, она во всех отношениях очень даже поучительна.
Элифалет Ремингтон.
Сам Элифалет Ремингтон родился 28 октября 1793 года, а умер 12 августа 1861. Как и многие другие американцы, он появился на свет в семье эмигрантов из Англии, уехавших искать счастья за океан. Став кузнецом, он в возрасте 23 лет сделал хорошую винтовку, для которой выковал ствол, а механизм купил у заезжего торговца. А так как винтовка понравилась, а технологию он отработал, то дело было только за тем, чтобы открыть собственную фирму по ее изготовлению, что он и сделал. Фирма называлась «Э. Ремингтон и сын».
Капсюльный револьвер Ремингтона «Новая модель» обр. 1858 года.
Официально компания была зарегистрирована в городе Иллион, в штате Нью-Йорк в 1825 году. Отец и сын работали вместе в течение 19 лет, после чего приняли в свое дело еще племянника Элифалета-старшего – Фило Ремингтона. А затем к семейному бизнесу присоединились еще два сына основателя компании – Сэмюэл и Элифалет Третий.
Патронный револьвер 1875 года .44 калибра, украшенный гравировкой.
После этого компанию переименовали в «Э. Ремингтон и Сыновья». Под этим названием компания работала до 1888 года, пока бразды правления не перешли в руки внуков основателя компании – Грэму и Гартли Ремингтонов. Братья решили, что «Ремингтон Армз Компании» звучит более солидно, чем прежнее название, придуманное их дедом, и, не раздумывая, сменили его в третий раз. Под этим названием она существует и сегодня, правда, выпускает уже не только оружие.
Впервые компания прославилась благодаря револьверу, созданному 1863 году, который составил конкуренцию самому Кольту (тот, кстати, в это время уже умер!) и был принят на вооружение американской армией. Успех револьвера, имевшего цельную замкнутую рамку в отличие от револьверов Кольта, навела ее владельцев на мысль выпускать еще и револьверные карабины такой же системы. Ну, и практически одновременно с этим револьвером и своими револьверными винтовками фирма выпустила свой мировой шедевр – кавалерийский карабин с так называемым крановым затвором или затвором «роллинг блок», как его называют сами американцы.
Причем придумал его отнюдь не Ремингтон и не его сыновья, а некто Леонард Гейгер. Долгое время думали, что он был сотрудником компании Ремингтон. Однако, благодаря новым исследованиям, проделанным Эд Халлом, стало известно, что Гейгер не только не работал на семью Ремингтонов, он может быть даже никогда с ними и не встречался.
Затвор и курок карабина обр. 1865 года.
А вот Джозеф Райдер действительно был сотрудником фирмы «Ремингтон» и он разработал свой затвор почти одновременно с Гейгером. Во всяком случае, сходство между идеями Гейгера и Райдера налицо. Райдер получил свой патент 15 ноября 1864 года. Гейгер – 17 апреля 1866-ого. И вот тут, вместо того, чтобы судиться, фирма «Ремингтон» купила патентные права у Гейгера. Два брата Гейгера на этом обогатились, но затвор конструкции Джозефа теперь все стали называть «ремингтоновским»!
Затвор открыт.
Впрочем, фирма успела выпустить винтовки по патенту Райдера, получившие обозначение «Карабин старой модели». В марте 1864 года федеральное правительство заказало 1000 таких карабинов .46 калибра (11,6-мм) под патроны кольцевого воспламенения. В декабре контракт был пересмотрен, и заказ возрос до 5000 экземпляров. Первые 1250 были выпущены в феврале 1865, более 1500 изготовили в марте, а окончательная поставка была сделана 30 апреля 1865 года. В то же время «Ремингтон» подписал и второй контракт (в октябре 1864 года) на 15000 карабинов, получивших название «вторая модель». Они были рассчитаны на более мощный патрон .50 калибра (12,7-мм) Спенсера также кольцевого воспламенения, которые использовались в семизарядном карабине образца 1865 года. Первые 1000 были поставлены армии в сентябре 1865 года, спустя пять месяцев после прекращение военных действий. Остальные 14000 карабинов были изготовлены к марту 1866 года и армия объявила их излишними. Поэтому в ноябре 1870 года фирма выкупила у нее всю поставку и продала винтовки во Францию, где они применялись в годы франко-прусской войны!
Удачным оружием оказались и карабины. Во всяком случае, для всадников. Именно карабином «Ремингтон-спортинг» в роковой битве с индейцами при Литтл Биг Хорне в 1876 году был вооружен и генерал Кастер. Уж генерал-то (пусть и воевавший там в чине полковника), наверное, мог позволить себе любое оружие. Но выбрал непатриотичные крупнокалиберные револьверы «Бульдог» и… однозарядный карабин Ремингтона!
Винтовка Ремингтона 1871 года по испанский патрон .43 калибра испанского производства. Выпускалась испанским Национальным Арсеналом в Овьедо.
Ну, а сами «крановые затворы» также производила не компания «Ремингтон», а компания «Саваж» из Миддлтона, штат Коннектикут. То есть все было, как и раньше, когда стволы к своим винтовкам ковал еще сам Элифалет Ремингтон!
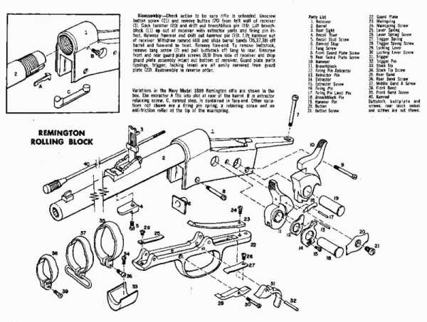
Ну, а теперь посмотрим на саму технику. Ведь перед нами, бесспорно, самый гениальный затвор для винтовки всех времен и народов, и равного ему по своей завершенности, простоте и надежности просто нет.
Патент Леонарда Гейгера.
Обратимся к патенту Гейгера, потому что на чертеже из него как раз все очень хорошо видно и понятно. Чем сразу подкупил оружейников-технологов Ремингтона этот затвор, так это его простота и высокая технологичность. Ведь весь затвор состоял всего лишь из трех основных деталей, двух осей и четырех пружин, не считая винтов. Сам затвор имел форму перевернутой буквы П, ну а курок под патрон с круговым воспламенением был типичным для своего времени и состоял из спицы и бойка. Обе эти детали были большими и потому прочными, вращались на массивных осях, так что ломаться в затворе было попросту нечему! При этом спущенный курок входил в срединный паз затвора и, по сути, в замкнутом состоянии составлял с ним одно целое.
Крепление осей затвора при помощи одной привинченной пластины. После ее удаления их можно было легко выколотить и извлечь затвор и курок.
Действовал этот затвор так. Для того чтобы произвести выстрел нужно было большим пальцем отвести курок назад. При этом он удерживался в этом положении спусковым крючком. Затем назад отводился П-образный затвор, имевший нарезку под пальцы на своих выступах слева и справа. Теперь в ствол можно было вставить патрон и прижать его затвором, подпружиненным снизу специальной пружиной. После этого оставалось прицелиться и спустить курок. Последний входил в затвор, намертво его при этом подпирал так, что никакая сила отдачи не могла их совместно откинуть назад, и одновременно своим бойком ударял по закраине патрона.
Следовал выстрел, после которого все нужно было сделать в обратной последовательности. При этом экстрактор выталкивал гильзу из ствола, и винтовка была готова к повторному заряжанию.
Спортивный карабин .32 калибра.
С 1867 года по 1896 фирма «Ремингтон» выпустила огромное количество винтовок и карабинов под патроны с черным порохом. Например, в 1869 году только одной Турции было поставлено 125000 винтовок этой системы.
Одна из многочисленных моделей винтовки Ремингтона.
А затем появился бердановский патрон центрального боя, и фирме пришлось переделать свой затвор под новинку. Все свелось к следующим изменениям: так, затвор приобрел форму курка, внутри которого проходил канал для бойка. С правой стороны его была установлена изогнутая пластина («спица») для отвода его назад. И это все изменения! Теперь курок ударял по бойку и так же, как и раньше, его намертво запирал в «мертвой точке».
Рекламная листовка фирмы «Ремингтон».
Причем, несмотря на то, что в 1896 году уже многие страны перешли на многозарядные винтовки, «Ремингтон» по-прежнему выпускал «однозарядки», но уже под патроны с бездымным порохом и продавал их по всему миру. Винтовки выпускались следующих калибров: 6-мм (.236 калибр «Ремингтон»), 7-мм под маузеровские патроны для Испании и Бразилии, 7,62-мм (.30 калибр США), и 7,65-мм для Бельгии, Аргентины, Чили и Колумбии. Чем завлекали? Дешевизной – поскольку стоимость винтовки составляла всего 15 долларов со штыком. И высокими боевыми качествами. Например, подчеркивалась длина ствола – 30 дюймов, при том, что сама она была короче, чем многие другие, и вес – около 4 кг со штыком. Скорострельность винтовки была выше, чем у многих магазинных образцов и достигала 15 выстрелов в минуту.
Прицельная дальность стрельбы составляла 900 метров, хотя у некоторых винтовок были прицелы и на 1280 метров. Разбирать и чистить ее было также несложно и удобно. Обе оси курка и затвора удерживались от выпадения специальной пластинкой с левой стороны ствольной коробки обычным винтом. Достаточно было его вывернуть, обе эти оси выколотить, как и затвор и курок легко извлекались, а ствол можно было при этом чистить с обеих сторон! В результате даже папская гвардия в Ватикане сделала ее своим табельным оружием!
Винтовка «Ремингтон» .50-70 калибра Национальной гвардии штата Нью-Йорк.
Комментарии (0) | Распечатать | | Жалоба
Источник: http://topwar.ru/85272-remington-samaya-prostaya-vintovka-na-svete.html
politinform.su
Еще раз к вопросу о винтовке Ремингтон с поворотным затвором (часть 2).
Свою вторую русскую винтовку я нашел в первом музее спецназа на Окинаве. И снова у нее был необычно короткий ствол, особенность, которую я сначала принял за модификацию. Эта винтовка была в еще более плохом состоянии. Однако маркировки калибра были четкими, а также адрес Ремингтона и дата 22 октября 1901 г. Частично была видна и патентная маркировка. Зуб курка был укорочен, ложа была отремонтирована, а на ложе и шейке приклада стояли штампы на китайском, кириллице и вьетнамском языках.
Реклама винтовки Ремингтона М1897 г.
Несколько лет тому назад в Гардоне, в Италии нашли несколько сотен или больше ударных механизмов винтовки Ремингтон 1902 г. По мнению ряда европейских коллекционеров, которые купили некоторые из них, это было то, что осталось со времен гражданской войны в Испании и, что все они были проданы неизвестному лицу в Италии приблизительно в 1958 г., где и хранились до недавних пор.
Если это остатки оружия времен гражданской войны в Испании, то они почти наверняка были когда-то частью винтовок Ремингтона М1902, проданными в Россию, и они были частью большой партии оружия, которую Сталин отправил в поддержку испанских республиканцев. Сталин очищал российские арсеналы, сначала посылая устаревшее, а потом и современное стрелковое оружие самых разных видов.
Эти винтовки с поворотным затвором, вероятно, входили в первую партию оружия, которую корабль «Компеш» вывез из порта в Крыму 26 сентября и доставил в Испанию 4 октября 1936 г. Этот груз внесен в списки просто как 23350 «Винтовки – иностранные, старые».
В августе 1938 года победившие испанские националисты устроили выставку захваченного у республиканцев оружия и техники. Каталог этой выставки включает перечень типов захваченного стрелкового оружия и самая первая запись в списке – это «Фузея … оружейный завод Ремингтон …, М1887 (так в оригинале) … 7.62 …Россия». За исключением того, что год модели указан не совсем верно и ее почему-то странным образом назвали пятизарядной, это, по всей вероятности, и есть русская винтовка с поворотным затвором. Так как составители каталога хорошо знали русские винтовки и винтовки с поворотным затвором, то «М1887», скорее всего, опечатка, а пятизарядная – это просто ошибка или результат какой-либо путаницы. Или … фраза «пятизарядная» может относиться к экспериментальному приспособлению, о котором речь пойдет дальше, и о котором мы в сущности ничего не знаем.
На фотографиях в руках солдат-участников гражданской войны в Испании с обеих сторон видны винтовки всех моделей и калибров. Но сколько из 2981 винтовок с поворотным затвором были отправлены в Испанию, определить нельзя, и почему ударные механизмы винтовок Ремингтон, обнаруженные в Гардоне, оставались в хранилище так долго, тоже сказать трудно. Две целые винтовки, которые я рассматривал в 1971 г., свидетельствуют о том, что не все русские винтовки были отправлены в Испанию, что некоторые из них еще могут быть в обращении.
И только в 2004 г. я, наконец, смог приобрести винтовку Ремингтон с поворотным затвором русского калибра 7.62х54мм, изготовленную для царской России; ее фотография дана в этой книге.
В 2002 г. ко мне обратился коллекционер-экспортер российского оружия и антиквариата Алекс Аксенов. Он узнал обо мне из моей первой книге о винтовках Ремингтон с поворотным затвором и спросил, собираю ли я их все еще. Получив ответ, что я всегда ими интересуюсь и постоянно ищу что-нибудь, чего у меня, возможно, нет, он сообщил мне о винтовке, которую я уже не надеялся найти, М1902, серийный номер 88, приспособленную под русский патрон 7.62х54мм.** Я отправил письмо экспресс-почтой со своим почтовым и электронным адресом, рабочим и домашним телефоном, с пометкой ASAP (как можно скорее), так как не хотел терять эту находку. Мне потребовалось два года, чтобы урегулировать все сложности, решить таможенные формальности и вывести ее из Российской Федеративной Республики через Канаду в США.

Крепление осей затвора было очень простым.
Каким образом эта винтовка возвратилась в страну своего происхождения – это еще один пример того, как важно оказаться «в нужном месте в нужное время».
Эта винтовка начала свой путь по возвращению на Запад только благодаря тому, что непримиримые члены коммунистической партии отказались покинуть здание парламента. В 1991 г. российской армии был дан приказ выбить засевших в этом здании бывших членов Политбюро. Артиллерия (так в тексте – прим. Авторов) обстреляла это здание, прежде чем начать его штурм. Два снаряда вообще прошли мимо и оба попали в здание бывшего Московского военного научно-исследовательского центра. Этот центр был основан в 1935 г. и там выставлялось военное снаряжение для исследования и использования их военными. Только в 1986 г. он был открыт для публики и стал музеем. Экспонаты включали все виды военного снаряжения, такие как: сабли, мушкеты, винтовки и седла, начиная с войны с Наполеоном и до советского периода второй мировой войны. В экспозиции огнестрельного оружия было и пять винтовок Ремингтон с поворотным затвором, которые были названы мушкетонами. Артиллерийские снаряды повредили здание этого военного исследовательского центра, он не охранялся, и в него можно было войти. Московской полиции и военным потребовалось около 4-х дней, чтобы окончательно убрать оттуда всех любопытных граждан и обеспечить его охрану. Однако, более 1000 винтовок, пистолетов, редких опытных образцов, рисунков, многие исторически ценные военные и гражданские артефакты бесследно испарились, чтобы затем появиться на процветающем московском черном рынке. Алекс также сказал мне, что много других редких винтовок, таких как Винчестер модели 1866 и 1895 и мушкеты в хорошем состоянии исчезли из этого центра вместе с мушкетоном Ремингтон модели 1902.

Полная разборка затвора Ремингтона.
Пока местонахождение других четырех винтовок с серийным номером 88 остается неизвестным. Имея почти фотографическую память, Алекс смог запомнить, а позже кратко записать значительную часть информации с карточек, которые оставались на выставке еще долго после того, как здание центра было разграблено, но он не решился спросить можно ли с них сделать копии, хотя сам он в этом грабеже не участвовал.
На карточке исследовательского центра эти винтовки назывались «Специальная Винтовка Ремингтон Обр.97» и отмечалось, что большинство из них снабжены «глушителем Максим 3-S». Глушитель Максима изобрел Хирам Перси Максим, сын сэра Хирама Максима, изобретателя известного пулемета. Он был запатентован в 1909 г. 3-S был предназначен для винтовок под патрон большой мощности и был предложен на гражданский рынок приблизительно в 1910 г. Маркировка на хвосте ствольной коробки также изменилась примерно в 1911 г, так что они были сделаны или в 1910-1911г., или глушители на них были установлены уже в России. В карточке также отмечалось, что менее 1000 винтовок имеют признаки того, что на них была установлена комбинация «ускоренного заряжения обоймой и задний прицел на ствольной коробке». Было ли это сделано в России или самой компанией Ремингтон, или, может быть, субподрядчиком, также неизвестно, хотя я думаю, что если бы это было сделано в США, то остались бы какие-нибудь записи, патент или воспоминания об этом. Алекс рассказал мне, что от идеи сочетания заднего прицела на ствольной коробке снайперского типа и ускорителя заряжения отказались приблизительно в 1911-1912 гг., и 981 винтовка с таким устройством были приведены в первоначальное состояние. В них просто заткнули дополнительные отверстия под винты. Такие забитые отверстия располагаются на верхней левой и правой стороне корпуса, наверху затвора и на хвосте. Так как я никогда не видел ни одного такого устройства, я не имею представления, как оно выглядело и как оно работало, но поскольку винтовка с поворотным затвором – это однозарядная винтовка, интересно знать, могла ли она включать простой фиксатор патрона, что-то вроде приставки Меткафа, которая проходила испытания на винтовке Спрингфилда с откидным затвором.
Ствол был укорочен, а шомпол удален, чтобы освободить место для глушителя. Алекс отметил, что моя винтовка была получена в комплекте с фрикционно поставленным на нее глушителем Максима. В карточке на выставке этих пяти винтовок упоминалось об их использовании во время первой мировой войны, но ничего не сообщалось об их сегодняшнем местонахождении. Все пять выставленные винтовки были обработаны начисто «в белом виде», но неизвестно, вся ли партия из 2981 винтовок была с такой же отделкой. Европейские музеи,печально известны своей привычкой придавать внешний лоск всему, поэтому тот факт, что винтовки выглядят так великолепно, ничего не доказывает. Алекс записал серийные номера четырех исчезнувших винтовок из тех карточек, которые остались в экспозиции. Это – 116, 1467, 1673 и 2504. Номера 88 и 116 – это единственные два номера, свидетельствующие об этой таинственной переделке. Никто не знает, сохранилось ли сколько-нибудь этих устройств заднего прицела/ускоренного заряжения, и Алекс ясно дал понять, что дальнейшие расспросы были бы нежелательны.
(Прим. авторов: на фотографии на стр. 69 в книге «Огнестрельное оружие» Шокарева Ю.В., Плотникова С.Е., и Драгунова Е.М. можно увидеть изображение карабина Ремингтона с таким ускорителем.)
*По понятным причинам это вымышленное имя.
**Это российский серийный номер. У винтовок с поворотным затвором их никогда не было.
Шурупова Ирина Владимировна

Российская винтовка Ремингтон с поворотным затвором М1902. Ее отличительной особенностью является необычно короткий ствол, на который может устанавливаться глушитель Максима. Максим С-3 должен навинчиваться на ствол, но в этом случае использовался фрикционный фитинг, усиленный стержнем, который устанавливается в канал шомпола. Винтовка имеет принятый в России серийный номер 88 и штамп, состоящий из номера и букв русского алфавита (кириллицы). Из 2981 винтовок, купленных Россией, 981 были модифицированы и снабжены задним прицелом и приспособлением для ускоренного заряжения. Не представляю, как это выглядит, но на ствольной коробке и хвосте есть отверстия под винты, которые затыкаются, когда это устройство удаляется. На верхней части ствола, примерно в трех дюймах перед скобой спускового крючка имеется маркировка “CAL 7.62R”. (Авторская коллекция. Фото – Рика Пандерсона)
Текст из коллекционной карточки Джорджа Лаумана:
«РЕМИНГТОН
Модель 1897/02 Русский «Мушкетон». Специальный заказ 273 А.
7.62х54мм Русская ранняя модель 1902 года (разработка до Ремингтона/маркировки хвоста U.M.C., но включает экстрактор Дэйза).
Примечание: на стволе маркировка «CAL .7.62K». Серийный номер «88» отштампован позади курка поперек хвоста ствольной коробки, на нижней части хвоста, на гарде поперек верхней части, на нижней передней части приклада и на нижней части цевья. Маркировка кириллицей «заказ» (контракт) легко различима, так же, как и другие маркировки, такие как МВ, что означает Московский Военный, сокращение от Московского исследовательского центра. Эмблема с советской звездой, серпом и молотом, а сверху буквы МВ – это обозначение собственника».
Примечание: данный текст, как вы видите, весьма показателен во всех отношениях. Во-первых, это информация из серьезного источника. Во-вторых, наглядный образец того, что наша пропаганда далеко не всегда информирует нас о «кознях» наших заокеанских партнеров надлежащим образом и зачастую пишет много больше того, что есть на самом деле. Также это сведения о том, как и куда утекают наши исторические артефакты и отношении к России и ее истории таких людей, как Джордж Лауман. Все это очень интересно и показательно. Кроме того, мы выяснили, что роль Горлова и Гуниуса в истории с винтовкой Бердана была прямо противоположна той, что им приписывала советская историография! Соответственно «плохой» царский министр и «сатрап» Милютин оказался именно тем человеком, который открыл в России дорогу «берданке», а в итоге и нашей знаменитой «трехлинейке», то есть поступил как муж умный, государственный и ответственный!
topwar.ru
Винтовка Ремингтона (Remington) обр.1864 года, США
Одна из первых винтовочных систем, изготовленных под унитарный металлический патрон — винтовка Ремингтона, изготовленная в 1870 году. В процессе бытования, после снятия с вооружения, она использовалась как охотничье ружье, и ложа винтовки была обрезана.Оружие деактивировано, все основные части выведены из боевого состояния без возможности восстановления.
Идея центрального воспламенения была выражена сперва в патроне игольчатых ружей Поли, Дрейзе, Шасспо и других подобных системах, в которых капсюль помещался в центре поперечного сечения патрона. Такие боеприпасы по сравнению с патронами кругового воспламенения обладали большей мощностью, так как сгорание пороха происходило быстрее. Существующий и сегодня патрон центрального огня изобрел французский оружейник Поттэ, затем усовершенствовал его в 1861 году Шнейдер — тоже изобретатель из Франции. Первые образцы патронов центрального огня были в картонной гильзе, которая имела шляпку в тонкой медной, иногда в железной оправе с капсюлем в центре.
Во время Гражданской войны 1861—1865 годов американцы стали делать гильзу из меди вместо бумаги. Эта простая замена слабого материала более прочным имела большое значение. По прочности и долговечности металлические патроны превосходили бумажные. Они обладали лучшими баллистическими данными, металлическая гильза предотвращала прорыв из затвора пороховых газов. Следовательно, такие патроны были выгодны для стрельбы из казнозарядного оружия.
Металлические патроны центрального воспламенения изобретены американцем Мартини и англичанином Боксером. В 1857— 1867 годах под металлический патрон оружейниками США был создан ряд систем нарезного каз-нозарядного оружия. Это были винтовки Морзе, Пибоди, Спенсера, Шарпа, Балларда, Ремингтона и других изобретателей. Некоторые из этих винтовок переделывались из бывших дульнозарядных, оснащение которых откидными при заряжании затворами и новыми прицелами для стрельбы патронами улучшенной баллистики не требовало много времени и денежных средств.
В ходе Гражданской войны в США прославилось ружье Ремингтона образца 1864 года с простым по устройству, прочным и скорострельным затвором так называемой крановой конструкции. Принцип его действия очень похож на работу обыкновенного крана, например водопроводного, в котором движением рукоятки перемещается пропускающая воду задвижка. В винтовке Ремингтона крановый затвор вращался на оси перпендикулярно стволу, и при отодвигании его вниз открывалась казна для заряжания, а при движении вверх плотно закрывался канал ствола. Такой винтовочный затвор имел несложное устройство, был дешев и не допускал даже малейшего прорыва газов. Винтовка Ремингтона оказалась популярной и в Европе: поступила на вооружение армий Швеции, Норвегии, Греции, Испании, Дании. В Австрии по системе Ремингтона выпускались пистолеты образца 1866 и 1867 годов для военно-морского флота и армейский пистолет модели 1871 года.
По материалам сайта http://www.bibliotekar.ru
Винтовка Ремингтона (Remington) обр.1864 года, США | ||
| Артикул: 62246 | Предмет отсутствует | |
Военный антиквариат
Предметы прошлого во все времена вызывали огромный интерес не только у историков, но также у людей, которые считают себя эстетами, приобретая вещи, имеющие не только оболочку, но и свою персональную историю. Такие изделия были свидетелями великих событий, прекрасно помнят выдающихся личностей, а потому в любой коллекции занимают достойное место.
Особое внимание привлекает к себе военный антиквариат, поскольку именно оружие обычно меняет ход истории, притягивает своим могуществом. У каждого народа свои традиции, связанные с военной формой, вооружением, поэтому такие предметы старины могут поведать о целой культуре, еще существующей или уже канувшей в лету.
Приобрести предметы военного антиквариата можно с разной целью: как для частной коллекции, так и для украшения интерьера. А еще такие предметы используют с целью реконструкции исторических событий, каких-либо сцен прошлого. Кстати, вполне можно приобрести оружие «с историческим прошлым» и для подарка.
Такие предметы старины обладают особыми свойствами. Они как будто переносят своего владельца в те далекие времена, когда все решалось силой, а честь была не пустым звуком. Эти изделия дают возможность прикоснуться к истории, ощутить ее таинственную силу и величие.
На нашем сайте вы сможете приобрести военный антиквариат в широком ассортименте. Вкусы даже самых придирчивых «исторических гурманов» будут удовлетворены, поскольку артефакты собраны с разных уголков мира, начиная от встречающей солнце Японии и заканчивая странами Латинской Америки. Особое внимание, конечно, уделяется военной атрибутики Российской империи, СССР и Германии.
Атрибутика также удобно рассортирована по категориям: «Одежда», «Знаки отличия», «Оружие» и т.д., поэтому поиск предметов по интересам совершенно не занимает времени. Среди представленного ассортимента не только оружие или обмундирование, но также литература и предметы интерьера военного времени, что позволяет полностью погрузиться в определенную атмосферу.
antikvariat.ru
Винтовка Ремингтона (Remington) обр.1864 года, США
Одна из первых винтовочных систем, изготовленных под унитарный металлический патрон — винтовка Ремингтона, изготовленная в 1870 году. В процессе бытования, после снятия с вооружения, она использовалась как охотничье ружье, и ложа винтовки была обрезана.Оружие деактивировано, все основные части выведены из боевого состояния без возможности восстановления.
Идея центрального воспламенения была выражена сперва в патроне игольчатых ружей Поли, Дрейзе, Шасспо и других подобных системах, в которых капсюль помещался в центре поперечного сечения патрона. Такие боеприпасы по сравнению с патронами кругового воспламенения обладали большей мощностью, так как сгорание пороха происходило быстрее. Существующий и сегодня патрон центрального огня изобрел французский оружейник Поттэ, затем усовершенствовал его в 1861 году Шнейдер — тоже изобретатель из Франции. Первые образцы патронов центрального огня были в картонной гильзе, которая имела шляпку в тонкой медной, иногда в железной оправе с капсюлем в центре.
Во время Гражданской войны 1861—1865 годов американцы стали делать гильзу из меди вместо бумаги. Эта простая замена слабого материала более прочным имела большое значение. По прочности и долговечности металлические патроны превосходили бумажные. Они обладали лучшими баллистическими данными, металлическая гильза предотвращала прорыв из затвора пороховых газов. Следовательно, такие патроны были выгодны для стрельбы из казнозарядного оружия.
Металлические патроны центрального воспламенения изобретены американцем Мартини и англичанином Боксером. В 1857— 1867 годах под металлический патрон оружейниками США был создан ряд систем нарезного каз-нозарядного оружия. Это были винтовки Морзе, Пибоди, Спенсера, Шарпа, Балларда, Ремингтона и других изобретателей. Некоторые из этих винтовок переделывались из бывших дульнозарядных, оснащение которых откидными при заряжании затворами и новыми прицелами для стрельбы патронами улучшенной баллистики не требовало много времени и денежных средств.
В ходе Гражданской войны в США прославилось ружье Ремингтона образца 1864 года с простым по устройству, прочным и скорострельным затвором так называемой крановой конструкции. Принцип его действия очень похож на работу обыкновенного крана, например водопроводного, в котором движением рукоятки перемещается пропускающая воду задвижка. В винтовке Ремингтона крановый затвор вращался на оси перпендикулярно стволу, и при отодвигании его вниз открывалась казна для заряжания, а при движении вверх плотно закрывался канал ствола. Такой винтовочный затвор имел несложное устройство, был дешев и не допускал даже малейшего прорыва газов. Винтовка Ремингтона оказалась популярной и в Европе: поступила на вооружение армий Швеции, Норвегии, Греции, Испании, Дании. В Австрии по системе Ремингтона выпускались пистолеты образца 1866 и 1867 годов для военно-морского флота и армейский пистолет модели 1871 года.
По материалам сайта http://www.bibliotekar.ru
antikvariat.ru
Винтовка Ремингтона (Remington) обр.1864 года, США
Одна из первых винтовочных систем, изготовленных под унитарный металлический патрон — винтовка Ремингтона, изготовленная в 1870 году. В процессе бытования, после снятия с вооружения, она использовалась как охотничье ружье, и ложа винтовки была обрезана.Оружие деактивировано, все основные части выведены из боевого состояния без возможности восстановления.
Идея центрального воспламенения была выражена сперва в патроне игольчатых ружей Поли, Дрейзе, Шасспо и других подобных системах, в которых капсюль помещался в центре поперечного сечения патрона. Такие боеприпасы по сравнению с патронами кругового воспламенения обладали большей мощностью, так как сгорание пороха происходило быстрее. Существующий и сегодня патрон центрального огня изобрел французский оружейник Поттэ, затем усовершенствовал его в 1861 году Шнейдер — тоже изобретатель из Франции. Первые образцы патронов центрального огня были в картонной гильзе, которая имела шляпку в тонкой медной, иногда в железной оправе с капсюлем в центре.
Во время Гражданской войны 1861—1865 годов американцы стали делать гильзу из меди вместо бумаги. Эта простая замена слабого материала более прочным имела большое значение. По прочности и долговечности металлические патроны превосходили бумажные. Они обладали лучшими баллистическими данными, металлическая гильза предотвращала прорыв из затвора пороховых газов. Следовательно, такие патроны были выгодны для стрельбы из казнозарядного оружия.
Металлические патроны центрального воспламенения изобретены американцем Мартини и англичанином Боксером. В 1857— 1867 годах под металлический патрон оружейниками США был создан ряд систем нарезного каз-нозарядного оружия. Это были винтовки Морзе, Пибоди, Спенсера, Шарпа, Балларда, Ремингтона и других изобретателей. Некоторые из этих винтовок переделывались из бывших дульнозарядных, оснащение которых откидными при заряжании затворами и новыми прицелами для стрельбы патронами улучшенной баллистики не требовало много времени и денежных средств.
В ходе Гражданской войны в США прославилось ружье Ремингтона образца 1864 года с простым по устройству, прочным и скорострельным затвором так называемой крановой конструкции. Принцип его действия очень похож на работу обыкновенного крана, например водопроводного, в котором движением рукоятки перемещается пропускающая воду задвижка. В винтовке Ремингтона крановый затвор вращался на оси перпендикулярно стволу, и при отодвигании его вниз открывалась казна для заряжания, а при движении вверх плотно закрывался канал ствола. Такой винтовочный затвор имел несложное устройство, был дешев и не допускал даже малейшего прорыва газов. Винтовка Ремингтона оказалась популярной и в Европе: поступила на вооружение армий Швеции, Норвегии, Греции, Испании, Дании. В Австрии по системе Ремингтона выпускались пистолеты образца 1866 и 1867 годов для военно-морского флота и армейский пистолет модели 1871 года.
По материалам сайта http://www.bibliotekar.ru
antikvariat.ru
Ремингтон: самая простая винтовка на свете!
Говорят, что 80% мужчин в душе убийцы.И этому вполне можно поверить, если вспомнить нашу тысячелетнюю биологическую историю: мужчины охотились на дичь, а женщины собирали злаки. Поэтому неудивительно, что нам приятно держать оружие в руках, иметь его у себя дома, читать о нем статьи в журналах, да и самому из него стрелять – чего уж там. И у каждого мужчины есть, в общем-то, свой любимый образец – у кого-то это армейский автомат («любовь юности»), у кого-то купленный в штатах за баксы дорогущий винчестер («совсем как в ковбойских фильмах»), а у кого-то что-то еще. Мне лично очень нравятся… винтовки Ремингтона с откидным затвором (или с крановым, так тоже говорят). Однако про них у нас почему-то до обидного мало написано, хотя в истории вооруженной борьбы конца XIX – начала ХХ вв. ей довелось сыграть очень важную роль!
Карабин «Ремингтон» .46 калибра 1865 года. Ну, а рассказ об этом оружии нужно будет начать с размышления о том, что одной из причуд истории техники является то, что хорошая идея часто происходит в голову разным людям, причем, примерно в одно и то же время. Но еще чаще бывает так, что хорошую идею одного использует совершенно другой человек. И вот как раз история с винтовкой Ремингтона из этого числа. И, кстати, она во всех отношениях очень даже поучительна.
Элифалет Ремингтон. Сам Элифалет Ремингтон родился 28 октября 1793 года, а умер 12 августа 1861. Как и многие другие американцы, он появился на свет в семье эмигрантов из Англии, уехавших искать счастья за океан. Став кузнецом, он в возрасте 23 лет сделал хорошую винтовку, для которой выковал ствол, а механизм купил у заезжего торговца. А так как винтовка понравилась, а технологию он отработал, то дело было только за тем, чтобы открыть собственную фирму по ее изготовлению, что он и сделал. Фирма называлась «Э. Ремингтон и сын».
Капсюльный револьвер Ремингтона «Новая модель» обр. 1858 года. Официально компания была зарегистрирована в городе Иллион, в штате Нью-Йорк в 1825 году. Отец и сын работали вместе в течение 19 лет, после чего приняли в свое дело еще племянника Элифалета-старшего – Фило Ремингтона. А затем к семейному бизнесу присоединились еще два сына основателя компании – Сэмюэл и Элифалет Третий.
Патронный револьвер 1875 года .44 калибра, украшенный гравировкой. После этого компанию переименовали в «Э. Ремингтон и Сыновья». Под этим названием компания работала до 1888 года, пока бразды правления не перешли в руки внуков основателя компании – Грэму и Гартли Ремингтонов. Братья решили, что «Ремингтон Армз Компании» звучит более солидно, чем прежнее название, придуманное их дедом, и, не раздумывая, сменили его в третий раз. Под этим названием она существует и сегодня, правда, выпускает уже не только оружие.
Револьверная винтовка Ремингтона. Впервые компания прославилась благодаря револьверу, созданному 1863 году, который составил конкуренцию самому Кольту (тот, кстати, в это время уже умер!) и был принят на вооружение американской армией. Успех револьвера, имевшего цельную замкнутую рамку в отличие от револьверов Кольта, навела ее владельцев на мысль выпускать еще и револьверные карабины такой же системы. Ну, и практически одновременно с этим револьвером и своими револьверными винтовками фирма выпустила свой мировой шедевр – кавалерийский карабин с так называемым крановым затвором или затвором «роллинг блок», как его называют сами американцы.
Причем придумал его отнюдь не Ремингтон и не его сыновья, а некто Леонард Гейгер. Долгое время думали, что он был сотрудником компании Ремингтон. Однако, благодаря новым исследованиям, проделанным Эд Халлом, стало известно, что Гейгер не только не работал на семью Ремингтонов, он может быть даже никогда с ними и не встречался.
Затвор и курок карабина обр. 1865 года. А вот Джозеф Райдер действительно был сотрудником фирмы «Ремингтон» и он разработал свой затвор почти одновременно с Гейгером. Во всяком случае, сходство между идеями Гейгера и Райдера налицо. Райдер получил свой патент 15 ноября 1864 года. Гейгер – 17 апреля 1866-ого. И вот тут, вместо того, чтобы судиться, фирма «Ремингтон» купила патентные права у Гейгера. Два брата Гейгера на этом обогатились, но затвор конструкции Джозефа теперь все стали называть «ремингтоновским»!
Затвор открыт. Впрочем, фирма успела выпустить винтовки по патенту Райдера, получившие обозначение «Карабин старой модели». В марте 1864 года федеральное правительство заказало 1000 таких карабинов .46 калибра (11,6-мм) под патроны кольцевого воспламенения. В декабре контракт был пересмотрен, и заказ возрос до 5000 экземпляров. Первые 1250 были выпущены в феврале 1865, более 1500 изготовили в марте, а окончательная поставка была сделана 30 апреля 1865 года. В то же время «Ремингтон» подписал и второй контракт (в октябре 1864 года) на 15000 карабинов, получивших название «вторая модель». Они были рассчитаны на более мощный патрон .50 калибра (12,7-мм) Спенсера также кольцевого воспламенения, которые использовались в семизарядном карабине образца 1865 года. Первые 1000 были поставлены армии в сентябре 1865 года, спустя пять месяцев после прекращение военных действий. Остальные 14000 карабинов были изготовлены к марту 1866 года и армия объявила их излишними. Поэтому в ноябре 1870 года фирма выкупила у нее всю поставку и продала винтовки во Францию, где они применялись в годы франко-прусской войны!
Удачным оружием оказались и карабины. Во всяком случае, для всадников. Именно карабином «Ремингтон-спортинг» в роковой битве с индейцами при Литтл Биг Хорне в 1876 году был вооружен и генерал Кастер. Уж генерал-то (пусть и воевавший там в чине полковника), наверное, мог позволить себе любое оружие. Но выбрал непатриотичные крупнокалиберные револьверы «Бульдог» и… однозарядный карабин Ремингтона!
Винтовка Ремингтона 1871 года по испанский патрон .43 калибра испанского производства. Выпускалась испанским Национальным Арсеналом в Овьедо. Ну, а сами «крановые затворы» также производила не компания «Ремингтон», а компания «Саваж» из Миддлтона, штат Коннектикут. То есть все было, как и раньше, когда стволы к своим винтовкам ковал еще сам Элифалет Ремингтон! Ну, а теперь посмотрим на саму технику. Ведь перед нами, бесспорно, самый гениальный затвор для винтовки всех времен и народов, и равного ему по своей завершенности, простоте и надежности просто нет.
Патент Леонарда Гейгера. Обратимся к патенту Гейгера, потому что на чертеже из него как раз все очень хорошо видно и понятно. Чем сразу подкупил оружейников-технологов Ремингтона этот затвор, так это его простота и высокая технологичность. Ведь весь затвор состоял всего лишь из трех основных деталей, двух осей и четырех пружин, не считая винтов. Сам затвор имел форму перевернутой буквы П, ну а курок под патрон с круговым воспламенением был типичным для своего времени и состоял из спицы и бойка. Обе эти детали были большими и потому прочными, вращались на массивных осях, так что ломаться в затворе было попросту нечему! При этом спущенный курок входил в срединный паз затвора и, по сути, в замкнутом состоянии составлял с ним одно целое.
Крепление осей затвора при помощи одной привинченной пластины. После ее удаления их можно было легко выколотить и извлечь затвор и курок. Действовал этот затвор так. Для того чтобы произвести выстрел нужно было большим пальцем отвести курок назад. При этом он удерживался в этом положении спусковым крючком. Затем назад отводился П-образный затвор, имевший нарезку под пальцы на своих выступах слева и справа. Теперь в ствол можно было вставить патрон и прижать его затвором, подпружиненным снизу специальной пружиной. После этого оставалось прицелиться и спустить курок. Последний входил в затвор, намертво его при этом подпирал так, что никакая сила отдачи не могла их совместно откинуть назад, и одновременно своим бойком ударял по закраине патрона.
Следовал выстрел, после которого все нужно было сделать в обратной последовательности. При этом экстрактор выталкивал гильзу из ствола, и винтовка была готова к повторному заряжанию.
Спортивный карабин .32 калибра. С 1867 года по 1896 фирма «Ремингтон» выпустила огромное количество винтовок и карабинов под патроны с черным порохом. Например, в 1869 году только одной Турции было поставлено 125000 винтовок этой системы.
Одна из многочисленных моделей винтовки Ремингтона. А затем появился бердановский патрон центрального боя, и фирме пришлось переделать свой затвор под новинку. Все свелось к следующим изменениям: так, затвор приобрел форму курка, внутри которого проходил канал для бойка. С правой стороны его была установлена изогнутая пластина («спица») для отвода его назад. И это все изменения! Теперь курок ударял по бойку и так же, как и раньше, его намертво запирал в «мертвой точке».
Рекламная листовка фирмы «Ремингтон». Причем, несмотря на то, что в 1896 году уже многие страны перешли на многозарядные винтовки, «Ремингтон» по-прежнему выпускал «однозарядки», но уже под патроны с бездымным порохом и продавал их по всему миру. Винтовки выпускались следующих калибров: 6-мм (.236 калибр «Ремингтон»), 7-мм под маузеровские патроны для Испании и Бразилии, 7,62-мм (.30 калибр США), и 7,65-мм для Бельгии, Аргентины, Чили и Колумбии. Чем завлекали? Дешевизной – поскольку стоимость винтовки составляла всего 15 долларов со штыком. И высокими боевыми качествами. Например, подчеркивалась длина ствола – 30 дюймов, при том, что сама она была короче, чем многие другие, и вес – около 4 кг со штыком. Скорострельность винтовки была выше, чем у многих магазинных образцов и достигала 15 выстрелов в минуту. Прицельная дальность стрельбы составляла 900 метров, хотя у некоторых винтовок были прицелы и на 1280 метров. Разбирать и чистить ее было также несложно и удобно. Обе оси курка и затвора удерживались от выпадения специальной пластинкой с левой стороны ствольной коробки обычным винтом. Достаточно было его вывернуть, обе эти оси выколотить, как и затвор и курок легко извлекались, а ствол можно было при этом чистить с обеих сторон! В результате даже папская гвардия в Ватикане сделала ее своим табельным оружием!
Винтовка «Ремингтон» .50-70 калибра Национальной гвардии штата Нью-Йорк.
Об этом пишет сегодня Военное обозрение.
www.postsovet.ru
