Stg.44 и АК-47: hranitel_slov — LiveJournal
Калибр: 7.92×33 mm (7.92mm Kurz)
Тип автоматики: газоотводный, запирание перекосом затвора
Длина: 940 мм
Длина ствола: 419 мм
Вес: 5.22 кг
Магазин: 30 патронов
На дульной части ствола выполнена резьба для крепления винтовочного гранатомета, обычно закрытая защитной втулкой. Stg.44 мог оснащаться активным ИК-прицелом «Вампир», а также специальным кривоствольным устройством Krummlauf Vorsatz J, предназначенным для стрельбы из танков (и иных укрытий) по противнику в мертвой зоне вблизи танка.Ударный механизм
Ударный механизм куркового типа. Спусковой механизм позволяет вести одиночный и автоматический огонь. Переводчик огня расположен в спусковой коробке, а концы его выходят наружу с левой и правой сторон. Для ведения автоматического огня переводчик нужно переместить вправо на букву «D», а для одиночного огня — влево на букву «Е». Винтовка снабжена предохранителем от случайных выстрелов. Этот предохранитель флажкового типа находится ниже переводчика огня и в положении у буквы «F» блокирует спусковой рычаг.
Питание штурмовой винтовки патронами осуществляется из коробчатого магазина емкостью 30 патронов. Патроны в магазине располагаются в два ряда.
Прицел
Секторный прицел винтовки позволяет вести прицельный огонь на дальности до 800 м. Деления прицела нанесены на прицельной планке. Каждое деление прицела соответствует изменению дальности на 50 м. Прорезь и мушка треугольной формы. На винтовке могли быть установлены также оптический и инфракрасный прицелы.
Запоздалое принятие на вооружение винтовки StG-44 не оказало существенного влияния на ход боевых действий. Безусловно, этот образец автоматического оружия оказал большое влияние на послевоенное развитие данного класса вооружений, в том числе на АК-47. Всего за годы Второй мировой войны было выпущено более 415 тыс. винтовок StG-44, МР43 и Mkb 42, а также более 690 млн патронов к ним.
Доп инфо
Разработка ручного автоматического оружия под патрон, промежуточный по мощности между пистолетным и винтовочным, была начата в Германии еще до начала Второй Мировой войны, в середине тридцатых годов. В качестве нового базового боеприпаса в 1939 году был выбран промежуточный патрон 7.
92×33 мм (7.92mm Kurz), разработанный в инициативном порядке немецкой фирмой Polte. В 1942 году по заказу германского управления вооружений HWaA две фирмы принялись за разработку оружия под этот патрон — C.G. Haenel и Karl Walther.
В результате были созданы два образца, изначально классифицированные как автоматические карабины — (MaschinenKarabiner, MKb). Образец фирмы Вальтер обозначался MKb.42(W), образец фирмы Хенель, разработанный под руководством Хуго Шмайссера (Hugo Schmeisser) — Mkb.42(H). По результатам испытаний было решено развивать конструкцию фирмы Хенель, в которую внесли существенные изменения, касавшиеся в первую очередь устройства УСМ. В связи с нежеланием Гитлера начинать производство оружия нового класса, разработка велась под обозначением MP 43 (MaschinenPistole = пистолет-пулемет). Первые образцы MP 43 были успешно испытаны на Восточном Фронте против Советских войск, и в 1944 году начинается уже более или менее массовый выпуск нового образца оружия под наименованием MP 44.
После того, как результаты успешных фронтовых испытаний были представлены Гитлеру и одобрены им, номенклатура оружия была снова измена, и образец получил окончательное обозначение StG.44 (SturmGewehr 44, «штурмовая винтовка»)АК 47
Калибр:7.62х39
Тип автоматики: газоотводный, запирание перекосом затвора
Длина: 870 мм
Длина ствола: 415 мм
Вес: 4,86
Автоматика
Автоматика АК работает за счёт отвода пороховых газов через верхнее отверстие в стенке канала ствола. Газовый поршень со штоком жёстко связан с затворной рамой. После отхода затворной рамы под действием давления газов на нужное расстояние отработанные газы выходят в атмосферу через отверстия в газовой трубке. Запирание канала ствола осуществляется поворотом затвора, при этом два боевых выступа затвора заходят в соответствующие пазы ствольной коробки. Поворот затвора производится скосом затворной рамы. Затворная рама является ведущим звеном автоматики: она задаёт направление движения подвижных частей, воспринимает большинство ударных нагрузок, в продольном канале затворной рамы помещена возвратная пружина (по аналогии с пистолетами-пулемётами иногда не совсем верно именуется «возвратно-боевой»).
Рукоятка перезарядки расположена справа и выполнена заодно с затворной рамой. При отпирании затвора движущейся назад затворной рамой происходит предварительное смещение («страгивание») находящейся в патроннике гильзы. Это способствует сбросу давления в патроннике и предотвращает разрыв гильзы при последующем извлечении даже при очень сильном загрязнении патронника. Выброс стреляной гильзы вправо через окно ствольной коробки обеспечивают установленный на затворе подпружиненный выбрасыватель и жёсткий отражатель ствольной коробки. «Вывешенное» положение подвижных деталей в ствольной коробке со сравнительно большими зазорами обеспечило надёжную работу системы при сильной загрязнённости.
Ударный механизм
Ударный механизм — куркового типа с вращающимся на оси курком и П-образной боевой пружиной, выполненной из двойной витой проволоки. Спусковой механизм допускает ведение непрерывного и одиночного огня. Единая поворотная деталь выполняет функции переключателя режимов огня (переводчика) и флажкового предохранителя двойного действия: в положении предохранения он запирает спусковой крючок, шептало одиночного и непрерывного огня и препятствует движению назад затворной рамы, частично перекрывая продольный паз между ствольной коробкой и её крышкой.
При этом затвор можно отвести назад для проверки патронника, но его хода недостаточно для досылания следующего патрона в патронник. Все детали автоматики и ударно-спускового механизма компактно собраны в ствольной коробке, играющей, таким образом, роль и затворной коробки, и корпуса ударно-спускового механизма. Первые партии АК имели, в соответствии с заданием, штампованную ствольную коробку с вкладышем ствола из поковки. Однако имеющаяся технология не позволила тогда достичь требуемой жёсткости коробки, и в серийном производстве холодную штамповку заменили фрезерованием коробки из цельной поковки, что вызвало увеличение веса оружия. Задний упор направляющего стержня возвратной пружины входит в паз ствольной коробки и служит защёлкой штампованной крышки ствольной коробки.
Прицел
Автомат имеет традиционный секторный прицел с расположением прицельной колодки в средней части оружия и мушки — у дульной части ствола, на треугольном основании. Мушка — регулируемая по высоте, с боков укрыта «крыльями стойки», прицел проградуирован до 800 м.
У последующих модификаций градуировка прицела дошла до 1000 м.Доп инфо
После принятия в 1943 году на вооружение 7,62-мм промежуточного патрона конструкции Н. М. Елизарова и Б. В. Сёмина развернулись работы по созданию новой системы стрелкового вооружения под этот патрон. Для замены пистолетов-пулемётов разрабатывалось новое индивидуальное автоматическое оружие — надёжный автомат со сменным магазином и переключателем режимов огня; магазинного карабина — самозарядный карабин с постоянным магазином; ручного пулемёта винтовочного калибра — облегчённый ручной пулемёт с магазинным или ленточным питанием. Работы над автоматом были начаты А. И. Судаевым, создавшим в 1944 году ряд оригинальных конструкций, затем к разработкам подключились другие конструкторы.
В 1946 году Михаил Тимофеевич Калашников представил на конкурс свой образец автомата. В основе автомата лежал экспериментальный карабин Калашникова, участвовавшего ранее в конкурсе на самозарядный карабин. После существенных доработок, автомат успешно выдержал испытания и показал неплохие результаты, превзойдя образцы В.
А. Дегтярева, С. Г. Симонова, Н. В. Рукавишникова, К. А. Барышева и других конструкторов. После завершения войсковых испытаний автомат был принят на вооружение Советской Армии и получил обозначение АК («7,62-мм автомат Калашникова образца 1947 года»).Участие немецких специалистов в создании автоматаРаспространено мнение, что АК является доработанной копией немецкого автомата StG-44, основанное на внешнем сходстве между ними, работе Хуго Шмайсера в ижевском КБ, изучении StG-44 советскими специалистами на предмет заимствования (в августе 1945 года на заводе «Хенель» были смонтированы и переданы в СССР для технической оценки 50 штук Stg-44).
Однако, стоит заметить, что похожие очертания ствола, мушки и газоотводной трубки обусловлены применением схожего газоотводного двигателя, который не мог быть позаимствован Калашниковым у Шмайсера, поскольку был изобретён задолго до этого.
Конструктивные различия же достаточно велики и заключаются в устройстве запирания ствола (поворотный затвор у АК и перекос затвора у МР-43), ударно-спускового механизма, отличиях в разборке оружия (у автомата Калашникова для этого необходимо снять крышку ствольной коробки, а у StG-44 — откинуть вниз на штифте коробку УСМ вместе с рукояткой управления огнем).
Также стоит отметить, что АК легче, чем StG-44 (снаряженные массы 4,8 и 5,22 кг соответственно).
Согласно отдельным источникам, заслуга Хуго Шмайссера заключалась в разработке технологии холодной штамповки, которой он занимался до 1952 года, что сыграло свою роль в появлении штампованного магазина и ствольной коробки АКМ (с 1959 года).[7] Между тем, подобные технологии использовались и до Шмайсера, в том числе в СССР при изготовлении пистолетов-пулемётов ППШ и ППС-43, которые имели преимущественно штампованную конструкцию до появления StG-44, то есть у советской стороны к тому времени уже был некоторый опыт в изготовлении деталей стрелкового оружия методом штамповки. Вместе с тем, следует отметить, что Хуго Шмайссер не оставил мемуаров о времени, проведённом в СССР, поэтому какая-либо другая информация об участии Шмайссера и других немецких специалистов в разработке автомата Калашникова на настоящее время недоступна.
К этому также стоит добавить, что в конструкции АК использованы элементы экспериментального автоматического карабина, созданного Калашниковым ещё в 1944 году, а экспериментальные образцы нового автомата для полигонных испытаний были готовы до появления немецких специалистов в Ижевске.
Таким образом, можно с большой уверенностью сделать вывод о том, что АК является собственной разработкой Михаила Калашникова.
http://www.berloga.net/view.php?id=69608
Измышления о том, что Калашников содрал свой АК-47 с немецко-фашистского штурмгевера StG.44 ходят давно. В общем-то, эти измышления уже много кем опровергнуты, но мнения о прямом родстве этих автоматов продолжают всплывать с завидной регулярностью. Сия тема предназначается мной, дабы дать пищу для размышлений на тему о сходстве и родстве АК и StG. Ничего нового и сверхъестественного я тут не скажу (трудно раскопать на эту тему что-то новое). Просто я выскажу ряд простеньких мыслишек, и для их иллюстрации приведу ряд собранных воедино из разных углов интернета картинок.
При первом взгляде на калаш и штурмгевер в глаза бросается их сходство. Особенно если сравнивать их с какой-нибудь другой распостранённой штурмовой винтовкой. Например, с М-16:
Определённое сходство, несомненно, есть.
Но вот к примеру: посмотрев на фотографии маузеровского Кар98 (из ДоДа) и мосинской винтовки сходство замечешь по крайней мере не меньшее. Или сравнить опять же ДоДоский G.43 и СВТ:
Но вроде особо не слышно реплик о том, что мосинка содрана с маузера, а G.43 с самозарядки Токарева. Зато во всех умных книгах, которые пишут умные и знающие люди (которым я, незнающий, верю) клонами АК называют, например израильский Галил и совсем уж непохожий на прародителя ЮАРовский Вектор:
То есть, умные люди, пишущие умные книги считают, что говорить о родстве между оружием можно, судя по его устройству, а не по внешнему сходству. Кстати о внешнем сходстве. А так ли похожи наши пациенты друг на друга? Для большей наглядности я сделал так: обвёл фотографии по контуру линией, полученное изображение привёл к масштабу 1 к 1 (длина StG 940 мм, АК-47 870 мм) и наложил полученные изображения друг на друга:
Как говорится — найдите 10 отличий… Видно, что калаш компактнее штурмгевера.
Самая заметная разница в задней части автоматов и в узле газоотвода. Компактная ствольная коробка АК-47 кончается сразу за пистолетной рукоятью, в штурмгевере она тянется далеко. Из чего сразу можно сделать вывод о большей длине хода затвора и о более длинной возвратно-боевой пружине. Большее расстояние между пистолетной рукояткой и магазином наводят на мысли о менее компактном ударно-спусковом механизме. Узел газоотвода и цевьё выполнены в разных дизайнах, торчащий вперёд из газоотводной трубки StG стержень, вероятно, связан с газовым регулятором. Это о внешнем виде. Теперь посмотрим на внутренне устройство: кишки StG44 и АК-47:
Рассмотрев конструкцию, видим сходство в конструкции следующих узлов: затворная рама, выполненная единым узлом с газовым поршнем, газоотвод осуществляется в газовую трубку (у StG она видимо не так легко снимается, как у АК), возвратно-боевая пружина расположена за затворной рамой на линии газового поршня.
Различия: перво-наперво в глаза бросается отсутствие штока у возвратной пружины штурмгевера (наверно потому она такая длинная).
Во-вторых, основанием для пружины в StG по-видимому служит приклад (установленная в нём деталь). В-третьих, доступ к ударно-спусковому механизму в StG вероятно осуществляется сзади (откинутая пистолетная рукоять). И самое, на мой взгляд, главное-затвор. В StG запирание затвора осуществляется его вертикальным перемещением. Перемещается затвор довольно сильно, миллиметров, по моему, на 5. Глупо предполагать, что в процессе создания своего автомата Калашников не ознакомился с трофейной StG.44. Ознакомился. Косвенным подтверждением тому, что Калашников не брезговал перенимать чужой опыт (в чём я ничего плохого не вижу — общепринятая мировая практика, в любой области конструкторской деятельности) служит опытный образец пистолет-пулемёта, видимо первый опыт Калашникова, после которого на него обратили внимание как на оружейника:
Дизайн содран с Томпсона, однозначно. Но ИХМО ознакомление со штурмгевером дало Калашникову пользу в том смысле, что было увидено как НЕ НАДО делать автомат.
Сходство калаша с StG определено эргономикой автомата (о чём я писал тут) и классической компоновочной схемой. Ну, ещё может материалом и технологией обработки. Не более. Что могло бы получиться (и получилось) в результате совершенствования StG.44 можно увидеть на примере G.3 и последующих разработок HK, вплоть до G.41:
И под конец, немного личных впечатлений. StG я видел вживую, в музее Великой Отечественной Войны в Киеве (который под лавреньтевной статуей Родины-матери). Сразу бросилось в глаза обилие всяких штампованных выступов, видимо автомат содержит больше деталюшек, нежели АК. Автомат здоровый, заметно больше калаша, особенно по высоте ствольной коробки. Главное же — затвор. Прям в окне выброса гильзы светился зазор между затвором и затворной рамой — на глаз около 5 мм, о чём я выше говорил. Забейся он, открытый всем ветрам, и автомат стрелять не будет…
</lj-embed>
</lj-embed></lj-embed>
..
Автомат Калашникова или STG 44
До сих пор встречаю в интернете глупых людей которые не могут в логику и банальный гугл утверждающих, что Калашников тупой колхозник который не мог создать автомат, а сделал это Хьюго Шмайсер после войны работая на СССР.
Ну начнём разогрев отверстий приверженцев этой секты.
Какие аргументы у дурачков (простите, но иначе я не могу называть таких людей).
1: «схожесть внешнего вида»
2: «Хьюго Шмайсер был в плену и работал на Калашникова»
3: «Калашников был тупой и не имел образования для создания чего-то сложного»
4: «Конструкция АК украдена у немцев» (ну это вообще жесть)
Первое, сходство во внешнем виде неотвратимо при создании штурмовой винтовки, ведь STG44 это штурмовая винтовка разработанная (внезапно) для штурма. АК тоже разработан для штурма и по классификации запада обозначался бы именно как штурмовая винтовка. Этим и обусловлена их похожесть. (только логика)
Второе, Хьюго Шмайсер работал на заводе в городе Ковров, а Калашников в это время находился в Ижевске. Между городами 1000км. Нужен был-бы Шмайсер для создания АК, перекинули бы в Ижевск. Логично? (да)
И кстати, Хьюго не промах, работал консультантом на заводах, сделал достаточно, не знаю насколько можно верить приложенной характеристике, но вот она как-бы есть.
Третье, (ну это вообще огонь) на момент создания АК, Калашников имел техническое образование, которое получил в МАИ в который был отправлен после разработки второго (внезапно) ПП. В середине 1942 года имел опыт в создании двух пистолет-пулеметов с разной системой автоматики. До войны Калашников, был танкистом и создал различные технические приспособления для танков. В октябре 1944 года Калашников представил ГАУ самозарядный карабин Калашникова СКК-44, но предпочтение было отдано карабину Симонова СКС, который был именитым оружейным конструктором. (Я урезал список достаточно сильно, идите прямо сейчас и проверяйте если не верите.) Так, что опыт и техническое образование на момент создание АК-47 у Калашникова был. В 1943 году был переведен в штат конструкторского бюро с окладом. Ну колхозник, мозгов не хватило-бы, ясно-понятно.
Четвёртое, ну тут собственно все пеньки и затыкаются. Я не буду объяснять как это всё работает, просто скину 2 ролика.
Про Калашникова могу сказать, что он действительно скопировал некоторые узлы и технические решения с других образцов оружия (в частности много было взято, Автомата Булкина АБ-46/ТКБ-415) и ничего плохого в этом я не вижу. Получилось надёжное, простое и мощное оружие для вооружения армии. Ну и не будем забывать что вместе с Калашниковым работало множество других технологов, инженеров и конструкторов. О создании АК наверняка есть занимательные труды, но это уже совсем другая история.
PS Добавлю только то, что если вы встретите человека на полном серьёзе утверждающего что STG=АК, можете смело посылать его подальше. Этот человек ничего не понимает в стрелковом оружии.
— Принцип действия АК — Принцип действия STG 44В качестве маленького бонуса прилагаю пару картинок и видосиков.
Немецкая штурмовая винтовка Штурмгевер ☆ автомат Шмайссер sturmgewehr 44 ⭐ doblest.club
Убойная сила немецкого качества — автомат Штурмгевер 44, которая изменила тактику ведения боя. В конце 30-хх годов наиболее сильные армии мира оснащались двумя видами стрелкового оружия: пистолет-пулемет для ближнего боя и разнотипные винтовки и карабины для позиционного боя.
Смотрите также статью Немецкий карабин Маузер 98к и описание конструкции
Немецкая штурмовая винтовка Штурмгевен — прототип всех современных автоматовХарактеристики немецкой штурмовой винтовки Штурмгевер
| Параметр | Значение |
| Тип патрона | 7.92×33 PP Kurz |
| УСМ | Курковый, режим огня одиночный и автоматический |
| Масса (без патронов), кг | 4,6 |
| Скорость пули на выходе из дула, м/с | 685 |
| Прицельная дальность, м | 800 |
| Длина общая/ствола, мм | 940/419 |
| Емкость магазина, шт | 30 |
| Скорострельность, выстрелов/мин | 500 |
Первые отлично помогали справиться с поставленными задачами военным подразделениям на близкой дистанции, но были бесполезны для ведения огня на расстояние более 500 м.
Поэтому возникла необходимость создать оружие, которое заняло бы нишу между ПП и винтовками. И им стала штурмовая винтовка — «штурмгевер» (МГ-44), ставшая образцом для подражания при конструировании современных автоматов. Таким образом, немецкий автомат STG 44 Штурмвегер можно считать прототипом всего современного оружия.
История создания автомата Штурмвегер STG 44 (sturmgewehr)
| Дата | Событие |
| Начало 1940 года | Создание промежуточного патрона 7,92×33 мм Kurz (короткий) |
| Середина 1940 года | Начало разработок нового стрелкового оружия под промежуточный патрон фирмой Вальтер |
| Конец 1940 года | Создание компанией Шмайссера образца нового оружия под промежуточный патрон |
| 1942 год | Полевые испытания двух образцов |
| 1943 год | Принятие на вооружение опытных образцов под маркировкой MP-43A (или MP- 431) |
| 1944 год | Запуск в серию доработанного варианта Шмайссера под маркировкой StG. 44 (MG.44) |
Винтовочные патроны имеют неудобные габариты для использования в автоматическом оружии. Убойная сила пистолетных патронов на расстоянии более 200 м была недостаточной. Разработка промежуточного патрона позволила перейти к созданию принципиально нового оружия для ведения эффективного боя на средней дистанции.
Смотрите также статью Пистолет-пулемет MP5 и его характеристика
Промежуточный патрон, давший «зеленый свет» для нового типа оружияВ конце этого же года компания Хуго Шмайссера представила уже готовый образец «гевера» (Sturmgewehr stg 44), который был еще достаточно сырым, но уже имел положительные отзывы специалистов.
Хуго Шмайссер, конструктор. Создатель винтовки StG.44В 1942 году прошло полевое испытание образцов от двух конкурирующих фирм. Оружие компании Вальтер оказалось довольно сложным в устройстве, капризным и не очень удобным в обращении.
Одобрение получил штурмгевер разработки Шмайссера с условием устранения выявленных мелких недочетов.
1944
в этом году в серию запустили штурмовую винтовку под маркировкой StG.44
В 1943 году в некоторые подразделения на Восточном фронте поставлена опытная партия МР-43А для испытаний в боевых условиях. И как итог — запуск в серию в 1944 году под маркировкой StG.44 («штурмгевер 44» — штурмовая винтовка 44).
Тактико-технические характеристики винтовки
| Параметр | Значение |
| Тип патрона | 7,92×33 мм Kurtz |
| Калибр, мм | 7,92 |
| Масса без патронов, кг | 4,6 |
| Масса с патронами, кг | 5,22 |
| Обща длина, мм | 940 |
| Длина ствола, мм | 419 |
| Нарезы ствола | правосторонние, 4 шт |
| УСМ | ударниковый тип |
| Принцип перезарядки | отводом пороховых газов |
| Скорострельность, выстр/мин | 500 |
| Тип предохранителя | флажковый с левой стороны в верхней части пистолетной рукояти |
| Прицел | мушка с намушником, наличие крепления для оптического прицела |
| Прицельная дальность, м | 800 |
| Эффективная дальность, м | 300 |
| Начальная скорость пули, м/с | 685 |
| Боепитание | отъемный магазин на 30 патронов |
Конструкция и устройство
Основная новаторская идея, реализованная в этом оружии, заключается в использовании пороховых газов для перезарядки патрона.
Для этого служит газоотводная трубка, а перекос затвора производит запирание.
Регулирование газовой каморы не предусмотрено. Снятие ее заглушки со вспомогательным штоком осуществляется специальной выколоткой при чистке оружия. Стебель затвора объединен с газовым поршнем.
Смотрите также статью Немецкий пулемет MG42 и его конструкция
УСП куркового типа позволяет вести огонь как одиночными выстрелами, так и очередями. Возвратная пружина помещается в прикладе, что не позволяет создать модификацию без приклада.
Схема-разрез Штурмгевер СТГ 44 — ФотоОсновной прицел мушковый, есть направляющие для крепления оптического прицела. Но заменять обычный на оптический в боевых условиях не было нужды — эффективность у них практически одинаковая.
МП 44 автомат, фото со стандартным прицелом для StG.44Дополнительный оптический прицел StG.44Питание штурмгевера обеспечивалось съемным двухрядным магазином на 30 патронов. Из-за слабости его пружины в реальных условиях его заряжали на 5 патронов меньше.
Из недостатков конструкции следует отметить следующие:
- прицельные приспособления оказались неудачными — не обеспечивали желаемую точность на средних и больших дистанциях;
- сравнительно большой вес;
- слабая ствольная коробка;
- низкая упругость магазинной пружины;
- цевье не очень удобное для стрелка.
Перечисленные недостатки являются следствием «сырости» оружия. Их устранением конструкторы в Германии занимались вплоть до конца войны.
Sturmgewehr 44 и автомат Калашникова
Есть мнение, что свой автомат Калашников скопировал со Шмайссер СТГ 44, есть доводы «за» и «против» этого предположения. Визуальное сравнение показывает, что компоновка и общий вид у них похожи, но есть существенные различия в устройстве. Общим является идея использования промежуточного патрона и отвода пороховых газов для перезаряда.
Еще один факт, который заставляет задуматься. После капитуляции немецко-фашистских войск Хуго Шмайссер, создатель штурмгевера, работал в конструкторском бюро, в Ижевске.
Калашников в это время созидал свое творение в Коврове, но несколько раз был в командировке в Ижевске.
Подтвержденных данных нет о том, встречался ли он со Шмайссером или нет. Возможно, что присмотревшись к Sturmgewehr 44, Калашников проконсультировался со своим немецким коллегой по некоторым вопросам.
Смотрите также статью Американская автоматическая штурмовая винтовка М4 и её характеристики
В то же время известно, что руководителем Калашникова был известный советский оружейный конструктор Судаев, разработавший свою версию автомата с газоотводной трубкой, макет которого видно на снимке ниже.
Автомат Судаева, который является прототипом АК-47Из существенных различий между АК-47 и StG.44 нельзя не упомянуть следующие:
- величина и расположение возвратной пружины;
- тип запирания ствола;
- расположение рукоятки затвора,
- принцип разборки.
Использовала ли техническая группа Калашникова детище Шмайссера как основу для создания АК-47 или нет, остается только догадываться.
Но две главные идеи, позволившие создать стрелковое оружие нового поколения, немецкий конструктор реализовал в своем оружии раньше — использование промежуточного патрона и отвода порохового газа для перезаряда.
Модификации винтовки Штурмвегер
Времени на доводку и создание модификаций у германских конструкторов практически не было.
Появление штурмгевера перед окончанием Второй мировой войны привело к тому, что официальных модификаций у него не появилось (если не считать современные образцы для страйкбола).
Можно отметить, что были придуманы и изготовлены опытные образцы специальных приспособлений — насадок для стрельбы из укрытий («кривой» ствол) и инфракрасный прицел для ведения огня ночью. «Кривые» стволы имели очень малую точность стрельбы, практической пользы от них не было.
Штурмгевер — фото с дульной насадкой — «кривой ствол» для стрельбы из-за углаА инфракрасные прицелы имели два недостатка, не давшие им «зеленый свет» для широкого применения: дальность прицельного огня всего до 100 м и необходимость ношения дополнительного ранца с аккумулятором.
И при большой влажности их изображение было сильно размытым. Приходилось использовать влагомер для коррекции прицельной стрельбы.
Смотрите также статью Что такое АКМ и его ТТХ
Штурмгевер 44 — фото с прицелом ночного виденья с питающей батареейБыли даже попытки применить подствольный гранатомет, но они не увенчались успехом — эффективных боеприпасов еще не было разработано в то время.
Достоинства и недостатки
Достоинства следующие:
- простота конструкции и механики — возможность в короткий срок изготовить большое количество;
- хорошие боевые качества при ведении огня на средней дистанции;
- высокий темп стрельбы;
- эргономика и компактность;
- малое количество запчастей в боевых частях;
- простая инструкция по применению, которую можно освоить без специальной подготовки.
Но есть у Sturmgewehr 44 и ряд недостатков, которые исправить у немцев просто не было времени:
- неудачные варианты прицела, как мушкового, так и дополнительного оптического;
- неудобность цевья — при интенсивном огне оно нагревалось, обжигало руки и требовалась аптека для стрелка;
- слабая возвратная и магазинная пружины;
- непрочное соединение приклада — в рукопашном бою оно часто ломалось, а просверливать для дополнительного крепления приклада не было смысла, так как нарушалась работа возвратной пружины;
- много штампованных деталей, которые гнулись при ударах — функционирование оружия становилось проблематичным.

Штурмгевер StG.44 | Мудрый Каа
Концепция оружия под промежуточный патрон появилась в Германии еще в середине 1930х годов, а в 1942м году на испытания в войска поступили два образца «автоматических карабинов» (MaschinenKarabiner,MKb) — MKb.42(W) фирмы Walther, и Mkb.42(H) фирмы Haenel, разработкой которого руководил Хуго Шмайсер. По результатам испытаний пригодным к дальнейшей доработке был признан образец Шмайсера, но с внесением ряда изменений. Согласно одной из легенд Гитлер был настроен категорически против разработки нового класса оружия, потому доработка образца велась под обозначением MP-43, т.е. MaschinenPistole – пистолет-пулемет.
В сентябре 1943 года 5я танковая дивизия СС «Викинг», в боях на Восточном фронте, провела полномасштабные войсковые испытания «пистолета-пулемета» MP-43, по результатам которых было резюмировано, что новый класс оружия является эффективной заменой сразу двух видов оружия – пистолета-пулемета и магазинной винтовки.
Лишь после этого, получив множество лестных отзывов о новом оружии, Гитлер дал «добро» на массовое производство и принятие на вооружение автоматического оружия под промежуточный патрон. В том же 1943 году появилась модификация MP-43/1, выпускавшаяся фирмой Merz-Werke, отличающаяся наличием резьбы дульной части ствола, предназначенной для установки 30-мм ружейного гранатомета. Под этим же обозначением выпускалась и снайперская модификация, отличающаяся наличием на правой стороне оружия планки для установки оптических прицелов ZF-4 кратности 4Х или ночных инфракрасных прицелов ZG.1229 «Вампир». В 1944 году, после внесения некоторых изменений, образец получил обозначение МР-44, а в октябре того же года – свое окончательное названия – StG.44 (SturmGewehr – штурмовая винтовка).
Помимо компании C.G. Haenel автоматы StG.44 производились на предприятиях Steyr AG, Erma и Sauer & Sohn, всего с 1943 года до конца войны было произведено около 400 000 «штурмгеверов». Впрочем, в августе 1945 годы было изготовлено еще 50 автоматов, отправленных, вместе с технической документацией, в СССР для изучения.
С технической точки зрения автомат StG.44 представляет собой автоматическое оружие, построенное по схеме автоматики с газовым двигателем, с коротким ходом газового поршня, расположенного над стволом. Запирание ствола осуществляется перекосом затвора вниз, за вкладыш в ствольной коробке. УСМ куркового типа, допускает ведение как одиночного, так и автоматического огня. Ствольная коробка выполнена штамповкой из стального листа (у MP-43 – фрезерованная). Предохранитель расположен на левой стороне оружия, над пистолетной рукояткой, над ним – поперечная кнопка селектора рода огня. Рукоятка заряжания расположена слева на затворе, подвижна при стрельбе. Питание патронами осуществляется от отъемных магазинов емкостью 30 патронов. Прицельная приспособления – треугольная мушка в кольцевом намушнике и секторный целик, размеченный по 50 м до 800 метров.
Из особенностей стоит выделить возвратную пружину, расположенную внутри приклада, что делает невозможным создание варианта со складным прикладом, и необычно расположенный шомпол — внутри газопоршневого механизма.
Для штурмовой винтовки StG.44 были разработаны специальные кривоствольные устройства Krummlauf Vorsatz J (пехотное с углом искривления 30 градусов) или Vorsatz Pz (танковое с углом искривления 90 градусов) для стрельбы из-за окопа и танка соответственно.
После Второй Мировой Войны StG.44 состояли на вооружении полиции ГДР (до начала 1960х годов), Югославии (в армии – до начала 1950х годов, в десанте – до конца 1960х годов), Чехословакии и Аргентине (местного выпуска).
Одна из легенд гласит, что Хуго Шмайсер участвовал в разработке автомата Калашникова АК-47. Влияние концепции StG.44 на АК-47 вообще, и все оружие под промежуточный патрон в частности, бесспорно, но сам Хуго Шмайсер прибыл в Ижевск 26.10.1946 года – т.е. через месяц после того, как М.Т. Калашников уехал в Ковров, где и создавался опытный образец автомата Калашникова, т.е. разрабатывать АК-47 совместно они никак не могли.
Американцы, изучив StG.
44, пришли к выводу о несостоятельности оружия под промежуточный патрон, отдав предпочтение автоматическим винтовкам, проморгав таким образом рождение нового класса оружия. К разработкам по этой тематике они вернулись лишь после знакомства с автоматом АК-47.
Тактико-технические характеристики
Применяемый патрон 7,92х33 мм
Длина, мм 940
Длина ствола, мм 419
Вес с неснаряженным магазином, кг 5,22
Начальная скорость пули, м/сек 685
Прицельная дальность, м 800
Емкость магазина 30
Темп стрельбы, выстр/мин 500-600
Stg 44 и ак-47: сравнение, описание, характеристики
О прицельных приспособлениях
Немецкая винтовка оснащена секторным прицелом, позволяющим производить эффективную стрельбу на расстоянии до 800 метров. Устройство представлено специальной прицельной планкой, с нанесенными на ней делениями.
Каждое из них рассчитано на дальность 50 метров.
Для прорези и мушки предусмотрена треугольная форма. Дополнительно немецкую винтовку можно оснащать оптическим и инфракрасным прицелом. Использование боеприпасов малой мощности обеспечивает безопасную эксплуатацию оптических приспособлений.
В автомате Калашникова также используется прицельное приспособление, которое относится к секторному типу. Градация на прицельной планке рассчитана до 800 метров. В отличие от немецкой винтовки, «шаг» одного деления соответствует 100 метрам. Дополнительно планка имеет специальное деление, которое обозначается буквой «П», указывающей на то, что оружие установлено на прямой выстрел. Дистанция для ведения такого огня 350 метров. Гривко прицела стало местом для расположения целика с прямоугольной прорезью. Дульная часть ствола оснащена мушкой. Устанавливается та на массивное треугольное основание. Стремясь определить среднюю точку попадания, стрелок может мушку ввинчивать или вывинчивать. Чтобы наладить оружие в горизонтальной плоскости, мушку нужно передвинуть в нужную сторону.
Для некоторых модификаций разработаны специальные кронштейны, которые позволяют устанавливать на оружие оптические и ночные прицелы.
Кому война, а кому мать родна
В начале Второй мировой дела у Гуго Шмайссера шли не очень. Его пистолет-пулемёт МР.41 так и не приняли официально на вооружение, а тот факт, что созданные конкурентами из ERMA образцы МР.38 и МР.40 противники совершенно незаслуженно называлиШмайссерами», — может и грел душу, но карманы не пополнял.
MP.41 Гуго Шмайссера и MP.38 ERMA(фото: Источник)
Однако в 1940 году Гуго включился в работу по созданию очередного принципиально нового класса оружия — автоматов под промежуточный патрон. Опять же, сама идея такого оружия принадлежала не ему. Задание на разработку и новый промежуточный патрон компании Polte он получил свыше — от департамента управления вооружением вермахта.
MKb.42 и MP.43(фото: Источник)
Образец новогомашиненкарабинера»(Maschinenkarabiner Mkb.42,автоматический карабин») конструкции Шмайссера оказался более удачным, чем конкурирующая система фирмы Walther, и в 1943 году модернизированный автомат запустили в серию как МР.
43, а после одобрения лично Гитлером в 1944 году переименовали вштурмовую винтовку» — Sturmgewehr 44.
Немецкие егеря, вооруженные штурмовыми винтовками StG-44, 1944
История создания
Новый автомат потребовался Вермахту в 30-х годах прошлого века, тогда был разработан патрон калибра 7,92Х33 мм, который был приспособлен для ведения огня на дистанции до километра. Для получения представления о характеристиках нового вида оружия начались исследования в 1935-37 годах. Управление вооружений Вермахта получила представления о новом средстве ведения боя, которой значительно отличалось от существовавших представлений. Так появилась концепция легкого автоматического оружия, способного встать на замену винтовкам и ручным пулеметам.
StG 44
Два контракта на разработку прототипов были представлены проектным группам магдебургской фирмы Polte, которая создала переходный патрон:
- Хенеля;
- Вальтера.
Прототип именовался Maschinenkarabiner 1942 или MKb 42.
Были проведены стрельбы на полигоне в Куммерсдорфе, где хорошую оценку получила система Вальтера, но внесение доработок продолжалось весь 1941 год. В апреле следующего года Гитлеру были представлены две системы, начались всесторонние испытания в различных подразделениях. Стрельбы показали, что вскоре все недостатки будут устранены и можно будет начать поставки на вооружение.
Производство предполагало наращивать вплоть до 15 тысяч в месяц к весне 1943 и поддерживать на таком уровне. Однако, комиссия внесла новые правки в требования, что немного отсрочило дату запуска. Потребовалось установить прилив для штыка и крепления под ружейный гранатомет.
StG 44 в разборе
Осенью 42-го появилась модель MKb42(H) aufschießend, в ней был изменен затвор, приклад и прицельные приспособления. Далее последовало сравнительное испытание MKb42(H) и MKb42(W) с Kar.98k.
По итогам проверок выяснилось, что хенелевская конструкция отличается большей массой и громоздкостью, но максимально проста и неприхотлива.
Отмечена была простота сборки/разборки и длинная линия прицеливания.
Выпуск стартовал плохо, длительное время не удавалось выйти на планируемые мощности. Спасла штурмгевер Хенеля только поддержка со стороны Министерства вооружений.
Прошел ряд фронтовых испытаний, в которых так же сравнивались две системы. На практике хенелевский автомат показал себя, как боле надежный и простой, но хуже сбалансированный. Конструкции Шмайссера вновь было отдано предпочтение, но требовалось внесение доработок.
https://youtube.com/watch?v=njj47pNEh50
Комиссия потребовала проработать следующие пункты:
- ударно-спусковой механизм предполагалось взять от вальтеровского автомата, так как он показал лучшую кучность при ведении огня одиночными;
- доработать геометрию шептала;
- установить флажковый предохранитель;
- сократить длину трубки газовой камеры;
- вместо окна для выхода остаточных газов высверлить отверстия диаметром 7 мм, что позволило бы повысить надежность в полевых условиях;
- доработать затвор и раму с газовым поршнем;
- направляющую втулку боевой пружины убрать;
- убрать прилив для штыка, который оказался не нужен благодаря созданию нового метода крепления гранатомета;
- упростить приклад.

Стоит отметить, что за госсзаказ с Хеннелем боролся не только Вальтер. Например, была попытка проведения сравнительных испытаний с FG42, однако, они были сорваны из-за производственных проблем. К концу 1943 появились первые прототипы штурмовой винтовки g 44 штурмгевер (Gewehr 43) — полуавтоматической винтовки.
Комплект снаряжения немецкого спецназа
В 1943-м несколько раз менялось наименование нового оружия, вносились изменения в конструкцию. В итоге, приоритетным направлением стала хенелевская компоновка, которой и занимались до последней модернизации осенью 43-го. Тогда было решено изменить конструкцию, чтобы устанавливать гранатомет. После изменения не вносились до самого окончания Второй мировой.
На вооружение автомат принимается в 1943, в войска его начали поставлять под маркой МР 43.
Некоторые модернизации, повысившие надежность и простоту обращения с немецким автоматом Второй мировой войны, внесли в конце 43-го после финальной дискуссии между разработчиками и руководством Управления вооружений.
Устройство и компоновка
Это автоматическое оружие, использующее газовый двигатель, рабочий ход поршня длинный.
Ствольная коробка штампованная, выпускалась из стального листа. Аналогичным методом выпускались корпуса УСМ, который фиксировался на ствольной коробке при помощи шарнира, вместе с рукояткой.
Ручка пистолетной формы.
При разборке оружия описанный узел откидывается вниз и вперед.
Деревянный приклад с пружиной отсоединялся после отжимания поперечного штифта, который собирался на пружине.
Питание
Боезапас подается из двухрядного секторного магазина, который рассчитан на 30 патронов. Недостатком питания были слабые пружины, которые не обеспечивали надлежащей подачи боеприпасов при полной загрузке. Оптимальной считалось 25 патронов.
Сравнение StG 44 и АК — неполная разборка
Чтобы решить эту проблему разрабатывались магазины на 25 зарядов, но выпускались они в ограниченном количестве. Позже просто появился стопор, который ограничил вместимость до оптимального значения.![]()
Для подключения магазина нужно было нажать кнопочный фиксатор.
Автоматика
Автоматика штурмовой винтовки построена на газоотводной схеме, при которой газы уходят через отверстие в стенке ствола. За счет перекашивания затвора по вертикальной оси происходит запирание канала ствола. Механизм этого процесса работает за счет взаимодействия наклонных выступов на раме и затворе. Газовая камора нерегулируемая, ее заглушка снимается только при обслуживании. Газовый поршень и шток соединены с затворным стеблем.
Приклад и возвратная пружина
Внутри приклада установлена возвратная пружина, что усложнило создание складной модели.
УСМ
УСМ курковый, позволяет вести бой одиночными выстрелами и автоматически.
На спусковой коробке размещен переводчик режимов, снаружи выглядит, как кнопка с рифлением, передвигающаяся в одной плоскости. Автоматическая стрельба обозначается — D, одиночные — Е.
Ниже переводчика находится флажковый предохранитель, в положении F он блокирует спусковой крючок.
Ствол
Длина ствола автомата 419 мм, что достаточно с учетом эффективной дистанции ведения боя — более 800 метров.
Изначально автомат должен был стрелять винтовочными гранатами, для этого на конце ствола нарезалась резьба. Она позволяла накрутить пламегаситель, гранатомет. Однако, от последних быстро отказались, так как это средство оказалось бесперспективным. Для защиты резьбы использовалась специальная гайка.
StG 44 приспособление для ведения боя из укрытия
Разрабатывалось так же множество приспособлений для стрельбы из укрытий, а так же охвата мертвых зон бронетехники. Не всегда танки и самоходки могли действовать под прикрытием пехоты, в этом случае солдаты союзников легко уничтожали машины, подбираясь к ним вплотную.
Чтобы через существующие бойницы охватить все непростреливаемые сектора, были сконструированы изогнутые стволы.
Использовались следующие варианты:
- угол 30 градусов;
- 45;
- 90.
Именно последние использовались на бронетехнике, но их отличал минимальный ресурс — около 2000 выстрелов, после чего точность заметно падала.
Дело Шмайссера и сегодня живее всех живых
Межвоенные годы
В 1920 году братья Шмайссеры порвали отношения с Бергманом и связались с другой оружейной фирмой — C.G. Haenel. Эта компания производила самозарядные пистолеты и пневматические винтовки конструкции братьев Шмайссер, а в 1928 году выпустила усовершенствованный вариант пистолета-пулемёта МР.18, получившего индекс МР.28.
Немецкий солдат, вооруженный ПП MP.28, 1943
Одним из отличий этого образца от предшественника стал новый спусковой механизм, сконструированный и запатентованный Гансом и позволявший переключать режимы огня — одиночные выстрелы или очереди.
Одним же из главных достижений Гуго Шмайссера в двадцатые годы стал новый коробчатый магазин для МР.18 и — чуть позже — МР.28, имевший двухрядное расположение патронов с перестроением на выходе в один ряд. Для МП.18 это было необходимо, поскольку первоначально его разработали под магазины от пистолета Люгер. В МР.28 это решение приняли для совместимости с магазинами от МР.18. Но почему такую магазинную конструкцию, защищённую патентом на имя Гуго Шмайссера, выбрал Фольмер для своих пистолетов-пулемётов ERMA МР.38 — до сих пор остается вопросом.
MP.18 и MP.28(фото: Источник)
С точки зрения удобства заряжания и надёжности, магазины с двухрядным выходом патронов, ранее использовавшиеся Фольмером в пистолетах-пулемётах ERMA EMP, были гораздо лучше.
О дополнительных приспособлениях
Военная техника, не обеспеченная надежным прикрытием живой силы, становилась очень уязвимой для вражеской пехоты. Та выводила из строя боевую технику при помощи магнитных мин и ручных гранат.
Применение во время боя танков и самоходок создает значительную «мертвую зону» – пространство, совершенно не простреливаемое из штатного стрелково-пушечного вооружения противника. Для стрелковой модели Хуго Шмайсера было спроектировано специальное приспособление, позволяющее использовать оружие из укрытия.
Данное устройство представляло собой специальную кривоствольную насадку. Изначально для нее планировалось использовать патрон 7,92х57 мм. Однако для искривленного ствола он оказался чересчур мощным. В итоге данный боеприпас заменили на патрон 7,92х33 мм. Искривление ствола выполнено под углом 90 градусов. Насадка обладает эксплуатационным ресурсом до 2 тыс. выстрелов. Позже были изготовлены аналогичные приспособления с искривлением в 30 градусов.
Автомат Калашникова подобными насадками не располагает. АК-47 комплектуется штык-ножом, что дает возможность эффективно его использовать в условиях рукопашного боя. Изделие монтируется на ствол специальной защелкой. Изначально длина обоюдоострого клинка, оснащенного долом, составляла 20 см.
Позже размер был уменьшен до 15 см. Клинок стал использоваться и в хозяйственных целях.
Ударно-спусковой механизм в модели Хуго Шмайсера: о сходстве с АК-47
В немецкой винтовке также используется курковый тип УСМ. Оружие рассчитано на стрельбу одиночными и очередями. Спусковая коробка оснащена переводчиком, который регулирует ведение одиночного и автоматического огня. Концы переводчика выходят с двух сторон корпуса в виде двух кнопок. Для удобного использования они имеют рифленую поверхность. Чтобы произвести одиночную стрельбу, переводчик необходимо передвинуть вправо на позицию «E». Автоматический огонь возможен, если переводчик будет стоять на обозначении «D». С целью сделать эксплуатацию немецкой винтовки безопасной, конструктором для оружия был разработан специальный флажковый предохранитель. Расположен он ниже переводчика. Чтобы выполнить блокировку спускового рычага, данный предохранитель следует переместить на позицию «F».
История создания STG-44 – немецкий автомат, похожий на АК-47
Когда в Германии к власти пришёл Адольф Гитлер, было объявлено, что армия нуждается в новом оружии.
Для ведения наступательной войны необходимо, чтобы немецкое оружие было лучше, чем у других стран. Управление вооружения сухопутных войск Вермахта в конце тридцатых годов поставило задачу провести разработку штурмовой винтовки. Она должна была совмещать черты магазинной винтовки и пистолета-пулемёта.
В результате был создан пистолет-пулемёт MP-43 с промежуточным патроном 7,92 мм. Он был мощнее пистолетного, но слабее винтовочного. Разработку вёл потомственный немецкий оружейник Хуго Шмайссер. Фактически речь шла о штурмовой винтовке, её назвали пистолетом-пулемётом для того, чтобы не раздражать Гитлера.
Контракт по созданию нового образца оружия был заключён одновременно с двумя фирмами. Второй был «Вальтер». Оба опытных образца были произведены в небольшом количестве и одновременно проходили испытания.
- Высокий вес, который составлял 5,22 кг.
- Сильное дульное пламя демаскироваало стрелка и не позволяло скрытно вести огонь.
Несмотря на перечисленные недостатки, немецкие солдаты и офицеры признали эффективность этого оружия.
Оно было принято для массового производства, однако конструктору были выдвинуты следующие требования:
- Внедрить использование курковой системы Вальтера, как такой, которая гарантировала более высокую точность попадания при ведении одиночной стрельбы.
- Внести изменения в конструкцию шептала.
- Установить другой тип предохранителя.
- Сделать газовую трубку короче.
- Внести изменения в конструкцию затвора и затворной рамы.
- Сделать также некоторые другие изменения.
В 1943 году Гитлер получил много лестных отзывов об этом оружии. В результате было принято решение о его массовом производстве.
В апреле 1944 году Адольф Гитлер переименовал это оружие в MP-44. При этом речь шла только о замене названия, так как никаких конструктивных изменений внесено не было. В ноябре этого же года произошло второе наименование — штурмовая винтовка получила название Stg-44. В первую очередь оружие поставлялось для элитных частей вермахта.
За всё время существования было выпущено 450 тысяч единиц. Это оружие стало первой разновидностью автоматического оружия, которая попала в массовое производство.
После войны использование штурмовой винтовки не прекратилось. Она применялась в казарменной полиции ГДР с 1950 по 1965 годы. Производство было налажено в Аргентине под названием CAM 1.
В процессе применения штурмовой винтовки Stg-44 проявились следующие проблемы:
- Отсутствовала возможность прикрепления гранатомёта к стволу.
- При установке оптических прицелов могли возникать проблемы.
- Для стрельбы использовались укороченные проблемы, которые на протяжении всей войны находились в дефиците.
До 1944 году этот оружие встречалось на фронте только в небольших количествах. Массово его стали использовать только на завершающей стадии войны. Поэтому оно не оказало решающего влияния на ход войны.
» src=»https://www.youtube.com/embed/iiB6TGvJt6c?feature=oembed» frameborder=»0″ allow=»accelerometer; autoplay; clipboard-write; encrypted-media; gyroscope; picture-in-picture» allowfullscreen=»»/>
Отличия
Отличие Stg 44 и АК-47 заключается в расположении их возвратных пружин. В немецкой винтовке местом для пружины стала внутренняя часть приклада. Это полностью исключает возможность создания модернизированного образца со складным прикладом.
Из-за конструктивных различий ствольных коробок для моделей предусмотрены разные процедуры сборки-разборки. Конструкция немецкой винтовки при ее разборке позволяет произвести «переломку» оружия на две части. В одной из них будут ударно-спусковой механизм и приклад, а во второй – ствольная коробка, патронник, ствол, цевье и газоотводный механизм. Подобную схему решили реализовать американские конструкторы в различных модификациях своей штурмовой винтовки М16 – основного стрелкового оружия армии Соединенных Штатов. Автоматы Калашникова оборудованы неотъемными ударно-спусковыми механизмами.
Разобрать АК-47 можно без отсоединения приклада.
Боевое применение
Первым применением МР 43 стали полномасштабные войсковые испытания пятой танковой дивизией «Викинг» (Восточный фронт). Оказалось, что оружие значительно повысило огневую мощь солдат, вплоть до того, что сократилась потребность в мобильных пулеметах.
Трофейный StG 44
Автоматы поставлялись для вооружения лучших частей фашистов, как Ваффен-СС. В послевоенные годы оружие использовала казарменная полиция ГДР и югославские десантники.
Выпуском занимались чехословацкие и аргентинские заводы.
В 2012 году появлялись сведения об использовании оружия подразделениями сирийской оппозиции. До этого ими пользовались регулярные войска государства.
Технические характеристики
Практически по всем пунктам новая разработка обошла армейские системы того времени.
| Характеристика: | Значение: |
| Масса, кг | 5,2 |
| Длина оружия, мм | 940 |
| Начальная скорость пули, м/с | 685 |
| Прицельная дальность, м | 600 |
| Скорострельность, выстр/мин | 500-600 |
При разработке был учтен опыт всех предшественников, однако, создание нового типа систем для ведения войны требовало внедрения инноваций.
В результате автомат оказался удачным для своего времени, хоть и имел множество слабых сторон.
Начальная скорость пули составляла 685 м/с.
Патроны и калибр
Патрон 7,92Х33 обладал сниженной мощностью в сравнении с аналогичным винтовочным. Это позволило снизить отдачу в два раза. Масса пули 8,1 гр, патрона — 16,8.
Ружейные гранаты метались за счет использования специальных патронов:
- для осколочных — 1,5-граммовый пороховой заряд;
- для бронебойно-кумулятивных — 1,9 г.
Патрон называют переходным, так как он больше пистолетного, но меньше полноразмерного винтовочного.
StG 44 с изгибом ствола 90 градусов
Габариты, вес, длина
С самого начала были претензии к габаритам и весу оружия.
Без магазина автомат весил 4,78 кг при суммарной длине 940 мм.
Дальность стрельбы и убойная сила
Прицел секторный, рассчитан на ведение прицельного огня до 800-метровой дистанции. Для этой цели на планке нанесены насечки, каждая из которых соответствует увеличению дистанции на 50 метров. Однако, обычной дистанцией для эффективного ведения боя являлись 600 метров.
Мушка и прорезь треугольные
При необходимости можно было устанавливать инфракрасные и оптические прицельные приспособления. Большая часть модификаций, начиная с 43 года оснащались направляющими для фиксации оптики.
Дульная энергия выстрела составляла 1880 Джоулей. Этот показатель позволял пуле сохранять убойную силу на расстояниях более километра.
О боепитании
Отъемный секторный двухрядный магазин Stg 44 рассчитан на 30 боеприпасов. Поскольку магазины были оснащены слабыми пружинами, то немецким солдатам приходилось заряжать винтовки 25 патронами. Только таким образом было возможно обеспечение нормальной подачи боеприпасов.
С 1945 года к данной модели были разработаны новые магазины, рассчитанные на 25 боеприпасов. Производились они небольшими партиями. В том же году был создан новый магазин, оборудованный специальным стопором, ограничивающим снабжение 25 патронами.
В АК-47 боепитание осуществляется из коробчатого, секторного двухрядного магазина, емкость которого составляет 30 патронов. Сам магазин представлен в виде корпуса, в котором имеется стопорная планка, крышка, пружина и подаватель. Изначально для автомата Калашникова предназначался магазин, имеющий штампованный стальной корпус. Со временем были созданы пластмассовые изделия из поликарбоната и стеклонаполненного полиамида. Магазинам автомата Калашникова присущи такие качества, как надежность при подаче боеприпасов и высокая «живучесть», даже при грубой эксплуатации. Конструкция, используемая в АК, была скопирована рядом зарубежных оружейных изготовителей.
Сравнение АК-47 и STG-44
Окончательный ответ на вопрос о заимствовании можно получив, сравнив конструкции этих двух видов оружия.
Калашников мог и имел полное право использовать в создаваемой им конструкции решения, созданные другими оружейниками. Однако о копировании чужой конструкции речь не идёт.
В автомате АК-47 имеются существенные конструкционные различия с аналогичными в немецкой штурмовой винтовке. У них разные тактико-технические данные. Причём у этого оружия даже разбор происходит по-разному. Боеприпасы имеют общее сходство, но при это присутствует ряд различий. Они напоминают друг друга по форме, но аналогичные патроны применяются и в других видах автоматического оружия во всём мире.
| Название | Способ запирания затвора | Ствольная коробка | Порядок проведения разборки | Крепление магазина |
| АК-47 | Затвор поворачивают вокруг подольной оси. | По форме напоминает перевёрнутую букву «П» с загибами, которые имеются в верхней части. По ним происходит движение затворной группы. | Здесь ударно-спусковой механизм не является отъёмным. Нет необходимости для проведения разборки отсоединять приклад. | В АК-47 приёмная часть меньше по сравнению с той, которая применяется в штурмовой винтовке. |
| Stg-44 | Выполняют перекос в вертикальной плоскости | Применяется 44-трубчатая конструкция. Верхняя часть выполнена в виде восьмёрки, внутри которой расположена затворная группа. | Для того, чтобы её начать, оружие необходимо переломить пополам. | Здесь относительно более длинная приёмная часть. |
Зарплата за советы
История создания АК-47
Боевые действия во время Великой Отечественной войны показали, что Советская армия имела отставание по стрелковому оружию. Стало понятно, что необходимо разработать и внедрить более совершенный тип автомата.
В это время активно использовался пистолет-пулемёт Шпагина (ППШ). Он показал себя громоздким и неуклюжим при использовании. Он не позволял поражать цели на расстоянии свыше 250 метров.
В 1943 году на заседании Технического Совета были проанализированы передовые образца стрелкового вооружения того времени.
В результате было принято решение о разработке новых образцов советского вооружения. На его основании была проведена работа и в 1943 году создали автомат Судаева (АС), который стал предшественником АК 47. Экспериментальная партия в 1944 году была отправлена на фронт для испытаний. Новинка работала недостаточно надёжно и имела значительный вес. Однако доработки были невозможны из-за смерти конструктора (А. С. Судаева).
После этого был объявлен конкурс среди оружейников страны. Первый образец АК был показан комиссии в 1946 году. Эту модель забраковали. В следующем, 1947 коду, конструктор предоставил доработанную версию. Он частично не соответствовал условиям конкурса, но тем не менее заслужил победу в нём.
За разработку конструктору была присуждена Сталинская премия. Автомат начали производить в массовом масштабе. Он поступил на вооружение в 1949 году. Первое применение в вооружённом конфликте произошло в Венгрии в 1956 году. С тех пор этот автомат использовался в Советской армии на постоянной основе.
Особенности этой модели
АК-47 обладает такими достоинствами:
- Он имеет наиболее простую конструкцию по сравнению с другими марками автоматического оружия.
- Автомат Калашникова очень надёжный.
- Его удобно носить и использовать.
- Безотказная работа в любых климатических и погодных условиях.
- Он способен работать в условиях загрязнения.
Однако в нём имеются следующие недостатки:
- Патрон недостаточно мощный по сравнению с винтовочным.
- Относительно низкая скорость пули и высокий разброс при стрельбе.
- Сильная отдача, которая создаёт тряску при стрельбе длинными очередями.
- Громкая работа.
Сейчас автомат продолжает развиваться. При этом ведётся работа по устранению перечисленных недостатков.
Достоинства и недостатки
Основным недостатком конструкции была масса, с боекомплектом вес достигал 5,2 кг. Жаловались бойцы на неудобные прицельные приспособления и отсутствие пламегасителя.
Из-за последнего аспекта, особенно в темное время суток, вырывающаяся при стрельбе вспышка мгновенно обнаруживала позиции.
Боевое применение StG 44
В остальном это было отличное, надежное и неприхотливое оружие. При необходимости в поле можно было легко почистить оружие с помощью штатного комплекта инструмента для обслуживания. Для этой цели поставлялись:
- инструменты для откручивания газовой камеры;
- снятия ограждения спускового рычага;
- пенал с ершиком.
Помимо этого, в комплекте шли запасные части из числа наиболее уязвимых, как экстрактор и его пружины.
В послевоенные годы требования к системе ужесточились, потому переоценка характеристик автомата позволило выявить больше недостатков. Например, ненадежной сочли ствольную коробку, которая выпускалось штамповкой и обладала низкими показателями прочности. Было отмечено, что изначальная конструкция была в значительной степени упрощена, что связано с тяжелой ситуацией на фронтах и необходимостью экономить на всем.
StG 44 с прибором ночного видения
Ведение стрельбы длинными очередями адекватно из этой системы было невозможным, так как добиться эффективного поражения целей не удавалось. Специалисты пришли к выводу, что данный режим ведения боя для МР 44 вообще не нужен, в виду бесполезности.
Отмечается, что все негативные стороны связаны с военной доктриной того времени. Попросту еще не были сформированы оптимальные требования к новому классу вооружения, потому зачастую инженерам приходилось сочетать противоречивые конструктивные решения.
Отсутствие цевья так же негативно сказывалось на удобстве обращения.
Автор статьи:
Лыжин Сергей
В заключение
Среди любителей стрелкового оружия очень часто ведутся споры о сходстве и различиях советского АК-47 и немецкой штурмовой винтовки. Поводом для дискуссии стало их отдаленное внешнее сходство
Именно на данном факте и акцентируют свое внимание специалисты стрелкового оружия.
Во время производства штурмовых винтовок немцами соблюдалась максимальная экономия материалов
Кроме того, изготовление осуществлялось с применением штампованных металлических деталей. Немецкие винтовки очень удобно держать в руках. Однако нигде не было создано ни одной копии Stg 44. Неудачные попытки осуществлялись в Испании и Латинской Америке. Иная ситуация сложилась с советским АК-47.
Этот автомат, в отличие от штурмовой винтовки, обладает лучшей эргономикой. Копии на автомат Калашникова создаются практически по всему миру и сегодня.
Оцените статью:(0 голосов, среднее: 0 из 5)
Поделитесь с друзьями!StG 44 / Штурмгевер / Sturmgewehr 44 первая штурмовая винтовка
История StG 44 / Штурмгевер / Sturmgewehr 44 началась, когда пистолет автоматический MP43 или Machine Pistol 43 согласно своей конструкции, разработанной в 1943 г.
, стрелял менее мощным, промежуточным патроном и, как следствие, имел меньшую отдачу. Однако Гитлер, все еще считая, что войскам необходимо оружие, способное вести огонь до 2-х километров, приказал не начинать производство этого оружия. Министр вооружений Германии, однако, знал о необходимости нового оружия и изменил название на «Пистолет-пулемет», как немцы называли не только свои пистолеты-пулеметы, а и американский Thompson. Хитрость сработала, и оружие пошло в производство на трех заводах, после чего немецкие войска на всем Восточном фронте требовали получения нового оружия. Все дело было сорвано, «когда несколько командиров дивизий спросили Гитлера на конференции, когда они получат новое оружие. Гитлер пришел в ярость и приказал провести расследование. К счастью для людей, которые не повиновались фюреру-это оружие стало первой в мире штурмовой винтовкой и эта информация успокоила Гитлера.Основой Maschinen Pistole 43 на самом деле была Maschinen Karbiner 42 (MKb 42). Он выглядел очень похоже и был выпущен в большом количестве и воевал на восточном фронте.
Позже это оружие было переработано в Mp43. Немцы, учитывая снайперскую ценность Mp43, создали вариант, получивший название Mp43 / 1. Он имел планки для крепления прицела корпусе. Снайперская расстановка на самом деле не сработала, поэтому их было сделано и передано в боевые части мало. В конце 1943 года была разработана MP44 / StG 44 (наиболее часто встречающаяся немецкая штурмовая винтовка времен войны), хотя в основном это то же самое, что и его предшественник. В 1945 году Маузер начал работу над новым типом штурмовой винтовки (иногда называемой StG45 (M), иногда Gerät O6), в которой использовался механизм блокировки роликов (как у Mp5), который замедлял темп стрельбы до 450 выстрелов в минуту. Однако эти винтовки так и не прошли стадию прототипа.Памятник Михаилу Калашникову, Хуго Шмайссер и винтовка StG 44
19 сентября в Москве, на пересечении Садового кольца и Долгоруковской улицы, был открыт памятник Михаилу Тимофеевичу Калашникову, изобретателю самого известного в мире автомата.
Эта дата пришлась на День Оружейника, праздник, учреждённым В.В. Путиным по инициативе самого Калашникова.
Через пару дней после открытия специалисты в сфере военной истории обнаружили, что на постаменте памятника изображена взрыв-схема StG 44 (Sturmgewehr 44, немецкой штурмовой винтовки конструкции Хуго Шмайссера, оружейника Третьего рейха).
В интернетах «всплыл» старый спор о заимствовании Калашниковым для своего автомата деталей и узлов от StG 44. Напомним — комментаторы-критики, в 99,9% случаев оказывающиеся непростительно далёкими от оружейной темы, указывают на внешнее сходство АК и StG 44 как на неоспоримое доказательство того, что российское оружие «слизано» с немецкой винтовки. Однако если взглянуть на внутренние части и схему работу обеих винтовок, то видны принципиальные различия. В каких же отношениях находятся автомат Калашникова и Sturmgewehr 44?
Максим Попенкер, официальный представитель концерна «Калашников», опубликовал на сайте Kalashnikov.
Media статью, хорошо отвечающую на этот вопрос. Итак…
1. Кто такой Хуго Шмайссер и почему его часто поминают рядом с Калашниковым?
Хуго Шмайссер (Hugo Schmeisser)Хуго Шмайссер (Hugo Schmeisser, 1884-1953) — немецкий конструктор оружия и предприниматель, потомственный оружейник. Прославился разработкой нескольких ранних автоматических пистолетов для фирмы Bergmann, одного из первых серийных пистолетов-пулеметов МР 18 (его приоритет не без оснований оспаривают итальянцы с OVP-1918 и Beretta-1918). В контексте отечественной истории оружия Шмайссера чаще всего поминают в связи с разработкой автоматов под промежуточный патрон. Действительно, в 1943 году Красная Армия получила в качестве трофея немецкий автомат Mkb 42(H) конструкции Шмайссера под промежуточный патрон 7.9х33, что привело к созданию в 1943 году собственного промежуточного патрона 7.62х41 с несколько лучшей, чем у немцев, баллистикой и развертыванию активных работ над оружием под этот боеприпас.
Тут надо особо отметить, что, когда Шмайсер еще занимался в Германии налаживанием массового производства своего модифицированного автомата Stg 44, в СССР шли работы по созданию целого семейства оружия под промежуточный патрон — карабинов с ручной перезарядкой и самозарядных, автоматов и ручных пулеметов.
Уже летом 1945 года, когда захваченный американцами в апреле 1945 года Шмайссер еще сидел в их плену, в СССР начались войсковые испытания автомата Судаева АС-44 под патрон 7.62х41. Параллельно с ним начались испытания и самозарядного карабина Симонова СКС под тот же патрон. В 1946 году Шмайссер вместе с группой других немецких инженеров был отправлен в СССР для передачи немецкого опыта.
Напомню, в те времена это было нормальной практикой — первые советские реактивные самолеты имели двигатели немецкой конструкции, первый Ижевский послевоенный мотоцикл ИЖ-350 был копией немецкого DKW 350, французы на своих заводах собирали пистолеты Вальтера для своей полиции из трофейных деталей и по трофейной документации, а все американские космические ракеты вплоть до «лунника» Сатурн-5 были сделаны под руководством бывшего штурмбанфюрера СС Вернера фон Брауна.
2. Что известно о сотрудничестве Шмайссера и Калашникова?
Михаил Калашников в молодые годыПо большому счету ничего. Михаил Тимофеевич работал над своим автоматом в городе Ковров и на Щуровском полигоне в Подмосковье, принимая участие в конкурсах на новый автомат 1946 и 1947 годов наравне со многими другими конструкторами, так или иначе оказавшими заметное влияние на окончательный вариант автомата АК-47 после неудачи с АК-46.
В частности, тут стоит отметить туляка Булкина с его автоматом ТКБ-415, являвшегося одним из главных конкурентов Калашникова на последнем этапе конкурса 1947 года.
В Ижевск, где с 1946 года пребывал Хуго Шмайссер с группой своих бывших соотечественников, Калашников приехал в начале 1948 года уже с более или менее готовой конструкцией автомата АК для постановки ее на серийное производство.
Еще нужно отметить, что конструкция нового автомата на тот момент являлась секретной, а немецкие инженеры, работавшие в Ижевске, допуска к секретным работам не имели. Вообще, в открытом доступе в музее ИЖМАШ в Ижевске имеется достаточно большой объем документов по работе там группы немецких оружейников, включая личные характеристики на них, из которых следует, что Шмайссер, в отличие от ряда других своих коллег, также оказавшихся в советском плену (таких как Грюнер, например), не проявлял особого рвения в помощи победителям и занимался не слишком серьезными разработками вроде нового пистолета-пулемета или магазинов к оружию.
Можно предполагать, что Шмайссер мог передать советским инженерам какие-то данные по технологии штамповки деталей оружия из листовой стали, но документальных подтверждений этому пока не найдено.
3. Является ли совпадением сходство конструкций между Stg-44 и АК-47?
Если говорить о внешнем сходстве — то да, StG 44 и АК-47 похожи. Как похожи друг на друга любые другие схожие по назначению единицы оружия.Если говорить о внешнем сходстве, то тут уместно вспомнить инженерную поговорку о том, что форма определяется функцией. Одно назначение диктует схожесть внешнего вида, при этом нужно отметить, что аналогичную StG 44 общую компоновку (штампованная конструкция, отдельная пистолетная рукоятка, отъемный коробчатый магазин, откидной вниз на шарнире блок ударно-спускового механизма с рукояткой) имел скажем пистолет-пулемет Судаева образца 1942 года. С другой стороны, схожую с АК компоновку (как внешне, так и внутренне) имела автоматическая винтовка (ручной пулемет) американца Льюиса (Lewis machine rifle) 1923 года — в этой системе также имелась газоотводная автоматика с верхним расположением газового поршня с длинным ходом и запирание поворотным затвором.
Если говорить чисто об устройстве автоматики и компоновке внутренних узлов, то тут тоже различий между системами Калашникова и Шмайссера гораздо больше, чем совпадений.
Что касается StG 44, то его компоновка с откидным вниз узлом УСМ, возвратной пружиной в прикладе, газовым поршнем с длинным ходом и характерным запиранием перекосом затвора в вертикальной плоскости имела более чем случайное сходство с устройством чешского ручного пулемета ZB Vz.26. Особенно это сходство было заметно в раннем варианте немецкого автомата Mkb 42(H), впрочем, и в «Штурмгевере» 1944 года чешские «уши» торчат самым очевидным образом.
Внутри AK-47 и StG-44 мы видим различные принципы компоновки узлов, запирания ствола и гашения отдачиАвтомат Калашникова по устройству узла запирания и ударно-спусковому механизму базируется на американской системе Гаранда М1 (что подтверждал в своих мемуарах и сам Михаил Тимофеевич). Концепция «вывешивания» затворной группы с большими зазорами для обеспечения высокой надежности при загрязнении была ранее применена Судаевым в его автомате АС-44, конструкция ствольной коробки с отдельной крышкой и характерным решением возвратной пружины ранее были реализованы в автомате Булкина ТКБ-415.
Если говорить кратко, то и Шмайcсер, и Калашников занимались решением одной и той же инженерной задачи (то есть созданием оружия на уже известных принципах и под схожие требования), но подходы у них были принципиально разные, как и результаты — автомат Калашникова получился заметно легче «штурмгевера», более гибок конструктивно (для StG 44 создание варианта со складным прикладом вылилось бы в серьезную переделку конструкции из-за расположенной в прикладе пружины), а главное — гораздо более надежен.
Именно поэтому, невзирая на известность, StG 44 после войны всерьез не копировали в других боевых образцах, а вот АК стал одним из самых успешных, массовых и копируемых образцов не только в своем классе, но и вообще среди всего боевого стрелкового оружия 20 века.
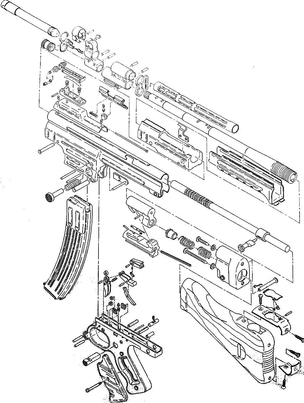
Для более искушенных наших читателей — полная разборка StG 44. Кто хорошо знаком с устройством автомата Калашникова — увидят отличия в системах этих винтовок.
Насколько тесно связаны между собой пулеметы StG-44 и AK-47?
Автомат АК-47 знают даже люди, которые утверждают, что ничего не знают об огнестрельном оружии. Проще говоря, это, пожалуй, самое узнаваемое стрелковое оружие в мире. Было произведено более 75 миллионов АК-47, а количество оружия семейства Калашникова на базе АК-47 превышает 100 миллионов по всему миру. Немногие виды оружия в истории человечества оказали такое продолжительное воздействие, и оно использовалось революционерами по всему миру.
Согласно исследовательскому документу Всемирного банка по вопросам политики, опубликованному в 2010 году, из примерно 500 миллионов единиц огнестрельного оружия в мире более одной пятой было создано на основе оружия, разработанного Михаилом Калашниковым.
Огнестрельное оружие стало символом не только Советского Союза, но и повстанцев всего мира. Низкая себестоимость в сочетании с простотой производства позволила во время холодной войны во время Холодной войны практически отдать огромное количество АК-47 революционным движениям.
Он стал таким символом мировой революции, что появился на гербе Восточного Тимора и на флаге Мозамбика. После окончания холодной войны торговая марка АК-47, а также имя его изобретателя Михаила Калашникова использовались для различных продуктов, в первую очередь для водки, включая версию под маркой АК-47, бутылка которой напоминала знакомую штурмовую бутылку. винтовка.
Затем идет история, которая звучит как сказка для любителей оружия и любителей истории.
Речь идет о русском танкисте, который, выздоравливая от ран, смог сконструировать печально известный автомат Калашникова — АК-47.
Звучит слишком хорошо, чтобы быть правдой, и, вероятно, потому, что так оно и есть.
Во-первых, у Калахникова был небольшой опыт проектирования оружия, и он был скорее мастером, чем конструктором. Но есть также тот факт, что он утверждал, что мог читать о конструкции огнестрельного оружия, пока выздоравливал.В конце концов, это был Советский Союз во время Второй мировой войны, нация, которая боролась за свою жизнь.
Не все же действительно верят, что он просто случайно имел доступ к таким руководствам и что НКВД охотно позволяло любому читать о советском оружии?
Предполагать, что Калашников-самоучка самостоятельно сконструировал АК-47, — это миф. Разработчики оружия редко начинают с нуля, и так было со времен разработки пороха. Каждое новое оружие создано на основе прошлых разработок, и это, безусловно, относится к АК-47, который на самом деле тоже не был первым советским автоматом.
Точно так же в течение многих лет Калашников предполагал, что на него не повлияла немецкая штурмовая винтовка StG-44/MP-44. Однако нельзя отрицать, что Хьюго Шмайссер, ответственный за StG-44, был вынужден работать на Красную Армию и, вероятно, принимал участие в разработке АК-47. Фактически, в последние годы высказывались предположения, что Калашников рассмотрел лучшие элементы американской винтовки M1 Garand и StG-44 и объединил их. Таким образом, хотя его дизайн был революционным, он также был несколько эволюционным.
Трудно не увидеть влияние немецкого StG-44 в АК-47, как нельзя не увидеть, как винтовка М14 выросла из М1 Гаранд. Да, работа АК-47 могла быть более совершенной, но это была эволюция оружия прошлого, а не единственная работа крестьянина-самоучки. Однако для Советов не звучит ли лучше последнее, что раненый малообразованный крестьянин сделал величайшее орудие 20-го века?
Альтернатива: это немец сделал что-то лучше русского.Как вы думаете, во время холодной войны Москва хотела, чтобы мир поверил?
Питер Сучиу — писатель из Мичигана, сотрудничавший с более чем четырьмя десятками журналов, газет и веб-сайтов. Он регулярно пишет о военном стрелковом оружии и является автором нескольких книг о военных головных уборах, в том числе Галерея военных головных уборов , которая доступна на Amazon.com .
Изображение: Reuters.
Call Of Duty Vanguard лучшее снаряжение STG44 и настройка класса
Ищете лучшее снаряжение для STG44 в Call Of Duty Vanguard? Штурмовые винтовки всегда были де-факто выбором для большинства снаряжений FPS, и Vanguard ничем не отличается.
Если вы ищете штурмовую винтовку, STG44 — невероятно сильный выбор, который наверняка принесет вам множество легких убийств. Независимо от того, ищете ли вы скорость, урон или точность, в этих комплектах снаряжения для STG44 есть все.
Ниже мы предоставим лучшее снаряжение для STG44 в первом сезоне «Авангарда», охватывающее как ближний, так и дальний бой. По мере того, как мы приближаемся к запуску 2-го сезона, мы будем регулярно обновлять это руководство, чтобы вы знали, получил ли STG44 какие-либо настройки или изменения, которые влияют на это снаряжение.
Лучший класс STG44 в Call Of Duty Vanguard
STG44 — одно из лучших орудий в Call Of Duty: Vanguard благодаря своей универсальности. Если вы хотите бегать и стрелять пулями в своих врагов, STG44 — это надежное оружие, которое должно быть в вашем арсенале. В этом наборе мы сосредоточились на повышении скорости и точности STG44, чтобы вы могли бегать и выпрыгивать в многопользовательской игре, что упрощает получение ракеты V2.
- Оптика : Сланцевый отражатель
- Намордник : Ртутный глушитель
- Ствол : Krausnick 220MM Rapid
- Нижний ствол : Передняя рукоятка Carver
- Магазин : 7.62 Горенко Магазины на 30 патронов
- Задняя рукоятка : Рукоятка из сосновой смолы
- Стандартный : Удаленный Стандартный
- Боеприпасы Тип : Полое острие
- Мастерство : Жизненно важный
- Комплект : Полная загрузка
Эта установка STG44 идеальна для столкновений на коротких дистанциях, поэтому Slate Reflector — лучшая оптика для использования при переключении между целями. Конечно, этот прицел сам по себе не может сделать STG44 машиной для убийств.Если вы действительно хотите ополоснуть вражескую команду и совершить множество убийств, вам нужно увеличить скорострельность.
Krausnick 220mm Rapid и 7,62 Gorenko 30 Round Mags увеличивают скорострельность, так что ваши пули прорывают противников прежде, чем они успевают среагировать. Усилитель отдачи поднимет вашу скорострельность немного выше, но мы на самом деле рекомендуем вместо этого выбрать дуло Mercury Silencer , чтобы вы не появлялись на мини-карте при стрельбе.
Конечно, стрельба на такой высокой скорости вызывает у STG44 сильную отдачу, которую вам будет трудно контролировать.Магазины 7.62 Gorenko 30 Round Mags значительно уменьшают отдачу, но мы также рекомендуем использовать Carver Foregrip и Pine Tar Grip , чтобы сбалансировать ситуацию и упростить управление STG44.
До сих пор мы много говорили о вашей скорости стрельбы, но не упоминали о скорости передвижения. Так как вы захотите передвигаться с головокружительной скоростью с этим комплектом снаряжения для STG44, мы предлагаем использовать Removed Stock .
Это немного повышает все характеристики движения и помогает вам перемещаться по карте намного быстрее.
С указанными выше насадками вы сможете взлететь с невероятной скоростью, но вы можете обнаружить, что ваш урон немного низок. Чтобы решить эту проблему и превратить STG44 в мощную штурмовую винтовку, которую мы все знаем и любим, экипируйте Vital proficiency и Hollow Point типа боеприпасов. Витал расширяет зону жизненно важного урона, делая выстрелы в верхнюю часть груди равными выстрелам в голову. Если вам все еще не удается поразить эту жизненно важную область повреждения, боеприпасы Hollow Point позволяют выстрелам в конечности также наносить больше урона.С комплектом Fully Loaded вам не нужно беспокоиться о том, что у вас закончатся патроны, поскольку он дает вам максимальный боезапас при экипировке снаряжения.
Дополнительное оружие
Этот комплект снаряжения для STG44 представляет собой отличное оружие ближнего боя, но вы можете столкнуться с трудностями на некоторых больших многопользовательских картах в Vanguard.
В качестве дополнительного оружия мы рекомендуем взять дальнобойное ружье, которое может отстреливать врагов на расстоянии. Снайперские винтовки, такие как 3-Line Rifle или Kar98k, должны упростить взламывание черепов, но вы также можете попробовать BAR, если хотите что-то автоматическое.
Лучший дальнобойный класс STG44 в Call Of Duty Vanguard
Если вы не очень хорошо умеете стрелять и стрелять, у нас также есть дальнобойная сборка STG44, которая намного лучше стреляет по целям на расстоянии. С этой настройкой мы сосредоточились на повышении точности и урона, чтобы вы могли делать быстрые и легкие выстрелы в голову, не беспокоясь о характере отдачи. Просто цельтесь в голову и выпускайте поток пуль. Ваши враги не будут знать, что их поразило.
- Оптика : G16 2.5X
- Дуло : Стабилизатор F8
- Ствол : VDD 760MM 05B
- Подствольная часть : M1930 Strife угловая
- Магазин : .
30 Russian Short 30 Round Mags - Задняя рукоятка : Рифленая рукоятка
- На складе : VDD 34s Взвешенный
- Тип боеприпасов : удлиненный
- Мастерство : Ловкость рук
- Комплект : Полная загрузка
Так как этот класс STG44 нацелен на то, чтобы преуспеть на средних дистанциях, G16 2.Прицел 5X идеально подходит для поиска цели. Конечно, вы ничего не заденете, если ваш STG44 резко отбрасывает назад при стрельбе, поэтому вам понадобятся насадки, улучшающие контроль отдачи и точность. Стабилизатор F8 и ствол VDD 760 мм 05B повышают точность и управляемость, а также немного повышают дальность поражения STG44.
Утяжеленный приклад VDD34s и подствольный ствол M1930 Strife Angled также улучшают точность и управляемость вашего STG44, но при использовании этих приспособлений ваша скорость будет страдать.
Как упоминалось выше, это снаряжение ориентировано на столкновения на средних и дальних дистанциях, поэтому резкое сокращение скорости движения и спринта до скорости стрельбы не должно иметь значения.
Stippled Grip должен справиться с любой оставшейся отдачей, увеличивая восстановление отдачи, а это означает, что вам потребуется меньше времени, чтобы снова прицелиться после выстрела. Это важно, если вы хотите иметь дело с несколькими врагами одновременно.
С такой высокой отдачей и точностью мы можем позволить себе понести потери в этой области, чтобы увеличить урон и скорость пули, что делает STG44 более эффективным для дальних столкновений. Russian Short 30 Round Mags резко снижают контроль отдачи и точность, но эти характеристики все равно будут выше значений по умолчанию для STG44. Однако, чтобы компенсировать эту потерю, этот магазин увеличивает скорость пули, дальность поражения и проникающую способность пули. В сочетании с удлиненным типом боеприпасов , который также увеличивает скорость пули, ваш STG сможет быстро поражать цели на любом расстоянии.
Быстрая перезагрузка всегда важна, поэтому возьмите Ловкость рук в качестве своего мастерства.Используйте Fully Loaded в качестве своего комплекта, чтобы вы начали с максимальным боезапасом, а это означает, что вам не нужно будет паниковать и переключаться на второстепенный в середине перестрелки.
Дополнительное оружие
Этот класс STG44 идеально подходит для того, чтобы сидеть сложа руки и стрелять по целям на расстоянии. Однако враги коварны, и вы не всегда сможете позволить себе роскошь сидеть в одиночестве в выгодной позиции. Если враг приблизился к вам с фланга или вам нужно двигаться, чтобы сосредоточиться на цели, вам понадобится более быстрое оружие, которое может помочь вам в боях на коротких дистанциях.Для этого возьмите мощное оружие ближнего боя вроде MP40 или M1928. Это одни из лучших пистолетов-пулеметов в Vanguard. Если вы предпочитаете более мощное оружие, попробуйте боевой дробовик, который на сегодняшний день является лучшим дробовиком в первом сезоне «Авангарда».
Лучшие навыки и снаряжение STG44
Вот лучшие способности и снаряжение для вашего класса STG44:
- Перк 1 : Призрак
- Перк 2 : Радар
- Способность 3 : Overkill
- Смертельный : Термит
- Тактический : Стим
Протестировав их все, мы быстро остановились на лучших перках Call Of Duty: Vanguard и не видим причин менять их для этого класса STG44. Призрак должен помочь вам оставаться скрытым от вражеской разведки и самолетов-шпионов, чтобы врагам было труднее вас найти. Радар облегчает обнаружение врагов, так как они появляются на вашей мини-карте, когда стреляют из оружия без глушителя. Наконец, вам понадобится Overkill , чтобы экипировать одно из упомянутых выше видов оружия в качестве дополнительного оружия в этих наборах.
Thermite и Stim важны для этого снаряжения, так как они помогут вам избежать опасных ситуаций, если враг приблизится.
Когда вы увидите приближающегося врага, бросьте термит, а затем бегите, чтобы найти другую точку обзора. Если вас подстрелят, используйте стим, чтобы освежить свой тактический спринт и быстро вылечиться, что даст вам шанс спрятаться и убить врага. Стим также является важной частью тактики отмены скольжения, которая позволяет вам переключаться между тактическим спринтом и скольжением на невероятной скорости, чтобы с легкостью перемещаться по карте.
Теперь вы должны быть готовы к созданию лучшего класса STG44 в Call Of Duty: Vanguard.Если вы хотите попробовать больше настроек, ознакомьтесь с нашим списком лучших комплектов снаряжения в Vanguard. Если вы хотите узнать больше о STG44 и других пушках, взгляните на наш список характеристик оружия Call Of Duty: Vanguard. Вам также следует ознакомиться с нашим руководством о том, как быстро повысить уровень в Call Of Duty: Vanguard, чтобы вы могли разблокировать эти вложения и быстро создать лучшую настройку класса STG44.
Call of Duty: Vanguard лучший класс STG44
Если вы играли в Call of Duty: Vanguard с момента его запуска, вы знаете, насколько популярен STG44 .
Мало того, что это оружие, к которому у вас есть доступ на уровне 1, оно также обладает приличным уроном и отличными уровнями настройки благодаря 10 слотам для крепления. STG44 универсален, но есть способы превратить его из довольно хорошего оружия для повышения уровня в надежное основное оружие, без которого вы не захотите играть в онлайн-игру.
Это руководство познакомит вас с нашим мастер-классом ST44 ручной работы. Мы сосредоточимся на самом оружии и навесном оборудовании, которое необходимо оборудовать, чтобы получить максимальную отдачу от штурмовой винтовки, и объясним, почему был сделан каждый выбор.Как только мы рассмотрим все навесное оборудование, будет объяснено общее снаряжение, включая дополнительное оружие и перки, которые нужно взять.
Снаряжение Call of Duty: Vanguard STG44 — лучшие приспособления
Когда дело доходит до STG44, орудие лучше всего подходит для перестрелок на средних и дальних дистанциях. Таким образом, мы создаем эту штурмовую винтовку так, чтобы она могла наносить огромный урон врагам на таком расстоянии, не создавая при этом слишком большой отдачи или негативов, которые усложнят ваши выстрелы.
Чтобы добиться этого, мы готовы пожертвовать некоторыми параметрами скорости передвижения, времени прицеливания и скорости перезарядки.Идея состоит в том, что если вы и другой игрок целитесь друг в друга на карте, вы настроите свою сборку так, чтобы перестрелка шла по вашему пути.
Вложения, которые вы должны оборудовать, следующие:
- Дуло : Стабилизатор F8. Увеличивает дальность поражения и точность за счет стрельбы от бедра и скорости бега к огню.
- Подствольный ствол : M1930 Strife, угловой. Точность, стабильность прицеливания и устойчивость при ходьбе повышаются, что отлично подходит для выглядывания из-за угла!
- Ствол : VDD 760MM 05B.Уменьшено раскачивание прицела и увеличена дальность урона.
- Магазин : 30 русских коротких магазинов на 30 патронов. Увеличенная скорость пули + дальность, ручка пули и урон.
- Боеприпасы типа : Hollow Point.
Увеличивает урон конечностям. Поддерживает высокий урон, даже если ваша цель не совсем точна. - Оптика : M19 4.0X Flip. Очевидно, личное предпочтение, но прицел средней дальности — хорошая идея.
- Задняя рукоятка : Рифленая рукоятка. Точность и прицеливание при ходьбе ускоряются.Позволяет оставаться мобильным во время прицеливания.
- Stock : VDD 27 Precision. Горизонтальное управление отдачей + скорость прицеливания.
- Мастерство : Жизненно важный. Увеличивает область для критических ударов. Значительно облегчает быстрое уничтожение врагов.
- Комплект : Защитник. Опять же, в основном личные предпочтения, но, поскольку вы можете монтировать STG44, вы можете извлечь из этого пользу.
Call of Duty: класс Vanguard STG44 — лучшее вторичное оружие и гранаты
Выбирая дополнительное оружие для STG44, вы, очевидно, хотите компенсировать основные недостатки этого оружия.
Таким образом, варианты с близкого расстояния являются лучшими. Вы можете взять классический пистолет для паники и тех ситуаций, когда необходима возможность быстро двигаться. Подойдет любой пистолет, но мы рекомендуем пистолет-пулемет, чтобы быстро отбиваться от нападающих.
В качестве альтернативы, если вы выбрали перк Overkill, SMG выполняет ту же работу, но с дополнительными преимуществами, которые обеспечивает основное оружие. MP40 — фантастический выбор, или дробовик тоже подойдет, если вы предпочитаете этот тип оружия.
Для гранат и тактического снаряжения это во многом личное предпочтение.Тем не менее, мы довольно хорошо справились с использованием Стима в тактическом слоте. Это позволяет быстро восстанавливать здоровье и тактический спринт и спасает жизнь, если вы находитесь между перестрелками. Молотов мы тоже взяли, но это в основном потому, что это то, с чем мы развлекаемся больше всего.
Call of Duty: класс Vanguard STG44 — лучшие перки
Для навыка 1 обязательно должен быть Призрак.
Держитесь подальше от самолетов-шпионов и вражеской разведывательной информации, что позволит вам дольше оставаться в выгодных местах, не теряя времени. Возможность начать бой, прицеливаясь, является огромным преимуществом здесь.
Когда дело доходит до способности 2, радар является наиболее полезным. На первый взгляд это просто позволяет вам отслеживать, где находятся враги, но это, в свою очередь, позволяет вам настроиться на то, чтобы отстреливать других игроков, когда они идут к вам.
Наконец, перк 3 — это разделение между Overkill и Scavenger. Overkill, конечно, хорош, если вы хотите взять SMG вместо вторичного пистолета. Тем не менее, Scavenger также хорош для того, чтобы держать вас в запасе боеприпасов в течение более длительных периодов времени. Личное предпочтение между ними, но Scavenger лучше, если вы хотите сосредоточиться на STG44.
На этом наша сборка STG44 завершена! Если вы хотите увидеть другое оружие, которое на голову выше остальных, вы можете ознакомиться с нашим лучшим оружием Call of Duty: Vanguard здесь.
В качестве альтернативы у нас есть видео, демонстрирующее умение Vital — приспособление, представленное в этой сборке, которое значительно увеличивает урон STG44.
MP44.nl — Немецкая униформа и снаряжение — Sturmgewehr 44
Модель Haenel стреляла с открытого затвора,
который имел недостатки, в то время как модель Вальтера
стрелял с закрытого затвора.
Как видно, обе модели также имели штык-нож. В более поздних моделях от этого отказались.
Оба карабина Maschinen были показаны Гитлеру 14 апреля 1942 г., но его не было
произвел впечатление и не одобрял дальнейшее развитие оружия.
Несмотря на неодобрение Гитлера, оружие было отправлено в пехотную школу в/ч Дбериц для оценка.
Пехотная школа благоприятствовала
Haenel, и был очень восторженным, но имел некоторые улучшения
предложения.
Это также означало конец конструкции Вальтера.
Однако Гитлер постоянно отказывался
чтобы увидеть преимущества Maschinen Karabiner .
Его идея заключалась в том, что пехоте нужны самозарядные винтовки, стреляющие
стандартные патроны 8 x 57 и более пистолеты-пулеметы.
Тем не менее, развитие
новое оружие продолжилось и теперь стреляло с закрытого затвора.
6 февраля 1943 г. улучшенный MKb. 42 (Н) был продемонстрирован Гитлеру
снова.
Оружие теперь называлось MP 43 ( Maschinen Pistole 43 ) для неизвестного.
причины
Чтобы заметить разницу, открытый затвор MKb. 42 теперь назывался «МП
43 А» , а
версия с закрытым затвором называлась «MP 43 B» , а позже MP.
43/1
Гитлер снова отказался от оружия в
в пользу адаптации Gewehr 43.
Он приказал не выпускать МКб и все работы по проекту
пришлось остановить.
Опять же, это мало повлияло,
и 1500 MKb (или MP 43 A) должны были быть отправлены на фронт в Heeresgruppe
Nord для испытаний.
Почему открытый затвор MKb. 42 (MP 43 A) был заказан вместо закрытого затвора.
MP 43 B неизвестен.
10 апреля 1943 г. Высший Армейский Командование сообщило Heeresgruppe Nord , что было отправлено 2000 MKb.
Фронтовые отчеты были очень положительными,
и исходя из этого глава министерства вооружения и боеприпасов
пытался убедить фюрера еще раз 30 сентября и 1 октября,
1943.
Наконец он добился успеха, и Гитлер передумал и заказал производство 30 000 MP 43 в месяц.
Лучшее снаряжение Warzone STG44 | Великолепный универсал
STG — M4 Vanguard — фантастическое оружие, не имеющее реальных недостатков.
Вот полная настройка навесного оборудования, а также лучшие перки, гранаты и второстепенные предметы для снаряжения STG44. Это проект по сбору долгов. Выглядит очень красиво. | © Activision BlizzardSTG44, пожалуй, лучшее одиночное оружие, которое мы когда-либо видели от Vanguard. Это уровень 1, отличный во всем, очень настраиваемый AR. Очень похоже на XM4 и M4 прошлых лет. В Warzone, особенно на новой карте Caldera, это особенно сильно, потому что вы так часто сражаетесь на идеальном расстоянии для STG (50/60 м).Итак, какова настройка мета-вложений и как должно выглядеть ваше снаряжение для STG44?
Примечание: Это установка, разработанная для Warzone, если вы ищете сборку STG для стандартной многопользовательской игры, вам нужна эта сборка .
Лучший
Установка STG44 G16 — фантастическая оптика, настоящая изюминка. | © Activision Blizzard | | | морда | F8 стабилизатор | Barrel | VDD 760 мм 05B | | Optic | G16 2. 5x | 12 | Tactical | Konstanz Tactical |
| Magazine | 8 мм KURZ 45 Круглая барабана | |||||||||
| AMMO типа | Удлиненные | |||||||||
| Задняя сцепление | Grip | |||||||||
| Vital | Vital | |||||||||
| Комплект | Полностью загрузка |
В этой сборке мы стремимся максимизировать потенциальную скорость и диапазон STG, в то время как поддерживает достаточно быстрое обращение.Удлиненные боеприпасы делают фантастическую работу, давая нам дополнительную скорость без каких-либо компромиссов. Vital proficiency также стоит упомянуть как действительно хороший комплект. Это увеличивает размер области, в которую нужно попасть для нанесения критического урона. Некоторые будут утверждать, что это умение снижает потолок умений (справедливости ради они правы), но наша задача — дать вам, ребята, все преимущества, поэтому мы должны включить это в сборку.
Лучшие второстепенные предметы, гранаты и перки для снаряжения STG44
Лучшее вторичное оружие для STG44
Пистолет-пулемет отлично подходит для личного оружия, а с магазинами на 40 патронов он обладает удивительной огневой мощью.| © ActivisionВы не будете долго полагаться на вторичное оружие в Warzone, но хорошо иметь выровненный пистолет. Давайте перейдем к делу, ни один из пистолетов не приносит удовольствия, так что сэкономьте время и просто сделайте пистолет-пулемет; это легко лучший в своем классе. Магазины на 40 патронов делают его карманным пистолетом-пулеметом, и это так же хорошо, как и с пистолетами.
Лучшее оборудование для STG44
| Смертельный нож | ||||
| Tactical | Stun |
с текущим отсутствием льтанов и тактических веществ, разрешенных в авангардных элементах, мы не хотели брать что-то, что вам нужно удалить из загрузки каждую вторую игру.
Оглушение — естественный выбор, потому что они всегда использовались для агрессивного толчка, а Метательный нож идеально подходит для быстрого устранения людей, которых вы сбили, прежде чем они смогут самовосстановиться. И поверьте нам, самовосстановления на новой карте гораздо больше, так что ожидайте, что каждый игрок, с которым вы сражаетесь, будет иметь его в кармане.
Лучшие бонусы для STG44
| Perk 1 | Hold-кровь | |||
Перк 3 |
Cold-кровь — это жесткий счетчик до чрезвычайно популярного боевого скаута , который мы выбрали, потому что он позволяет вам беспрепятственно координировать свои действия с вашей командой.Призрак есть Призрак. Два года в Warzone, я не думаю, что нам нужно объяснять, почему перк конечной игры был выбран (как всегда) в нашей загрузке AR.
Ну вот, ребята, текущая мета для STG44.
Наслаждаться!
FaZe Swagg делится снаряжением Warzone «AIMBOT» STG44
Call of Duty: самое популярное оружие Warzone Pacific и его приспособления были раскрыты, поэтому мы отсчитываем лучших комплектов снаряжения по состоянию на 21 января 2022 года.
Стандартно для Warzone мета постоянно меняется. Обновление Warzone Pacific принесло почти 40 новых видов оружия из Call of Duty: Vanguard, а также внесло некоторые изменения в оружие из Modern Warfare и Cold War.
Это привело к серьезным изменениям в популярности определенного оружия, и благодаря WZRanked.com мы можем увидеть самое популярное оружие первого сезона Warzone Pacific. Итак, мы отсчитываем первую десятку вместе с самыми популярными насадками.
Самое популярное оружие и снаряжение в зоне боевых действий
10.М13 – 2,07%
Удивительно, что M13 снова входит в десятку самых популярных видов оружия в Warzone, но он превзошел некоторые из лучших орудий в игре, такие как AK-47 времен холодной войны и M4A1.
Что делает M13 таким популярным, так это его чрезвычайно низкая отдача, при которой не требуется никаких усилий, чтобы стрелять прямо. Сборки с низкой отдачей всегда популярны, и M13, безусловно, выполняет эту роль.
Самое популярное снаряжение M13 Warzone
- Дуло: Монолитный глушитель
- Ствол: Tempus Marksman
- Оптика: VLK 3.0x Оптика
- Подствольное: Передняя рукоятка Commando
- Боеприпасы: 60 круглых магазинов
9. Грау 5,56 – 2,16%
Когда Warzone впервые была выпущена в марте 2020 года, Grau 5.56 был королем. Практически без отдачи и с самым чистым железным прицелом, который только могла предложить игра, почти каждый игрок использовал Грау. Теперь в Warzone Pacific Season 1 он избежал нерфов, которые поразили другие AR, и остался популярным выбором.
Многие пользователи Грау используют его в качестве своего «полностью заряженного» оружия, которое они могут взять, чтобы получить полные боеприпасы при захвате снаряжения после возвращения из ГУЛАГа.
Впрочем, такая возможность есть у всех орудий «Авангард», поэтому оптика ВЛК 3.0х снова востребована.
Самая популярная загрузка Grau 5.56 Warzone
- Морда:
- Mools: Монолитное супрессор
- Barrel: Tempus 26.4 «Archangel
- Optic: VLK 3.0x Optic
- underbarrel: Commando Forgrip
- Боеприпасы
- Mags
8. Килограмм 141 – 2,35%
Очень похожий на M13, Kilo 141 — отличное оружие для игроков, которые ищут оружие с малой отдачей, чтобы стрелять по врагам на расстоянии.
Kilo — не самая мощная штурмовая винтовка в игре, но она убивает немного быстрее, чем M13, даже при меньшей скорострельности. Вы не сожжете свои боеприпасы сразу, что делает его отличным выбором для ношения как в Кальдере, так и на острове Возрождения.
Самая популярная загрузка Kilo 141 Warzone
- Морда: монолитный супрессор
- BARLEL: Singuard Arms 19.
8 «ProWler - Optic: VLK 3.0X Optic
- underbarrel: Commando Portgrip
- боеприпасов: 60 RUB MAGS
7 .Авангард ППШ-41 – 2,43%
ОружиеVanguard доминировало в мете с момента его появления, а PPSH-41 — идеальный пистолет-пулемет.
Благодаря невероятной точности стрельбы от бедра и удивительно эффективной для пистолета-пулемета дальности стрельбы трудно ошибиться, выбрав ППШ-41, особенно в Vanguard Royale. Мы ожидаем, что его популярность будет расти, если его не понерфят в будущем обновлении.
Самая популярная комплектация ППШ-41 «Авангард»:
- MUDER:
- Booster
- баррель: Kovalevsky 230 мм B03P
- Сток
- Underbarrel:
Carver Portrgrip- журнал: 8mm Nambu 71 Round Mags
- боеприпасы:
- боеприпасы: зажигатель
- задняя сценария: сосна TAR GRIP
- PERK 1: TUNCH
- Перк 2: Быстрый
6.
Швейцарский K31 – 6,20%Raven Software усердно работала над тонкой настройкой снайперских винтовок времен холодной войны в Warzone, и теперь они, похоже, поставили Swiss K31 в отличное место. 9 декабря Рейвен уменьшил сопротивление вздрагиваниям, но 15 декабря снова усилил его.
Его прямым аналогом является Kar98k из Modern Warfare, так как они одновременно быстрые и универсальные снайперы. Теперь мало что отличает их друг от друга, а некоторые даже предпочитают швейцарцев. Его высокая скорость пули означает, что вам почти не нужно стрелять свинцом, а его магазин обеспечивает значительное время перезарядки по сравнению с Kar98k.
Самое популярное снаряжение Swiss K31 Warzone
- Mools: GRU Supressor
- BARLEL: 24.9 «COMENT RECON
- Лазерный вид
- Laser Build
- underbarrel: Bruiser GRIP
- Задняя сцепление: Serpent Grip
5.
СТГ44 – 7,09%STG44 действует аналогично M4A1 из Modern Warfare, являясь отличным универсалом для Caldera.
Теперь, когда механика цветения удалена, STG стал еще мощнее.Возможно, это не самая мощная штурмовая винтовка в игре, но ею чрезвычайно легко управлять, что делает ее эффективной для игроков любого уровня подготовки.
Его популярность немного снизилась с начала сезона, но, вероятно, он останется важным выбором во втором сезоне.
Самое популярное снаряжение STG44 Warzone
- морда: MX Milencer
- баррель: CDD 760 мм 05B
-
- STOCK
VDD 34S Exested- underbarrel: M1941 ручной работы
- журнал: 8 мм Курз 60 круглые барабаны
- боеприпасов: Удлиненные
- Задняя сцепление: STIPPLED GRIP
- Перк 1: Vital
- Перк 2: Полностью загрузка
4.
Modern Warfare Kar98k — 7,29%Если вы ищете быструю снайперскую винтовку, которую легко использовать, Kar98k из Modern Warfare — это оружие для вас. Хотя технически это стрелковая винтовка, эта винтовка времен Второй мировой войны с продольно-скользящим затвором, пожалуй, лучшая снайперская винтовка в Warzone.
У Kar98k хорошая скорость прицеливания, а благодаря высокой скорости пули вы обнаружите, что им гораздо проще пользоваться, чем большинством других снайперских винтовок. Вы можете эффективно прицеливаться в ситуациях с близкого расстояния и, опережая свои цели, поразить несколько неприятных дальних выстрелов.
Kar98k — лучший выбор для игроков с контроллерами, так как YouTube-блогер TrueGameData обнаружил, что у него больше помощи при прицеливании, чем у Swiss. Это уже не самое популярное оружие, но по-прежнему одно из лучших.
Самая популярная загрузка Kar98k Warzone
- Mooder: Монолитное супрессор
- Баррель: синглуата пользовательских 27.
6 «Barrel - лазер: TAC Laser
- Optic: Sniper Scope
- Space: FTAC Sport Sport
3.Карабин Купера – 7,71%
Некоторые модели с низкой отдачей попали в этот список, но карабин Купера превосходит их по урону.
Карабин Купера появился в начале первого сезона Warzone Pacific и быстро стал популярным среди многих игроков. Опять же, это не самое мощное оружие в игре, но его почти отсутствующая отдача и приличный урон сделали его третьим по популярности выбором.
Самое популярное снаряжение Cooper Carbine Warzone
- Дуло: MX Глушитель
- Ствол: ZAC 760 мм 05B
- Оптика: G16 2.5x
- Сток: VDD 34s Exested
- underbarrel: M1941 Ручная остановка
- Magazine: 70049 Mags: 70049 боеприпасов
- боеприпасов: Удлинение
- Задняя сцепление: Polymer Grip
- Perk 1: Витал
- Перк 2: Полная загрузка
2.
Брен – 11,35%Bren доминировал в игре в праздничные дни, и, несмотря на то, что его понерфили, он остался вторым по популярности оружием в игре.
В этом списке мы упомянули несколько билдов с низкой отдачей, но у Bren в праздничные дни отдача была нулевой. Это позволяло ему перемещать врагов по карте, и игрокам даже не нужно было двигать джойстик, чтобы он стрелял прямо.
Оружие было ослаблено в обновлении от 7 января, но оно по-прежнему остается лучшим вариантом для дальнего боя в Warzone Pacific.
Самое популярное снаряжение Bren Warzone
- морда: Mercury Milencer
- BARKEL: Queen’s 705mm Royal
- Scope
- Scope
- PU 3-6x
- Сток: Модель queen’s 11HB
- underbarrel: м1941 ручной работы
- Магазин: 6.5 Sakura 40 Round Mags
- боеприпасы:
- Удлиненные
- Задний захват: Polymer Grip
- Перк 1: Tight Grip
- Перк 2: Полностью загружен
1.
MP40 — 15.19%Если вы ищете пистолет-пулемет «Авангард» для использования в обычной «Королевской битве» или «Королевской битве», MP40 — отличный выбор.
Невероятно популярное оружие Vanguard, MP40 уже произвело фурор в зоне боевых действий.Его минимальная отдача и солидный урон делают его отличным выбором для ближнего боя, поэтому вы никогда не почувствуете себя в невыгодном положении при его использовании.
Неудивительно, что MP40 — самое популярное оружие в игре, поскольку оно дополняет любую возможную экипировку.
Самая популярная загрузка MP40 Warzone
- MUDER:
- BOOTER
- BARLEL: Krausnick 317mm 04B
- Krausnick 33M складной
- underbarrel: Carver Proidgrip
- журнал: 7.62 Gorenko 45 Round Mags
- боеприпасов:
- зажигатель
- сзади рукоятки: Polymer Grip
- Perk 1: Brace
- Perk 2: быстрый

Изображение предоставлено Activision / Sledgehammer Games / Raven Software
Штурмгевер 44
Опыт
Приведенный ниже документ под названием Отчеты об оценке опыта использования M.P.43 , представляет собой сводку ряда отчетов об опыте использования MP 43, предшественника Sturmgewehr 44.
1. Преимущества
Подготовка войск не требует усилий. Во время боя он подвижен и быстро готовится к стрельбе; хорошее оружие ближнего боя.
Точен на дистанциях нормального пехотного боя до 400 метров как в полуавтоматическом, так и в автоматическом режиме. Его также можно использовать как винтовку с оптическим прицелом. При тщательной тактике боеприпасов (одиночные выстрелы в быстрой последовательности) достаточно первоначального боекомплекта из семи-восьми магазинов по 30 патронов в каждом.Внедрение нового типа боеприпасов в войска не встретило никаких трудностей.
2. Недостатки
Недостатки, перечисленные в отчетах об опыте эксплуатации M.
P. 43a были частично исправлены с помощью M.P. 43б. В отчетах по М.П.43 б они больше не упоминаются. Изменения в журналах обязательны.
- Слишком легкий.
- Позволяет проникать грязи.
- Рекомендуется использовать магазины из кожи или листового металла.
3. Резюме
В большинстве отчетов рекомендуется введение MP43 в качестве замены винтовки 98 K и Maschinenpistole 38/40.
Только в небольшом количестве отчетов MP43 рассматривается как замена ручным пулеметам.
Солдаты полностью доверяют новому оружию.
4. Процентная сводка
- Отрицательные сообщения (все, что касается M.стр.43а): 8%
- Использование MP43 в качестве нового типа снаряжения: 8%
- Замена для MP38/40: 27%
- Замена для М.П.38/40 и Кб.98 б: 31%
- Замена на M.P.38/40, Kb 98 и винтовку с оптическим прицелом: 18%
- Замена для МР38/40 и ручных пулеметов: 8%
Большинство сообщений (74%) высказываются в пользу замены MP38/40 на MP43.
5. Предложение
Вооружить войска MP43 в качестве замены MP38/40.
Необходимо дальнейшее изучение вопроса замены Kb.98 b, винтовок с оптическим прицелом, полуавтоматических винтовок и ручных пулеметов.
Krummerlauf (изогнутые стволы)
Две насадки Krummerlauf были разработаны для штурмовой винтовки Sturmgewehr 44. Maschinenpistole-Vorsatz «P» (насадка для пистолета-пулемета P) был разработан для бронетехники, с помощью которого экипажи танков могли вести огонь по пехоте противника через крышу изнутри машины.Maschinenpistole-Vorsatz «I» позволял пехоте стрелять из-за угла.
Машиненпистолет-Форзац «П»
В 1944 году дистанционно управляемые пулеметы были установлены на крыше нескольких немецких истребителей танков, таких как Jagdpanzer 38, Jagdpanzer IV и Panzer IV/70 (V). В качестве альтернативы был разработан Maschinenpistole-Vorsats «P», позволяющий экипажу использовать Maschinenpistole 43 (но не Maschinenpistole 43/1) или Sturmgewehr 44 изнутри машины.
Изогнутый ствол был изогнут на 90 градусов и устанавливался в Kugellafette (шаровое крепление) на крыше. Для наведения пушки использовался перископ Winkelzielfernrohr WZF 5811. Перископ имел увеличение 1,25 градуса и поле зрения 12 градусов. Общий вес насадки, крепления, перископа и плечевого упора составлял 23,5 кг.
Изогнутая насадка негативно повлияла на дальность стрельбы оружия. В то время как прицел обычного Sturmgewehr 44 был оценен до 800 метров, максимальная дальность стрельбы из Maschinenpistole-Vorsatz «P» составляла 600 метров для одиночных выстрелов и 300 метров для очередей.Rheinmetall-Borsig утверждала, что срок службы ствола был идентичен сроку службы Sturmgewehr 44, хотя это сомнительно, учитывая значительно меньший срок службы ствола менее изогнутых насадок.
28 февраля 1945 года сообщалось, что около 550 штук было построено в Губене, когда производство было перенесено в Зёммерда из-за наступления советской армии. Установка устанавливалась на некоторые Panzer IV/70 (A).
Мнение союзников Vorsatz «P»
Следующая оценка была основана на испытаниях изогнутого крепления к Sturmgewehr 44 в США в 1945 году.Опыт использования Vorsatz «P» в основном отрицательный, как в отношении точности, так и в отношении износа ствола.
Несмотря на то, что он предназначен для использования в цистернах и оснащен специальным переходником с прерывистой резьбой для быстрого отсоединения, 90-градусный ствол подходит для стандартного зажимного переходника. Эта модель получила прозвище «За-Угол», потому что она позволяет стрелять из-за угла под прямым углом к стрелку. Ствол 18-3/4 дюйма. длинной и более тяжелой конструкции диаметром 25 мм.1-5/8 дюйма. секция на казенной части была повернута прямо, чтобы соответствовать переходнику, а два поперечных вертикальных штифта входят в канавки по бокам ствола, чтобы зафиксировать его на переходнике. Однако эти отверстия расположены так, что удлинитель в положении отводит пули вправо при горизонтальном положении пистолета.
Этот ствол имеет равномерный изгиб под углом 90 градусов по всей своей длине, без прямого участка, кроме короткой части, входящей в переходник.
Ожидалось, что это оружие будет трудно контролировать, и тестовые стрельбы подтвердили эти оценки.Когда пуля попадает в изгиб ствола, возникает бурная реакция в противоположном направлении. Таким образом, существует комбинация нормальной отдачи, огромного крутящего момента, когда вращающаяся пуля подвергается наказанию за новые нарезы без сброса давления газа, и ужасной боковой отдачи. При испытании оружия было произведено около 150 выстрелов. Были опробованы одиночные выстрелы и стрельба очередями, и, несмотря на попытки нескольких стрелков жестко удерживать оружие у бедра, более трех выстрелов в автоматическом огне оказались опасными, так как стрелок и оружие развернулись почти на 90 градусов.
Общая длина стандартного Kurzpatrone 43 M.W. 7,9 мм. составляет 25,7 мм. В обычном стволе пули выгравированы на расстоянии 10 мм. При прохождении ствола под углом 90 градусов они перегравированы на 16 мм.
Напряжения от этого сильного отклонения от курса достаточно, чтобы многие пули перекрутились пополам в области талии, а пуля сломалась в обычной обжимной канналюре. Стандартная пуля имеет штампованный сердечник из мягкого железа диаметром 6 мм. и длиной 19,5 мм. Сердечник имеет плоское основание, как и все немецкие сердечники из мягкого железа, но носовая часть плоская.Он окружен свинцовой оболочкой и носовым наполнителем и покрыт сталью Tombaclad (позолота).
При стрельбе по опилкам было получено больше осколков, чем целых пуль. Те, что остались нетронутыми, проходили через экраны в разных замочных скважинах, даже если экраны располагались в восьми дюймах от дульного среза. При выстреле на 50 ярдов, одиночные выстрелы, распавшиеся пули показали два или три попадания в грязный берег, осколки разорвались на расстоянии от 6 до 20 футов друг от друга. Стрельба по деревянным блокам на расстоянии 10 футов., многие пули перевернулись и сначала вошли в деревянную основу.
Осмотр 90-градусного ствола после примерно 150 выстрелов не выявил видимых искажений изогнутой части, но считается, что поперечное сечение покажет серьезные повреждения нарезов.
Кроме того, горло было разорвано и растянуто в 13:30, что указывало на то, что заостренная пуля была доставлена неправильно, вылетев из дульного среза пистолета-пулемета. Считается, что это связано с чрезмерным весом тяжелой секции ствола и крепления, что оказывает демпфирующее действие на нормальную вибрацию ствола и приводит к сильному кратковременному изгибу.
Машиненпистолет-Форзац «I»
Чтобы пехота могла стрелять из-за угла, что было полезно в городских боях, был разработан Maschinenpistole-Vorsatz «I». Он был изогнут на 30 градусов и наводился с помощью призменного прицела. Как и Maschinenpistole-Vorsatz «P», он страдал плохой точностью, с разбросом одиночного выстрела 35 на 35 сантиметров на 100 метров. В ходе испытаний Rheinmetall-Borsig крепления крепления ствола и призменного прицела после 5000 выстрелов были в рабочем состоянии.После 2000 выстрелов кривизна ствола уменьшилась на один градус. Это значительно сокращает нормальный срок службы ствола Sturmgewehr 44 до 10 000 выстрелов, хотя и намного лучше, чем 300 патронов, часто приводимые в литературе.
Мнение союзников о Форзаце «I»
Из того же отчета США, что и выше, Vorsatz «I» также считается сомнительной ценностью, хотя и не настолько, как Vorsatz «P».
Ствол 30 градусов составляет 14 дюймов.длинная. Ход пули в 16¼-дюймовом патроне M.P. 44 имеет длину 15 дюймов, таким образом, с насадкой под углом 30 градусов ход пули составляет 29 дюймов. Проверка этого 30-градусного ствола показывает, что первые четыре дюйма прямые, а 4½-дюймовая дульная секция прямая, таким образом ограничивая изгиб 30-градусной части до 5½-дюймовой секции в середине насадки. Он нарезной на всем протяжении с четырьмя широкими канавками по часовой стрелке, размерами как у ствола пистолета-пулемета. Казенная часть, прижатая к дульному срезу М.П. бочкообразный, конусообразный на глубину 9 мм. и до заднего диаметра 10 мм. чтобы вылетевшая пуля снова отцентрировалась в новом стволе. Попыток совместить нарезы двух стволов не предпринимается, пуля заново гравируется.
По словам изобретателя, «Круммерлауф» имеет расчетный ресурс 6000 выстрелов, но это вызывает большие сомнения.
Пробная стрельба показывает, что нагрузка на ствол при отклонении от нормального прямолинейного курса ствола велика, и считается, что он будет увеличиваться, разрушаться и образовывать карманы как во вспомогательной горловине, так и в криволинейной области.Все выпущенные пули были серьезно искажены, что подтвердил допрос майора Хартмана.
Изобретатель утверждает, что скорость увеличивается примерно на 10%. Согласно испытаниям, проведенным в Абердине, средняя инструментальная скорость пули весом 125 гран в пистолете-пулемете составляла 2285 фут/сек. Дополнительное увеличение на 10 % составило бы 228 фут/сек, что вызывает серьезные сомнения из-за серьезной деформации пуль и значительного увеличения трения. Кроме того, пороховой заряд нормального заряжания рассчитан на полное сгорание в 16-дюймовом стволе.Его основная движущая сила для ускорения снаряда и преодоления трения ствола будет падать, и вместе с повышенным трением, вероятно, будет зафиксирована небольшая потеря скорости.
У 30-градусного ствола наружный диаметр 20 мм, тогда как у автомата диаметр ствола у дульного среза 14 мм. В точке, начинающейся 58 мм. с казенной части насадки, очередью огня 4-мм. в верхней части ствола просверлены отверстия, по-видимому, для сброса давления газов.В этом стволе это сводило бы на нет возможное ускорение пороховых газов, так что пуля «выбегала» на изгибе. Если эти отверстия появятся во всех таких стволах, хронограф зафиксирует потерю скорости.
При испытательных стрельбах ствол с углом наклона 30 градусов, «прыжок» или подъем значительно ускорялись за счет изменения направления пули, но стрельба не была слишком неудобной. Выпуск газа через вспомогательные порты ствола значительно снизил очевидную нагрузку на механизм.
Инфракрасная насадка «Вампир»
Мнение союзников
Это выдержка из отчета Британского военного министерства за 1945 год о немецком инфракрасном оборудовании.
Инфракрасный телескоп для MP44 (немецкое кодовое название: Vampir)
Существует две модели этого оборудования, более ранняя из которых, по-видимому, идентична оборудованию, описанному как инфракрасный оптический прицел в Резюме 178.
В более поздней модели телескоп и лампа весом около 5 фунтов., устанавливаются на карабин-пулемет M.P.44. Телескоп дает единичное увеличение. Блок питания перевозится в рюкзаке весом около 30 фунтов. Батареи имеют срок службы от 3 до 5 часов на одной зарядке. Лампа передатчика имеет мощность 35 Вт.
Производительность
Приведенное изображение отличается высокой яркостью и хорошей контрастностью. Стоящих мужчин можно различить на расстоянии до 80 ярдов, особенно в движении.
История проблем
Следующий документ взят из презентации от 2 декабря 1944 г., в которой обсуждалось оснащение всех пехотных дивизий двумя Sturm-Züge (штурмовыми взводами).На момент презентации 56 из 179 стрелковых дивизий имели два штурмовых взвода, 10 — один штурмовой взвод, остальные — ни одного.
Выдача пехотных дивизий с Sturmgewehr 44 (пехотные, фольксгренадерские, полевые и стационарные пехотные дивизии Люфтваффе = 179 дивизий)
Выдача пехотных дивизий со Stu.
Gew. завершено примерно на треть. Ход дальнейшего выпуска зависит от производства боеприпасов.Исходя из текущего и ожидаемого развития боезапаса, можно ожидать дополнительный ежемесячный выпуск примерно от 15 000 до 20 000 Stu.Gew., всего до 150 000 единиц развернутого оружия.
Исходя из этого, численность пехотных дивизий с двумя штурм-цюгенами к середине 1945 г. предполагается составить 70 процентов, а к осени 1945 г. охватить все пехотные дивизии.
Статистика производства
| Месяц | Инвентарь | Ва А | ФЗ В | Потери | |
|---|---|---|---|---|---|
| Боевой | Экспорт и прочее | ||||
| 1943 | |||||
| июль | — | 97 | — | — | — |
| Август | — | 1 265 | — | — | — |
| Сентябрь | — | 1 446 | 1 260 | — | — |
| Октябрь | 1 260 | 4 000 | 2 810 | — | — |
| ноябрь | 4 070 | 6 200 | 1 000 | — | — |
| Декабрь | 5 070 | 6 493 | 9 000 | 84 | 324 |
| 1944 | |||||
| Январь | 13 662 | 3 400 | 5 000 | 271 | — |
| Февраль | 18 391 | 4 050 | 3 000 | 883 | 7 |
| март | 20 501 | 7 000 | 6 005 | 1 296 | 401 |
| апрель | 24 809 | 9 000 | 6 017 | 406 | 7 |
| Май | 30 413 | 9 500 | 12 008 | 505 | — |
| июнь | 41 916 | 13 000 | 8 355 | 47 | — |
| июль | 50 224 | 20 510 | 18 434 | 394 | 3 |
| Август | 68 261 | 29 500 | 28 220 | 2 420 | — |
| Сентябрь | 94 061 | 35 000 | 24 000 | 2 986 | 15 |
| Октябрь | 110 0001 | 46 000 | 46 399 | 8 449 | 13 350 |
| ноябрь | 134 600 | 55 100 | 41 500 | 5 701 | 9 228 |
| Декабрь | 161 171 | 49 800 | 38 883 | 7 096 | 1 550 |
| 1945 | |||||
| Январь | 191 408 | 41 683 | 57 098 | 13 995 | 695 |
| Февраль | 233 816 | 34 300 | 35 954 | 25 167 | 869 |
| март | н/д | 48 633 | н/д | ||
| апрель | н/д | ||||
| Май | |||||
| Итого | 425 977 | 344 943 | 69 700 | 26 449 | |
Техническая информация
| Штурмгевер 44 | |
|---|---|
| Масса без магазина | 4. 62 кг |
| Общая длина | 930 мм |
| Длина ствола | 412 мм |
| Диапазон |
|
| Скорострельность | 450 выстрелов в минуту |
| Начальная скорость | 685 м/с |
| Емкость магазина | 10 000 патронов |
Примечания
- Инвентаризация проверена.Назад
Источники
- Überblick über den Rüstungsstand des Heeres — Waffen und Geräte : Stand: 1.12.1943 . Берлин, 1943. 224 с. Der Chef der Heeresrüstung und Befehlshaber des Ersatzheeres — Stab Rüst IIIc Nr. 3600/43 г.Кдос.. НАРА Т78 Р167.
- Auswertung der Erfahrungsberichte MP43 . Берлин, 1943. 2 с. Подразделение организаций №III/10 663/43 г.Кдос.. НАРА Т78 Р413.
- Überblick über den Rüstungsstand des Heeres — Waffen und Geräte : Стенд: 1.
12.1944 . Берлин, 1944. 198 с. Der Chef der Heeresrüstung und Befehlshaber des Ersatzheeres — Stab Rüst IIIc Nr. 6600/44 г.Кдос.. НАРА Т78 Р169. - Берлин: Organizationsabteilung III, 1944. 8 стр. НАРА Т78 Р413.
- Überblick über den Rüstungsstand des Heeres — Waffen und Geräte : Stand 1. März 1944 . Берлин: Heereswaffenamt, 1945. 190 стр. Heereswaffenamt — Wa Stab St. Nr. 600/45 г.Кдос.. НАРА Т78 R413.
- Ausstossübersicht Waffen und Geräte im März 1945 .Берлин: Reichministerium für Rüstung und Kriegsproduktion, 1945. 3 стр. номер 154/45 г.Кдос.. НАРА Т78 Р413.
- Stand der Entwicklung am 28. 2. 45 : Bericht Nr. 2 . Unterlüß: Rheinmetall-Borsig, 1945. 22 стр.
- Maschinenpistole-Vorsatz «P» . Unterlüß: Rheinmetall-Borsig, 1945. 16 стр. Н/103.
- Приложение М к сводке технической разведки военного министерства № 179 от 13 июня 1945 г. . 1945. 2 с.
- ХАН, Фриц. Waffen und Geheimwaffen des deutschen Heeres 1933–1943: группа 1 .


44 (MG.44)

Нет необходимости для проведения разборки отсоединять приклад.
30 Russian Short 30 Round Mags
Увеличивает урон конечностям. Поддерживает высокий урон, даже если ваша цель не совсем точна.
5x
8 «ProWler
6 «Barrel
12.1944 . Берлин, 1944. 198 с. Der Chef der Heeresrüstung und Befehlshaber des Ersatzheeres — Stab Rüst IIIc Nr. 6600/44 г.Кдос.. НАРА Т78 Р169.