Как сделать арбалет своими руками из дерева в домашних условиях: инструкция

Несмотря на свой возраст, арбалет и сегодня способен неплохо конкурировать с некоторыми видами оружия. В отличие от своего прародителя, лука, данная конструкция обладает системой автоматического спуска стрелы, благодаря чему стрелок может сконцентрироваться на прицеливании, не растрачивая силы на натяжение тетивы. Учитывая популярность данного оружия, многие умельцы интересуются, как сделать арбалет своими руками. Для этого следует учитывать множество нюансов, знать особенности конструкции современного арбалета, виды таких орудий, факторы, влияющие на дальность выстрела и т. д.
Что такое арбалет?
Перед тем, как сделать арбалет своими руками, необходимо разобраться в особенностях данного оружия. Его называют еще самострелом или стрелометом, что отлично характеризует особенности его конструкции. Говоря простым языком, это лук, оснащенный специальным механизмом взведения и спуска тетивы.
Здесь имеется полноценный курок – спусковой крючок, посредством которого и осуществляется выстрел. Благодаря такому нововведению, арбалет превосходит традиционный лук по многим параметрам, а именно:
- убойной силе;
- дальности выстрела;
- точности стрельбы.
Однако в большинстве случаев арбалет проигрывает луку в плане скорострельности. Для нивелирования данного недостатка использовались специальные укороченные стрелы или болты, а иногда и пули.
Когда арбалет применялся в качестве боевого оружия, существовали увеличенные прототипы, которые устанавливались на специальных станках. Их называли аркбалистами. На данный момент арбалеты используются преимущественно в спорте и охоте, являясь компактными и удобными в применении.
Особенности устройства
Для изготовления ложи рекомендуется использовать материал дерева: ясень, бук, березу, орех, палисандр и даже дубОсновной частью арбалета выступает ложе, в которое закладывается стрела. Оно совмещается со спусковым механизмом.
В верхней части ложа установлен направляющий паз для болтов. На конце ложа находится стремя и крестовина. На последней закрепляются деревянные или стальные плечи.
Традиционный спусковой механизм представляет собой рычаг, шайбу, имеющую прорезь для хвостовика стрелы и фиксирующую пружину. Таким образом, при нажатии на спусковой крючок, тетива освобождалась из зацепа, передавая энергию стреле.
На данный момент существует несколько видов спусковых механизмов, используемых в арбалетах. Наиболее популярным из них является конструкция пистолетного типа.
Из чего состоит арбалет?
В сравнении с традиционным луком, в конструкцию арбалета было добавлено несколько элементов. Данное оружие состоит из следующих частей:
- ложе;
- лук;
- спусковой механизм;
- тетива.
Если речь идет о блочном арбалете, то его конструкция предполагает также наличие блоков – роликов, предназначенных для натяжения тетивы.
Виды арбалетов
Слева – классический арбалет, справа – блочная модельНа сегодняшний день различают несколько разновидностей арбалетов. Относительно назначения такие конструкции делятся на:
- Спортивные. Внешний вид и характеристики такого оружия напрямую зависят от той спортивной дисциплины, в которой они используются. Как правило, такие конструкции оснащаются специальными системами прицеливания и различными навесными элементами, предназначенными для повышения точности стрельбы.
- Охотничьи. Для таких арбалетов необходима относительная компактность при большой мощности. Поэтому чаще всего для охоты приобретают модели блочного типа.
- Любительские. Это легкие орудия, которые предназначены для стрельбы по мишеням и обладают относительно небольшой мощностью. Также производятся точные копии старинных арбалетов, которые хоть и являются боевыми прототипами, но чаще всего используются для украшения интерьеров и пополнения коллекций.
Относительно конструкции различают:
- Классические модели. В данном случае энергия накапливается непосредственно в дугах, после чего передается тетиве. Принцип действия таких арбалетов схож с самыми простыми моделями луков.
- Блочные. Это наиболее совершенный вид данного оружия. Специальная система блоков в данном случае способствует грамотному распределению нагрузки между элементами системы. Таким образом, мощность такого арбалета увеличивается, а габариты – уменьшаются.
Конструкция блочного арбалета отличается особой сложностью. Даже банальный процесс замены тетивы в данном случае требует профессионального вмешательства.
По типу используемых снарядов арбалеты могут быть:
- Классические. В данном случае речь идет об использовании специальных арбалетных стрел или же укороченных «болтов», повышающих скорострельность оружия.
- Шнепперы или балестры. Типичным снарядом в таком оружии выступает металлический шарик.
Технология изготовления модели
Для изготовления лука берется автомобильная рессора, а в качестве системы крепежа тетивы (троса) используются ролики (блоки)Изготовить арбалет своими руками будет несколько сложнее, чем лук. Принципиальным отличием в данном случае есть наличие ложа и спускового механизма. Впрочем, если вы имеете навыки работы с ручным инструментом, то особых сложностей у вас возникнуть не должно.
Выбор материала
Перед тем, как сделать арбалет из дерева, необходимо научиться правильно выбирать и заготавливать материал.
Наилучшими свойствами для изготовления арбалета обладает древесина. Это незаменимый материал для создания ложа и лука, поскольку дерево легко поддается обработке, обладает хорошими показателями гибкости и является весьма прочным. Помимо древесины при изготовлении дуг сегодня используются различные композиты и пружинный металл. Однако для собственноручного производства проще всего будет использовать именно дерево.
Само собой, для спускового механизма следует использовать что-то более надежное и износостойкое. Поэтому его изготавливают из железа.
Если планируется изготовление арбалета, сила натяжения которого не превышает 20 кг, то вполне возможно использование бука или других твердых пород дерева для вытачивания деталей спускового механизма.
Для изготовления тела арбалета лучше всего использовать следующие виды древесины:
- дуб;
- бук;
- тополь;
- ясень;
- клен;
- акация.
Плотности данных пород вполне достаточно для того, чтобы выдержать значительные нагрузки, оказываемые на ложе и лук арбалета. Абсолютно не подходят для изготовления данных частей такие мягкие виды древесины, как сосна и липа.
Подготовка материала
Деревянная заготовка для арбалета должна быть просушена в течение годаВвиду значительных нагрузок, приходящихся на элементы арбалета, нет ничего удивительного в том, что рано или поздно они выйдут из строя. Чтобы такого не произошло в скором времени, необходимо использовать при производстве арбалета предварительно подготовленный материал.
Древесину следует собирать сырой и сушить в течение года. Для изготовления лука и ложа необходимо выбирать ветки, соответствующие следующим характеристикам:
- Для цельной конструкции ложа с прикладом следует выбирать ветку не менее метра длиной. Для изготовления дуг длина ветки должна составлять не менее 180 см.
- Диаметр заготовок должен составлять не менее 10 см.
Совет! Перед сушкой сырья, спилы следует защитить краской или лаком. Также для этого может быть использован любой клей. Такой подход необходим для того, чтобы дерево сохло медленнее и более равномерно. Это убережет заготовку от появления внутренних трещин, что в значительной степени продлит срок службы арбалета.
После защиты мест среза, необходимо сделать следующее:
- Заготовка отправляется в сухое место, защищенное от проникновения солнечных лучей.
- Желательно, чтобы сырье пролежало здесь не менее года.
- Далее следует очистить заготовку от коры, после чего она должна находиться в сухом месте еще неделю.
- Теперь полено можно распилить пополам, высушив еще около недели.
Изготовление плеч
Самое простое – использовать готовые луки для спортивной стрельбыНа заготовке следует выбрать ту сторону, которая характеризуется более тонкими годовыми кольцами. Как правило, это северная сторона, волокна на которой располагаются плотнее, нежели в остальных частях. Из данной части изготавливается лук или плечи.
Производство плеч осуществляется следующим образом:
- Вначале намечается середина, от которой следует отмерить по 2 см в каждую сторону для установки ложа арбалета. Это место лука должно иметь максимальную толщину.
- От середины начинаем постепенно срезать излишки материала, продвигаясь по направлению к краям. Истончать таким образом заготовку следует с обеих сторон.
- Время от времени необходимо проверять сгибание дуг, используя пробную тетиву. Она представляет собой крепкую веревку, на которой имеется множество петель. Надев на лук тетиву, можно определить степень прогиба и его равномерность. Таким образом выявляются места, на которых следует снять излишки материала. Данный процесс продолжается до тех пор, пока изделие не будет равномерно прогибаться с обеих сторон.
Как обрабатывать сучки
При заготовке материала желательно выбирать те ветки, которые по максимуму лишены сучков и прочих дефектов. Следует понимать, что любой крупный сучок – это слабое место в конструкции. Однако если вам не удалось найти заготовку, полностью лишенную дефектов – это не беда.
Важно! Ни в коем случае нельзя срезать сучки перед сушкой материала! В противном случае, сырье может растрескаться.
Снятие сучков необходимо осуществлять уже в процессе придания формы плечам арбалета. Для этого используется хорошо заточенный нож. Срезать их следует таким образом, чтобы над поверхностью заготовки остался выступ, высотой около 1 мм. Далее дефект зашлифовывается наждачной бумагой.
Изготовление ложа
Ложе делается под себя – для максимального комфортаПосле того, как плечи оружия будут готовы, следует перейти к изготовлению ложа. Для этого необходимо следовать такой инструкции:
- Изначально выбираем место расположения желоба, по которому будет двигаться стрела в процессе выстрела. Данное место должно быть идеально ровным. Любые зазубрины или неровности могут сбить траекторию стрелы, гасить часть инерции или же и вовсе сделать оружие непригодным к использованию.
- Обычно желоб имеет длину около 30 см. Его следует аккуратно выдолбить и зашлифовать.
- За желобом необходимо прорезать углубление для спускового механизма. В передней части создаются пазы для установки плеч.
Все работы по резке древесины следует выполнять специальным столярным ножом или стамеской.
Спусковой механизм
Чтобы понять, как сделать спусковой механизм для арбалета, необходимо для начала разобраться в особенностях его конструкции.
Если вы не планируете изготавливать мощное оружие, а хотите создать легкий и компактный арбалет, то механизм спуска стрел можно сделать деревянным. Для этого используется древесина бука или дуба. Если же речь идет об оружии с силой натяжения более 20 кг, то детали данного механизма следует изготовить из металла.
Самый примитивный спусковой механизм называют «орехом». Его конструкция предельно проста. Данный элемент представляет собой цилиндр и состоит из следующих элементов:
- с одной стороны находится курковый упор;
- на противоположном конце расположен зацеп тетивы.
Мощные арбалеты используют усовершенствованную систему спуска. Она обеспечивает легкое нажатие на курок при условии высоких нагрузок.
Сборка арбалета
Совет: не мучайтесь с изготовлением стрел, их намного проще купитьОсталось лишь соединить изготовленные элементы между собой. Изначально необходимо установить спусковой механизм в ложе. Для этого в нем должно быть выточено посадочное место определенного размера. Далее устанавливаются плечи. Они могут представлять собой как цельную дугу, так и два отдельных элемента. Их крепление к основанию осуществляется посредством специального мебельного клея, который обеспечит надежное сцепление элементов.
На последнем этапе на плечи натягивается тетива. В качестве тетивы чаще всего используется прочная капроновая веревка. Она закрепляется на концах лука, и арбалет готов к своему первому выстрелу.
Изготовление плеч из стеклопластика
Если вы хотите сделать действительно мощный арбалет, то плечи такой конструкции лучше всего будет изготовить из стеклопластика. Такой лук будет не только прочнее, но и долговечнее деревянного. Инструкция по изготовлению предельно проста:
- Берем кевлар или стеклоткань, нарезая ее полосками. Для изготовления плеч для среднего арбалета требуется порядка 40 полосок.
- Проклеиваем полученные элементы эпоксидной смолой, плотно соединяя их друг с другом.
- После проклейки необходимо уложить полученную заготовку под пресс. Лучшим вариантом для этого являются ровные доски, между которыми помещаются плечи, зажимаясь струбцинами.
- Конструкция застывает за 24 часа при условии, что заготовка находится в теплом помещении.
- После окончательного застывания плеч, их торчащие края следует обрезать ножом и зашлифовать наждаком.
Эпоксидный клей следует готовить таким образом, чтобы содержание загустителя в нем было минимальным. Специалисты советуют использовать не более 10% загустителя.
Чтобы сделать фигурные дуги, следует изготовить специальную форму для пресса. Ее делают из фанеры, которая сгибается после предварительного замачивания.
Как сделать мини-арбалет?
Стрельба из мини-арбалета будет довольно интересна, т.к. в качестве стрел можно использовать острые бамбуковые шпажки, способные проткнуть даже картонЧтобы выстрелить из арбалета, вовсе необязательно получать навыки работы с древесиной, закупать необходимые инструменты и осуществлять заготовку сырья, ожидая год для начала работ. Действующую модель можно изготовить из обыкновенного гофрированного картона. Естественно, для спортивных или охотничьих целей такой арбалет не подойдет, а вот для стрельбы по мишеням будет в самый раз.
Изготовление такого прототипа предполагает несколько этапов:
- Сначала делаем плечи. Для этого необходимо вырезать из гофрированного картона несколько одинаковых заготовок, которые скрепляются между собой в единую конструкцию. Таким образом, создается необходимая жесткость, ведь на данную часть арбалета будет приходиться максимальная нагрузка.
- Затем из картона следует вырезать спусковой крючок и запорный механизм. Их также изготавливают из нескольких слоев, склеенных друг с другом. Для создания дополнительной жесткости, необходимо усилить данные конструкции палочками от мороженого.
- Основная часть арбалета представлена ложем, ровно как и в его боевых прототипах. Эта конструкция состоит из двух одинаковых частей, которые соединяются друг с другом посредством перемычек.
- Вставляем внутрь ложа спусковой механизм и склеиваем основную часть арбалета.
- Теперь необходимо прикрепить плечи к основанию. Делать это следует очень аккуратно, чтобы избежать перекоса, иначе точность выстрела из такого арбалета будет под большим вопросом.
- На последнем этапе необходимо натянуть тетиву. Для этого используются канцелярские резинки, которые переплетаются между собой. Чем большее количество резинок вы используете, тем более мощным будет ваш арбалет. Однако здесь не следует переусердствовать – трех-четырех слоев будет вполне достаточно.
В качестве стрел для такого арбалета можно использовать обычные шариковые ручки. Они являются довольно тяжелыми для целенаправленного полета, при этом, инерции резинки будет более чем достаточно для запуска такого снаряда.
Арбалет – это довольно серьезное оружие, которое можно изготовить самостоятельно. Если у вас отсутствуют навыки работы с древесиной, то начать собственное производство арбалетов вы можете с изготовления миниатюрной модели из гофрированного картона. Она не только порадует вас своим внешним видом, но и позволит попрактиковаться в меткости стрельбы. А следующим этапом будет изготовление уже полноценного деревянного арбалета.
voin.guru
Как сделать арбалет из дерева своими руками
Арбалет — одно из изобретений, изменивших историю. До его изобретения лучнику требовалось тренироваться в течение многих лет, прежде чем он становился эффективным воином. С арбалетом даже средний крестьянин мог быть солдатом. Кроме того, благодаря использованию механизма взведения, перекрестная сила больше не является ограничивающим фактором.

Вот моя инструкция как сделать арбалет из дерева с фото и чертежами.
Будьте аккуратны, потому что арбалет может убить или поранить вас, вашу собаку и т.д.
Шаг 1: Арбалетная дуга
Все, что вам нужно — это определиться с размерами.
Общая длина составляет 125 см с шириной 6,5 см в центре, сужающейся до 1,25 см по краям. Толщина составляет 1,1 см.
Крепеж для тетивы я сделал из штифтов из твердой древесины.
Также я покрыл дугу джинсовой тканью. Я просто положил кусок джинсы и пропитал клеем, раскатав скалкой.
Шаг 2: Ложа арбалета
Ложа была смоделирована в ProE. По сути, это два прямоугольника — один 7,5 х 50 см 14 х 37 см, другой 14 х 37 см.
Возьмите размеры с картинки и вырежьте две части из фанеры 2 см (я взял фанеру, потому что она была под рукой).
Как только две части готовы, они соединяются друг с другом винтами для дерева, потому что их нужно будет несколько раз разобрать.
Сейчас будет полезно использовать рубанок, чтобы выровнять верхние края двух частей. Если у вас нет рубанка (у меня не было), прикрутите ложу к доске и выровняйте края пилой. Верхние края обязательно должны быть плоскими и ровными.
Шаг 3: Спусковой механизм

- Разберите ложу на две части.
- Работайте на внутренней стороне одной из частей.
- Отмерьте 50 см от длинной части, а затем спуститесь вниз на 5 мм. Это будет центром круга. Используя циркуль, нарисуйте круг диаметром 4 см.
Проведите линию от нижней части круга длиной 6 мм, затем опустите эту линию вниз до конца ложи. Сделайте ортогональную линию от конца линии внутри круга до конца ложи.
Внутри этой области будет ваш спусковой крючок. Вы можете увидеть на рисунке, где я набросал линии, чтобы обозначить отверстие.
Отверстие — это точка поворота для крючка.
Шаг 4: Продолжение спускового механизма
Здесь я использовал фрезерный станок по дереву чтобы прорезать дерево вглубь на 6 мм. Впоследствии я положил лист бумаги на вырез и сделал контур, чтобы перенести этот вырез на вторую часть ложи. В этот момент важно просверлить отверстие в центре круга, так как ваши отметки будут внутри после сборки.
Шаг 5: Сборка ложи арбалета


Склейте и привинтите две части ложи вместе, постарайтесь не залить клеем спусковой механизм. К верху ложи прикрепите 0,5 см кусок твердого дерева, я использовал клён. После того, как клей высохнет, используйте кольцевую пилу чтобы сделать отверстие 4 см там, где будет спусковой механизм.
Затем используйте шлифовальную машинку или наждачную бумагу, чтобы убрать заусенцы.
Шаг 6: Гайка
Гайка будет удерживать тетиву, когда арбалет взведен. Она должна быть прочной и крепкой. Я сделал гайку из фанеры красного дуба и склеил слои эпоксидным клеем. Честно говоря, пять слоев недостаточно, и здесь можно постараться лучше.
Во всяком случае, как только ложа арбалета высохла, нужно вставить гайку в отверстие.
Ширина гайки должна быть такой же, как и ширина ложи.
Нижняя половина гайки отрезается, чтобы сделать спусковой крючок. Верхняя половина отрезается наполовину, чтобы сделать засечки, которые будут держать тетиву. Также делается дополнительный надрез, чтобы стрела могла соприкасаться с тетивой.
Гайка будет удерживаться в ложе при помощи блоков с обеих сторон.
Шаг 7: Спусковой крючок
Вам нужно взять лист бумаги, на котором вы отмечали вырез на ложе. Это поможет определить место, где будет сидеть спусковой крючок.
Верхний край спускового крючка должен быть прямым. Просто сделайте крючок достаточно прочным и достаточно маленьким, чтобы выдерживать вес арбалета и заставлять гайку вращаться.
Я использовал кусок лиственной фанеры. Это плохой выбор, так как она крошится. Чтобы исправить это, я укрепил деталь ковровым гвоздем.
После того, как вы сделали спусковой крючок так же, как на фотографии, завершите сверление поворотного отверстия и убедитесь, что крючок может вращаться.
Шаг 8: Присоединение арбалетной дуги
Чтобы упростить присоединение, я использую болт, который проходит сквозь дугу в ложу и закрепляю гайкой, спрятанной в крестовине.
Шаг 9: Тетива

Я сделал тетиву из пеньки из 16 нитей длиной 122 см. Это не очень хорошая тетива, но для первого раза пойдет.
Шаг 10: Заключение
Деревянный арбалет, сделанный своими руками готов, что осталось сделать?
- Так как это фанера, я, вероятно, покрашу арбалет.
Нет никаких механизмов безопасности.- Мушка, чтобы стрелять прямо.
- Сделайте держатель для стрелы, если вы наклоните арбалет, стрела выпадет.
- Тетиву нужно сделать лучше.
- Различные фиксаторы.
- Я измерил кинетическую энергию. Выстрел дает энергию в 28 Дж, что ниже рекомендуемого минимума 33 Дж для охоты, поэтому нужно сделать более сильный самострел.
masterclub.online
Чертежи фирменного арбалета Horton

Ну, что же, поиски на просторах интернета дали свои результаты. Я наконец-то нашел нормальные чертежи с соблюдением ГОСТ.
При наличии доступного материала и кое-какого оборудования, несложно будет изготовить настоящий (или почти настоящий) блочный арбалет.
В конце страницы размещена фотография самодельного арбалета, изготовленного по этим чертежам из подручных материалов.
Естественно покупного арбалета он не заменит, (все-таки качество сборки и структура материала в заводском исполнении не в пример выше) но пострелять по
мишеням вполне реально.
Далее приступим к самой конструкции нашего арбалета.
Итак, перед вами общая схема самодельного арбалета.

Из чего состоит данный вид арбалета:
Ложе, плечи, приклад, спусковой механизм, прицельное приспособление, система блоков.
Ложе лучше всего изготавливать из натурального дерева твердых пород, цельного либо клееного бруса. Размер подбирайте по своему усмотрению, но
придерживаясь рекомендованным на чертежах
Плечи и колоды у арбалета

Если есть ложе от стрелкового оружия, то это было бы идеальным решением, но можно попробовать выстрогать «Буратино» и самому.
Далее у нас идет приклад и подствольная накладка, которые крепятся к направляющей и являются основой для примыкания спускового механизма

Блочная конструкция арбалета облегчает взвод тетивы, но отлично сохраняет мощность и позволяет носить его во взведенном состоянии длительное время.
Далее посмотрим чертежи блоков, а также деталей блочного узла


Обработка направляющей стрелы должна быть выполнена особенно четко. Линии обязательно должны быть гладкие и прямые. От этого зависит точность и
дальность полета стрелы. Лучше всего делать это на фрезерном станке, а потом тщательно обработать наждачной бумагой. Потом выполнить полировку паза.
Крестовину с плечами, установленную с торца ложа лучше изготовить из алюминиевой пластины, но можно и сделать деревянную

Не забудьте сделать прицельное приспособление, состоящее из целика и мушки. Можно сделать крепление для оптического прицела.
Этот арбалет приспособлен для стрельбы стрелами диаметр, которых восемь миллиметров и длина четырестапятьдесят миллиметров. Стрелы
изготовьте из дюралюминиевых трубок.
Кстати, можно сделать арбалетную стрелу с трассером
Спереди на стрелу крепится наконечник с внутренником, в заде оперенье, как у стрелы лука. Для этого отверстие забивается деревянной
пробкой, смазанной в клее. Это и будет концевик арбалетного болта.
Вот фотография самодельного арбалета изготовленного по этим чертежам. Как видите материалы применены самые простые.

Вот, наверное, и все, что можно сказать по этому виду самодельного оружия. Чертежи выполнены весьма эффективно и понятно, есть Печать чертежей,
где можно заказать выполнение любых чертежей.
Остается взять инструмент в руки, зарядиться хорошим настроением и приняться за выполнение поставленной цели. Удачи!
P.S.
Статья является рерайтом. Администратор не несет ответственности за достоверность информации. Все, что вы делаете, вы делаете на собственный страх и риск.
style=»color: #ff0000;»>Похожие статьи:
Делаем лук
Изготовить классический арбалет
Чертежи бумеранга
Как сделать метательный нож
Конструкция самострела
Многозарядный арбалет
Арбалет из стула
Как изготовить сюрикен
Чертеж фирменного арбалета HORTON
Как сделать пистолетный арбалет самостоятельно
Как сделать подводное ружье
Как сделать самодельные нунчаку
Как сделать самодельный огнеметКак сделать инерционную дубинку
Способ изготовления самодельного ружья
Самодельное огнестрельное оружие или пяти ствольный самодельный монстр
www.sekach.ru
Арбалет своими руками, чертежи и размеры. Вариант 2
В этой статье описывается как изготовить мощный и надежный арбалет своими руками. Предполагаю, что вы знакомы с общей конструкцией арбалета, назначением его отдельных узлов и применяемыми терминами. Хотелось бы поделится опытом в конструировании этого вида оружия, предложить свои наработки и достижения. Считаю, что вам будет интересно узнать то, как в условиях мастерской средней оснащенности, используя только подручные материалы изготовить арбалет, который по своим характеристикам приближается к заводским моделям.
Характеристики арбалета
- Вес: 3 кг;
- Длина: 960 мм;
- Ширина: 820 мм
- Сила натяжения лука: 30 — 40 кг;
- Оптимальный вес стрелы: 20 — 25 г;
- Прицельная дальность стрельбы 80 — 100 м;
- Глубина проникновения стрелы диаметром 7 мм и весом 15 г в сухую сосновую доску с расстояния 10 м: 4 см;
- Усилие на спуске: 400 — 500 г.
Крепление
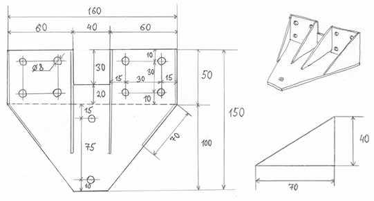
Центральной деталью, к которой будут крепиться плечи и ложе арбалета, является деталь.

Она вырезается из железного листа толщиной 2,5 — 3 мм, затем гнется и сваривается. С помощью 2-х болтов, вставляемых в отверстия по центру крепежного устройства и на конце ложи арбалета, последний легко разобрать для транспортировки и собрать в боевое положение.
К крепежному устройству снизу приваривается стремя для удобства при натяжении тетивы.
Стремя выгибается из проволоки диаметром 6 — 8 мм.
Плечи арбалета
Материал для изготовления — рессора от легкового автомобиля толщиной 5 — 6 мм.
Четыре полукруглые выемки на широкой части плеча — отверстия для болтов, с помощью которых плечи будут привинчены к креплению. Я намеренно отказываюсь от сверления отверстий, которые, по моему, ослабят плечи, и могут привести к их поломке и деформации.
Еще одно преимущество этого способа крепления — простота. Не нужно искать способ просверлить в твердой, каленой стали отверстия. Да и как это можно сделать? Разве что отпускать металл, сверлить, затем закаливать снова.
Существует мнение, что использование рессор в качестве материала для плечей опасно. Они ломаются (особенно на морозе) в местах крепления, плюс при изломе рессора выкидывает мелкие осколки в виде иголок.
Блоки арбалета
Чем хорошо использование блоков?
Во-первых, облегчается натяжение: два блока и удлиненная в 3 раза тетива дает выигрыш в силе. Натянуть подобный лук в несколько раз легче, чем если бы вы напрямую соединили оба конца плечей тетивой.
Во-вторых, после спуска, тетива будет скользить по поверхности ложе в 1,5 — 2 раза быстрее, соответственно, возрастет и начальная скорости стрелы, дальнобойность арбалета.
К недостаткам блочной системы можно отнести сложность в изготовлении, использование дополнительного устройство для закрепления блоков на концах плечей и незначительное увеличение общего веса оружия.
Схема намотки тетивы
Чертеж детали, с помощью которой блоки крепятся на концах плечей

Размеры колеса, по выемке которого скользит тетива

Тетива арбалета
В качестве тетивы в этом арбалете используется стальной трос диаметром 2 — 3 мм. Более толстый сложнее связать и прикрепить, более тонкий будет растягиваться в процессе эксплуатации и может перетереться и разорваться. На концах троса завязывается обыкновенная дубовая петля.

Узел на конце троса сильно затягивается и его очень трудно развязать. Тетиву лучше прикреплять не напрямую к оси блока, а использовать дополнительные детали
Это позволит более равномерно распределить нагрузку и избежать перетирания тетивы.
Ложе арбалета
Материал для изготовления ложа арбалета — осиновая, кленовая доска толщиной 30 мм (легко поддающиеся обработке вязкие и прочные материалы с достаточно красивой текстурой).
Дуб слишком тяжел, труден для обработки и легко колется; сосна, ель — коробятся при намокании, недостаточно прочны. Ложе будет смотреться красивее, если его отшлифовать и вскрыть лаком.
Особое внимание следует уделить направляющему пазу для стрелы. Он должен быть ровным и хорошо отшлифованным. От состояния паза зависит точность стрельбы. Ширина паза должна равняться диаметру стрелы. Паз удобно пропилить при помощи циркулярной пилы.
Позаботьтесь об удобстве эксплуатации и эргономике оружия: подберите оптимальное расстояние от рукоятки до спускового крючка, приделайте к ложе цевье (как у АКМ). Наличие приклада и упрощает прицеливание и существенно повышает точность стрельбы.
Для удержания стрелы используется пружина, которая прижимает стрелу к ложе и не дает ей выпасть из направляющего паза до выстрела.
В качестве прицельного приспособления можно установить на арбалет оптический прицел, использовать готовые прицелы от пулевого оружия. Одно из решений — использование целика и мушки. Вертикальные поправки осуществляются целиком, укрепленным на крышке спускового механизма, а горизонтальные — мушкой, укрепленной на детали крепления плечей и ложе. Для транспортирования удобно, если прицел сделан съемным.
Спусковой механизм арбалета
Материал для изготовления спускового механизма — листовое железо толщиной 6–7 мм.

Детали монтируются непосредственно в ложе, без изготовления отдельного корпуса. В ложе арбалета вырезается гнездо, просверливаются сквозные отверстия для осей, на которых будут крепиться детали спуска, монтируется механизм

При эксплуатации подобной конструкции спускового механизма не было замечено ни одного (!) самопроизвольного срабатывания. Спуск плавный, удобный, чрезмерных усилий прилагать на требуется.
Стрелы для арбалета (болты)
Для достижения точности попадания, хорошей кучности стрелы должны быть правильно и качественно изготовлены, быть однообразными по весу, форме, размерам, оперению (под группу одинаковых стрел можно пристрелять арбалет, найти оптимальные установки прицела).
Стрелы для арбалета должны быть прочными и жесткими, потому что арбалет передает стреле значительное количество энергии. Хрупкая, небрежно изготовленная, плохо сбалансированная стрела разрушится при спуске или попадании в мишень.
Рекомендуемый вес стрелы (в граммах) равен:
- минимальный: натяжение лука (в граммах) разделить на 5000;
- максимальный: натяжение лука (в граммах) разделить на 2000;
Таким образом, для арбалета с силой натяжения 40 кг получаем следующий диапазон веса: 10 — 25 г.
Дальность полета стрелы зависит от площади лобового сопротивления, массы стрелы и количества переданной ей от тетивы энергии. Малое значение отношения площади лобового сопротивления к массе приведет к тому, что дальность полета стрелы будет большей (если принять значение количество энергии за константу).
Уменьшение длины стрелы также улучшает ее летные качества, поскольку с увеличением длины турбулентность воздушного потока, параллельного цилиндрической поверхности, увеличивается, поглощая большее количество энергии.
Стрела состоит из оперения, наконечника, древка, затыльника.
Если древко изготавливается из дерева, то затыльник может отсутствовать. Торец арбалетной стрелы ровный, без ушка для тетивы. Можно переделать стрелы от спортивных луков, утяжелив их и уменьшив длину.
Наконечники арбалетных стрел
Самый простой и удобный способ изготовления качественных наконечников очень оригинален! Если есть возможность, нужно подобрать на военных полигонах, где проходят стрельбы из автоматов Калашникова, отстреленные пули калибра 7.62. Стальной сердечник в пуле закреплён свинцовой пробкой на донышке. Т.е. если нагреть пулю (сделать это можно даже на костре в консервной банке), чтобы свинец расплавился, то стальной сердечник из неё выпадет. Вот вам и готовый аккуратный, со специально разработанной для стрельбы формой наконечник. И кроме того, за счёт глубокого отверстия образовавшегося после извлечения сердечника, этот наконечник очень легко крепится на самой стреле. Просто насаживается на заточенный торец как колпачок.
Если есть необходимость в утежелении стрелы (в зависимости от длины), то насаживаем оболочку пули на обрезанный прут гвоздь или шуруп подходящего деаметра и вкручиваем его в торец стрелы, с предварительно просверленным отверстием конечно же, — имен, но так крепятся наконечники у стрел заводских арбалетов

Ориентировочные параметры стрел для арбалетов:
- Длина: 120 — 170 мм;
- Диаметр: 7 — 8 мм;
- Количество перьев: 3 или 4 шт.;
- Длина пера: 30 — 50 мм;
- Высота пера: 5 — 8 мм;
- Вес стрелы: 10 — 40 гр.
Центр тяжести стрелы арбалета должен быть расположен на расстоянии 1/3 от наконечника.
www.vseznaniya.ru
Изготовление арбалета с использованием чертежей и правильных размеров
Чтобы сделать надежный арбалет самостоятельно, мало огромного желания и трудолюбия. Нужно еще обрести необходимую базу знаний, техническую и материальную базу. Можно конечно схватить кусок дерева и автомобильную рессору, и начать с упорством маньяка пилить, строгать, точить и сверлить, приблизительно ориентируясь на найденные рисунки конструкции арбалета. Но в результате может оказаться, что ваш арбалет слишком тяжел, неудобен и вообще у вас получилось не, то о чем вы мечтали и воображали.
Что же делать? Во-первых, нужно точно определиться, какой именно арбалет вы хотите изготовить. Ведь разновидностей данного метательного оружия огромное количество и в каждой есть какие-то свои технические особенности.
Во-вторых, нужно точно знать свои возможности в плане оборудования, с помощью которого вы будете делать каждую деталь арбалета. И, в-третьих, хорошенько подумайте, где и какой материал вы будете брать для изготовления той или иной конструкции арбалета.
Что же давайте начнем с пополнения наших знаний об арбалетах и их разновидностях. Для начала посмотрим общее устройство арбалета.
Как правило, любой арбалет состоит из следующих частей и механизмов:
- ложе и направляющие арбалета;
- лук и плечи;
- спусковой механизм;
- прицельное приспособление;
- устройства натяжения;
- тетива;
- стрелы (болты).
Теперь давайте немного коснемся классификации арбалетов. Все арбалеты классифицируется по нескольким критериям.
Классификация по силе натяжения плечей арбалета:
- Сила натяжения до 20 килограмм. Эти арбалеты чаще всего используются для отдыха и развлечения. Дальность прицельной стрельбы не очень велика и достигает 15-20 метров.
- Арбалеты с силой натяжения от 20 до 55 килограмм позволяют взвести спусковой механизм с использованием мускульной силы, без каких либо дополнительных устройств. У них прицельная дальность составляет уже 60-70 метров.
- Арбалеты с силой натяжения свыше 55 килограмм считаются уже серьезным оружием и требуют для натяжения тетивы специальные устройства взвода.
Классификация по типу применяемого лука.
- Монолук – может быть однородным, изготовленным из стеклопластика или стали, а также составным с использованием определенных пород дерева.
- Плечи плюс колодка – в этом случае для крепления плечей лука делается промежуточное приспособление – колодка. Такой арбалет довольно удобен при транспортировке, так как легко разбирается.
Классификация по типу используемых плечей.
- Могут быть блочные — с использованием эксцентриков и роликов, а также имеющие одну основную и две дополнительные тетивы.
- Классические – S образный лучный тип изгиба.
- Прямые – в не согнутом положении плечи составляют прямой отрезок.
Классификация по применяемому ложу арбалета.
- Классическое ложе винтовочного типа, имеет цельный приклад, цевье и шейку.
- Спортивное ложе с пистолетной рукояткой и прорезью в прикладе
- Ложе старинного типа, сделанное по образу средневековых арбалетов.
Классификация по методу натяжения.
- Мускульный способ натяжения – имеет стремя, систему рычагов или специальный крюк.
- Так называемая «козья нога» — это специальный одноплечевой рычаг.
- Блочное натяжение с несколькими роликами.
- Ворот – это приспособление имеет зубчатую рейку и червячную передачу
Теперь, когда мы получили кое-какое представление об устройстве арбалетов, можно подумать какая конструкция подойдет для вас, учитывая ваши технические возможности. То есть — есть ли у вас возможность использовать метало и деревообрабатывающие станки. Поверьте, имея на руках лишь рубанок, дрель и ножовку по металлу, вы не сможете сделать настоящий качественный арбалет. Некоторые детали может изготовить лишь грамотный токарь. Даже имея на руках подробные чертежи арбалета, вам придется применить максимум усилий, выдумки, и сообразительности, чтобы сделать все красиво и технически грамотно.
Начнем изготовление арбалета с ложа. Для начала подберем подходящую древесину. Нам нужна такая порода дерева, которая бы не коробилась, не кололась и будет достаточно вязкая. Этим параметрам вполне отвечает такие породы, как бук, ясень, орех или береза.
Доска толщиной в 30 см. вполне подойдет в качестве исходного материала для ложа. Теперь нужно определиться с размерами ложа. На рисунке ниже показано, как определить его размер под свои физические параметры.

Где:
А — это основные ваши физические размеры.
- L – Длина от локтевого изгиба до ногтя указательного пальца.
- h4 – высота от ключицы до зрачка.
- B2 – ширина грудной клетки от одной подмышечной части тела до другой.
Б – размеры будущего ложа.
- Lп – это длина ложи, она измеряется от передней части спускового крючка, до пятки приклада. (на 5-15 мм длиннее, чем до середины затылочной части приклада)
- Lпс – длина от спускового крючка до середины затылочной части приклада. (расстояние L)
- Lн – длина ложа от спускового крючка до носка приклада. (0+-15 мм длиннее или короче расстояния до середины затылочной части приклада, зависит от полноты грудной клетки)
- а – расстояние отгиба ложа к низу спереди приклада.
- о – расстояние отгиба ложа к низу до пятки приклада. (Размеры «а» и «о» делайте в зависимости от расстояния Н3)
В – отвод ложа и его изменение в сторону, которые зависят от ширины грудной клетки (В2)
- Оп – расстояние отвода ложа к пяточной части приклада.
- Он – расстояние отвода ложа к носочной части приклада.
Ложе измеряется от начала спускового крючка до различных точек находящихся на затыльной части приклада. Чтобы подогнать ложе по размеру своего тела используйте рисунок выше. Но средние значения размеров таковы:
- От начала спускового крючка до пятки — 360-365 мм.
- От крючка до носка приклада (Lн) расстояние составляет – 368-372мм.
- До средней точки, находящейся на затылочной плоскости (L1) – 356-360мм.
- «а» — 40-45 мм. «б» — 55-60мм.
Далее привожу таблицу всех возможных размеров для изготовления ложа зависимости от телосложения человека.
Ориентируясь на эту таблицу и сделав замеры собственного тела, вы сможете подобрать оптимальные размеры ложа для арбалета, которое будет идеально вам подходить. Сложно? Ничего страшного, как говорится «тяжело в учении, легко в применении»
Далее можно приступите к непосредственному изготовлению самого ложа. Рекомендуется сначала вырезать из бумаги шаблон, начертив на ней ложе по размерам, которые вы замерили и определили с помощью таблицы. Эскизы различных лож арбалета можно легко найти в интернете.
О том, как пошагово изготовить ложе арбалета, спусковой механизм и плечи, мы поговорим в других статьях. Здесь же наша задача научится определять необходимые для вас размеры частей арбалета и материал, из которого они будут изготавливаться.
Теперь посмотрим с чего нам начать изготовление плечей арбалета. А начать нужно как всегда с выбора материала, из которого мы будем делать плечи. Я думаю, вы уже определились, какой арбалет вы будете делать: с составным луком, или монолуком.
Материал для изготовления плечей может быть следующим:
- Используем плечи от спортивного лука, если таковой имеется в вашем распоряжении. Можете посетить какие либо спортивные секции, там списанные луки можно выпросить бесплатно, один черт подлежат уничтожению. Их, правда, можно использовать для слабых арбалетов с силой натяжения от 17 до 20 кг.
- Текстолит, либо стеклотекстолит – найти можно в строительных магазинах. Сила натяжения тоже невелика до 20 кг. Обычно используется для создания арбалетов в игровых целях.
- Автомобильная рессора – поройтесь у себя в гараже, гараже соседей или технических свалках.
- Алюминий, титан, сталь – ищем тоже в строительных магазинах.
- Стеклопластик, углепластик и различные композитные материалы – опять же трясем магазины стройматериалов.
Наиболее качественные плечи арбалета получаются из стеклопластика и композитных материалов. Ниже размещен чертеж с размерами плечей из стеклопластика с натяжением до 40 кг.

Автомобильную рессору, можно использовать для изготовления монолука. Тетива к нему крепится либо с помощью колесиков, либо натягивается на трезубец.


Далее размещены размеры, которые можно использовать при изготовлении монолука из рессоры или другого материала, который вы сможете найти.
Монолук с креплением тетивы с помощью роликов.

Монолук с креплением тетивы за трезубцы.

Таблица размеров приведенных чертежей монолука.
На этом, с вашего позволения, я закончу обзор размеров, которые вы можете использовать для изготовления арбалета. В следующей статье мы с вами разберем, какие можно использовать спусковые механизмы для арбалета. А также рассмотрим чертежи некоторых спусковых механизмов, наиболее распространенных в арбалетастроении.
P.S.
Статья является рерайтом. Администратор не несет ответственности за достоверность информации. Все, что вы делаете, вы делаете на собственный страх и риск.
Еще о самодельных арбалетах:
Как сделать блочный арбалет
Подробные чертежи арбалета Хортон
Фотографии узлов и частей арбалета, присланого читателем блога
Конструкция арбалета из того, что нашли в гараже
Как сделать многозарядный арбалет
Арбалет из подручного материала
Как сделать карманный мини-арбалет
Пошаговое изготовление блочного арбалета
Делаем арбалет с луком из пружинной проволоки
Механизмы натяжения тетивы арбалетов
Как правильно сделать арбалетный болт
Детали арбалета, чертежи и размеры
Арбалет-револьвер и его устройство
Реконструкция средневекового арбалета
Рассмотрим чертежи арбалета из американского журнала
Конструкция кольцемета
www.sekach.ru
Арбалет своими руками, чертежи и размеры. Вариант 3
Начало изготовления арбалета
Определившись с целями изготовления арбалета, и соответственно, определив его параметры, можно приступать к подбору соответствующего чертежа. Схему арбалета можно взять готовую, а можно составить и самостоятельно. В любом случае, вам придется подгонять его под себя. Т. к. арбалет должен составлять с вами единое целое, быть удобным для вас, поэтому мелочей в подготовке к составлению чертежа арбалета быть не должно.
При создании чертежа арбалета необходимо учитывать не только ваши пожелания, но и доступности и качество материалов, их реальную стоимость, сложность обработки, а также надежность изделий из выбранных вами материалов.
Вы должны сделать чертеж арбалета во всех его мелочах, чтобы, приступив к изготовлению, не было никаких нестыковок.
Обычно сначала изготавливается ложе. Затем к нему крепятся плечи (дуги), направляющая, спусковое устройство, стремя. При изготовлении арбалета можно использовать и некоторые готовые детали. Так, одним из самых важных и сложных элементов при изготовлении арбалета являются плечи. Их можно изготовить самостоятельно из различных материалов, в том числе подручных (например из старой лыжи), упругого листа металла, или приобрести готовые в спортивном магазине.
Схема сборки арбалета
Арбалет который мы предлагаем собрать состоит из следующих основных частей см. Схему 1 (все размеры даны в мм.).
Схема 1

Ложе может быть изготовлено из цельной или клееной древесины твердых пород. Ориентировочные его размеры показаны на рисунке. Форма выбирается по усмотрению стрелка. Самое главное, чтобы она была удобна для дальнейшего использования. В зависимости от того, левша вы или правша, с соответствующей стороны делается специальное углубления для более плотного контакта головы стрелка с ложем. На нашем примере, оно сделано для правшей.
Схема 2

В нашей схеме арбалета, ложе и направляющая составляют единое целое. Поэтому необходимо особое внимание уделить отделке поверхностей. От ее качества будет в большой степени зависеть точность стрельбы. Они должны быть строго прямолинейны, не иметь шероховатостей, заусенцев и т. п. Лучше всего обработать их на фрезерном станке с последующей зачисткой мелкой шкуркой и полировкой.
Размеры направляющего паза для стрелы диаметром 8 мм. показаны на рисунке 3.
К торцу ложи прикрепляется крестовина с привинченными к ней плечами. Крестовина отливается из легкого алюминиевого сплава или же фрезеруется из алюминевой болванки. Ее можно изготовить и из дерева.
Положение на ложе крестовины с упругими элементами должно быть таково, чтобы окно для вылета стрелы располагалось против направляющего паза. (Рисунок 4), а тетива при выстреле прижималась к поверхности ложа.
Каждое плечо крепится к крестовине двумя винтами.
Схема 3
Схема 4
Принцип работы спускового механизма заимствован из описания конструкции средневекового арбалета. Изготовление ее требует точности и скрупулезности (рисунок 5).
Схема 5

Работа и устройство механизма ясны из схемы 5. Во взведенном положении тетива (1) зацеплен за выступ (а) рычага (2). От поворота рычаг удерживает спусковой крючок (3). При нажатии на крючок рычаг освобождается, и тетива, устремляясь вперед, посылает стрелу. Перемещение рычага ограничивает упор (4). Для смягчения удара на упор необходимо одеть резиновую трубку. Положение упора подбирается таким образом, чтобы выступ (а) рычага в крайнем положении располагался ниже направляющей поверхности ложа, не препятствуя тем самым скольжению тетивы. После выстрела рычаг удерживается в крайнем положении пружиной (5).
При взведении арбалета тетива упирается в выступ (б) и поворачивает рычаг (2) в исходное положение. Спусковой крючок при этом по действием пружины (6) поворачивается и фиксирует рычаг и тетиву.
Чтобы исключить возможность случайного соскакивания тетивы с выступа (а), спусковой механизм закрывается крышкой (7). Между крышкой и ложей оставляется зазор для прохода тетивы. К крышке прикреплена плоская пружина (8), удерживающая стрелу на направляющих при прицеливании.
Подшипник (9), укрепленный на конце спускового крючка, значительно уменьшает усилие спуска. Необходимую величину спускового усилия можно подобрать, пропиливая поверхность рычага (2), которая опирается на подшипник.
Для уменьшения веса рычага рекомендуем изготовить его из легкого сплава Д16Т. В качестве пружин (5) и (6) могут быть использованы английские булавки.
Спусковой механизм арбалета
Весь спусковой механизм можно смонтировать в металлическом корпусе, а затем вставить его в соответствующее гнездо ложи и привинтить двумя шурупами. Регулировка его в этом случае упрощается и существенно повышается надежность. Однако то несколько усложнит конструкцию и потребует применения для его изготовления металлорежущих станков.
Прицел арбалета
Прицельное приспособление арбалета состоит из целика и мушки. Вертикальные поправки осуществляются целиком, укрепленным на крышке спускового механизма, а горизонтальные — мушкой, укрепленной на кронштейне упругого элемента.
Вариантов конструкций этих устройств может быть много, в зависимости от возможности изготовления, наличия готовых прицелов от спортивного пулевого оружия и т. п.
Следует иметь в виду, что траектория полета стрелы арбалета достаточно высока, поэтому целик должен быть установлен значительно выше мушки. Угол превышения прицельной линии (рис. 1) зависит от веса стрелы, силы натяжения тетивы, дистанции стрельбы и т. п. В нашем арбалете, на дистанции 50 м. он составляет примерно 6 градусов.
Стрелы для арбалета
Наш арбалет рассчитан для стрельбы стрелами диаметром 8 мм, длиной 350 мм. Их можно легко изготовить из дюралюминевой (сплав Д16Т) трубки толщиной стенки 0.5 мм. Оснащается стрела наконечником и оперением так, как это делают для стрельбы из лука. Следует иметь в виду, что хвостовик стрелы для арбалета, в отличие от стрелы для лука, не должен иметь выреза для тетивы. Его удобно выточить из дерева в виде пробки и вставить в торец трубки на клею.
В заключение хочется выразить надежду, что изготовление арбалета своими руками доставит вам много удовольствия, а стрельба из него даст возможность хорошо провести свой досуг на свежем воздухе. Не забывайте только о том, что арбалет, как и всякое оружие, требует к себе ответственного отношения и соблюдения при стрельбе всех мер безопасности.
Источник: robinclub.ru
www.vseznaniya.ru
Арбалет своими руками, чертежи и размеры. Вариант 4
Сделать арбалет своими руками — не сложно, было бы желание. Перед тем как приступить к изготовлению арбалета, убедитесь, что у вас есть все материалы, и что вы хорошо представляете себе процесс изготовления, и то, что у вас получиться. Для начала внимательно изучите схему арбалета и его устройство.
Может быть вы внесете в него свои корректировки и сделаете свой чертеж арбалета, в соответствии с имеющимися у вас материалами и потребностями. Некоторые части арбалета, в особенности спускового механизма, сначала можно изготовить из картона и проверить механизм его работы и взаимодействия с другими частями арбалета.
Хорошенько обдумайте все мелочи, чтобы не оказалось, что вы потратили кучу времени на изготовление нестреляющего арбалета. Тщательно подберите материалы. Для ложа и приклада это может быть прочный бук или дуб, дугу можно изготовить из текстолита или гибких стальных пластин.
Процесс создания арбалета условно можно разбить на этапы.
Этап 1. Разметьте заготовки и распилите ложе как на рисунке.

Синим обозначен сквозной продольный пропил, в котором будет находится спуск.
Этап 2. Из прочного металла изготовьте спуск и две крепежные пластины.

Спуск я бы рекомендовал делать из полотна от ножовки (по дереву), этот материал почти не изнашивается. И ни в коем случае не делайте детали арбалета из дюраля, если хотите, чтобы он прожил дольше.
Этап 3. Изготовьте и закрепите приклад.

Учтите, что крепежные пластины будут расположены по обеим сторонам верхней части приклада, и выпиливать ее (верхнюю часть) надо таким расчетом, чтобы она свободно стыковалась с ложем.
Этап 4. Когда приклад и крепежные пластины закреплены, просверлите отверстие для пружины.

Не сквозное. Вставьте и закрепите спуск.
Этап 5. Убедившись, что все работает, закрепите желоб, в котором будет лежать стрела. Изготовить желоб достаточно просто. Его можно просто выдолбить в самом ложе, но это довольно трудоемко. Кроме того, двигающаяся тетива стачивает его. Проще подобрать металлический подходящей ширины.

В трисах попадаются такие, похожие на рельсы «двутавры». На двух своих самодельных арбалетах я вставил эти двутавры в более широкие и прочные желоба (их используют при изготовлении мебели).
Этап 6. Из обломка ножовочного полотна изготовьте пластину, изогните ее над огнем и закрепите.
Эта пластина прижмет стрелу к ложу и не даст ей выпасть.
Этап 7. Прикрепите дугу. Способ крепления в каждом случае свой, но, скажем, текстолитовую пластину можно просто привинтить двумя шурупами.

Полезный совет.
Никогда не спускайте тетиву арбалета, если в оружии нет стрелы (болта). Если стрела заряжена, то вся энергия лука арбалета передается стреле, а если ее нет, то энергия распределится в дуги и их крепление, что может их повредить и даже сломать ваш арбалет.
Удачи вам в изготовлении арбалетов!
Автор: gLaMor. Источник: robinclub.ru
www.vseznaniya.ru
